Tekst... (561478)
Текст из файла
1. По заданной структуре разработать автомат
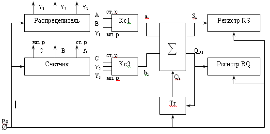
1.1 Структурная схема
1.2 Входная последовательность сигналов :
1.3 Исходное состояние автомата: все триггеры в момент времени t0 находятся в состоянии “0”.
1.4 Индивидуальное задание:
-номер задания 135 _ _
-выходная функция Kс1(F1): АOBY1
-выходная функция Kс2(F2): 0,3,5,6,7
-последовательность сигналов с выходов распределителя:
12332112
- тип базового элемента: И-ИЛИ-НЕ
- тип триггера задержки J-K.
2. Выполнить следующее:
2.1 Минимизировать Кс1 и Кс2 с учетом запрещенных состояний.
2.2 Разработать функциональную схему автомата.
2.3 Построить временные диаграммы работы автомата в точках: A,B,С,Y1,Y2,Y3,ai,bi,ci,Si,Qi+1.
2.4 Определить код (состояние) регистров RS и RQ в момент времени t9.
2.5 Оценить сложность автомата по Квайну.
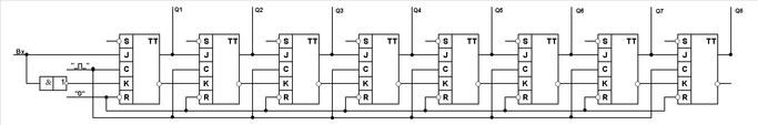
Счётчик.
По заданию счётчик строится на J-K триггерах. Ср4.
Таблица истинности счётчика:
| № | A | B | C | D |
| 0 | 0 | 0 | 0 | 0 |
| 1 | 0 | 0 | 0 | 1 |
| 2 | 0 | 0 | 1 | 1 |
| 3 | 0 | 1 | 1 | 1 |
| 4 | 1 | 1 | 1 | 1 |
| 5 | 1 | 1 | 1 | 0 |
| 6 | 1 | 1 | 0 | 0 |
| 7 | 1 | 0 | 0 | 0 |
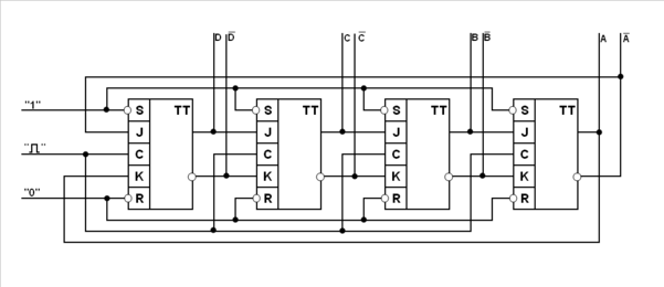
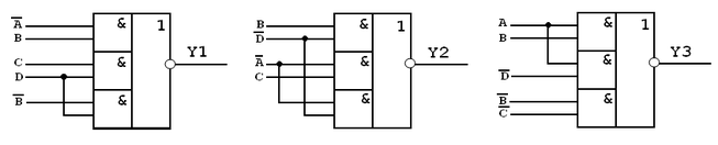
Распределитель.
Распределитель – это устройство, которое при поступлении на его вход переключающих сигналов формирует управляющий сигнал в одном из выходных каналов. В данной работе использован распределитель на базе четырёхразрядного счётчика Джонсона, построенного на J-K триггерах. Для простоты реализации схемы используем в распределителе выходы имеющегося счетчика. Так как длинна последовательности номеров канала равна 8, то имеющегося четырёхразрядного счётчика вполне достаточно.
Таблица истинности распределителя:
Запрещённые состояния: 2,4,5,6,9,10,11,13.
Минимизируем Y1, Y2, Y3 по 0 т.к. реализуем схему на
элементах И-ИЛИ-НЕ.
Реализация распределителя на элементах И-ИЛИ-НЕ:
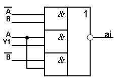
Минимизация Кс1 и Кс2 с учётом запрещённых состояний:
Разрешённые состояния Кс1: 4,5,7,3,2,1. Запрещенные: 0,6.
Разрешённые состояния Кс2: 0,2,5,6,4. Запрещенные: 1,3,7.
| Кс1 | Кс2 | |||||||
| № | A | B | Y1 | ai | C | Y2 | Y3 | bi |
| 0 | 0 | 0 | 0 | 1 | 0 | 0 | 0 | 1 |
| 1 | 0 | 0 | 1 | 1 | 0 | 0 | 1 | |
| 2 | 0 | 1 | 0 | 0 | 0 | 1 | 0 | 0 |
| 3 | 0 | 1 | 1 | 0 | 1 | 1 | ||
| 4 | 1 | 0 | 0 | 0 | 1 | 0 | 0 | 0 |
| 5 | 1 | 0 | 1 | 1 | 0 | 1 | 1 | |
| 6 | 1 | 1 | 0 | 1 | 1 | 1 | 0 | 1 |
| 7 | 1 | 1 | 1 | 0 | 1 | 1 | 1 | |
|
| запрещённое состояние | |||||||
Минимизация карт Карно при реализации на И-ИЛИ-НЕ происходит по «0».
С учётом запрещённых состояний:
Реализация Кс1 и Кс2 на элементах И-ИЛИ-НЕ:
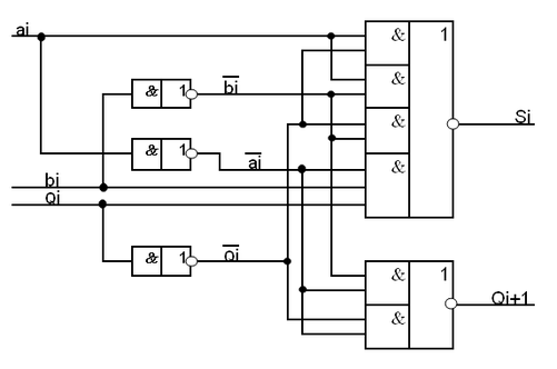
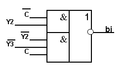
Сумматор.
Сумматор осуществляет сложение трех цифр: две цифры выходов элементов КС1 и КС2 ai, bi и цифру переноса Qi и формирует на выходе сумму Si и цифру переноса Qi+1.
Таблица истинности и временные диаграммы сумматора:
Si: Qi+1:
Регистры.
В качестве блока запоминания результата суммы и переноса используем 8-разрядные регистры, построенные на JК-триггерах. В качестве входного сигнала в RS регистре используется сигнал Si, соответственно RQ используется сигнал Qi+1.
Определение кода регистров в момент времени t9:
Rs1=0, Rs2=0, Rs3=0, Rs4=1, Rs5=0, Rs6=1, Rs7=1, Rs8=1.
Rq1=0, Rq2=1, Rq3=1, Rq4=1, Rq5=1, Rq6=1, Rq7=0, Rq8=0.
Сложность автомата по Квайну:
счётчик: 12*4=48
распределитель: 9+9*2=27
Кс1: 4+2*2=8
Кс2: 2+3*2=8
сумматор: 4+8*2=20
триггер: 14
RS: 4+12*8=100
RQ: 4+12*8=100
Сложность автомата: 48+16+20+14+27+200=325
Характеристики
Тип файла документ
Документы такого типа открываются такими программами, как Microsoft Office Word на компьютерах Windows, Apple Pages на компьютерах Mac, Open Office - бесплатная альтернатива на различных платформах, в том числе Linux. Наиболее простым и современным решением будут Google документы, так как открываются онлайн без скачивания прямо в браузере на любой платформе. Существуют российские качественные аналоги, например от Яндекса.
Будьте внимательны на мобильных устройствах, так как там используются упрощённый функционал даже в официальном приложении от Microsoft, поэтому для просмотра скачивайте PDF-версию. А если нужно редактировать файл, то используйте оригинальный файл.
Файлы такого типа обычно разбиты на страницы, а текст может быть форматированным (жирный, курсив, выбор шрифта, таблицы и т.п.), а также в него можно добавлять изображения. Формат идеально подходит для рефератов, докладов и РПЗ курсовых проектов, которые необходимо распечатать. Кстати перед печатью также сохраняйте файл в PDF, так как принтер может начудить со шрифтами.
















