gOdA_ (561480)
Текст из файла
Московский Авиационный Институт
(Государственный Технический Yниверситет)
Кафедра 304
Курсовая работа
по курсу “ЭВМ и вычислительные системы”
Выполнила: студентка группы 03 – 505
Гойда О.В.
Принял: Сегал В.М.
Москва 2005
Задание.
1. По заданной структуре разработать автомат
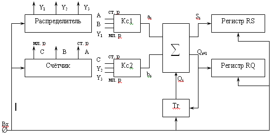
1.1 Структурная схема
-
Входная последовательность сигналов :
-
Исходное состояние автомата: все триггеры в момент времени t0 находятся
в состоянии “0”.
-
Индивидуальное задание:
Вариант – 27 (860)
выходная функция Kс1(F1): CAB
выходная функция Kс2(F2): 1,3,4,6,7
последовательность сигналов с выходов распределителя: 21121313
тип базового элемента: И-НЕ
тип триггера задержки Dt
.
2. Выполнить следующее:
-
Минимизировать Кс1 и Кс2 с учетом запрещенных состояний.
-
Разработать функциональную схему автомата.
-
Построить временные диаграммы работы автомата в точках: A,B,С,Y1,Y2,Y3,ai,bi,ci,Si,Qi+1.
-
Определить код (состояние) регистров RS и RQ в момент времени t9.
-
Оценить сложность автомата по Квайну.
Минимизация Кс1 и Кс2 с учётом запрещённых состояний:
Разрешённые состояния Кс1: 0,5,7,6,2,1. Запрещенные: 3,4.
Разрешённые состояния Кс2: 2,0,6,4,5,1. Запрещенные: 3,7.
| Кс1 | Кс2 | |||||||
| № | A | B | Y1 | ai | C | Y2 | Y3 | bi |
| 0 | 0 | 0 | 0 | 0 | 0 | 0 | 0 | 0 |
| 1 | 0 | 0 | 1 | 1 | 0 | 0 | 1 | 1 |
| 2 | 0 | 1 | 0 | 0 | 0 | 1 | 0 | 0 |
| 3 | 0 | 1 | 1 | 1 | 0 | 1 | 1 | 1 |
| 4 | 1 | 0 | 0 | 0 | 1 | 0 | 0 | 1 |
| 5 | 1 | 0 | 1 | 0 | 1 | 0 | 1 | 0 |
| 6 | 1 | 1 | 0 | 1 | 1 | 1 | 0 | 1 |
| 7 | 1 | 1 | 1 | 0 | 1 | 1 | 1 | 1 |
|
| запрещённое состояние | |||||||
Минимизация карты Вейча при реализации на И-НЕ происходит по «1».
С учётом запрещённых состояний:
Реализация Кс1 на элементах И-НЕ:
Реализация Кс2 на элементах И-НЕ:
Разработка функциональной схемы автомата:
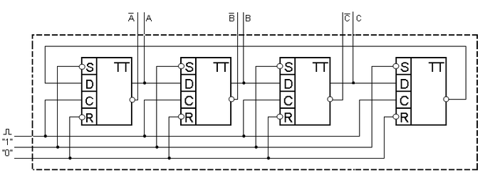
Счётчик.
По заданию счётчик строится на D-триггерах. Ср4.
Таблица истинности счётчика:
| № | A | B | C | D |
| 0 | 0 | 0 | 0 | 0 |
| 1 | 1 | 0 | 0 | 0 |
| 2 | 1 | 1 | 0 | 0 |
| 3 | 1 | 1 | 1 | 0 |
| 4 | 1 | 1 | 1 | 1 |
| 5 | 0 | 1 | 1 | 1 |
| 6 | 0 | 0 | 1 | 1 |
| 7 | 0 | 0 | 0 | 1 |
Распределитель.
Для простоты реализации схемы используем в распределителе выходы имеющегося счетчика. Так как длина последовательности номеров канала равна 8, то имеющегося четырёхразрядного счётчика вполне достаточно.
Таблица истинности распределителя:
| № | A | B | C | D | Y1 | Y2 | Y3 |
| 0 | 0 | 0 | 0 | 0 | 0 | 1 | 0 |
| 1 | 1 | 0 | 0 | 0 | 1 | 0 | 0 |
| 2 | 1 | 1 | 0 | 0 | 1 | 0 | 0 |
| 3 | 1 | 1 | 1 | 0 | 0 | 1 | 0 |
| 4 | 1 | 1 | 1 | 1 | 1 | 0 | 0 |
| 5 | 0 | 1 | 1 | 1 | 0 | 0 | 1 |
| 6 | 0 | 0 | 1 | 1 | 1 | 0 | 0 |
| 7 | 0 | 0 | 0 | 1 | 0 | 0 | 1 |
Запрещённые состояния:2,4,5,6,9,10,11,13.
Минимизируем Y1, Y2, Y3 по “1” т.к. реализуем схему на элементах И-НЕ.
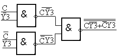
Реализация распределителя на элементах И-НЕ:
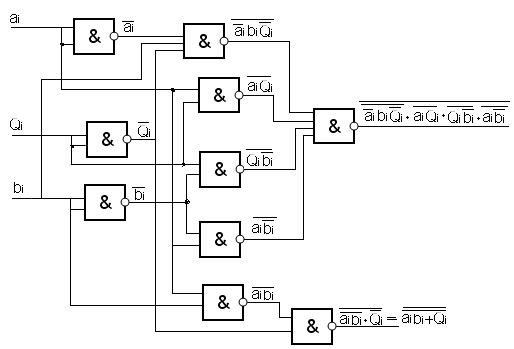
Сумматор.
Таблица истинности и временные диаграммы сумматора:
Минимизируем:
Реализация сумматора на элементах И-НЕ:
Триггер:
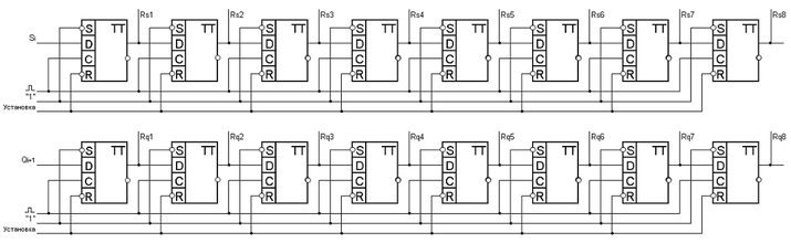
Регистры.
Определение кода регистров в момент времени t9:
Rs1=1, Rs2=0, Rs3=0, Rs4=1, Rs5=0, Rs6=0, Rs7=1, Rs8=0.
Rq1=0, Rq2=1, Rq3=1, Rq4=0, Rq5=1, Rq6=1, Rq7=0, Rq8=1.
Сложность автомата по Квайну:
счётчик: 18*4=72
распределитель: 6
Кс1: 6
Кс2: 6
сумматор: 4
триггер: 18
RS: 18*8=144
RQ: 18*8=144
Сложность автомата: 72+6+6+6+4+18+144+144=400
0
Характеристики
Тип файла документ
Документы такого типа открываются такими программами, как Microsoft Office Word на компьютерах Windows, Apple Pages на компьютерах Mac, Open Office - бесплатная альтернатива на различных платформах, в том числе Linux. Наиболее простым и современным решением будут Google документы, так как открываются онлайн без скачивания прямо в браузере на любой платформе. Существуют российские качественные аналоги, например от Яндекса.
Будьте внимательны на мобильных устройствах, так как там используются упрощённый функционал даже в официальном приложении от Microsoft, поэтому для просмотра скачивайте PDF-версию. А если нужно редактировать файл, то используйте оригинальный файл.
Файлы такого типа обычно разбиты на страницы, а текст может быть форматированным (жирный, курсив, выбор шрифта, таблицы и т.п.), а также в него можно добавлять изображения. Формат идеально подходит для рефератов, докладов и РПЗ курсовых проектов, которые необходимо распечатать. Кстати перед печатью также сохраняйте файл в PDF, так как принтер может начудить со шрифтами.
















