lec1-n_123 (529984), страница 4
Текст из файла (страница 4)
Н
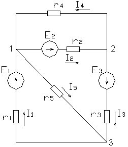
а рис 1.24 в виде примера изображена электрическая схема, содержащая три узла. Примем потенциал φ3=0 (базисный узел). Составим уравнения для узлов 1 и 2 по первому закону Кирхгофа:
,
(1.39)
Каждые из этих токов можно выразить через узловые потенциалы и э.д.с. ветвей:
Подставив (1.40) в (1.39), сгруппировав члены при φ1 и φ2 и перенеся члены с э.д.с. в правую часть, получим
где
(1.42)
.
Таким образом , множителем при φ1, является коэффициент G11, равный сумме проводимостей всех ветвей, сходящихся в первом узле (1.42). G12 равняется сумме проводимостей всех ветвей, соединяющих узел 1 с узлом 2, взятой со знаком минус. Ток I11 называют узловым током первого узла. Это расчетная величина, равная алгебраической сумме токов, полученной от деления э.д.с. ветвей, подходящих к узлу 1, на величину сопротивлений этих ветвей. Если э.д.с. направлена к узлу, то берется в I11 со знаком плюс, если от узла, то со знаком минус. Так же определяют G22, G21, I22 (см. 1.42).Если между какими-либо двумя узлами нет ветви, то соответствующая проводимость равна нулю. Решив систему (1.41) относительно φ1 и φ2, определим узловые напряжения цепи. Искомые токи определяют либо по закону Ома, либо по второму закону Кирхгофа для участка цепи, содержащей э.д.с.
Частным случаем метода узловых напряжений является метод двух узлов.
При наличии n ветвей между точками a и b применение метода узловых напряжений позволяет ограничиться составлением и решением одного уравнения для определения напряжения Uab между узлами a и b. Задавшись положительным направлением напряжения Uab (см. рис.1.25) и учитывая направления э.д.с в ветвях в соответствии с изложенным выше , получим формулу для определения напряжения Uab:
(
1.43.)
где произведения EКgК берутся со знаком плюс , если э.д.с. действует от узла b к a и со знаком минус при обратном направлении . Токи ветвей определяются по выражению , составленному по второму закону Кирхгофа , при выбранном положительном направлении тока .
(1.44.)
Пользуясь методом двух узлов можно произвести замену искомых параллельных ветвей, содержащих источники э.д.с., одной эквивалентной.
У
часток цепи (рис.1.25,а) будет эквивалентен цепи на (рис.1.25,б), если при любых значениях тока I , подтекающего из всей остальной, не показанной на рисунке части схемы, напряжение на зажимах a и b (Uab) в обеих схемах будет одинаковым. Составив уравнения для обеих схем (1.25. а и б) и приравняв
Рис 1.25 коэффициенты при Uab и токи, получим выражения для определения Eэкв и gэкв.
(
1.45)
(1.46)
.
При подсчетах по формуле (1.45) следует иметь в виду следующее: если в какой-либо ветви схемы э.д.с. отсутствует, то соответствующее слагаемое в числителе (1.44) выпадает, но проводимость этой ветви в знаменателе (1.45) остается.
Пример 1.3.
В электрической цепи рис. 1.26
E1=40 B, E2=20 B, r01=r02=1 Oм, r1=9 Ом, r2=39 Ом, r3=10 Ом,
r4=30 Ом, r5=15 Ом, U1=45 B, U2=30 B
П
ользуясь методом узлового напряжения, определить токи в ветвях.
Р
ешение. При указанных положительных направлениях напряжения Uаb и токов в ветвях по формуле (1.43) определим Uаb
Воспользовавшись формулой (1.44), определим токи в ветвях:
1.8.5. Метод наложения.
При расчете по методу наложения ток в любой ветви электрической цепи определяется как алгебраическая сумма токов, вызываемых в данной ветви каждой из э.д.с. в отдельности, в предположении равенства нулю всех остальных э.д.с.
Порядок расчета цепи методом наложения следующий. Из электрической цепи удаляют все источники э.д.с. и напряжений, кроме одного. Сохранив в электрической цепи все резистивные элементы, в том числе и внутренние сопротивления источников, производят расчет электрической цепи. Подобным образом поступают столько раз, сколько имеется в цепи источников. Результирующий ток каждой ветви определяют как алгебраическую сумму токов от всех источников.
Метод наложения весьма удобен для анализа явлений происходящих в электрических цепях при изменении их параметров.
1.8.6. Метод эквивалентного генератора.
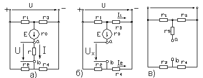
Метод эквивалентного генератора используется в случае, когда необходимо найти ток, напряжение или мощность в одной ветви. При этом вся остальная ч
асть цепи, к которой подключена данная ветвь, рассматривается в виде двухполюсника (рис. 1.27, а). Двухполюсник называют активным, если он содержит
Рис 1.27 источники электрической энергии, и пассивным - в противоположном случае. Будем обозначать активный двухполюсник буквой А, а пассивный - буквой П.
Различают две модификации метода эквивалентного генератора: метод эквивалентного источника напряжения и метод эквивалентного источника тока.
Рассмотрим метод эквивалентного источника напряжения. Этот метод базируется на теореме Тевенина, согласно которой ток в любой ветви линейной электрической цепи не изменится, если активный двухполюсник, к которому подключена данная ветвь, заменить эквивалентным источником (генератором) напряжения. Э.д.с. этого источника равна напряжению холостого хода на зажимах разомкнутой ветви, а внутреннее сопротивление равно эквивалентному входному сопротивлению пассивного двухполюсника со стороны разомкнутой ветви (рис. 1.27, б).
Опуская доказательство этой теоремы, после замены активного двухполюсника эквивалентным источником в соответствии с этой схемой имеем:
(1.47)
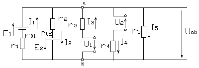
Пример 1.4.
В электрической цепи (рис. 1.28, а).
U
=100 B, E= 40 B, r1=r4=30 Ом, r2=r3=20 Ом, r=15 Ом, r0=1 Ом
Пользуясь методом зквивалентного генератора определить I и напряжение Uab.
Рис 1.28
Решение. При отключенном сопротивлении r (рис.1.28б) по закону Ома и на основании второго закона Кирхгофа получим:
После замены источников их внутренними сопротивлениями получим схему, изображенную на рисунке 1.29в, Между точками а и b последовательно соединены три участка цепи: участок с параллельно соединенными резисторами r1 и r3; участок, на котором параллельно соединены резисторы r2 и r4, и участок, содержащий резистор ro. В соответствии с этим, внутреннее сопротивление эквивалентного генератора (сопротивление относительно точек а и b) будет:
По формуле (1.47) и закону Ома получим
1.9. Нелинейные электрические цепи постоянного тока.
1.9.1.Нелинейные элементы электрических цепей, их вольтамперные характеристики и сопротивления.
Нелинейным элементом электрической цепи считается элемент, значения параметров которого зависят от значения тока данного элемента или напряжения на его выводах.
К нелинейным элементам электрических цепей относятся разнообразные полупроводниковые приборы, устройства, содержащие намагничивающие обмотки с ферромагнитными магнитопроводами (при переменном токе), лампы накаливания, электрическая дуга и др.
Нелинейные элементы дают возможность решать многие технические задачи, так, с помощью нелинейных элементов можно осуществить преобразование переменного тока в постоянный, усиление электрических сигналов, генерирование электрических сигналов различной формы, стабилизацию тока и напряжения, изменение формы сигнала и т.д. Нелинейные элементы широко используются в радиотехнических устройствах, в устройствах промышленной электроники, автоматики, измерительной и вычислительной техники.
Важнейшей характеристикой нелинейных элементов является вольт-амперная характеристика (в.а.х.), представляющая собой зависимость между током нелинейного элемента и напряжением на его выводах.
ВАХ нелинейных элементов весьма разнообразны и для некоторых из них представлены на рис. 1.29.а...д.
Там же приведены условные графические обозначения соответствующих элементов. Условное обозначение любого нелинейного резистивного элемента показано на рисунке 1.30.а. Имея в.а.х. нелинейного элемента, можно определить его сопротивления при любых значениях тока или напряжения. Различают два вида сопротивлений нелинейных элементов: статическое и дифференциальное.
Статическое сопротивление дает представление о соотношении конечных значений напряжения и тока нелинейного элемента и определяется в соответствии с законом Ома. Например, для точки А в.а.х. (рис. 1.29.а) статическое сопротивление
(1.48)
где mu и mi -масштабные коэффициенты напряжения и тока.
Дифференциальное сопротивление позволяет судить о соотношении приращений напряжения и тока и определяется следующим образом:
(1.49)
К нелинейным электрическим цепям то есть к цепям, содержащим нелинейные элементы , применимы основные законы электрических цепей: законы Ома и законы Кирхгофа , которые записываются для мгновенных значений токов и напряжений. Для расчета нелинейных электрических цепей применяется в большинстве случаев графоаналитический метод. Кроме того используется метод кусочно - линейной аппроксимации, когда в предлагаемом диапазоне изменения тока или напряжения нелинейного элемента его в.а.х. можно заменить прямой линией. При этом расчет можно производить и аналитическим методом. Следует отметить, что к той части электрической цепи, которая содержит только линейные элементы, применимы все методы расчета и преобразования электрических цепей, рассмотренные ранее.
1.9.2. Графоаналитический метод расчета нелинейных электрических цепей.
Предположим, что имеется электрическая цепь, схема которой приведена на рис.1.30,а. В этой цепи нелинейный резистивный элемент r соединен с активным линейным двухполюсником A, который может быть любой сложности.
; (1.40)
















