РПЗ_максимки (520110), страница 4
Текст из файла (страница 4)
Диаметр промежуточного вала по расчету на кручение при
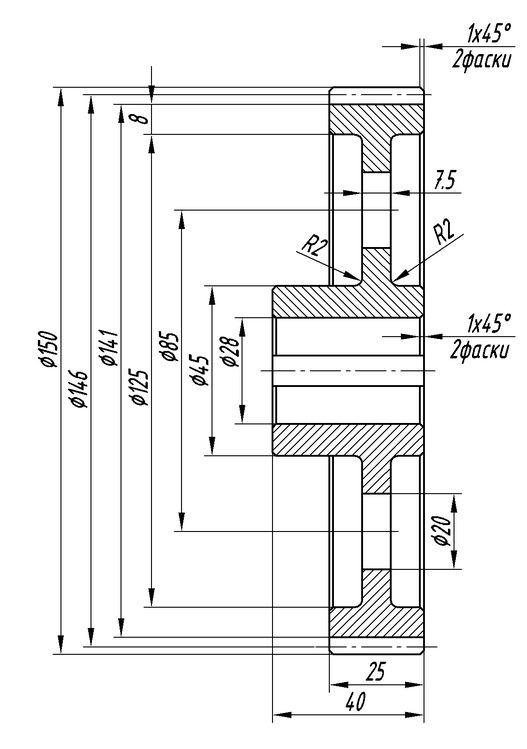
Таблица 3.1[стр.18[6]] Основные размеры вала (Рис.7)
| Параметры и обозначения | Формулы, результаты расчета и принятые числовые значения параметров |
Продолжение таблицы 3.1
| Параметры и обозначения | Формулы, результаты расчета и принятые числовые значения параметров |
3.1 Подбор подшипника
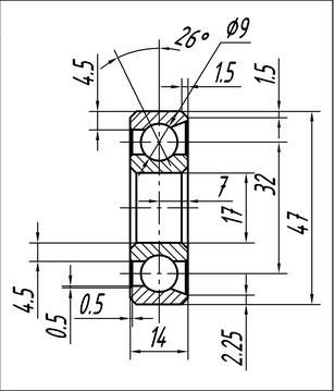
Таблица 3.2[стр.74[4]] Основные размеры подшипника (Рис.7)
| Название подшипника | Условное обозначение | d,мм | D,мм | B,мм | r,мм | r1,мм | c,кН | c0,кН | Кол-во |
| Шариковый радиально-упорный однорядный(рис.4) | 46303 | 17 | 47 | 14 | 1.5 | 0.5 | 16.1 | 8.0 | 2 |
рис.4
Шариковые радиально-упорные однорядные
3.2 Дополнительные размеры
Червячное колесо(стр.30[8])(рис.5):
рис.5
Червячное колесо
Шестерня (стр.12[8])(рис.6):
Рассмотрим необходимость изготовления сплошного колеса или отверстий в колесе
Колесо делать сплошное без отверстий.
рис.6
Шестерня
3.3 Предварительный расчет шпоночного соединения
По табл.2.1 и стр.15[9]
Со стороны червячного колеса: b=6мм, h=6мм, l=32мм
Со стороны шестерни: b=6мм, h=6мм, l=28мм
рис.7
Предварительный эскиз промежуточного вала
4. Предварительный расчет ведомого вала
Диаметр ведомого вала по расчету на кручение при
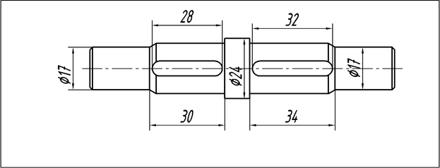
Таблица 4.1[стр.18[6]] Основные размеры вала (Рис.10)
| Параметры и обозначения | Формулы, результаты расчета и принятые числовые значения параметров |
4.1 Подбор подшипника
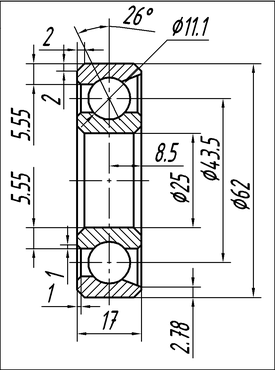
Таблица 4.2[стр.74[4]] Основные размеры подшипника (Рис.8)
| Название подшипника | Условное обозначение | d,мм | D,мм | B,мм | r,мм | r1,мм | c,кН | c0,кН | Кол-во |
| Шариковый радиально-упорный однорядный(рис.4) | 46305 | 25 | 62 | 17 | 2 | 1 | 26.9 | 14.6 | 2 |
рис.8
Шариковые радиально-упорные однорядные
4.2 Дополнительные размеры
Зубчатое колесо(стр.12[8])(рис.9):
Рассмотрим необходимость изготовления сплошного колеса или отверстий в колесе
Колесо делать с отверстиями.
4.3 Предварительный расчет шпоночного соединения
По табл.2.1 и стр.15[9]
Для зубчатого колеса: b=8мм, h=7мм, l=36мм
На выходном участке: b=6мм, h=6мм, l=36мм
рис.9
Зубчатое колесо
рис.10
Предварительный эскиз ведомого вала
Раздел V.Проверочные расчеты подшипников и шпонок
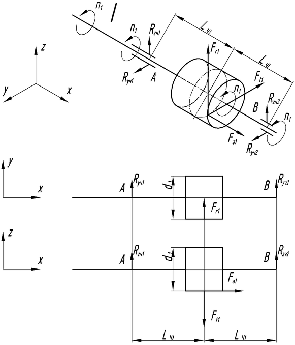
1. Проверка долговечности подшипников(рис.11)
рис.11
1.1 Проверка долговечности подшипников на ведущем валу
Расстояние между опорами
. Диаметр
.
Рассмотрим реакции в опорах (рис.12)
рис.12
Реакции в опорах вала червяка
Реакции опор:
По рис.12 в плоскости yx:
Проверка верна
По рис.12 в плоскости zx:
Проверка верна
Суммарные реакции:
Определяем долговечность на обоих опорах
Осевые составляющие радиальных реакций шариковых радиально-упорных однорядных подшипников[по формуле9.9[5]]:
Где для подшипников шариковых радиально-упорных однорядных с углом
коэффициент осевого нагружения е=0,68[из табл.9.18[5]].
Рассмотрим правый подшипник по табл.2.2 разделаIV это подшипник 80204:
Определим осевые составляющие шарикового радиального однорядного подшипника с двумя шайбами. Для этого определим:
Отношение
осевую нагрузку учитываем.
Эквивалентная нагрузка:
по табл.2.2 разделаIV С=12.7кН
Расчетная долговечность,млн.об.[по формуле 9.1[5]]:
Расчетная долговечность,ч [по формуле 9.2[5]]:
Так как
. Следовательно, подшипник подобран правильно
Рассмотрим правый подшипник по табл.2.2 разделаIV это подшипник 46204:
Отношение
поэтому эквивалентную нагрузку определяем с учетом осевой;
Расчетная долговечность, млн. об.,
Расчетная долговечность ,ч:
Так как
. Следовательно, подшипник подобран правильно
1.2 Проверка долговечности подшипников на промежуточном валу:
Компоновка редуктора показала основные расстояния между опорами и дисками
,
,
. Диаметр
,
.
По таблице 3.4 раздел II и таблице 3.3 раздел III
,
,
,
,
,
Рассмотрим реакции в опорах (рис.13)
Реакции опор:
По рис.13 в плоскости xy:
Проверка верна
По рис.13 в плоскости zy:
рис.13
Реакции в опорах промежуточного вала
Проверка верна
Суммарные реакции:
Осевые составляющие радиальных реакций шариковых радиально-упорных однорядных подшипников[по формуле9.9[5]]:
Где для подшипников шариковых радиально-упорных однорядных с углом
коэффициент осевого нагружения е=0,68[из табл.9.18[5]]:
Рассмотрим правый подшипник по табл.3.2 разделаIV это подшипник 46204:
Отношение:
поэтому эквивалентную нагрузку определяем без учета осевой;
Эквивалентная нагрузка:
Долговечность определяем по более нагруженному подшипнику.
Рассмотрим левый подшипник по табл.3.2 разделаIV это подшипник 46303:
Отношение
поэтому эквивалентную нагрузку определяем без учета осевой;
Расчетная долговечность, млн. об.,
Расчетная долговечность,ч:
По условию на промежуточном валу
Так как
. Следовательно, подшипник подобран правильно
1.3 Проверка долговечности подшипников на ведомом валу:
Компоновка редуктора показала основные расстояния между опорами и диском
,
. Диаметр
Рассмотрим реакции в опорах (рис.14):
По рис.13 в плоскости xy:
Проверка верна
По рис.14 в плоскости zy:
Проверка верна
Суммарные реакции:
Осевые составляющие радиальных реакций шариковых радиально-упорных однорядных подшипников[по формуле9.9[5]]:
Где для подшипников шариковых радиально-упорных однорядных с углом
коэффициент осевого нагружения е=0,68[из табл.9.18[5]]:
Рассмотрим левый подшипник по табл.4.2 разделаIV это подшипник 46305:
Отношение:
поэтому эквивалентную нагрузку определяем без учета осевой;
Эквивалентная нагрузка:
Долговечность определяем по более нагруженному подшипнику.
рис.14
















