РПЗ_максимки (520110), страница 5
Текст из файла (страница 5)
Реакции в опорах ведомого вала
Рассмотрим левый подшипник по табл.4.2 разделаIV это подшипник 46305:
Отношение
поэтому эквивалентную нагрузку определяем без учета осевой;
Расчетная долговечность, млн. об.,
Расчетная долговечность,ч:
По условию на промежуточном валу
Так как
. Следовательно, подшипник подобран правильно
2. Проверка долговечности шпоночных соединений(основной чертеж) [стр.170, формула8.22[5],табл.2.1[9]]:
Шпонка поз.47:
Диаметр вала :
.Сечение и длина шпонки
.Глубина паза
.Момент
Напряжения смятия:
Шпонка поз.48:
Диаметр вала :
.Сечение и длина шпонки
.Глубина паза
.Момент
Напряжения смятия:
Шпонка поз.49:
Диаметр вала :
.Сечение и длина шпонки
.Глубина паза
.Момент
Напряжения смятия:
Шпонка поз.50:
Диаметр вала :
.Сечение и длина шпонки
.Глубина паза
.Момент
Напряжения смятия:
Шпонка поз.51:
Диаметр вала :
.Сечение и длина шпонки
.Глубина паза
.Момент
Напряжения смятия:
3. Уточненный расчет валов:
Нормальные напряжения от изгиба изменяются по симметричному циклу, а касательные от кручения — по отнулевому (пульсирующему).
Уточненный расчет состоит в определении коэффициентов запаса прочности
для опасных сечений и сравнении их с требуемыми (допустимыми) значениями
. Прочность соблюдена при
.
Будем производить расчет для предположительно опасных сечений каждого вала.
Червячный вал проверять на прочность не следует, так как размеры поперечных сечений, принятые при конструировании после расчета геометрических характеристик по таблице 3.2 раздела II (
,
,
), значительно превосходят те, которые могли быть получены расчетом на кручение. А также диаметр входного конца вала получился при расчете на кручение
, но по соображениям конструирования приняли
(решено брать такой диаметр для удобства соединения диаметра входного вала и диаметра вала электродвигателя).
Проверим стрелу прогиба червяка (расчет на жесткость).
Приведенный момент инерции поперечного сечения червяка.
Стрела прогиба:
Допускаемый прогиб:
Жесткость обеспечена так как:
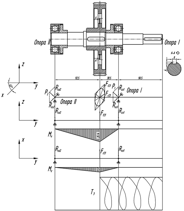
3.1 Определение коэффициентов запаса прочности в опасных сечениях промежуточного вала:
Построим эпюры моментов на изгиб(рис.15)
Материал промежуточного вала Сталь 45, термическая обработка улучшение. По табл.3.3 [5] при диаметре заготовки до 90мм (размер берется по диаметру буртика вала и равен 32мм) среднее значение
.
Предел выносливости при симметричном цикле изгиба
Предел выносливости при симметричном цикле касательных напряжений
По рис.15 видно что сечения А-А и Б-Б наиболее нагруженные для данного вала рассмотрим их:
Сечение А-А
Это сечение при передачи вращательного момента от входного вала через зацепление червячной передачи рассчитываем на кручение. Концентрацию напряжений вызывает наличие шпоночной канавки для шпонки поз. 49(основного чертежа).
Эпюры изгибающих и крутящих моментов в промежуточном валу
Коэффициент запаса прочности:
Где амплитуда и среднее напряжение отнулевого цикла:
Принимаем
(табл.8.5[5]),
(табл.8.8[5]), и
(стр.166[5]).
Определим коэффициент запаса прочности по нормальным напряжениям
По рис.15 видно, что в вертикальной плоскости сечения А-А действует момент
, а в горизонтальной плоскости сечения А-А действует момент
. Найдем суммарный момент для определения амплитуды нормальных напряжений:
Определим момент сопротивления изгибу:
Амплитуда нормальных напряжений изгиба:
Так как на вал в сечение А-А действует осевая нагрузка
, то найдем среднее напряжение цикла нормальных напряжений:
Принимаем
(табл.8.5[5]),
(табл.8.8[5]), и
(стр.164[5]).
Определим результирующий коэффициент запаса прочности:
Сравним коэффициент запаса прочности сечения А-А с допустимым значением коэффициента запаса прочности
.
Расчет по сечению А-А на прочность выполнен правильно, так как
должно быть не ниже
(стр.162[5])
Сечение Б-Б
Это сечение при передачи вращательного момента от промежуточного вала через зацепление зубчатой передачи к ведомому валу рассчитываем на кручение. Концентрацию напряжений вызывает наличие шпоночной канавки для шпонки поз. 48(основного чертежа).
Определим коэффициент запаса прочности:
Где амплитуда и среднее напряжение отнулевого цикла:
Принимаем
(табл.8.5[5]),
(табл.8.8[5]), и
(стр.166[5]).
Определим коэффициент запаса прочности по нормальным напряжениям
По рис.15 видно, что в вертикальной плоскости сечения Б-Б действует момент
, а в горизонтальной плоскости сечения Б-Б действует момент
. Найдем суммарный момент для определения амплитуды нормальных напряжений:
Определим момент сопротивления изгибу:
Амплитуда нормальных напряжений изгиба:
Так как на вал в сечение Б-Б не действует осевая нагрузка, то среднее напряжение цикла нормальных напряжений
:
Принимаем
(табл.8.5[5]),
(табл.8.8[5]).
Определим результирующий коэффициент запаса прочности:
Сравним коэффициент запаса прочности сечения Б-Б с допустимым значением коэффициента запаса прочности
.
Расчет по сечению Б-Б на прочность выполнен правильно, так как
должно быть не ниже
(стр.162[5])
Вывод: Промежуточный вал подобран правильно, он соответствует условиям кручения, изгиба и прочности и может быть принятым в эксплуатацию для данного редуктора.
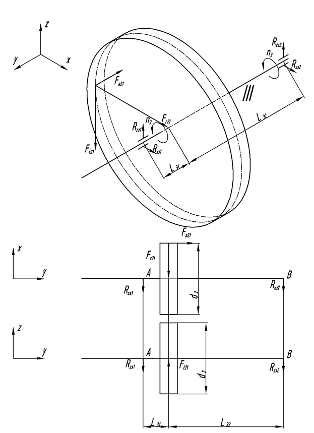
3.2 Определение коэффициентов запаса прочности в опасных сечениях ведомого вала:
Построим эпюры моментов на изгиб(рис.16)
Материал промежуточного колеса Сталь 45, термическая обработка улучшение. По табл.3.3 [5] при диаметре заготовки до 90мм (размер берется по диаметру буртика вала и равен 32мм) среднее значение
.
Предел выносливости при симметричном цикле изгиба
Предел выносливости при симметричном цикле касательных напряжений
По рис.16 видно что сечения А-А наиболее нагруженное для данного вала рассмотрим его:
Это сечение при передачи вращающего момента через зацепление зубчатой передачи по ведомому валу рассчитываем на кручение. Концентрацию напряжений вызывает наличие шпоночной канавки для шпонки поз. 51(основного чертежа).
Определим коэффициент запаса прочности:
Где амплитуда и среднее напряжение отнулевого цикла:
Принимаем
(табл.8.5[5]),
(табл.8.8[5]), и
(стр.166[5]).
Определим коэффициент запаса прочности по нормальным напряжениям
рис.16
Эпюры изгибающих и крутящих моментов ведомого вала
По рис.16 видно, что в вертикальной плоскости сечения A-A действует момент
, а в горизонтальной плоскости сечения Б-Б действует момент
. Найдем суммарный момент для определения амплитуды нормальных напряжений:
Определим момент сопротивления изгибу:
Амплитуда нормальных напряжений изгиба:
Так как на вал в сечение A-A не действует осевая сила, то среднее напряжение цикла нормальных напряжений
:
Принимаем
(табл.8.5[5]),
(табл.8.8[5]):
Определим результирующий коэффициент запаса прочности:
Сравним коэффициент запаса прочности сечения А-А с допустимым значением коэффициента запаса прочности
.
Расчет по сечению А-А на прочность выполнен правильно, так как
должно быть не иже
(стр.162[5])
Вывод: Ведомый вал подобран правильно, он соответствует условиям кручения, изгиба и прочности и может быть принятым в эксплуатацию для данного редуктора.
Раздел VI.Посадки деталей редуктора, завершающий этап разработки проекта.
1. Посадки и допуски характерных соединений
Таблица 1[табл.10.13[5],П1-П7[11]] Посадки и допуски характерных посадок
| Сопрягаемые де-тали. Посадка. | Предельные отклонения, мкм. Предельные размера,мм. | Схема посадки. | Натяги, зазоры, мкм. | |
| быстроходный вал | Отверстие (внутреннее кольцо манжеты) ∅16H11 ES=0; EI= +96; 16.000 ... 16.110 Вал ∅16h11 es=0; ei=-96; 15.890... 16.000 | |||
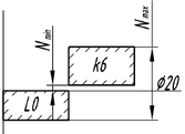
| подшипники качения — | Отверстие (внутреннее кольцо подшипника) ∅20L0 ES=0; EI= -10; 19.990 ... 20.000 Вал ∅20k6 es=+15; ei=+2; 20.002 ... 20.015 | |||
| подшипники качения — | Отверстие ∅47H7 ES=+21; EI=0; 47.000 ... 47.021 Вал (внешнее кольцо подшипника) ∅20l0 es=0; ei= -13; 46.987 ... 47.000 | |||
Продолжение таблицы 1
| Сопрягаемые де-тали. Посадка. | Предельные отклонения, мкм. Предельные размера,мм. | Схема посадки. | Натяги, зазоры, мкм. | |
| ведущий вал | Мазеудер-живающие кольцо— | Отверстие (кольца)∅20H7 ES=+21; EI=0; 20.000 ... 20.021 Вал ∅20k6 es=+15; ei=+2; 20.002 ... 20.015 | ||
| крышка | Отверстие ∅47H7 ES=+21; EI=0; 47.000 ... 47.021 Вал (внешнее кольцо Вал ∅47k6 es=0; ei=-21; 46.979 ... 47.000 | |||
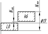
| промежуточный вал | подшипники качения — | Отверстие (внутреннее кольцо подшипника) ∅17L0 ES=0; EI= -10; 16.990 ... 17.000 Вал ∅17k6 es=+15; ei=+2; 17.002 ... 17.015 | ||
| подшипники качения — | Отверстие ∅47H7 ES=+21; EI=0; 47.000 ... 47.021 Вал (внешнее кольцо подшипника) ∅47l0 es=0; ei= -13; 46.987 ... 47.000 | |||
| Мазеудер-живающие кольца— | Отверстие (кольца)∅17H7 ES=+21; EI=0; 17.000 ... 17.021 Вал ∅17k6 es=+15; ei=+2; 17.002 ... 17.015 | |||
| Червячное колесо— | Отверстие (колеса)∅20H7 ES=+21; EI=0; 20.000 ... 20.021 Вал ∅20k6 es=+35; ei=+25; 20.025 ... 20.035 | |||
















