РПЗ_максимки (520110), страница 3
Текст из файла (страница 3)
Таблица 3.2[табл.2.5,2.21[8],стр.30[8]] Основные размеры
Продолжение таблицы 3.2
| Параметры и обозначения | Формулы, результаты расчета и принятые числовые значения параметров. | |
| Диаметры вершин зубьев | ||
| Диаметры впадин зубьев | ||
Таблица 3.3 [стр.294[5]] Силы действующие в зацеплении
| Силы, действующие в зацеплении, Н | Формулы, результаты расчета и принятые числовые значения параметров. |
4. Проверочные расчеты
Таблица 4.1[табл.2.10,2.15,2.17,2.20[8],стр.39[5]] Проверка условия
Продолжение таблицы 4.1
| Параметры и обозначения | Формулы, результаты расчета и принятые числовые значения параметров. |
| Коэффициент, учитывающий распределение нагрузки по ширине венца | |
Получилась недогрузка в 10.9%. Расчет выполнен, верно так как размеры были увеличены по конструктивным соображениям.
Таблица 4.2[табл.2.16,2.18,2.19[8],стр.43[5]] Проверка условия
| Параметры и обозначения | Формулы, результаты расчета и принятые числовые значения параметров. | |
| Коэффициент формы зуба | ||
| Коэффициент, учитывающий распределение нагрузки по ширине венца | ||
Продолжение таблицы 4.1
| Параметры и обозначения | Формулы, результаты расчета и принятые числовые значения параметров. | |
| Коэффициент | ||
| Расчетное напряжение изгиба | ||
Данный расчет выполнен, верно.
Раздел IV.Первый этап компоновки редуктора
1. Конструктивные размеры корпуса редуктора
По рекомендации преподавателя принять зазор безопасности и толщину стенок
и
соответственно.
Таблица 1[рис.4.1-4.4,табл.4.1[6]] Основные элементы корпуса из чугунного литья
| Параметры и обозначения | Формулы, результаты расчета и принятые числовые значения параметров. |
2. Предварительный расчет ведущего вала
Диаметр входного конца ведущего вала по расчету на кручение при
Необходимо согласовать диаметр ведущего вала редуктора с диаметром вала электродвигателя для соединения их муфтой. Тогда
. Следовательно для электродвигателя 4А63В2/2780
и тогда
Таблица 2.1[стр.18[6]] Основные размеры вала (Рис.3)
| Параметры и обозначения | Формулы, результаты расчета и принятые числовые значения параметров |
2.1 Подбор подшипников
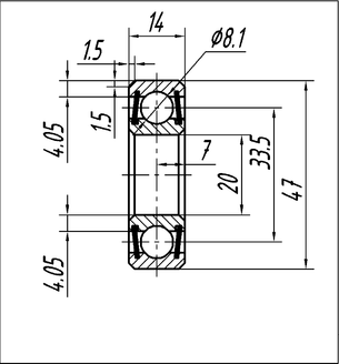
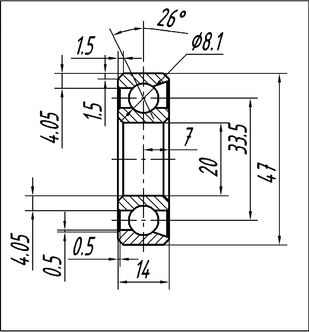
Таблица 2.2[стр.67,73[4]] Основные размеры подшипника (Рис.3)
| Название подшипника | Условное обозначение | d,мм | D,мм | B,мм | r,мм | r1,мм | c,кН | c0,кН | Кол-во |
| Шариковый радиально-упорный однорядный(рис.1) | 46204 | 20 | 47 | 14 | 1.5 | 0.5 | 14.80 | 7.64 | 2 |
| Шариковый радиальный однорядный с двумя защитными шайбами (рис.2) | 80204 | 20 | 47 | 14 | 1.5 | 1.5 | 12.7 | 6.2 | 1 |
рис.1 рис.2
Шариковые радиально-упорные Шариковый радиальный однорядный
однорядные с двумя защитными шайбами
Таблица 2.3[стр.16[6]] Основные размеры вала (Рис.3)
| Параметры и обозначения | Формулы, результаты расчета и принятые числовые значения параметров |
Продолжение таблицы 2.3
| Параметры и обозначения | Формулы, результаты расчета и принятые числовые значения параметров |
2.2 Предварительный расчет шпоночного соединения
По табл.2.1 и стр.15[9]
b=5мм, h=5мм, l=25мм
рис.3
Предварительный эскиз ведущего вала
3. Предварительный расчет промежуточного вала
















