СХЕМ ЛАБ РАБОТА_2 (1274914), страница 2
Текст из файла (страница 2)
Таким образом, исходную информацию для проектирования комбинационной схемы можно представить в следующих эквивалентных формах:
-
Таблицы истинности логической функции;
-
Дизъюнктивной нормальной форме;
-
Конъюнктивной нормальной форме;
Приведенные результаты иллюстрируют принцип дуализма. В самом деле, представление логической функции в форме дизъюнктивной нормальной формы, составленной по множеству включений, совпадает с представлением логической функции в форме конъюнктивной нормальной формы, составленной по множеству выключений, при условии, что все единицы во входных сигналах заменены нулями и наоборот.
Таблица 1.3. Дуальное представление логической функции F.
В левой части этой таблицы приведен список включений логической функции, аргументы которой представлены в рамках соглашения положительной логики. В правой части таблицы приведен список выключений логической функции, аргументы которой инвертированы и отражают соглашение отрицательной логики. Эти две функции эквивалентны.
1.6. Проектирование комбинационных схем.
Рассмотрим методы проектирования схем, сигналы на выходах которых зависят от сигналов на входах, действующих в данный момент времени. Логическая функция, реализуемая в комбинационной схемой, обычно задается в виде таблицы истинности, примером которой являются таблицы 1.2,1.3. Запишем логическую функцию F, соответствующую этой таблице в виде СДНФ.
Схемотехническая реализация этой функции зависит от используемого элементного базиса
Схемотехническая реализация на элементах НЕ, И и ИЛИ. Каждому минтерму в канонической дизъюнктивной форме логической функции ставим в соответствие логический элемент И с необходимым числом входов. Выходы этих элементов объединяем при помощи логических элементов ИЛИ. Инверсию входных сигналов обеспечивают инверторы. Такая трехуровневая реализация логической функции не оптимальна. В ней, во-первых, применяется излишнее число элементов И. Во-вторых, задержка распространения сигналов в элементах И и ИЛИ обычно больше, чем в элементах И-НЕ и ИЛИ-НЕ.
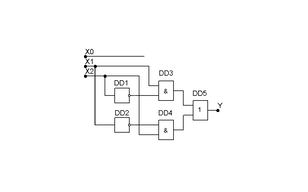
Схемотехническая реализация логической функции F, соответствующей табл. 1.2, на элементах НЕ, И и ИЛИ представлена на рис. 1.10.
Рис. 1.10. Схемотехническая реализация логической функции F, соответствующей табл. 1.2, на элементах НЕ, И и ИЛИ
Формальный путь схемотехнической реализации логических функций на основе прямой интерпретации СДНФ или СКНФ не всегда эффективен по расходу оборудования (количеству элементов) и задержкам.
-
Схемотехническая реализация логической функции F на логических элементах НЕ, И и ИЛИ на основе ее минимизированного представления
Минимизация обычно преследует цель уменьшить количество операций и вхождений аргументов.
Методы минимизации базируются на теоремах Булевой алгебры
[1,2] которые лишь перечисляются ниже.
После минимизации получим следующую логическую функцию.
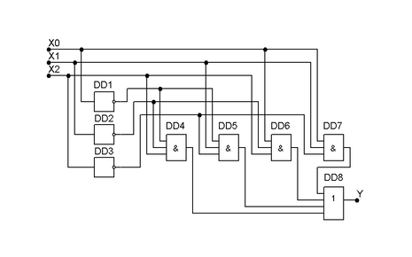
В результате получим следующую комбинационную схему
Рис. 1.11. Схемотехническое описание минимизированной логической функции на элементах И и ИЛИ, заданной в табл. 1.2.
Новая минимизированная схема более экономична, так как имеет на 3 логических элемента меньше, хотя максимальная задержка сигнала от входа до выхода схемы осталась неизменной.
Однако, и эта схемотехническая реализация не оптимальна, так как время задержки распространения сигналов в логических элементах И и ИЛИ обычно больше, чем в логических элементах И-НЕ и ИЛИ-НЕ.
Применение этих элементов позволяет сделать схему с меньшими задержками.
-
Формальная реализация логических функций на элементах И-НЕ и ИЛИ-НЕ.
Преобразуем логическую функцию F( табл.1.2) по теореме Де Моргана. Получим
Это представление логической функции позволяет осуществить ее схемотехническую реализацию на элементах И-НЕ и ИЛИ-НЕ. Очевидным и очень полезным свойством этого преобразования является следующий простой факт: необходимо в схеме на рис. 1.10. формально заменить элементы И и ИЛИ на элементы И-НЕ.
Минимизация Булевых уравнений
Используя аксиомы (табл.1.4) и теоремы ( табл.1.5) Булевой алгебры можно попытаться минимизировать Формулы 1. Аксиомы и теоремы Булевой алгебры подчиняются принципу двойственности. Если взаимно заменить символы 0 и 1 , а так же взаимно заменить операции И(&) и ИЛИ (|), то булево выражение останется верным. Для упрощения набивки текста Булевских формул в этом параграфе использованы иные символы для представления Булевых операций для И символ &, для ИЛИ символ | , для НЕ символ ~.
Например, аксиома 0 |0=0 по принципу двойственности эквивалентна аксиоме 1 &1=1.
Таблица. 1.4. Аксиомы булевой алгебры.
| ~0=1 ~1=0 0 | 0=0 1 | 1=1 0|1= 1 1 & 1= 1 0 & 1=0 |
| 0 |A=A 1 |A=1 A&A=A 0& A=0 A |A=A A&~A=0 ~ ~ A=A |
| А | ~A= 0 |
Таблица 1.5. Законы ( соотношения, свойства, теоремы ) Булевой алгебры.
| Номер | Соотношение | Двойственное соотношение | Название |
| 1 | А &B= B & A | A | B= B |A | Коммутативность |
| 2 | (A & B) & C= A &(B&C) | (A |B) | C=A|(B|C) | Ассоциативность |
| 3 | (A&B)|(A&C)=A&(B|C) | (A|B)&(A|C)=A|(B&C) | Дистрибутивность |
| 4 | A&(A|B)=A | A|(A&B)=A, | Поглощение |
| 5 | (A&B) |(A & ~B)=A | (A|B) &(A |~B)=A | Склеивание |
| 7 | ~(A1&A2&A3 ..)= (~A1 |~A2|~A3 ..) | ~( A1|A2|A3 ..)= (~A1&~A2&~A3..) | Теорема Де Моргана |
Проанализируем это на примере реализации минимизированной логической функции F.
-
Реализация функции F(см. табл.1.2) на логических элементах И-НЕ и ИЛИ-НЕ на основе ее минимизированного представления
. Преобразуем минимизированную логическую функцию на основе теоремы Де Моргана. Получим
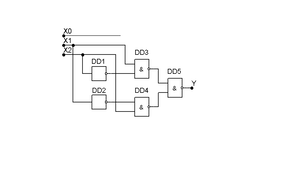
Схемотехническая реализация этой логической функции приведена на рис. 1.12.
Рис. 1.12. Схемотехническая реализация заданной в табл. 1.2. минимизированной логической функции F на элементах И-НЕ.
Замечание. Также просто проводится схемотехническая реализация логических выражений, заданных в конъюнктивной нормальной форме. В этом случае в первом слое схемы используются логические элементы ИЛИ, а объединение их выходов проводится на логических элементах И.
Замечание. Очень часто таблицы истинности комбинационной схемы являются неполными. Это случается, когда часть входных комбинаций логической функции никогда не встречается на практике. Этот факт можно использовать для упрощения схемотехнической реализации логической функции.
Замечание. Не следует тратить больших усилий на минимизацию функций с большим числом переменных вручную. Если выполнить описание логической функции на VHDL , то имеется возможность с помощью САПР автоматически минимизировать заданную логическую функцию и реализовать ее в заданном элементном базисе.
СХЕМОТЕХНИКА КОМБИНАЦИОННЫХ ЛОГИЧЕСКИХ СХЕМ СРЕДНЕЙ СТЕПЕНИ ИНТЕГРАЦИИ
Серии микросхем средней степени интеграции
Практическое проектирование цифровой аппаратуры выполняется обычно не на простейших элементах И,ИЛИ,НЕ, а на более крупных логических компонентах- функциональных узлах и устройствах. Начнем с анализа работы функциональных узлов, построенных на микросхемах средней степени интеграции.
Серии (family) интегральных микросхем начали выпускаться промышленностью, начиная с 60-х годов прошлого века. Каждая серия основывается на одинаковом технологическом процессе и содержит микросхемы, допускающие соединение в схему без промежуточных согласующих элементов. Развитие технологии микроэлектроники вывело на первое место технологический процесс, основанный на комплиментарных парах униполярных (полевых) транзисторов, выполненных по технологии металл-окисел-полупроводник (КМОП, CMOS circuits). В английской терминологии это metal-oxide semiconductor field-effect transistor, MOSFET или MOS transistor. В настоящее время практически все микропроцессоры, микросхемы памяти и программируемые логические интегральные микросхемы выпускаются по КМОП технологии.
В России, в частности, выпускаются следующие серии микросхем средней степени интеграции общего применения, выполненные по ТТЛ технологии – КР155, К531, КР533, КР555, КР1531, КР1533. На Западе – это серии 74, 74L, 74LS, 74ALS, 74F.
По КМОП технологии в России, в частности, выпускаются серии – КР561, КР564, КР1554, КР1561, КР1564. На Западе – это серии 74H, 74HC, 74HCT, 74VHC и 74VHCT.
Микросхемы ТТЛ и КМОП серий имеют различные логические уровни сигналов и, вообще говоря, не предназначены для прямого соединения друг с другом. Разработаны специальные серии КМОП микросхем, работающие с ТТЛ уровнями сигналов и предназначенные для замены устаревших микросхем ТТЛ технологии.
Условное обозначение отечественных микросхем включает:
Букву или две буквы, определяющие назначение и тип корпуса. Например: КР – кремниевая микросхема коммерческого применения с пластмассовым корпусом DIP;
Трех или четырех цифр, обозначающих порядковый номер серии;
Двух букв, обозначающих функциональную группу;
Одной или двух букв – обозначающих тип микросхемы внутри функциональной группы;
Буквы – характеризующей возможные вариации значений некоторых параметров (например, выходной мощности, часто не используется).
Например, КР1533ЛА1 (2 логических элемента 4И-НЕ).
К – коммерческое применение ;
Р – тип корпуса;
1 – группа по конструктивно-технологическому исполнению;
533– номер серии;
Л – подгруппа по функциональному назначению;
А – вид по функциональному назначению;
1 – номер разработки в данной серии.
Условное обозначение зарубежных цифровых схем включает:
-
две цифры, определяющие применение и условия эксплуатации (например: 74 – микросхемы широкого применения или 54 – микросхемы военного применения);
-
одну, две или три буквы, определяющие технологию изготовления;
-
несколько цифр, определяющих функциональное назначение;
-
одну или нескольких букв, определяющих вариант изготовления и тип корпуса микросхемы.
Например, микросхеме КР1533ЛА1 соответствует 74ALS20Р.
Обычно под схемой цифрового устройства, как уже указывалось выше, понимают графическую форму, содержащую имена входных и выходных сигналов , УГО элементов и отображение их связей. Схемы можно так же описывать используя другие формы–например табличные, алгебраические, HDL описания и т.д. На рис.1.9 представлены графический и табличный способы описания схемы, реализующей логическую функцию 3И ( Y= A & B & C) на элементах 2И (микросхема ЛИ1) ,
Рис.9 .Графический , табличный и алгебраический способы описания схемы, реализующей функцию 3И (Y= A & B & C) на элементах 2И (микросхема ЛИ1)
Иллюстрация теоремы Де Моргана на схемах из логических вентилей
Выход вентиля 2И-НЕ совпадает с выходом схемы, состоящей из двух вентилей НЕ и ВЕНТИЛЯ 2ИЛИ















