В.В. Дуркин - Аналоговые электронные устройства - Конспект лекций (1267369), страница 17
Текст из файла (страница 17)
Учитывая (6.8) и (6.9), получим
Масштабный коэффициент ПН k устанавливается заданием величины которая имеет необходимую размерность (В-1).
Р
ассмотрим принцип действия и особенности схемного решения реального двухквадрантного ПН с переменной крутизной (рис. 6.5). В основу этой схемы положена линеаризированная усилительная схема (рис. 6.4). Дифференциальный усилитель реализован на транзисторах VT1 и VT2. Роль диодов VD1 и VD2 (рис. 6.4) в этой схеме играют транзисторы VT3, VT4 в диодном включении. УИТ по входу Y выполнен на ОУ A1, охваченном с помощью элементов R2 и VT5 параллельной ООС по току. Благодаря чему расширяется диапазон линейной зависимости тока Iу от напряжения Uу вплоть до Uу = 0. Если у VT5 h21 >> 1, то Iу=Uу/R5, т.е. 1/R5.
УИТ по входу X реализован на дифференциальной паре VT6, VT7, стабильность их режима работы по постоянному току обеспечивается транзисторами VT8 и VT9.
Если Uу = 0, то VT5 заперт и выход практически отсоединен от входа X, ослабление сигнала по этому входу не хуже 80 дБ. Однако, при уменьшении сигнала Uу падают токи транзисторов VT1, VT2 , что приводит к сужению полосы пропускания схемы.
6.3. Интегральные перемножители и их параметры
С
овременные ПН, выполненные по интегральной технологии (К525ПС1, К525ПС2, К526ПС3) реализуют метод переменной крутизны. В отличии от первых отечественных ПН (К140МА1 и К526ПС1) ПН К525ПС1 обладает лучшей линей-ностью и точностью перемножения (1%), имеет более высокую температурную стабильность, и более широкий диапазон выходного напряжения (
В). В нем предусмотрена возможность регулировки масштабного коэффициента.
В упрощенной схеме ПН К525ПС1, приведенной на рис. 6.6, показаны три основных узла: узел умножения на транзисторах VT5-VT8, логарифмический преобразователь напряжения Ux в ток на транзисторах VT1, VT2 и диодах VD1,VD2 и линейный преобразователь напряжения Uу в ток на транзисторах VT3, VT4.
В схеме на рис. 6.6 резисторы Rx, Ry , R1 и Rн являются внешними для К525ПС1. Токи I1 = I2 и I3 = I4 задаются резисторами R7 и R8 (рис. 6.7), подключаемых соответственно к выводам 3 и 13. При этом I1=I2 = I3 , а I13 = I3 = I4 и, как правило, . В этом случае
, где
. Сопротивления Rx и Ry выбирают так, чтобы при максимальных входных напряжениях нелинейные искажения в схеме были минимальны. Для этого необходимо выполнение неравенства U x max < I13 Rx , U y max < I3 Ry. Если U x max = U y max = 10В и I3 = =I13 , то
.
Токи I3 и I13 должны быть как можно меньше, чтобы свести к минимуму рассеяние мощности в умножителе. Если однако ток I3 очень мал, то трудно получить требуемую величину КП. Обычно I3 = 0,1...2 мА. Если, например, I3 = 1 мА, то 10 кОм. Однако, это значение Rx только гарантирует, что входной сигнал 10В не вызовет отключение входных усилителей. Для избежания же нелинейных искажений необходимо сопротивления Rx и Ry увеличить примерно на 50%, т.е. взять равными 15 кОм. Если КП = 0,1, то
кОм.
Необходимые напряжения питания выбираются из следующих соображений. Для максимально допустимого входного сигнала В минимальное значение напряжения в точке подключения диодов VD1, VD2 (рис. 6.6) U1=12 В, а с запасом
U1=13,5В. Положительное напряжение питания
, где увеличение напряжения на 2В обеспечивает запас на нестабильность напряжения
. Сопротивление R1=(
)/2I3
кОм. Отрицательное напряжение питания
выбирается так, чтобы при максимальном положительном входном напряжении разность потенциалов между входом и шиной
не превышала максимально допустимую величину 30В. Кроме того,
должно быть по меньшей мере на 2 В ниже отрицательного входного напряжения - 10 В. Поэтому выбирается
= - 15 В.
Токи I3 и I13 задается резисторами R7 и R8, где кОм. При I3 = 1 мА, R7 = R8 = 13,75 кОм. Если выводы 3 и 13 объединены, то достаточно одного резистора с сопротивлением 6,8 кОм.
Параметры микросхем ПН во многом аналогичны параметрам ОУ, за исключением некоторых статических и динамических характеристик. Рассмотрим эти характеристики.
Погрешность перемножения – это максимальная разность между практическими и теоретическими значениями выходного напряжения, приведенное к предельному значению этого напряжения в пределах рабочего диапазона перемножителя, предварительно настроенного на минимальную погрешность. Настройка заключается во взаимном уравновешивании статических составляющих погрешности перемножения, включающих в себя смещение по входам X и Y (разбаланс входных каскадов), смещения на выходе (разбаланс выходного каскада) и погрешность масштабного коэффициента КП.
Погрешность перемножения в %
где U вых. р, U вых. и – выходные напряжения реального и идеального ПН. Для К525ПС1 , т.е. при U вых. max = 10В
.
Основной составляющей погрешности перемножения является нелинейность перемножения по входу X (или Y) Nx (Ny). Для определения, например, Nx к выходу ПН подключается вычитающее устройство, второй вход которого соединяется с входом X (или Y). Так как входной и выходной сигналы ПН (при постоянном напряжении на втором выходе Uy max) должны иметь одинаковую форму, то на выходе вычитающего устройства выделяется разностное напряжение Uвых, характеризующее нелинейность устройства по входу X. Количественно нелинейность перемножения оценивается из соотношения
Если на один вход идеального ПН подается конечное напряжение, а напряжение на втором входе равно нулю, то Uвых = 0. Однако в реальном ПН и его значение определяет остаточное напряжение Uост х или Uост у. Для К525ПС1 Uост х = 50 мВ и Uост у = 100 мВ.
Полоса пропускания ПН измеряется при максимальном постоянном сигнале на одном входе и 10%-ом от этого сигнала синусоидальном напряжении на другом. Полоса пропускания определяется на уровне спада выходного напряжения 3 дБ. Одновременно может быть измерена частота, при которой амплитуда выходного напряжения уменьшается на 1%. Эта частота называется граничной частотой амплитудной погрешности перемножения. У К525ПС1 f3дБ =1,5 мГц, а f1% = 100 кГц.
-
Особенности применения интегральных перемножителей
Рис. 6.8. Схема включения К525ПС2 в режиме умножения
еремножитель на базе К525ПС1 (рис. 6.7) имеет сравнительно большое количество вспомогательных внешних элементов и требует выполнения трех балансировок:
по входам X и Y (резисторы R П1 и R П2) и масштабного коэффициента умножения КП (резистор R П3). Частично эти недостатки устранены в микросхеме К525ПС2, функциональная схема которой приведена на рис. 6.8.
В отличие от К525ПС1 в К525ПС2 введен выходной преобразователь дифференциального тока в напряжение, выполненный на ОУ. Благодаря чему простой перекоммутацией внешних выводов этой микросхемы можно реализовать такие устройства, как делитель напряжения, схему возведения в квадрат и извлечения квадратного корня (рис. 6.9).
Делитель напряжения (рис. 6.9, а) образуется в том случае, если в обратную связь встроенного в перемножитель ОУ включить собственно перемножающую часть устройства (соединить выводы 2 и 13 через переменный резистор 5,1 к).
При параллельном соединении двух входов X и Y ПН реализуется схема, возводящая в квадрат входное напряжение (рис. 6.9, б). Возведение в более высокие степени X3, X4, X5,... достигается простым последовательным включением нескольких ПН.
Для создания устройства, извлекающего квадратный корень необходимо в цепь обратной связи ОУ включить квадратор (рис. 6.9, в). Напряжение Uz может быть только положительным. Для предотвращения запирания схемы или отрицательном напряжении Uz на выходе включен диод, который в этом случае разрывает цепь ОС.
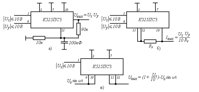
ПН К525ПС3 в отличие от К525ПС2 не требует дополнительных внешних элементов, так как необходимая балансировка выполняется индивидуально для каждой микросхемы в ходе её изготовления. Простейшие функциональные схемы на базе ПН К525ПС3 приведены на рис. 6.10.
О
Рис.6.10. Простейшие функциональные схемы на базе перемножителя К525ПС3:
а) умножитель с Кп=1; б) преобразователь напряжения в ток; в) амплитудный модулятор
становимся более подробно на схеме рис. 6.10, в. Модулируемое по амплитуде колебание описывается выражением





ия питания.