В.В. Дуркин - Аналоговые электронные устройства - Конспект лекций (1267369), страница 18
Текст из файла (страница 18)
7. Компараторы напряжения
7.1. Назначение, параметры
Компараторы являются простейшими аналого-цифровыми преобразователями (АЦП), т.е. устройствами, преобразующими непрерывный сигнал в дискретный. Они предназначены для сравнения входного сигнала с опорным. При этом в зависимости от того, больше входной сигнал опорного или меньше, на выходе компаратора за минимальное время должно установиться напряжение логической «1» или логического «0».
Выходные напряжения компаратора согласуются с ТТЛ, ТЛЭС или КМОП схемами.
Основными параметрами компараторов наряду с параметрами, характеризующими ОУ, являются чувствительность (точность, с которой различаются входные сигналы и опорное напряжения), быстродействие (характеризуемое временем переключения tп), нагрузочная способность.
Время tп — это промежуток от начала сравнения до момента, когда выходное напряжение достигает порога срабатывания логической схемы. При измерении этого параметра на один вход подается постоянное напряжение перегрузки, равное 100мВ, а на другой — перепад напряжения той же полярности, но большей амплитуды. Время tп отсчитывается с момента, когда импульсное напряжение сравняется с постоянным напряжением (его часто называют напряжением перегруза). Напряжение U1 (рис. 7.1) называется напряжением восстановления. Обычно U1 = 5 мВ.
Рис. 7.1. Переходные характеристики компаратора: Uпр, U1, U1, Uпор, U0 – напряжения соответственно перегрузки, восстановления, лог. «1», срабатывания логической схемы , лог. «0»
ремя tп можно разбить на две составляющие: время задержки tз и время нарастания tн до порога срабатывания логической схемы. Можно в качестве компаратора использовать обычный ОУ без ОС. Однако независимо от быстродействия (широкополосности) последних трудно получить время tп меньше 1 мкс, причем основной вклад в tп будет давать задержка. Это объясняется тем, что в режиме перегрузки (нормальном для компаратора), как правило, насыщаются транзисторы усилительных каскадов ОУ. Поэтому после снятия перегрузки требуется значительное время для рассасывания накопленного в базах транзисторов заряда. Это является основной причиной разработки специализированных интегральных компараторов напряжения со временем переключения менее 100 нс. В этих компараторах предусмотрены специальные меры, обеспечивающие быстрый выход усилительных каскадов из режима насыщения.Кроме того, в отличие от ОУ выходной сигнал компаратора обычно изменяется в пределах, позволяющих производить непосредственное управление логическими интегральными схемами. Компараторы могут иметь дополнительные стробирующие входы, изменяя потенциал которых, можно включить компаратор в работу или выключить его.
Компаратор не предназначен для работы с ООС, поэтому в нем не предусмотрены цепи коррекции, устраняющие самовозбуждение. Схемы компараторов схожи со схемами ОУ, но обычно проще их.
7.2. Особенности применения полупроводниковых компараторов
Компараторы, получившие наибольшее распространение, можно разделить на четыре группы: общего применения (К521СА2, К521СА5) , прецизионные (К521СА3, К597СА3), быстродействующие (К597СА1, К597СА2) и специализированные (К521СА1, К521СА4, К1121СА1, К140СА1).
К недостаткам компараторов К521СА2 и К521СА5 следует отнести недостаточно высокое быстродействие (90 и 30 нс), низкую чувствительность (около 3 мВ) и отсутствие выхода, согласованного с КМОП схемами. Для устранения последних двух недостатков можно использовать схему, показанную на рис. 7.2.
Т
Рис. 7.2. Схемы согласования компаратора К521СА5 с КМОП логикой
ранзисторы VT1 и VT2 образуют ДУ с ГСТ, выполненном на транзисторе VT3. чтобы ток ГСТ Iг полностью переключался из цепи VT2 в транзистор VT1 или наоборот, необходимо изменить напряжение на базе VT2 на 100 мВ. Из этого следует, что при типовом для компараторов К521СА5 и К521СА2 коэффициенте усиления, равном 103, его чувствительность станет 0,1 мВ, что эквивалентно коэффициенту усиления 3*104. Поскольку цепь VT1 и Rн управляется переключаемым внутренним током компаратора, увеличение потребляемой мощности не происходит. Сигналы на выходе компаратора и дополнительного каскада совпадают по фазе.В
Рис. 7.3. Схема уменьшения напряжения смещения нуля в компараторе К521СА3
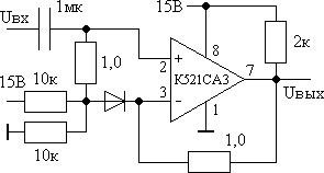
ыходное напряжение лог.0 будет равно Uоп-0,5 В, а лог. 1 — около –Uп+. При изменении Uвых от напряжения лог. 1 до напряжения лог. 0 время переключения будет составлять примерно 50 нс, т.е. почти не отличаться от собственного времени переключения компаратора. При обратном переключении из напряжения лог. 0 в лог. 1 время будет определяться постоянной времени н = RнСн, где Сн — емкость нагрузки. При работе компаратора на простейший КМОП элемент и U+п = 9 В (Rн = 5,1 кОм) это время не превышает 100 нс. Изменяя значение U+п, можно получить любой величины диапазон изменения напряжения на выходе дополнительного каскада.В прецизионных компараторах К521СА3, К597СА3 при обработке высокочастотных входных сигналов можно устранить влияние статических ошибок введением низкочастотной ОС (рис. 7.3). Для высокочастотного входного сигнала ООС отсутствует, из-за малого сопротивления конденсатора С. Диод образует цепь заряда для конденсатора в фильтре нижних частот и уменьшает тем самым время восстановления нормального режима работы устройства.
Если к этому времени не предъявляются особые требования, то диод можно исключить. Чтобы ООС не влияла на чувствительность компаратора постоянная времени RС-цепи должна быть больше периода входного сигнала, умноженного на коэффициент усиления компаратора. Схема на рис. 7.3 с указанными номиналами элементов хорошо работает при частоте входного сигнала более 1 кГц. Схема склона к возбуждению только при работе на большую емкость нагрузки. При работе же на логический элемент схема работает устойчиво. Вводя положительную ОС можно существенно улучшить переходные характеристики компараторов (уменьшить их время переключения).
7.3. Специализированные компараторы на операционных усилителях
При сравнении низкочастотных сигналов с высокой точностью (десятки микровольт) при минимальной потребляемой мощности использование компараторов на базе ОУ часто оказывается более предпочтительное, чем полупроводниковых компараторов. В этом случае время переключения tп будет зависеть от полосы пропускания и скорости нарастания выходного напряжения ОУ. Поэтому, применяя ОУ с внешней коррекцией, нужно по возможности выбрать минимальное значение корректирующей емкости.
Однопороговые компараторы
В компараторах, приведенных в табл. 7.1., ЦОС формирует на выходе ОУ сигнал, совместимый с входными уровнями ТТЛ схем. При Uвх = Uоп (табл. 7.1., схемы а, б) напряжение Uвых = 0 (предполагается, что напряжение смещения нуля скомпенсировано), стабилитрон и диод закрыты, ОС разомкнута. При изменении входного сигнала в любую сторону на несколько десятков микровольт, изменение выходного напряжения составит единицы вольт, благодаря большому коэффициенту усиления ОУ и прекратится, как только откроется диод или стабилитрон и коэффициент передачи ЦОС станет равным единице. Если Uвх > Uоп, то Uвых = -Uд и при Uвх < Uоп, Uвых = Uст, где Uст и Uд — падение напряжения соответственно на стабилитроне и диоде.
Заменив один или оба резистора в схеме б табл. 7.1. конденсаторами, можно сравнить скорость нарастания Uвх с постоянным сигналом (схема в, табл. 7.1.) или скорости изменения двух сигналов (схема г, табл. 7.1.).
Точность сравнения компараторов ограничивает в первую очередь напряжение смещения нуля Uсм и выходные токи Iвх.см и Iвх, а в некоторых случаях (схема а, табл. 7.1.) и конечный коэффициент ослабления синфазного сигнала.
Регенераторные компараторы
При очень медленных изменениях или малых амплитудах входного сигнала время переключения однопороговой схемы сравнения зависит от скорости изменения входного напряжения, частоты единичного усиления и коэффициента усиления ОУ. Для уменьшения времени сравнения таких сигналов используют схемы сравнения с положительной ОС — регенераторные компараторы (табл. 7.2). отличительной особенностью таких компараторов является гистерезис передаточной характеристики.
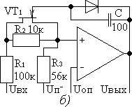
В простейшем регенераторном компараторе (схема а, табл. 7.2) при отрицательном и близком к нулю входном напряжении выходное напряжение положительно, а напряжение на неинвертирующем входе определяет верхний порог переключения Uв = Uст*R2/(R2 + R3). Как только входное напряжение достигает величины Uв, ток в цепи стабилитрона становится равным нулю, а затем меняет направление и выходное напряжение ОУ переключается. После этого на неинвертирующем входе ОУ устанавливается напряжение, соответствующее нижнему порогу переключения и равное
.
Для получения симметричной петли гистерезиса относительно опорного напряжения уровни выходного напряжения должны быть равны по величине. Если это не так, то происходит смещение гистерезиса, что приводит к увеличению погрешности сравнения. Этот недостаток практически устранен в схеме б табл. 7.2 путем включения в схему управляемого выходным напряжением ключа (полевой транзистор VT1). Для увеличения скорости переключения ключа диод шунтируют конденсатором С, ускоряющим разряд паразитной емкости исток-затвор VT1.
К
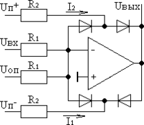
Рис. 7.4. Мостовая схема двухпорогового компаратора
омпаратор с постоянным напряжением нижнего порога переключения при регулируемой величине гистерезиса показан на схеме в табл. 7.2. Преимущество этого компаратора в том, что напряжение лог. «0» приблизительно равно нулю, а не –Uд, как в других схемах, что упрощает согласование выходных напряжений с ТТЛ схемами.Двухпороговые компараторы
Компаратор, состояние выхода которого изменяется два раза при увеличении входного сигнала в некотором диапазоне, называют двухпороговым.
Наиболее простыми и поэтому наиболее распространенными являются мостовые схемы (рис. 7.4). Диодный мост включен в ЦОС ОУ, а изменение Uвых происходит, как только входной ток I1 превысит или станет меньше тока I2, отдаваемого в мост по цепи резисторов R2. При изменении Uвых переключаются диоды и коэффициент передачи по ЦОС.
П
Рис. 7.5. Передаточная характеристика
мостового компаратора
ередаточная характеристика такой схемы приведены на рис. 7.5., где нижний Uн и верхний Uв пороги переключения определяются из выражений:Таблица 7.1. Однопороговые компараторы
Таблица 7.2. Регенераторные компараторы
8. Литература
1. Дуркин В.В. Аналоговые электронные устройства.-Ч. 1: Конспект лекций.- Новосибирск: Изд-во НГТУ, 1997.-69 с.
95
















