Варианты задач к лабораторной работе № 17 (1267078), страница 2
Текст из файла (страница 2)
| Задача 7.19 | | Запишите выражение и постройте график тока i1(t) резистора R1 цепи (Рис. 19, a) при t 0, если R1 = 150 Ом, C2 = 10 мкФ, R3 = 300 Ом, а напряжение uо(t) имеет форму, показанную на Рис. 19, b. | |
| a) | b) | Примечание: | |
| Рис. 3 | — постоянная времени цепи. | ||
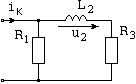
| Задача 7.20 | | Запишите выражение и постройте график напряжения u1(t) резистора R1 цепи (Рис. 20, a) при t 0, если R1 = 15 Ом, L2 = 0.3 Гн, R3 = 30 Ом, а ток iк(t) имеет форму, показанную на Рис. 20, b. | |
| a) | b) | Примечание: | |
| Рис. 20 | — постоянная времени цепи. | ||
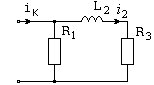
| Задача 7.21 | | Запишите выражение и постройте график тока i2(t) катушки L2 цепи (Рис. 21, a) при t 0, если R1 = 15 Ом, L2 = 0.2 Гн, R3 = 30 Ом, а напряжение u0(t) имеет форму, показанную на Рис. 21, b. | |
| a) | b) | Примечание: | |
| Рис. 21 | — постоянная времени цепи. | ||
| Задача 7.22
|
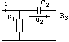
| Запишите выражение и постройте график напряжения u2(t) конденсатора C2 цепи (Рис. 22, a) при t 0, если R1 = 600 Ом, C2 = 10 мкФ, R3 = 400 Ом, а ток iк(t) имеет форму, показанную на Рис. 22, b. | |
| a) | b) | Примечание: | |
| Рис. 22 | — постоянная времени цепи. | ||
| Задача 7.23 |
| Запишите выражение и постройте график тока i2(t) конденсатора C2 цепи (Рис. 23, a) при t 0, если R1 = 150 Ом, C2 = 10 мкФ, R3 = 300 Ом, а напряжение u0(t) имеет форму, показанную на Рис. 23, b. | |
| a) | b) | Примечание: | |
| Рис. 23 | — постоянная времени цепи. | ||
| Задача 7.24
|
| Запишите выражение и постройте график напряжения u2(t) катушки L2 цепи (Рис. 24, a) при t 0, если R1 = 60 Ом, L2 = 0.2 Гн, R3 = 40 Ом, а ток iк(t) имеет форму, показанную на Рис. 24, b. | ||
| a) | b) | Примечание: | ||
| Рис. 24 | — постоянная времени цепи. | |||
| Задача 7.25 |
| Запишите выражение и постройте график напряжения u2(t) катушки L2 цепи (Рис. 25, a) при t 0, если R1 = 15 Ом, L2 = 0.2 Гн, R3 = 30 Ом, а напряжение uо(t) имеет форму, показанную на Рис. 25, b. | |
| a) | b) | Примечание: | |
| Рис. 25 | — постоянная времени цепи. | ||
| Задача 7.26
|
| Запишите выражение и постройте график тока i2(t) конденсатора C2 цепи (Рис. 26, a) при t 0, если R1 = 600 Ом, C2 = 10 мкФ, R3 = 400 Ом, а ток iк(t) имеет форму, показанную на Рис. 26, b. | |
| a) | b) | Примечание: | |
| Рис. 26 | — постоянная времени цепи. | ||
| Задача 7.27 | | Запишите выражение и постройте график напряжения u2(t) конденсатора C2 цепи (Рис. 27, a) при t 0, если R1 = 150 Ом, C2 = 10 мкФ, R3 = 300 Ом, а напряжение uо(t) имеет форму, показанную на Рис. 27, b. | |
| a) | b) | Примечание: | |
| Рис. 27 | — постоянная времени цепи. | ||
| Задача 7.28
| Запишите выражение и постройте график тока i2(t) катушки L2 цепи (Рис. 28, a) при t 0, если R1 = 60 Ом, L2 = 0.2 Гн, R3 = 40 Ом, а ток iк(t) имеет форму, показанную на Рис. 28, b. | ||||
| a) | b) | Примечание: | |||
| Рис. 28 | — постоянная времени цепи. | ||||
| Задача 7.29 | | Запишите выражение и постройте график тока i3(t) резистора R3 цепи (Рис. 29, a) при t 0, если R1 = 15 Ом, L2 = 0.2 Гн, R3 = 30 Ом, а напряжение uо(t) имеет форму, показанную на Рис. 29, b. | |
| a) | b) | Примечание: | |
| Рис. 29 | — постоянная времени цепи. | ||
| Задача 7.30
| | Запишите выражение и постройте график напряжения u3(t) резистора R3 цепи (Рис. 30, a) при t 0, если R1 = 600 Ом, C2 = 10 мкФ, R3 = 400 Ом, а ток iк(t) имеет форму, показанную на Рис. 30, b. | |
| a) | b) | Примечание: | |
| Рис. 30 | — постоянная времени цепи. | ||
| Задача 31 | | Запишите выражение и постройте график тока i3(t) резистора R3 цепи (Рис. 31, a) при t 0, если R1 = 150 Ом, C2 = 10 мкФ, R3 = 300 Ом, а напряжение uо(t) имеет форму, показанную на Рис. 31, b. | |
| a) | b) | Примечание: | |
| Рис. 31 | — постоянная времени цепи. | ||
| Задача 7.32 | | Запишите выражение и постройте график напряжения u3(t) резистора R3 цепи (Рис. 32, a) при t 0, если R1 = 60 Ом, L2 = 0.2 Гн, R3 = 40 Ом, а ток iк(t) имеет форму, показанную на Рис. 32, b. | ||
| a) | b) | Примечание: | ||
| Рис. 32 | — постоянная времени цепи. | |||
| Задача 7.33 | Запишите выражение и постройте график тока i1(t) резистора R1 цепи (Рис. 33, a) при t 0, если R1 = 15 Ом, L2 = 0.2 Гн, R3 = 30 Ом, а напряжение u0(t) имеет форму, показанную на Рис. 33, b. | ||
| a) | b) | Примечание: | |
| Рис. 33 | — постоянная времени цепи. | ||
| Задача 7.34
| | Запишите выражение и постройте график напряжения u1(t) резистора R1 цепи (Рис. 34, a) при t 0, если R1 = 600 Ом, C2 = 10 мкФ, R3 = 400 Ом, а ток iк(t) имеет форму, показанную на Рис. 34, b. | |
| a) | b) | Примечание: | |
| Рис. 34 | — постоянная времени цепи. | ||
| Задача 7.35 | | Запишите выражение и постройте график тока i1(t) резистора R1 цепи (Рис. 35, a) при t 0, если R1 = 150 Ом, C2 = 10 мкФ, R3 = 300 Ом, а напряжение uо(t) имеет форму, показанную на Рис. 35, b. | |
| a) | b) | Примечание: | |
| Рис. 35 | — постоянная времени цепи. | ||
| Задача 7.36 | | Запишите выражение и постройте график напряжения u1(t) резистора R1 цепи (Рис. 36, a) при t 0, если R1 = 15 Ом, L2 = 0.3 Гн, R3 = 30 Ом, а ток iк(t) имеет форму, показанную на Рис. 36, b. | |
| a) | b) | Примечание: | |
| Рис. 36 | — постоянная времени цепи. | ||









