МУ к ЛР №1-15 (1265917), страница 8
Текст из файла (страница 8)
,
где
.
Для получения максимальной мощности необходимо выполнить следующие условия:
а)
;
б)
.
Выполнение первого условия в данной работе достигается изменением частоты генератора, а второго – изменением переменного сопротивления R.
Программа домашней подготовки
к выполнению работы
1. По учебным пособиям и конспекту лекций изучить следующие вопросы:
– условия получения максимальной мощности в нагрузке в цепях синусоидального тока при передаче мощности от активного двухполюсника к пассивному [2, § 2.11 и 3, § 3.32].
– зависимость мощностей и КПД передачи от величины тока
[1, § 2.5].
2. Заготовить бланк протокола с необходимыми схемами и таблицами. Здесь же заготовить оси координат (желательно на миллиметровке, которая затем вклеивается в соответствующее место отчета) для построения кривых, указанных в задании.
3. Записать формулы, с помощью которых по измеренным данным можно рассчитать
и
.
Контрольные вопросы
1. Дать характеристику особых режимов работы электрических цепей: холостого хода, короткого замыкания, номинального.
2. Какой режим работы электрических цепей называется согласованным? Сформулировать условия согласованного режима. Записать их в математической форме.
3. Каковы условия получения максимальной мощности в одной из ветвей разветвленной электрической цепи синусоидального тока?
4. Оценить области целесообразного использования:
а) согласованного режима;
б) режима наибольшего КПД.
5. Всегда ли возможно непосредственное согласование нагрузки с источником?
6. Какие схемы цепей могут быть использованы в качестве согласующих устройств?
ЛАБОРАТОРНАЯ РАБОТА № 8
ИССЛЕДОВАНИЕ ПОСЛЕДОВАТЕЛЬНОГО
КОЛЕБАТЕЛЬНОГО КОНТУРА
Цели работы. 1. Произвести экспериментальные исследования час-тотных характеристик последовательного колебательного контура.
2. Изучить влияние добротности контура на его характеристики.
Объект и средства исследования
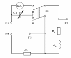
Принципиальная схема лабораторной установки показана на передней панели стенда и изображена на рис. 8.1.
В зависимости от положения тумблера Т1 из элементов C1, R1 и Lк, Rк можно получить последовательный или параллельный колебательный контур, питание которого производится от генератора синусоидальных сигналов. Необходимые измерения осуществляются с помощью электронного вольтметра и двухлучевого осциллографа.
Рис. 8.1
Рабочее задание
1. Собрать на панели «Колебательный контур» последовательный контур, для чего тумблер Т1 установить в нижнее положение. Подключить генератор к входным зажимам контура – гнезда Г1–Г2. Для удобства измерений рекомендуется воспользоваться универсальной панелью.
2. Установить регулировку конденсатора С1 в крайнее левое положение, а напряжение на входе контура U1 = 3 В. Изменяя частоту генератора (сначала ручкой грубой регулировки, а затем плавной), добиться резонанса (по условию максимума напряжения на резисто-
ре R1). Подключив первый канал осциллографа к входу цепи, а вто-рой – к резистору R1 (наблюдается кривая тока), убедиться в существовании резонанса (кривые u1 и u2 на экране осциллографа должны совпадать по фазе).
3. При резонансе установить вновь U1 = 3 В и с помощью электронного вольтметра измерить напряжения на резисторе R1, между гнездами Г2–Г8 и на конденсаторе C1 (см. методические указания к работе). Данные занести в табл. 8.1.
4. По результатам опыта с помощью построенной в масштабе векторной диаграммы вычислить основные параметры и характеристики контура и занести их в табл. 8.1.
Т а б л и ц а 8.1
К определению параметров цепи
Измерено | Вычислено | ||||||||||||||
| U1 | R1 | f0 | UR1 | UC1 | U2-4 | URк | I0 | XC1 | Rк | Lк | C1 | Q | | 2f0.7 | |
| В | Ом | кГц | В | В | В | В | мА | Ом | Ом | мГн | мкФ | – | Ом | кГц | |
5. Снять амплитудно-частотную характеристику контура I(f), для чего экспериментально определить частоты, на которых значение тока в контуре 0.1I0 (или напряжение UR1 0.1 UR10), где I0 и UR10 – ток в контуре и напряжение на R1 при резонансе. В полученном диапазоне частот снять 8–10 точек частотной характеристики. Напряжение на входе контура при изменении частоты поддерживать постоянным. Результаты измерений занести в табл. 8.2.
Т а б л и ц а 8.2
Амплитудно-частотная характеристика
| f, кГц | |||||||||||||||
| UR1, В |
6. Изменить значение емкости C1, для чего регулировку конденсатора установить в крайнее правое положение. Настроить контур в резонанс (повторить п. 2), а затем снять его амплитудно-частотную характеристику согласно п. 5 и заполнить табл. 8.3, аналогичную табл. 8.2.
7. Построить на одном графике частотные характеристики обоих контуров. Сделать вывод о влиянии добротности контура на его частотные характеристики.
8.* Рассчитать и построить фазочастотную характеристику первого контура (f).
Методические указания и рекомендации
1. При измерении напряжения на конденсаторе «нуль» и потенциальный зажим источника меняют местами и «нуль» вольтметра подключают к «нулю» генератора (см. п. 1 методических указаний к ра-боте № 4).
2. Добротность контура связана с параметрами его элементов соотношением
3. Добротность контура можно определить и по его амплитудно-частотной характеристике:
, где
– относительное значение полосы пропускания контура.
4. Так как при резонансе в контуре UL = UC, напряжение, измеренное между гнездами Г2–Г4, будет равно
–––––––––––––––––––––––––––
* Выполняется факультативно в порядке учебно-исследовательской работы.
,
откуда и определяется напряжение на Rк – активном сопротивлении катушки.
5. Фазочастотная характеристика контура определяется формулой
,
где
– обобщенная расстройка контура;
– нормированная частота.
Программа домашней подготовки
к выполнению работы
1. По учебным пособиям и конспекту лекций изучить тему «Последовательный колебательный контур» [1, § 3.2; 2, § 4.2].
2. Заготовить бланк протокола с необходимыми схемами, таблицами и формулами для расчета параметров (табл. 8.1 – 8.3).
Контрольные вопросы
1. Каково математическое условие фазового резонанса?
2. Как определяются разностная частота, характеристическое сопротивление, добротность, затухание контура?
3. Какой вид имеют АЧХ и ФЧХ входного сопротивления и нормированная кривая тока последовательного колебательного контура?
4. Какие виды расстроек характеризуют колебательный контур?
5. Что называют полосой пропускания контура?
6. Как влияет добротность контура на его избирательные свойства?
7. Как по виду построенных АЧХ определить, какая из них соответствует конденсатору C1 с большей емкостью?
8. Почему последовательные контуры рекомендуется питать от источника с малым внутренним сопротивлением?
ЛАБОРАТОРНАЯ РАБОТА № 9
ИССЛЕДОВАНИЕ ПАРАЛЛЕЛЬНОГО
КОЛЕБАТЕЛЬНОГО КОНТУРА
Цели работы. 1. Произвести экспериментальное исследование час-тотных характеристик параллельного колебательного контура.
2. Изучить влияние нагрузки на характеристики контура.
Объект и средства исследования
Схема лабораторной установки приведена в описании лабораторной работы № 8. Питание контура производится от генератора синусоидальных сигналов, необходимые измерения осуществляются электронным вольтметром, миллиамперметром в ветви катушки и двухлучевым осциллографом.
Рабочее задание
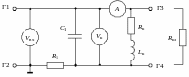
1. Собрать на стенде параллельный колебательный контур, для чего тумблер Т1 установить в верхнее положение и включить согласно схеме миллиамперметр (рис. 9.1). Подключить генератор к входным зажимам контура – гнезда Г1–Г2, причем нулевой зажим генератора подключить к гнезду Г2. Для удобства измерений рекомендуется воспользоваться универсальной панелью.
2. Установить Uвх = 3 В (подключив ко входу цепи электронный вольтметр, как показано на рис. 9.1), а ручку регулировки конденсатора переменной емкости С1 – в крайнее правое положение. Изменяя частоту генератора (сначала ручкой грубой регулировки, а затем плавной), добиться резонанса по условию минимума напряжения на резисторе R1. Подключить канал I осциллографа ко входу цепи, а канал II – к резистору R1 (наблюдается кривая тока в неразветвленной части цепи) и убедиться в существовании резонанса (на экране осциллографа кривые uвх и uR1 должны совпадать по фазе).
Рис. 9.1
3. При резонансе установить вновь Uвх = 3 В, измерить напряжения Uк и UR1 (см. п.1 методических указаний к работе), а также ток в ветви с катушкой Iк, и результаты занести в табл. 9.1.
Т а б л и ц а 9.1
К определению параметров контура
| Измерено | Вычислено | |||||||||||||
| Uвх | R1 | f0 | UR1 | Uк | Iк | I1 | IC1 | Q | | Rэ | C1 | Lк | Rк | |
| В | Ом | Гц | В | В | мА | мА | мА | – | Ом | Ом | мкФ | мГн | Ом | |
4. По результатам опыта вычислить основные параметры контура (добротность, характеристическое сопротивление, входное сопротивление контура при резонансе Rэ) и заполнить табл. 9.1. Построить векторную диаграмму.
5. Снять амплитудно-частотную характеристику контура Uк(f) по схеме рис. 9.1 в диапазоне частот, на границах которого напряжение на контуре снижается до 0.1Uк0 (Uк0 – значение напряжения на контуре при резонансе). В полученном диапазоне частот произвести измерения для 8...10 точек, причем в пределах полосы пропускания шаг измерения частоты лучше взять меньшим, чем за ее пределами. При проведении опыта напряжение на входе цепи поддерживать постоянным. Результаты измерений занести в табл. 9.2.
Т а б л и ц а 9.2
Амплитудно-частотная характеристика
| f, Гц | |||||||||
| Uк, В |
6. Подключить параллельно контуру (гнезда Г3–Г4) сопротивле-ние Rш с панели «Элементы цепи». Снять амплитудно-частотную характеристику нагруженного контура и заполнить табл. 9.3, аналогичную табл. 9.2. Определить добротность Qэ ненагруженного контура.
7. Построить на одном графике амплитудно-частотные характеристики, снятые в пп. 5 и 6. Сделать выводы о влиянии нагрузочного сопротивления на добротность контура и его амплитудно-частотную характеристику.
8.* По экспериментальным данным вычислить коэффициент прямоугольности исследуемого контура. Рассчитать и построить фазочастотную характеристику параллельного колебательного контура.
Методические указания и рекомендации
1. При измерении напряжения на контуре «нуль» и потенциальный зажим источника на универсальной панели меняют местами и «нуль» вольтметра подключают к «нулю» генератора (см. п. 1 методических указаний к работе № 4).
2. При высокой добротности контура резонансные частоты при последовательном и параллельном резонансах практически совпадают.
















