МУ к ЛР №1-15 (1265917), страница 7
Текст из файла (страница 7)
5. По результатам этих опытов рассчитать значения параметров элементов R11, L11 и R22, L22 схем замещения первой и второй катушек. Результаты расчетов занести в табл. 6.1 (i = 1, 2).
Т а б л и ц а 6.1
Расчет параметров отдельно взятых катушек
| Номер опыта | Uг, В | fр, Гц | UR, В | Rii, Ом | Lii, мГн |
| 1 | |||||
| 2 |
6. Собрать цепь по схеме рис. 6.3. Настроить ее в резонанс, изменяя частоту генератора. Результаты измерения занести в табл. 6.2.
7. Поменять местами зажимы одной из катушек и повторить предыдущий опыт.
8. По экспериментальным данным рассчитать значения эквивален-тной индуктивности Lэ и сопротивления Rэ катушек, суммарные значения их индуктивностей L = L11 + L22, а также значения взаимной индуктивности катушек L12 = L21 (M). Заполнить табл. 6.2. Определить случаи согласного и встречного включения катушек и вывод записать в отчет. Вычислить значение коэффициента связи kсв индуктивно связанных катушек. Сопоставить данные табл. 6.1 и 6.2 и сделать заключение.
Т а б л и ц а 6.2
К определению взаимной индуктивности
| Номер опыта | Uг, В | fр, Гц | UR, В | Rэ, Ом | Lэ, мГн | L, мГн | L12 = L21 (M), мГн |
| 3 | |||||||
| 4 |
9.* Построить векторные диаграммы токов и напряжений элементов цепи схем, показанных на рис. 6.3, при резонансе.
10. Собрать цепь по схеме рис. 6.4, а. Установить напряжение генератора Uг = 5 В и частоту
1000 Гц. Измерить напряжение U2 на разомкнутых зажимах второй катушки. Вычислить значение модуля коэффициента передачи по напряжению
.
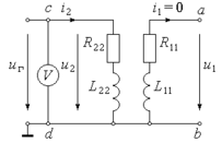
11. В предыдущей цепи поменять местами катушки (рис. 6.4, б) и вычислить значение
.
12. Вычислить значение коэффициента связи kсв индуктивно связанных катушек как среднее геометрическое из модулей коэффици-ентов передачи по напряжению и сравнить с результатом, получен-ным в п. 8.
Методические указания и рекомендации
-
Резонанс напряжений в цепях со схемами, показанными на
рис. 6.2, 6.3, наступает на частоте
или
,
где Lэ – эквивалентная индуктивность катушки или катушек:
Lэ = L11 и Lэ = L22 в схемах на рис. 6.2, а и б соответственно, а для схем цепей рис. 6.3:
– для случая согласного включения катушек;
– для случая встречного включения.
Поэтому о факте согласного или встречного включения катушек можно судить по двум значениям эквивалентной индуктивности. В том случае, когда эквивалентная индуктивность оказывается большей, включение будет согласным, а когда меньшей – встречной.
Как следует из формулы для резонансной частоты,
,
.
В частности, для согласного включения катушек
,
а для их встречного включения
.
Отсюда
,
.
-
Rэ – эквивалентное сопротивление последовательной схемы замещения катушки: Rэ = R11 и Rэ = R22 в схемах рис. 6.2, а и б соответственно. Для схем цепей на рис. 6.3 Rэ определяется формулой Rэ = R11 + R22. Из условия резонанса напряжения следует
. Отсюда имеем
.
-
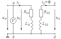
Коэффициентом передачи двух индуктивно связанных катушек называется отношение действующего значения напряжения одной катушки ULii при разомкнутых ее зажимах к действующему значению напряжения второй катушки ULjj (i j) (рис. 6.5).
Мы не располагаем практической возможностью измерить напряжения этих катушек. Показание вольтметра на входе двухполюсников (см. рис. 6.4) – это действующие значения напряжений ветвей Rii , Lii
(i = 1, 2) последовательной схемы замещения катушки:
,
.
В пп. 10 и 11 опыты проводятся на частоте генератора f, при которой сопротивление резистора Rii схемы замещения катушки становится пренебрежимо малым по сравнению с ее индуктивным сопротивлением Lii, и долей напряжения, приходящейся на сопротивление Rii, можно пренебречь.
С учетом этих рассуждений значение коэффициента связи индуктивно связанных катушек можно вычислить по формуле
,
где
,
.
Программа домашней подготовки
к выполнению работы
-
По учебным пособиям и конспекту лекций изучить раздел: «Индуктивно связанные цепи» [1, § 2.7; 2, § 4.4; 3, § 3.36 – 3.38].
-
Изучить описание и методические указания к настоящей работе.
-
Заготовить бланк протокола с необходимыми заголовками, схемами, таблицами, формулами и местом для расчетов по каждому пункту задания. Схемы электрических цепей вычерчиваются, снабжаются подписью с порядковым номером и размещаются в тексте соответствующего раздела заготовки.
Контрольные вопросы
-
Объяснить физическую сущность явлений самоиндукции и взаимной индукции.
-
Какие зажимы индуктивно связанных катушек называются одноименными?
-
Как практически произвести разметку зажимов двух (и больше) индуктивно связанных катушек? Приведите схемы опытов и расчетные формулы.
-
Какое включение катушек называется согласным и какое – встречным?
-
Какими способами можно определить взаимную индуктивность между двумя катушками?
-
Что называется коэффициентом связи катушек? В каких пределах он может изменяться?
-
Каким образом в расчетном отношении можно «развязать» индуктивную связь пары катушек?
ЛАБОРАТОРНАЯ РАБОТА № 7
СОГЛАСОВАНИЕ НАГРУЗКИ С ИСТОЧНИКОМ
Цели работы. 1. Исследовать вопрос передачи энергии от активного двухполюсника к пассивному (от источника к нагрузке) при согласованном и несогласованном режимах работы цепи.
2. Уяснить вопрос согласования нагрузки с внутренним сопротивлением источника.
Объект и средства исследования
В качестве источника используют генератор синусоидальных сигналов. На стенде имеются «Магазин C », магазины сопротивлений и катушка
на панели «Элементы цепи». Измерения производят электронным вольтметром и цифровым комбинированным прибором, который используется в качестве миллиамперметра. Схема собирается на универсальной панели.
Рабочее задание
1. Собрать цепь, принципиальная схема которой показана на рис. 7.1. В качестве переменного сопротивления R использовать первый магазин сопротивлений; в качестве
500 Ом, имитирующего внутреннее сопротивление источника, – второй магазин сопротивлений.
2. Установить
, Ri = 0,
0.1 мкФ. Для образованного последовательного контура Rк, Lк С рассчитать резонансную частоту
, считая индуктивность катушки Lк известной (параметры катушки Rк
и Lк указаны на стенде).
3. Включить питание, установить частоту источника, равную резонансной
, и напряжение Uвх = 5 В. Изменяя частоту источника и под-
Рис.7.1
держивая
5 В, добиться максимального значения тока. Цепь оказалась настроенной на резонанс, в чем можно дополнительно убедиться, вычислив
. Можно проверить настройку цепи на резонанс также с помощью двухлучевого осциллографа.
4. Установить
500 Ом. Изменяя R от 0 до 1000 Ом и отмечая для каждого случая ток в цепи, заполнить табл. 7.1 (непременно фиксируется случай согласованной нагрузки, когда
).
Т а б л и ц а 7.1
К пунктам 4 и 6
| Измерено | Вычислено | ||||||
| R |
| I |
|
| P | | |
| Ом | Ом | A | Вт | Вт | Вт | – | |
Вычислить для каждого измерения мощность
, выделяющуюся в нагрузке
, мощность
, расходуемую на внутреннем сопротивлении генератора, мощность P источника и КПД передачи. При выполнении этого опыта
необходимо поддерживать неизменным. Снять пять точек до наступления согласованного режима и пять точек после.
5. По данным п. 4 построить графики
,
,
,
, где
– КПД.
6. Установить вновь
. Изменить частоту генератора, сделав ее равной 0.6
(при этом нарушается первое условие согласования). Повторить опыт по п. 4 на этой частоте, поддерживая постоянным то же входное напряжение
. Построить кривую
. Сделать заключение о влиянии согласования сопротивлений генератора и нагрузки на величину выделяющейся в нагрузке мощности.
Методические указания и рекомендации
В качестве нагрузки, в которой нужно получить максимальную мощность, в работе используется катушка
с последовательно включенным переменным резистором R. Внутренним сопротивлением генератора считать
и
.
Из схемы видно, что мощность, выделяющаяся в нагрузке:
. Отсюда имеем
















