МУ к ЛР №1-15 (1265917), страница 6
Текст из файла (страница 6)
,
,
.
Программа домашней подготовки
к выполнению работы
1. По учебным пособиям и конспекту лекций изучить вопрос о схемах замещения пассивных двухполюсников [2, § 2.9].
2. Заготовить бланк протокола с необходимыми схемами и таблицами. Рассмотреть схему на рис. 4.5 и построить для нее качественные векторные диаграммы, о которых упоминается в п. 2 «Методических указаний и рекомендаций».
Контрольные вопросы
1. Изобразить последовательную и параллельную схемы замещения двухполюсника и записать формулы перехода от одной к другой.
2. Начертить треугольник проводимостей и записать вытекающие из него выражения.
3. Начертить треугольник сопротивлений и записать вытекающие из него выражения.
4. Можно ли, а если можно, то какими способами, изменить реактивную проводимость пассивного двухполюсника типа
или
, не изменяя его активного сопротивления?
5. Можно ли, а если можно, то какими способами, изменить активную проводимость пассивного двухполюсника, не изменяя его реактивного сопротивления?
6. Как по построенной в масштабе векторной диаграмме в п. 6 определить параметры
и
схемы замещения пассивного двухполюсника?
7. Как можно «улучшить» коэффициент мощности потребителя с индуктивным характером нагрузки?
ЛАБОРАТОРНАЯ РАБОТА № 5
РЕЗОНАНС В ЭЛЕКТРИЧЕСКИХ ЦЕПЯХ
Цель работы – экспериментально исследовать явление резонанса в контурах последовательного и параллельного питания при гармоническом воздействии.
Объект и средства исследования
Последовательный и параллельный контуры собираются из имеющихся на панели «Элементы цепи» катушки
,
и резистора
=100 Ом, а также конденсатора
= 0.015 мкФ из верхнего набора конденсаторов «Магазин С ».
Питание контуров производится от генератора синусоидального напряжения. Для измерений используются электронный вольтметр, комбинированный цифровой прибор и двухлучевой осциллограф.
Рабочее задание
1. Включить тумблером «Сеть» питание осциллографа.
2. На универсальной панели собрать последовательный колебательный контур по схеме, приведенной на рис. 5.1.
3. Совместить нулевые линии двух каналов осциллографа на средней линии экрана.
4. Подать на первый канал осциллографа выходное напряжение генератора. Подать на второй канал осциллографа напряжение на резисторе R.
5. Подключить электронный вольтметр параллельно выходу генератора.
6. Установить по вольтметру напряжение генератора
3 В.
7. Установить амплитуды измеряемых напряжений в пределах экрана осциллографа переключателями масштабов (В/См).
Рис. 5.1
8. Изменяя частоту напряжения генератора, подобрать такую ее величину, при которой совпадают по фазе кривые на экране осциллографа. Наблюдаемый режим работы цепи называется резонансом напряжений.
9. Установить по вольтметру напряжение генератора
3 В и измерить комбинированным цифровым прибором напряжения на катушке, конденсаторе и резисторе.
10. По результатам измерений построить в масштабе методом «засечек» векторную диаграмму напряжений и тока, направив вектор тока по действительной оси.
11. Включить универсальный цифровой прибор последовательно в исследуемую цепь и переключить его в режим измерения тока. Снять зависимость тока в цепи от частоты в области, включающей резонансную частоту, частоты меньше и больше резонансной.
В процессе измерений необходимо поддерживать неизменное выходное напряжение генератора.
12. Результаты измерений оформить в виде таблицы и в виде графика.
13. На универсальной панели собрать параллельный контур (рис. 5.2) из катушки и конденсатора, использованных в предыдущем эксперименте. В качестве резистора используется магазин сопротивлений
R0 = 500 Ом.
14. Подать на второй канал осциллографа напряжение на резисто-ре R0.
Рис. 5.2
15. Установить напряжение генератора
3 В. Изменяя частоту напряжения генератора, настроить контур в резонанс, который фиксируется по минимальному напряжению на резисторе
и совпадению по фазе синусоид входного напряжения и тока. Записать значение частоты в режиме резонанса токов.
16. В резонансном режиме измерить токи в катушке и в конденсаторе с помощью универсального цифрового прибора, работающего в режиме миллиамперметра.
17. С помощью универсального цифрового прибора, работающего в режиме вольтметра, измерить напряжения на резисторе и на конденсаторе.
18. Построить векторную диаграмму токов и напряжений, направив вектор напряжения генератора по действительной оси.
19. Включить универсальный цифровой прибор последовательно в исследуемую цепь и переключить его в режим измерения тока. Снять зависимость тока в неразветвленной части цепи от частоты в области, включающей резонансную частоту, частоты меньше и больше резонансной. В процессе измерений необходимо поддерживать неизменное выходное напряжение генератора.
20. Результаты измерений оформить в виде таблицы и в виде графика.
21.* Для параметров катушки и конденсатора, использованных в данной работе, записать выражение для резонансной частоты f0 и тока в цепи последовательного контура в комплексной форме. Построить при помощи программы Mathcad кривые изменения модуля и аргумента тока в фун-кции частоты. Принять диапазон изменения частоты f = 0.8 f0 ... 1.2 f0. Сравнить с кривыми, полученными экспериментальным путем.
22.* Получить частотные характеристики, исследованные в данной работе, параллельного контура. Сравнить с результатами, полученными в п. 19.
Методические указания и рекомендации
1. Следует иметь в виду, что резонансная частота параллельного контура, собранного из тех же элементов, что и последовательный контур, теоретически не совпадает с резонансной частотой последовательного. Действительно, условие резонанса для последовательного контура
,
отсюда – известное выражение
.
Условие фазового резонанса для параллельного контура
,
откуда резонансная частота параллельного контура
.
2. Значение емкости
определяется по результатам проведенных измерений, а затем сравнивается с ее величиной, указанной на панели «Магазин С ».
Программа домашней подготовки
к выполнению работы
1. По конспекту лекций и учебным пособиям проработать тему «Резонанс в электрических цепях» [2, §§ 2.7, 2.10, 4; § 3.25, 3.26, 3.27, 3.28].
2. Заготовить бланк протокола к работе. Построить качественно векторные диаграммы для режимов резонанса напряжений и токов.
З. В заготовке протокола к работе привести контрольные вопросы и ответы на них.
Контрольные вопросы
1. Что называется резонансом напряжений?
2. Что называется резонансом токов?
3. Дать математическое выражение условий фазового резонанса напряжений и токов.
4. Почему в цепи, собранной по схеме, приведенной на рис. 5.1, нельзя измерить непосредственно напряжение на конденсаторе и на катушке, если один зажим генератора и один зажим вольтметра заземлены?
Рис. 5.3
5. При каких значениях (больших или малых) сопротивления генератора целесообразно применять параллельный контур, а при каких – последовательный?
6. Как вычислить параметры катушки Rк и Lк в схеме, приведенной на рис. 5.1, если известны величины С0, 0, UС и Uвх при резонансе?
7. Для цепи, показанной на рис. 5.3, записать условие резонанса напряжений и резонанса токов.
ЛАБОРАТОРНАЯ РАБОТА № 6
ИССЛЕДОВАНИЕ ЛИНЕЙНЫХ ЭЛЕКТРИЧЕСКИХ ЦЕПЕЙ
С ИНДУКТИВНО СВЯЗАННЫМИ КАТУШКАМИ
Цели работы: 1. Экспериментально определить одноименные зажимы двух индуктивно связанных катушек, их параметры и коэффициент связи между ними.
2. Изучить влияние индуктивной связи на эквивалентные параметры неразветвленной цепи при согласном и встречном включении катушек.
Объект и средства исследования
Рис. 6.1
Источником гармонического напряжения служит генератор синусоидальных сигналов. В качестве индуктивно связанных катушек используют первичную и вторичную обмотки трансформатора Тр1* (рис. 6.1) на панели «Элементы цепи». «Магазин С » позволяет «набирать» нужное значение емкости (в микрофарадах). Для измерения напряжений используют электронный вольтметр либо двухлучевой электронный осциллограф. Схему собирают на универсальной панели.Рабочее задание
1. Измерить резонансным методом значения параметров элементов последовательной схемы замещения катушек (рис. 6.2).
2. Измерить резонансным методом значения параметров элементов схемы замещения индуктивно связанных катушек (рис. 6.3).
3. Определить одноименные зажимы двух индуктивно связанных катушек.
4. Найти значения взаимных индуктивностей связанных катушек.
Порядок выполнения работы
-
Включить генератор синусоидальных сигналов, электронный вольтметр и двухлучевой осциллограф для прогрева.
-
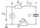
Собрать цепь по схеме, приведенной на рис. 6.2, а. На этой схеме R11 и L11 – активное сопротивление и индуктивность первой катушки. Значение емкости
магазина конденсаторов выбрать в пределах 0.5...1 мкФ; значение R магазина сопротивлений установить в диапазоне 1...10 Ом.
3. Установить напряжение генератора Uг = 5 В и в дальнейших опытах поддерживать его неизменным. Изменяя частоту генератора, настроить цепь в резонанс по максимальному напряжению на сопротивлении
(по максимуму его тока), после чего вновь выставить напряжение Uг = 5 В. Заполнить первую строку табл. 6.1.
4. Заменить первую катушку второй и повторить предыдущий опыт. Заполнить вторую строку табл. 6.1.
















