ДИПЛОМ МАКАРОВА ИЛЬИ АНДРЕЕВИЧА ТЕМА СТАЦИОНАРНОЕ ТЯГОВОЕ УСТРОЙСТВО (1234336)
Текст из файла
ABSTRACT
Project will be considering to possibility of implementation of wayside device for creation the additional traction force. One of the main tasks of Russian Railways is an increase the capacity and train mass. Proposed device must allow increasing train weight or speed of train. The device will help to improve carrying capacity and the train-handling capacity on the limiting section of railroads.
СОДЕРЖАНИЕ
| ВВЕДЕНИЕ………………………………………………….………………… | 7 | |
| 1 АНАЛИЗ ТРЕБОВАНИЙ НОРМАТИВНЫХ ДОКУМЕНТОВ К ГАБАРИТАМ ПОДВИЖНОГО СОСТАВА И ПРИБЛИЖЕНИЯ СТРОЕНИЙ…………………………………………………………………… | 8 | |
| 1.1 Термины и определения………………………………………………... | 8 | |
| 1.2 Обозначения габаритов подвижного состава и сфера их применения………………………………………………………………..................... | 10 | |
| 1.3 Обозначения габаритов приближения строения…………………….... | 10 | |
| 1.4 Габарит подвижного состава…………………………………………... | 11 | |
| 1.5 Габарит приближения строения……………………………………….. | 13 | |
| 2 АНАЛИЗ ТЯГОВЫХ УСИЛИЙ, НЕОБХОДИМЫХ ДЛЯ ПРОПУСКА ТЯЖЕЛОВЕСНЫХ ПОЕЗДОВ ПО ЛИМИТИРУЮЩИМ ПОДЪЕМАМ……………………………………….. | 17 | |
| 3 АНАЛИЗ ВОЗМОЖНЫХ СПОСОБОВ ПЕРЕДАЧИ ТЯГОВОГО УСИЛИЯ НА ПОДВИЖНОЙ СОСТАВ…………………………………… | 22 | |
| 3.1 Зубчатая железная дорога …………………………................................ | 22 | |
| 3.2 Линейный асинхронный двигатель ………………………….........…… | 25 | |
| 3.3 Понятие о воздушном зазоре ……………………………………..…… | 29 | |
| 3.4 Расчет габаритов и мощности стационарного тягового устройства (на основе асинхронного двигателя)………………………………………. | 32 | |
| 4 ПАТЕНТНЫЙ ПОИСК …………………………………………………… | 42 | |
| 4.1 Устройство для передвижения железнодорожных вагонов………….. | 42 | |
| 4.2 Устройство для перемещения железнодорожных вагонов…………… | 47 | |
| 4.3 Электромагнитный ускоритель-замедлитель вагонов………………... | 56 | |
| 4.4 Линейный двигатель……………………………………………………. | 60 | |
| 4.5 Вывод по рассмотренным патентам…………………………………… | 64 | |
| 5 РАЗРАБОТКА ПРИНЦИПИАЛЬНОЙ СХЕМЫ СТАЦИОНАРНОГО ТЯГОВОГО УСТРОЙСТВА……………………………………………...…. | 65 | |
| 6 РАСЧЕТ РАБОЧИХ ПАРАМЕТРОВ УСТРОЙСТВА............................... | 67 | |
| 7 ОЦЕНКА ТЕХНИКО – ЭКОНОМИЧЕСКОГО ЭФФЕКТА ВНЕДРЕНИЯ УСТРОЙСТВА………………………………………………. | 71 | |
| 7.1 Расчет себестоимости грузовых перевозок методом расходных ставок.…………………………………………………………………………… | 72 | |
| 7.2 Годовой доход при использовании устройства……………..………… | 80 | |
| 7.3 Определение расчетного срока окупаемости устройства……………. | 81 | |
| 8 БЕЗОПАСНОСТЬ ТРУДА ПРИ МОНТАЖЕ, ОБСЛУЖИВАНИИ И ЭКСПЛУАТАЦИИ УСТРОЙСТВА………………………………………… | 82 | |
| 8.1 Анализ технологии работ при техническом обслуживании и ремонте стационарно тягового устройства………………………………………. | 82 | |
| 8.2 Обеспечение безопасности труда при обслуживании электроустановок……………………………………………………………………………. | 85 | |
| 8.3 Обеспечение безопасности труда при производстве работ на кабельных линиях…………………………………………………………..…. | 88 | |
| 8.4 Средства индивидуальной защиты…………………………………….. | 91 | |
| ЗАКЛЮЧЕНИЕ………………………………………………………………. | 94 | |
| Список использованных источников…………………………………......... | 95 | |
| Уменьшенные копии демонстрационных листов………………………… | 97 | |
ВВЕДЕНИЕ
Основной задачей работы является оценка возможности реализации стационарного тягового устройства, способного создать дополнительное тяговое усилие для пропуска тяжеловесных поездов через участки с лимитирующими подъемами.
На отдельных участках многих магистралей резервы мощности и силы тяги эксплуатируемых локомотивов практически исчерпаны. Ожидать интенсивной замены их более мощными не приходится. Да и существенного повышения силы тяги у новых локомотивов также ожидать не следует, учитывая ограничение по сцеплению колес с рельсами, которое определяется, главным образом, допустимой по условиям прочности верхнего строения пути, земляного полотна и искусственных сооружений нагрузкой на ось. Увеличение же количества тяговых осей локомотива связано с усложнением его конструкции и, следовательно, со снижением надежности, в первую очередь экипажной части. Но применение кратной тяги требует увеличения числа локомотивных бригад, а также локомотивов.
Создание такого устройства позволит отказаться от дополнительных секций локомотива и дополнительных локомотивных бригад.
Устройство позволит установить его на самых крутых подъемах и увеличить пропускную и провозную способность железных дорог.
1 АНАЛИЗ ТРЕБОВАНИЙ НОРМАТИВНЫХ ДОКУМЕНТОВ К ГАБАРИТАМ ПОДВИЖНОГО СОСТАВА И ПРИБЛИЖЕНИЯ СТРОЕНИЙ
Для установки каких-либо устройств около железной дороги необходимо изучить основные элементы габарита подвижного состава и габарита приближения строения.
1.1 Термины и определения
Дадим определение терминам габарит подвижного состава и габарит приближения строения, а также другим терминам.
Габарит железнодорожного подвижного состава (габарит подвижного состава): поперечное, перпендикулярное оси пути очертание, в котором, не выходя наружу, должен помещаться установленный на прямом горизонтальном пути (при наиболее неблагоприятном положении в колее и отсутствии боковых наклонений на рессорах и динамических колебаний) как в порожнем, так и в нагруженном состоянии железнодорожный подвижной состав, в том числе имеющий максимально нормируемые износы [1].
Габарит приближения строений: предельное поперечное перпендикулярное оси железнодорожного пути очертание, внутрь которого помимо железнодорожного подвижного состава не должны попадать никакие части сооружений и устройств, а также лежащие около железнодорожного пути материалы, запасные части и оборудование, за исключением частей устройств, предназначаемых для непосредственного взаимодействия с железнодорожным подвижным составом (контактные провода с деталями крепления, хоботы гидравлических колонок при наборе воды и другие), при условии, что положение этих устройств во внутригабаритном пространстве увязано с соответствующими частями железнодорожного подвижного состава и что они не могут вызвать соприкосновения с другими элементами железнодорожного подвижного состава.
Контрольное очертание приближения строений: внутреннее очертание эксплуатируемых сооружений и устройств, не соответствующих габаритам приближения строений, установленных настоящим стандартом, минимально необходимое для безопасного пропуска подвижного состава конкретного габарита или негабаритного груза [1].
Внутреннее очертание сооружений и устройств: свободное пространство, ограниченное относительно оси железнодорожного пути на уровне головок рельсов конструктивными элементами сооружения или устройства с одной или нескольких сторон - справа, слева и/или сверху над уровнем головок рельсов (опоры, мачты, столбы, мосты, тоннели и др.).
Строительное очертание железнодорожного подвижного состава: поперечное, перпендикулярное оси пути очертание, получаемое уменьшением габарита железнодорожного подвижного состава по установленному для данного габарита методу, и которым определяются допускаемые строительные размеры, соответствие которым должно проверяться при испытаниях габаритов железнодорожного подвижного состава.
Проектное очертание железнодорожного подвижного состава: поперечное, перпендикулярное оси пути очертание, имеющее размеры, уменьшенные по сравнению с размерами строительного очертания на величину допусков, внутри которого должны находиться все расположенные в рассматриваемом сечении элементы конструкций проектируемого и модернизируемого железнодорожного подвижного состава, имеющие номинальные размеры.
База железнодорожного подвижного состава равная l м – это расстояние между направляющими сечениями железнодорожного подвижного состава.
Ограничения размеров железнодорожного подвижного состава: поперечные и вертикальные смещения железнодорожного подвижного состава, которые в соответствии с применяемой на сети железных дорог системой габаритов железнодорожного подвижного состава и приближения строений должны быть учтены в пространстве между габаритом железнодорожного подвижного состава и строительным очертанием вписываемой в него единицы железнодорожного подвижного состава.
1.2 Обозначения габаритов подвижного состава и сфера их применения
Приведем основные обозначения для габарита подвижного состав:
T – статический габарит для подвижного состава, допускаемого в обращение по железнодорожным путям общего и необщего пользования шириной колеи 1520 мм на электрифицированных железных дорогах и других участках, сооружения и устройства на которых отвечают требованиям габаритов приближения строений C и CП;
TЦ – статический габарит для цистерн, вагонов-самосвалов и другого подвижного состава, допускаемого к обращению по железнодорожным путям общего и необщего пользования, сооружения и устройства на которых приведены к требованиям контрольного очертания [1].
1.3 Обозначения габаритов приближения строений
Приведем основные обозначения для габарита приближения строения:
C – для сооружений и устройств, размещаемых вблизи железнодорожных путей общего пользования со скоростями движения до 200 км/ч включая и внешних подъездных путей общего и необщего пользования от станции примыкания до территорий предприятий [1];
СП – для сооружений и устройств, размещаемых вблизи железнодорожных путей необщего пользования, расположенных на территории и между территориями заводов, фабрик, мастерских, депо, речных и морских портов, шахт, грузовых дворов, баз, складов, карьеров, лесных и торфяных разработок, электростанций и других промышленных и транспортных предприятий, а также для промышленных железнодорожных станций.
1.4 Габарит подвижного состава
Каждый габарит подвижного состава состоит из двух частей: верхней и нижней. Поперечные размеры каждой из этих частей определены размерами внутренних очертаний соответствующих сооружений на рассматриваемой высоте, а также расстоянием между осями путей на перегонах [1].
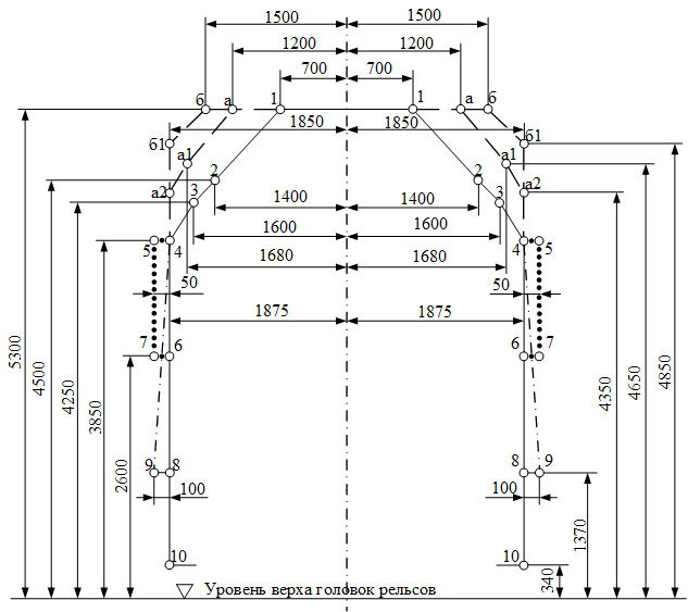
Размеры нижнего очертания зависят от габаритов пассажирских платформ, маневровых устройств, а также от условий безопасного прохода через сортировочные горки. Габарит подвижного состава представлен на рисунке 1.1.
Характеристики
Тип файла документ
Документы такого типа открываются такими программами, как Microsoft Office Word на компьютерах Windows, Apple Pages на компьютерах Mac, Open Office - бесплатная альтернатива на различных платформах, в том числе Linux. Наиболее простым и современным решением будут Google документы, так как открываются онлайн без скачивания прямо в браузере на любой платформе. Существуют российские качественные аналоги, например от Яндекса.
Будьте внимательны на мобильных устройствах, так как там используются упрощённый функционал даже в официальном приложении от Microsoft, поэтому для просмотра скачивайте PDF-версию. А если нужно редактировать файл, то используйте оригинальный файл.
Файлы такого типа обычно разбиты на страницы, а текст может быть форматированным (жирный, курсив, выбор шрифта, таблицы и т.п.), а также в него можно добавлять изображения. Формат идеально подходит для рефератов, докладов и РПЗ курсовых проектов, которые необходимо распечатать. Кстати перед печатью также сохраняйте файл в PDF, так как принтер может начудить со шрифтами.















