ДИПЛОМ МАКАРОВА ИЛЬИ АНДРЕЕВИЧА ТЕМА СТАЦИОНАРНОЕ ТЯГОВОЕ УСТРОЙСТВО (1234336), страница 4
Текст из файла (страница 4)
Рисунок 3.6 - Габарит приближения строения
В габарите приближения строения больше всего интересует его нижнее очертание. Рассмотрим нижнее очертание габарита приближения строения, за пределы которого не должна выступать ни одна из частей вагонного замедлителя при его нерабочем (отторможенном) положении, так как стационарное тяговое устройство по своему расположению будет напоминать вагонный замедлитель.
Нижнее очертание габарита приближения строения представлено на рисунке 3.7.
Рисунок 3.7 - Нижнее очертание, за пределы которого не должна выступать ни одна из частей вагонного замедлителя при его нерабочем (отторможенном) положении
Нижнее очертание габарита с колесом и рельсом представим на рисунке 3.8.
Рисунок 3.8 – Нижнее очертание габарита с колесом и рельсом
Как видно из рисунков 3.7, 3.8 высота стационарного тягового устройства (индуктора) не должна превышать 105 мм для того чтобы рассчитать длину этого устройства построим рисунок вида с боку колеса и рельса в программе Microsoft Office Visio и найдем длину устройства. Пользуясь геометрическими расчетами найдем рабочую зону колеса и индуктора.
Рисунок 3.9 – Вид с боку колеса и рельса
Рассчитаем площадь рабочей зоны.
Рассмотрим рисунок 3.10.
Рисунок 3.10 – Расчет площади сегмента ВСD
Площадь сегмента ВСD равна площади сектора АВСD за вычетом площади треугольника АВD:
Площадь сектора АВСD найдем по формуле:
где
– радиус окружности колеса вагона (рисунок 3.10), мм
Площадь треугольника АВD найдем по формуле:
где
– высота рабочей зоны (рисунок 3.10), мм
Используя формулы (3.6 – 3.8) найдем площадь рабочей зоны по формуле:
Зная рабочую зону одного устройства для одного колеса, определим площадь рабочей зоны для всего поезда.
Как было сказано в начале, в расчетах используем технические характеристики и основные габаритные размеры электродвигателя АИР 355M12. Чтобы достигнуть той мощности, которая позволит с большей легкостью преодолевать подъем необходимо установить 12 индуктор по 3 с каждой стороны колесной пары.
Общую площадь рабочей зоны для одной колесной пары определим по формуле:
4 – количество сторон для одной колесной пары.
Общую площадь рабочей зоны для поезда найдем по формуле:
где 284 – количество колесных пар в составе, при количестве вагонов 71 (71 ∙ 4 = 284)
Произведем расчет по формулам (3.10; 3.11):
Дальше найдем площадь электродвигателя и соотнесем ее с площадью рабочей зоны поезда SП. После определим количество эквивалентных машин и рассчитаем, какое тяговое усилие нам даст стационарное тяговое устройство на основе электродвигателя АИР 355М12.
Для аналога индуктора используем технические характеристики и габаритно присоединительные размеры двигателя АИР355MB12.
Приведем краткие теоретические сведения о серии электродвигателей АИР.
Асинхронные электродвигатели АИР (ранее выпускались двигатели 4А, 4АМ) с короткозамкнутым ротором, благодаря простоте конструкции, отсутствию подвижных контактов, высокой ремонтопригодности, невысокой цене по сравнению с другими электрическими двигателями применяются практически во всех отраслях промышленности и сельского хозяйства. Они используются для привода вентиляционного оборудования, насосов, компрессорных установок, станков, эскалаторов и многих других машин.
Основные технические характеристики серии АИР: привязка мощности и установочных размеров стандарту ГОСТ Р 51689-2000; степень защиты IP54, IP55 (электродвигатель АИР) по ГОСТ17494-87; степень защиты IP23 (электродвигатель АМН) по ГОСТ17494-87; изоляция класса нагревостойкости «F» по ГОСТ8865-93; по способу монтажа, исполнения: IM 1001, IM2001, IM3011 по ГОСТ2479-79; климатическое исполнение У2, У3 по ГОСТ15150-69. Режим работы S1 по ГОСТ183-74; способ охлаждения 1С-0151 по ГОСТ20459-87; уровень шума в режиме холостого хода – 2 класса по ГОСТ16372-93.
Расшифруем условные обозначения – электродвигателя АИР355M12: А – асинхронный двигатель, И – Интерэлектро, Р – привязка мощностей к установочным размерам в соответствии с ГОСТ Р 51689 («C» – в случае привязки по нормам CENELEK), 355 – высота оси вращения (габарит).
Представим основные технические характеристики электродвигателя АИР355М12 в таблице 3.2.
Основные габаритные, установочные и присоединительные размеры электродвигателя представим в таблице 3.3.
Таблица 3.2 – Основные технические характеристики
| Двигатель | Мощность, кВт | Число оборотов, об/мин | КПД, % |
| АИР355M12 | 90 | 450 | 93,5 |
Таблица 3.3 – Основные габаритные размеры
| Двигатель | Высота оси вращения (h), мм | Длина (l30), мм |
| АИР355M12 | 355 | 1570 |
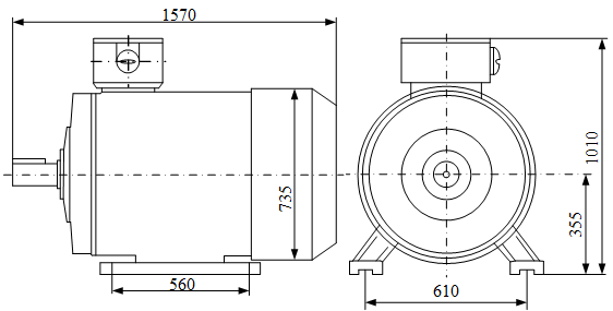
Упрощенный чертеж электродвигателя представим на рисунке 3.11
Рисунок 3.11 – Электродвигатель АИР 355M12
Следующим шагом найдем необходимое количество электродвигателей.
Найдем примерную площадь электродвигателя исходя из того, что он имеет форму напоминающую цилиндр:
где
– высота оси вращения (355);
– длина электродвигателя (1570).
Произведем расчет по формуле 3.12:
Найдем количество электродвигателей при делении общей площади рабочей зоны на площадь электродвигателя:
Определим общую мощность эквивалентных машин N, которая равна 1800кВт.
Определим тяговое усилие, которое будет создавать индуктор по формуле:
где
– мощность эквивалентных машин (1800 кВт);
Произведем расчет по формуле (3.13):
Этого тягового усилия не хватит для преодоления подъема без использования кратной тяги. Так как тяговое усилие 4 секционного электровоза 4ЭС5К равно 928 кН. Стационарное тяговое устройство на всем протяжении подъема будет поддерживать данное тяговое усилие и даст возможность уменьшить количество секций электровоза.
Найдем линейную скорость электродвигателя АИР 355M12 по формуле:
где
– высота оси вращения (0,355м);
– угловая скорость электродвигателя.
Угловую скорость электродвигателя найдем по формуле:
где
– число оборотов ротора, об/мин (450).
Произведем расчет по формулам (3.14; 3.15) и найдем линейную скорость электродвигателя:
Переведем линейную скорость электродвигателя в км/ч:
Следовательно, исходя из полученной линейной скорости электродвигателя можно сделать вывод: что данный электродвигатель удовлетворяет техническим и габаритным требованиям в качестве основы для стационарного тягового устройства.
4. ПАТЕНТНЫЙ ПОИСК
Рассмотрим разнообразные способы передачи тягового усилия в промышленности и на транспорте, которые зарегистрированы как патенты.
4.1 Устройство для передвижения железнодорожных вагонов.
Использование: в средствах маневрирования подвижным составом для передвижения железнодорожных вагонов на короткие расстояния, в частности торфовозных полувагонов на пунктах разгрузки [11].
Сущность изобретения: расположенный вдоль рельсовой колеи бесконечный приводной тяговый орган с закрепленной к нему кареткой, на корпусе которой установлены толкающий и опорные ролики, взаимодействующие с направляющими, проложенными внутри колеи. Корпус выполнен в виде трехплечего балансира, на нижних плечах которого закреплены опорные ролики, а на верхнем толкающий ролик, образующий с каждым из опорных роликов, в зависимости от направления движения тягового органа, толкающую пару. Ось балансира расположена от поверхности направляющих на расстоянии, большем радиуса. Конфигурация боковин корпуса такова, что они не выступают в пределы вписываемой между роликами толкающих пар окружности колесной оси вагона.
Изобретение относится к средствам маневрирования подвижным составом и предназначено для перемещения железнодорожных вагонов на короткие расстояния, в частности торфовозных полувагонов на пунктах разгрузки.
Устройство предназначено для маневровых работ на проходных путях и сортировочных узлах железных дорог. Для работы на тупиковых путях, например, на пунктах погрузки и выгрузки железнодорожных вагонов, устройство достаточно сложно в конструктивном отношении, а также в производстве маневровых работ вследствие необходимости частной перенастройки толкающих роликов.















