Вдовенко В.Ю. ПЗ (1231895), страница 7
Текст из файла (страница 7)
5.2 Защитные мероприятия, снижающие влияние электромагнитного поля на организм человека
Мероприятия по защите обслуживающего персонал от биологического действия электромагнитного поля:
-
организационные мероприятия;
-
инженерно-технические;
-
лечебно-профилактические.
К организационным мероприятиям относят:
-
защита временем;
-
защита расстоянием.
К инженерно-техническим мероприятиям относиться:
-
применение экранов;
-
заземление.
Гигиенические нормы времени пребывания человека без средств защиты в электрическом поле электроустановок промышленной частоты приведены в таблице 5.16.
Таблица 5.16 – Нормы времени пребывания человека в электрическом поле
| Напряженность электрического поля, кВ/м | Время пребывания, мин |
| До 5 | Не ограничивается |
| Свыше 5 до 10 | Не более 180 |
| 10 до 15 | 90 |
| 15 до 20 | 10 |
| 20 до 25 | 5 |
Биологически активными являются электрическое и магнитное поля, напряженность которых превышает допустимое значение. Допустимая напряженность неискаженного электрического поля составляет 5 кВ/м, поэтому согласно нормам пребывание персонала без средств защиты в электрическом поле напряженностью до 5 кВ/м включительно может быть сколь угодно длительным. При большей напряженности вплоть до 25 кВ/м включительно продолжительность пребывания в поле ограничивается. Если требуется большая продолжительность пребывания в поле, чем указано в таблице 6.1, или если напряженность поля на рабочем месте превышает 25 кВ/м, работы должны производиться с применением средств защиты от воздействия поля – экранируемых костюмов или экранирующих устройств.
Пространство, в котором напряженность электрического поля превышает 5 кВ/м, называется зоной влияния электрического поля или просто зоной влияния.
Допустимая напряженность (Н) или индукция (В) магнитного поля для условий общего (на все тело) и локального (на конечности) воздействия в зависимости от продолжительности пребывания в магнитном поле определяется в соответствии с таблицей 5.17.
Таблица 5.7 – Допустимые уровни магнитного поля
| Время пребывания (час) | Допустимые уровни магнитного поля Н(А/м)/В(мкТл) при воздействии | |
| общем | локальном | |
| менее 1 | 1600/2000 | 6400/800 |
| 2 | 800/1000 | 3200/4000 |
| 4 | 400/500 | 1600/2000 |
| 8 | 80/100 | 800/1000 |
При необходимости пребывания персонала в зонах с различной напряженностью магнитного поля общее время выполнения работ в этих зонах не должно превышать предельно допустимое для зоны с максимальной напряженностью.
Допустимое время пребывания в магнитном поле может быть реализовано одноразово или дробно в течение рабочего дня. При изменении режима труда и отдыха (сменная работа) предельно допустимый уровень магнитного поля не должен превышать установленный для 8-часового рабочего дня.
5.3 Расчет напряженности электрического поля на человека
Тяговая сеть Ружинской дистанции электроснабжения состоит из нескольких проводов, находящихся под напряжением 27,5 кВ: контактная сеть обоих путей, система питания линейных нетяговых потребителей. Так как контактная подвеска состоит из контактного провода марки М-95, несущего троса марки МФ-100 и усиливающего провода А-185 (ЭА-185) - это значительно затрудняет расчеты.
Для решения поставленной задачи применим метод зеркальных изображений, суть которого изложена в [19].
Самое большое электромагнитное влияние будет наводиться при включении всех проводов.
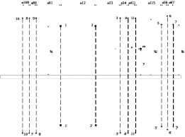
Схема расположения проводов на опорах контактной сети представлена на рисунке 5.28.
Рисунок 5.28 - Схема расположения проводов на опорах контактной сети
Для электрического расчета электромагнитного влияния на человека нам потребуются следующие исходные данные.
Таблица 5.18 – Исходные данные для электрического расчета электромагнитного влияния
| Высота эквивалентного КП, h1,м | 7,15 |
| Высота линии ДПР, h2,м | 8 |
| Высота линии СЦБ, h3,м | 6 |
Расстояния между проводами, а : а108=1,7 м; а89= 1,7 м; а91=5,2 м; а12= 4,1 м; а23= 5,2 м; а34=1,7 м; а45=7,2 м; а411= 1,7 м; а115=5,5 м; а56= 0,8 м; а67= 0,8 м.
Напряжение в проводах: КС=27,5 кВ; ДПР=27,5 кВ; СЦБ=10кВ.
Рассмотрим расчет потенциалов в проводах тяговой сети двухпутного участка , для которого уравнения Максвелла предстанут в виде:
Формула (5.3.1)
С помощью данного уравнения найдем неизвестные 1, 2, 3, 4, 5, 6, 7, 8, 9, 10, 11.
Таким образом, напряженность электрического поля будет найдена по формуле:
(5.3.2)
На человека находящегося перпендикулярно проводам, действует вертикальная составляющая
, (ток, протекающий через человека, создается именно этой составляющей), поэтому необходимо определить только
.
Продифференцируем по y по формуле 5.3.3:
(5.3.3)
Рассчитаем напряженность на уровне головы человека, стоящего на железнодорожном полотне (1,8 метра) и на уровне головы человека, работающего под напряжением с изолированной вышки (6,24 метра).
Задавая разные значения x, находим соответствующие значения напряженности поля.
Результаты расчетов представлены в таблице 5.19.
По данным таблицы 5.19 построим графики напряженности электрического поля в зависимости от расстояния до осей путей.
Из рисунка 6.29 следует, что электрическое поле сильно зависит от расстояния от источника излучения. В результате этого персонал работающих на железнодорожных путях подвергается воздействию напряженности электрического поля, не превышающей допустимого значения (5 кВ/м). При работе на изолированной вышке эксплуатационный персонал контактной сети подвергается воздействию напряженности электрического поля выше допустимого значения только при работе на расстоянии менее 0,5 м от контактного провода. При работе на любом другом участке не наблюдается превышений. Следовательно, время работы людей под напряжением с изолирующей вышки должно быть ограничено в соответствии с санитарными нормами [23] и составлять не более 180 минут. Также необходимо обеспечить персонал средствами индивидуальной защиты (специальные костюмы).
Таблица 5.19 – Значения напряженности электрического поля контактной сети переменного тока
| Напряженность кВ/м | Расстояние x, м | ||||||||||||||||
| -20 | -19 | -18 | -17 | -16 | -15 | -14 | -13 | -12 | -11 | -10 | -9 | -8 | -7 | -6 | -5 | -4 | |
|
| 1,66 | 1,78 | 1,88 | 1,95 | 2,01 | 2.06 | 2,12 | 2,21 | 2,34 | 2,48 | 2,61 | 2,70 | 2,74 | 2,72 | 2,65 | 2,51 | 2,32 |
|
| 1,47 | 2,07 | 2,74 | 2,86 | 2,35 | 1,18 | 0,65 | 0,91 | 1,30 | 1,96 | 3,91 | 5,27 | 2,83 | 2,44 | 3,85 | 5,57 | 2,62 |
Продолжение таблицы 5.19
| Напряженность кВ/м | Расстояние x, м | ||||||||||||||||
| -3 | -2 | -1 | 0 | 1 | 2 | 3 | 4 | 5 | 6 | 7 | 8 | 9 | 10 | 11 | 12 | 13 | |
|
| 2,10 | 1,87 | 1,65 | 1,46 | 1,30 | 1,16 | 1,05 | 0,95 | 0,86 | 0,79 | 0,73 | 0,67 | 0,63 | 0,59 | 0,56 | 0,54 | 0,52 |
|
| 1,46 | 0,97 | 0,63 | 0,64 | 1,35 | 1,51 | 1,57 | 1,69 | 1,04 | 0,64 | 0,49 | 0,43 | 0,41 | 0,38 | 0,37 | 0,35 | 0,34 |
,















