Пояснительная записка (1231879), страница 3
Текст из файла (страница 3)
3 СИЛЫ, ДЕЙСТВУЮЩИЕ НА УЗЕЛ КРЕПЛЕНИЯ ТЯГОВОГО ЭЛЕКТРОДВИГАТЕЛЯ В ЭКСПЛУАТАЦИИ
На тяговую передачу действует, прежде всего, нагрузка, создаваемая тяговым моментом. Тяговый момент определяется режимом ведения поезда (пуск, переход с одной тяговой характеристики на другую) и скоростью, меняющейся при изменении сопротивления движению. Поскольку нагрузка, связанная с реализацией силы тяги, является полезной, стремятся повысить ее до значения, предельного по сцеплению, на что и должна быть рассчитана передача. Специфический режим работы передачи возникает при боксовании, т. е. срыве сцепления, его развитии и восстановлении. В процессе боксования возможны как апериодические, так и периодические динамические режимы, в том числе и с нагрузкой, превышающей предельную по сцеплению. Такой режим, как правило, возникает при пуске или на низких скоростях, когда тяговая характеристика двигателя позволяет развивать большие моменты. При неблагоприятном стечении обстоятельств этот режим может стать причиной повреждения передачи из-за высоких нагрузок. Некоторые аварийные режимы в электрических цепях, как, например, круговой огонь на коллекторе тягового двигателя при отсутствии эффективной быстродействующей защиты для гашения поля главных полюсов, также могут вызвать появление больших динамических нагрузок в передаче, способных даже при однократном возникновении привести к выходу ее из строя. Перечисленные режимы работы передачи связаны с реализацией колесной парой функции движителя, в них двигатель выступает как источник силовых возмущений. В этом случае основным возмущающим фактором является электромагнитный момент. Вследствие того что тяговая характеристика падающая, влияние этого фактора на общий уровень нагрузки с ростом скорости уменьшается. Вместе с тем, существуют режимы нагружения, связанные с выполнением колесной парой функции движущейся опоры, которая требует отслеживания в пространстве некоторой траектории, отличной от прямой и определяемой в первую очередь неровностями пути в профиле и формой поверхности катания колеса. Эти возмущения являются кинематическими и могут вызывать динамические реакции независимо от того, развивает двигатель электромагнитный момент или нет. Динамические процессы, вызванные ими при условии постоянства скорости движения, носят в основном стационарный (устойчивый во времени) характер, а с ростом скорости, как правило, проявляются в большей степени. В силу высоких частот изменения динамических нагрузок повторяемость их значительна, и они могут стать главной причиной усталостных разрушений элементов передачи. Можно выделить ряд типичных режимов нагружения передачи, которые она должна выдерживать в эксплуатации и которые на стадии проектирования являются объектом расчетов:
-тяговый режим; нагрузка передачи может быть принята статической, максимальное значение ее определяется тяговой характеристикой локомотива и условиями сцепления колес с рельсами;
-стационарный динамический режим нагружения при движении с постоянной скоростью, в первую очередь с максимальной, а также при так называемых резонансных скоростях; динамическая нагрузка при этих скоростях может быть большей, чем при максимальной;
-нестационарный динамический режим нагружения при боксовании; аварийный режим, например, при коротком замыкании на коллекторе тягового двигателя [1].
При осевой подвеске тяговый двигатель опирается одним концом жёстко через моторно-осевые подшипники на колёсную пару и другим концом упруго подвешивается к поперечному рамному креплению. Помимо веса тягового двигателя, при движении колёсной пары по неровностям пути на опоры тягового двигателя передаётся дополнительная динамическая нагрузка. Величина этой нагрузки зависит от жёсткости механизма подвешивания носика тягового двигателя к рамному креплению и жёсткости упругого механизма венца большого зубчатого колеса [3].
При рассмотрении случая, когда начальный натяг пружин подвешивания носика тягового двигателя и пружин упругого венца настолько велики, что при динамических нагрузках от инерции тягового двигателя при прохождении колёсной парой неровностей пути элементы подвески не деформируются, считают, что оба колеса одновременно проходят неровность пути и получают одинаковые ускорения. Если принять двустороннюю зубчатую передачу и одинаковое распределение усилий между зубчатыми колёсами, то двигатель можно рассматривать лежащим в одной плоскости [3].
Рисунок 3.1 – Схема сил, действующих на тяговый двигатель
Начало координат принимают в точке Ω подвешивания носика двигателя, ось X располагают горизонтально, а ось Z — вертикально вверх (рисунок 3.1). Сначала рассматривают влияние сил инерции корпуса тягового двигателя. Перемещение корпуса тягового двигателя можно рассматривать, как состоящее из вертикального перемещения его центра тяжести и вращения вокруг оси, проходящей через центр тяжести [3].
Ускорение центра тяжести корпуса двигателя в вертикальном направлении рассчитывается по формуле (3.1):
. (3.1)
где zk вертикальное ускорение колесной пары;
λк - расстояние центра тяжести корпуса двигателя до точки Ω подвешивания носика;
L - расстояние между опорными точками двигателя.
Сила инерции корпуса тягового двигателя при его вертикальном перемещении вызовет дополнительную нагрузку на подвешивание тягового двигателя [3]:
. (3.2)
где Mk масса корпуса тягового двигателя;
λк – момент инерции корпуса двигателя относительно оси, проходящей через центр тяжести.
Инерция корпуса тягового двигателя при ускорении вращения вызовет увеличение нагрузки на колесную пару и такую же разгрузку механизма подвешивания носика тягового двигателя [3]:
. (3.3)
Таким образом, вызванное инерцией корпуса тягового двигателя, общее увеличение нагрузки механизма подвешивания носика тягового двигателя рассчитывается по формуле [3]:
. (3.4)
При движении по неровности пути колесная пара с большим зубчатым колесом поднимается на zk, а центр малой шестерни при расстоянии его λя от точки подвешивания носика на
. Якорь при этом повернулся дополнительно на угол αя, следовательно:
. (3.5)
где R – радиус большой шестерни;
r – радиус малой шестерни;
λя – расстояние от центра малой шестерни до точки подвешивания носика.
Что соответствует углу поворота его:
. (3.6)
Таким образом, перемещение якоря складывается из вертикального перемещения геометрической оси вала и вращения вокруг той же оси на угол αя. Первому перемещению соответствует сила инерции, направленная вниз. Она передается на колесную пару и механизм подвешивания носика тягового двигателя в виде сил [3]:
, (3.7)
и
, (3.8)
где
. (3.9)
При положительном вертикальном ускорении колесной пары (направленном вверх) сила Zд будет также положительной (направлена вверх), колесная же пара получит добавочную нагрузку. Силу Zд переносят в центр вала двигателя, прибавив соответствующий момент, и обозначают ее Z'∂. Силу Zд, которая передается корпусу тягового двигателя через подшипники вала якоря, раскладывают на силы, приложенные к опорам корпуса тягового двигателя. Вызванная силой Z'∂ разгрузка подвешивания носика тягового двигателя равна [3]:
. (3.10)
Таким образом, разгрузка носика тягового двигателя будет равна:
. (3.11)
Динамическая нагрузка от инерции якоря, передающаяся на механизм подвешивания носика тягового двигателя:
.
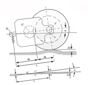
Рисунок 3.2 – Силы, действующие на тяговый двигатель при прохождении неровности
Далее рассмотрен случай, когда передающаяся на носик часть веса двигателя, а также реактивное усилие при создании двигателем силы тяги в сумме оказываются больше начального натяга элементов механизма подвешивания двигателя к рамному креплению. В этом случае прохождение колёсной парой неровностей пути вызывает деформацию упругих элементов механизма подвешивания. Пусть при этом колёсная пара будет иметь вертикальное ускорение zk , с тем же ускорением будет подниматься и конец двигателя, опирающегося на ось колёсной пары. Определяют отдельно силы инерции корпуса тягового двигателя и якоря. Перемещение корпуса тягового двигателя можно рассматривать, как поднятие центра тяжести из положения С в положение С' (рисунок 3.2) на высоту zc и поворот двигателя вокруг центра тяжести на некоторый угол α. Сила инерции корпуса тягового двигателя вызовет, при положительном ускорении, увеличение нагрузки на подвешивание носика тягового двигателя, равное [3]:
. (3.14)
Силы инерции при повороте корпуса тягового двигателя с ускорением вращения вызовут увеличение нагрузки колесной пары и такую же разгрузку механизма подвешивания носика тягового двигателя, равную [3]:
. (3.15)
Реакцию на подвеске от действия тягового момента можно определить из уравнения равновесия моментов сил, действующих на двигатель в режиме тяги:
. (3.16)
где Dk – диаметр колеса, равный 1,25 метра;
FT – расчетная сила тяги;
L – опорная база тягового двигателя, равная 1,22 метра.
Расчетная сила тяги принимается максимальной из условия ограничения по сцеплению. Для электровоза переменного тока величина силы тяги определяется как:
. (3.17)
где V – скорость движения, км/ч;
2Псm – нагрузка от оси колесной пары на рельс, равная 235 кН.
В момент трогания, при V=0 и Ψ=0,36 сила тяги будет равна:
кН.
После подстановки числовых значений в формулу (3.16), реакция на подвеске ТЭД будет равна:
кН. (3.18)
Шайбы подвески, помимо динамической нагрузки, воспринимают вес половины двигателя, реакцию от тягового момента и предварительный натяг. Предварительный натяг необходим для того, чтобы исключить раскрытие амортизатора, такое положение возможно для верхней шайбы, если реакция на тяговый момент направлена вниз и действует совместно с весом двигателя [2]. Чтобы заведомо исключить такую возможность, величину предварительного натяга принимают равной [2]:
. (3.21)
где
- вес половины двигателя;
На электровозах серии 2ЭС5К устанавливаются тяговые двигатели НБ-514Б, массой 4300 килограмм, следовательно вес половины двигателя будет равен:
кг, (3.22)
кН.
Тогда величину предварительного натяга необходимо принять равной:
кН.















