Пояснительная записка (1231879), страница 2
Текст из файла (страница 2)
Анализируя данные случаи дефектов, следует сделать вывод, что за последние 4 года чаще других встречаются случаи браковочного зазора между втулкой и валиком. Это связано со сложностью обнаружения данного дефекта, который можно определить во время ремонта ТР-3, то есть у электровозов с пробегом около 500 тыс. км от предыдущего ремонта ТР-3. Сравнительно редко наблюдаются трещины кронштейна подвески, которые легко определяются визуально во время текущего ремонта или технического обслуживания. Кроме того, трещины устраняются сварочными работами даже без разборки подвески тягового двигателя.
2 АНАЛИЗ КОНСТРУКЦИИ И МАТЕРИАЛОВ УЗЛА КРЕПЛЕНИЯ ТЯГОВОГО ЭЛЕКТРОДВИГАТЕЛЯ
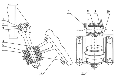
Подвеска тягового двигателя опорно-осевая. Тяговый электродвигатель одним концом опирается через моторно-осевые подшипники скольжения на ось колесной пары, а другим концом – на раму тележки через специальную подвеску с резиновыми шайбами [5].
Подвеска тягового двигателя состоит из подвески, двух резиновых шайб, двух дисков, кронштейна и деталей монтажа, к которым относятся планки, болты, гайка. Подвеска выполнена поковкой из стали 45, с последующей механической обработкой, и имеет головку, которой подвеска крепится к среднему брусу рамы тележки посредством валика из стали 45, проходящего через втулки из марганцовистой стали, запрессованные в проушины кронштейна и в головку подвески (рисунок 2.1). Предохранение валика от выпадения осуществляется планками, перекрывающими отверстия проушин бруса, из которых одна приварена, а другая закреплена двумя болтами. Сами болты стопорятся планкой, края которой загнуты на грани головок болтов. Для стягивания пакета из дисков и резиновых шайб служит гайка, устанавливаемая на подвеске с круглой резьбой диаметром 60мм. Кронштейн выполнен отливкой из стали 25Л, крепится к остову тягового электродвигателя болтами, попарно застопоренными планками. Для ориентации резиновых шайб, кронштейн и диски имеют выточки. Шайбы выполнены из формовочной резины и уложены по обе стороны кронштейна между дисками. Резиновые шайбы обеспечивают упругость подвески. Диски выполнены из листовой стали. Усилия от кронштейна передаются через резиновые шайбы и диски на заплечики подвески. На случай обрыва подвески в качестве дополнительной страховки служат специальные приливы на остове тягового двигателя и упоры на среднем брусе рамы тележки [5].
Рисунок 2.1 – Подвеска тягового электродвигателя. 1, 3, 10 – планка; 2 – болт;
4 – подвеска; 5 – диск; 6 – шайба; 7 – валик; 8, 9 – втулка; 11 – гайка; 12 – кронштейн.
Деталь «Валик» представляет собой цилиндр, длинной 208 мм и диаметром 70 мм. С обеих сторон валика имеются две фаски длинной 5 мм, выполненных под углом 30° (рисунок 2.2). Валик выполнен из стали 45. Свойства стали 45 приведены в приложении А (табл. А.1 – А.8).
Рисунок 2.2 – Скриншот валика из программы Solidworks
Деталь «Втулка» относится к группе тел вращения. Деталь имеет форму цилиндра длиной 100 мм и диаметром 90 мм. Втулка имеет центральное, гладкое, ступенчатое, сквозное отверстие диаметром 75мм на глубину 22,86 мм, диаметром 71 мм, диаметром 75 мм на глубину 22,86 мм. С обеих сторон втулки имеются две фаски длинной 2 мм, выполненных под углом 45° (рисунок 2.3). Втулка выполнена из стали 110Г13Л. Свойства стали 110г13л приведены в приложении А (табл. А.9 – А.14).
Рисунок 2.3 – Скриншот втулки из программы Solidworks
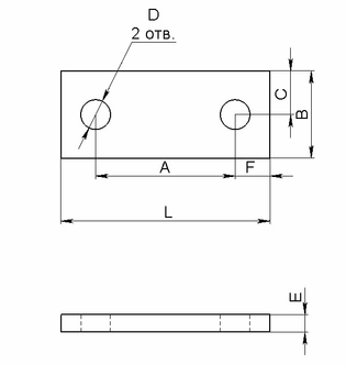
В составе конструкции узла крепления ТЭД имеются три планки представляющих собой металлические пластины, отличающиеся друг от друга габаритными размерами. В таблице 2.1 и на рисунке 2.4 приведены размеры, соответствующие размерам планок. На лицевой поверхности планок имеются два гладких, сквозных отверстия диаметром D. Центры отверстий находятся относительно верхней (размер С) и торцевой кромок (размер F) на расстоянии, указанном в таблице. Расстояние между центрами отверстий соответствует значению A. Отверстия симметричны. Планки 1 и 2 выполнены из горячекатаного листового проката, повышенной прочности, группы прочности К270В, категории 4, повышенной отделки поверхности (III), из стали марки 08пс. Планка 3 выполнена из стали 3пс. Свойства стали 3пс приведены в приложении А (табл. А.15 – А.20).
Таблица 2.1 – Размеры планок
| Обозначение | Размеры в миллиметрах | ||||||
| L | B | D | A | F | E | C | |
| Планка 1 | 300 | 75 | 44 | 220 | 40 | 1,5 | 37,5 |
| Планка 2 | 130 | 35 | 18 | 80 | 25 | 1,5 | 17,5 |
| Планка 3 | 120 | 50 | 17 | 80 | 20 | 1,5 | 25 |
Рисунок 2.4 – Скриншот планки из программы Solidworks
Верхний диск представляет собой металлический цилиндр диаметром 218 мм и высотой 22 мм. На одном из оснований диска имеется выточка диаметром 205 мм на глубину 5 мм. Уклон грани выточки равен 30°. В центре диска имеется гладкое, сквозное, ступенчатое отверстие диаметром 70 мм на глубину 8 мм, выполненное с фаской длинной 1мм под углом 45°, и диаметром 62 мм на глубину 7,5 мм, выполненное с фаской длинной 1,5 мм под углом 45° (рисунок 2.5)
Рисунок 2.5 – Скриншот верхнего диска из программы Solidworks
Нижний диск представляет собой металлический цилиндр диаметром 218 мм и высотой 22 мм. На одном из оснований диска имеется выточка диаметром 205 мм на глубину 5 мм, угол наклона грани выточки равен 30°. В центре диска имеется сквозное, гладкое отверстие диаметром 70 мм, выполненное с фаской длинной 6 мм под углом 45° (рисунок 2.6). Оба диска выполнены из стали 3пс. Свойства стали 3пс приведены в приложении А (табл. А.15 – А.20).
Рисунок 2.6 – Скриншот нижнего диска из программы Solidworks
Деталь «Шайба» представляет собой цилиндр с основанием диаметром 200 мм и высотой 80 мм. На расстоянии 10 мм от оснований выполнено скругление радиусом 65 мм. Шайба имеет центральное, гладкое, сквозное отверстие. Отверстие сужается от начала к концу, диаметр отверстия в начале 85 мм, в конце 75 мм 9 (рисунок 2.7). Шайба выполнена из резиновой смеси 7-ИРП-1348. Свойства резиновой смеси 7-ИРП-1348 приведены в приложении А
(табл. А.29).
Рисунок 2.7 – Скриншот шайбы из программы Solidworks
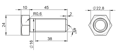
Деталь «Болт» имеет стержень цилиндрической формы длинной 45 мм и диаметром 16 мм. На стержне болта нарезана резьба на длину 38 мм. резьба м16. На конце стержня болта выполнена фаска длиной 2 мм, выполненная под углом 45°. Головка болта имеет форму шестигранника с диаметром вписанной окружности 24 мм. Высота головки равна 10мм, размер "под ключ" 24 (рисунок 2.8). Болт выполнен по ГОСТ 7798-70 из стали 45. Свойства стали 45 приведены в приложении А (табл. А.1 – А.8).
Рисунок 2.8 – Скриншот болта из программы Solidworks
Деталь «Гайка» имеет шестигранную форму с диаметром вписанной окружности 85 мм. Высота гайки 65 мм. Гайка имеет сквозное отверстие диаметром 52,6 мм, в котором нарезана круглая правая резьба диаметром 60 мм. Отверстие с обеих сторон имеет фаски длиной 2 мм, выполненные под углом 45°. Размер "под ключ" 85. Расстояние от опорной поверхности до основания прорези 43 мм. Число прорезей 6. Ширина прорези 12 мм (рисунок 2.9). Гайка выполнена из стали 45. Свойства стали 45 приведены в приложении А (табл. А.1 – А.8).
Рисунок 2.9 – Скриншот гайки из программы Solidworks
Деталь «Подвеска» имеет общую длину 575 мм. Верхняя часть подвески, именуемая головкой подвески, имеет форму цилиндра высотой 102 мм и диаметром 150 мм. Верхняя сторона головки подвески имеет скругление радиусом 75 мм. В головке подвески выполнено центральное, гладкое, сквозное отверстие диаметром 90 мм. В нижней части головка подвески сопрягается с остальной частью подвески, представляющую собой цилиндры различных диаметров. Радиус скругления равен 50мм. Первый цилиндр диаметром 70 мм имеет длину 155 мм, далее следует второй цилиндр диаметром 95 мм и высотой 10 мм. Между первым и вторым цилиндрами выполнено скругление радиусом 50 мм. Затем следует третий цилиндр диаметром 70 мм и высотой 15 мм. Между вторым и третьим цилиндрами выполнено скругление радиусом 5 мм. В точке сопряжения третьего и четвертого цилиндров, диаметр которого равен 50 мм и высота 155 мм, выполнено скругление радиусом 50 мм. Пятый цилиндр диаметром 70 мм и высотой 10 мм, сопрягается с четвертым с радиусом сопряжения 50 мм. В нижней части подвески нарезана круглая правая резьба на длину 70 мм и сделана фаска длиной 3 мм под углом 45°. На расстоянии 65 мм от окончания пятого цилиндра, в нижней части подвески, имеется гладкое сквозное отверстие диаметром 11 мм. (рисунок 2. 10 ). Подвеска выполнена из стали 45. Свойства стали 45 приведены в приложении А (табл. А.1 – А.8).
Рисунок 2.10 – Скриншот подвески из программы Solidworks
Деталь «Кронштейн» представляет собой сложнопрофильную конструкцию. Основание кронштейна имеет 6 сквозных, гладких отверстий диаметром 52 мм, два из которые располагаются вверху основания, а четыре внизу. Расстояние между центрами крайних отверстий 390 мм. Расстояние между центрами двух нижних, внутренних отверстий 150 мм. Ширина основания 470 мм, высота 300 мм. В верхней части основание имеет толщину 28 мм, а в нижней утолщается до 35 мм. Часть кронштейна, предназначенная для установки резиновых шайб, имеет ширину 290 мм и наклон 69° относительно основания. Толщина этой части кронштейна равна 42 мм. Сверху и снизу сделаны выточки диаметром 210 мм и глубиной 11 мм, угол наклона граней выточек равен 30°. Также имеется сквозное отверстие диаметром 80 мм, выполненное с фасками с обеих сторон длиной 1,5 мм под углом 45°. Кронштейн имеет ребра жесткости сверху и снизу, толщиной 27 мм сверху и 18 мм снизу. Ребра жесткости расположены на расстоянии 90 мм от боковых стенок основания. Кронштейн выполнен из стали 25Л. Свойства стали 25л приведены в приложении А (табл. А.21 – А.28).
Рисунок 2.11 – Скриншот кронштейна из программы Solidworks
В данном разделе была изучена конструкция деталей, их размеры, материалы из которых они изготовлены, и их свойства. Эти данные необходимы для создания 3D моделей и сборки, а также для проведения, планируемого в данном дипломном проекте, статического анализа узла крепления ТЭД к раме тележки электровоза.















