Osnovnoy_text_sdelany (Восстановлен) (1230862), страница 7
Текст из файла (страница 7)
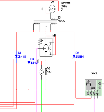
4) датчик тока V8;
5) диагностический осциллограф XSC1.
Источник напряжения сети V7 подключается к трансформатору выпрямителя, и к узлу синхронизации с сетью для определения положительности полупериода.
Рисунок 3.10 – Индикаторы текущего значения тока и скорости
Двухполупериодный выпрямитель с нулевым выходом выполнен на основе двух тиристоров D1 и D2, с помощью которых происходит плавное регулирование напряжения на тяговом двигателе. Управляющие импульсы поступают на тиристоры от узла распределения импульсов. Управляющие напряжение прикладывается между управляющим электродом и катодом тиристоров. Параллельно нагрузке включается обратный диод D3. Включение обратного диода расширяет диапазон регулирования выпрямителя, при этом, улучшается использование тиристора по току и напряжению, уменьшается пульсация выпрямленного напряжения, практически устраняется влияние характера нагрузки на выходные параметры выпрямителя.
В качестве модели двигателя выбирается модель двигателя постоянного тока из стандартной библиотеки среды «Multisim». Параметры двигателя подбираются исходя из требований моделирования аналога тягового двигателя, и наглядности процессов регулирования. Обмотка возбуждения соединяются последовательно с обмоткой якоря.
К плюсу якоря двигателя подключается датчик тока, представляющий собой источник напряжения, управляемый током. Значение напряжения, соответствующее току якоря двигателя поступает на вход чувствительного элемента, и на вход «В» осциллографа XSC1. Значение тока якоря двигателя отображается на экране осциллографа зелёным цветом.
Рисунок 3.11 – Принципиальная схема узла нагрузки
С выхода тахогенератора, встроенного в модель двигателя, снимается значение напряжения, соответствующие скорости вращения двигателя. Это значение поступает на вход датчика-преобразователя скорости, и на вход «С» осциллографа XSC1. Значение, соответствующие скорости вращения двигателя отображается на экране осциллографа розовым цветом
Рисунок 3.13 – Диаграммы работы выпрямителя
4 ОБЕСПЕЧЕНИЕ БЕЗОПАСНОСТИ ОХРАНЫ ТРУДА ЛОКОМОТИВНОЙ
БРИГАДЫ
Обеспечение безопасности труда в любой работе основная задача государства. От него зависят жизни людей. Для локомотивной бригады обеспечение безопасности заключается в ограничении поступлении вредных веществ, в улучшении микроклимата в кабинетах, соблюдение правил пожарной безопасности и умении оказывать первую медицинскую помощь.
Актуальность темы. Эта тема будет актуальна в любые времена, так как обеспечение безопасности труда это главное в разной трудовой деятельности. Люди на работе должны чувствовать, что им ничего не угрожает. Поэтому необходимо более тщательно исследовать этот вопрос, и изучить способы улучшения безопасности труда.
Целью данной работы является изучение обеспечения безопасности охраны труда локомотивной бригады.
Предметом исследования является обеспечение безопасности охраны труда.
Данная цель требует решение следующих задач:
-сделать анализ опасных и вредных факторов для локомотивных бригад;
-сделать анализ микроклиматических условий в кабине локомотива;
-изучить требования охраны труда перед началом работы;
- разработать мероприятия охраны труда для локомотивных бригад;
-изучение обеспечения пожарной безопасности;
- изучить как правильно оказывать первую помощи пострадавшим при несчастных случаях.
4.1 Анализ опасных и вредных факторов, воздействующих на локомотивную
бригаду
Если опасные и вредные производственные факторы, установленные на первой ступени, не могут быть устранены непосредственно на участке, то его руководитель по окончании осмотра докладывает об этом вышестоящему начальнику или сменному инженеру, диспетчеру для принятия мер. В случае грубых нарушений правил и норм по охране труда, которые могут причинить ущерб здоровью работающих или привести к аварии, работа приостанавливается до полного устранения этих нарушений.
Были проанализированы опасные и вредные производственные факторы, которые могут воздействовать на работников локомотивного хозяйства, а также приведен новый материал о трудовом законодательстве.
К опасным и вредным производственным факторам, воздействующим на локомотивные бригады, относятся: опасный уровень напряжения и тока в электрических цепях, движущиеся части оборудования, повышенный уровень шума и вибрации на рабочих местах, повышенные (пониженные) температура и подвижность воздуха рабочей зоны, недостаточная освещенность и контрастность на панели управления, нервно-психические перегрузки, гиподинамия (обездвиженность) и др. Рассмотрим факторы, отрицательно воздействующие на локомотивные бригады, и общие требования и нормы, направленные на обеспечение оптимальных условий труда на электровозах, тепловозах и моторвагонном подвижном составе.
Если опасные и вредные производственные факторы, установленные на первой ступени, не могут быть устранены непосредственно на участке, то его руководитель по окончании осмотра докладывает об этом вышестоящему начальнику или сменному инженеру, диспетчеру для принятия мер. В случае грубых нарушений правил и норм по охране труда, которые могут причинить ущерб здоровью работающих или привести к аварии, работа приостанавливается до полного устранения этих нарушений.
Были проанализированы опасные и вредные производственные факторы, которые могут воздействовать на работников локомотивного хозяйства, а также приведен новый материал о трудовом законодательстве [1]:
К опасным и вредным производственным факторам, воздействующим на локомотивные бригады, относятся: опасный уровень напряжения и тока в электрических цепях, движущиеся части оборудования, повышенный уровень шума и вибрации на рабочих местах, повышенные (пониженные) температура и подвижность воздуха рабочей зоны, недостаточная освещенность и контрастность на панели управления, нервно-психические перегрузки, гиподинамия (обездвиженность) и др. Рассмотрим факторы, отрицательно воздействующие на локомотивные бригады, и общие требования и нормы, направленные на обеспечение оптимальных условий труда на электровозах, тепловозах и мотор-вагонном подвижном составе.
Между опасными и вредными производственными факторами наблюдается определенная взаимосвязь. Во многих случаях наличие опасных и вредных факторов способствует появлению травмоопасных факторов [2].
Приведены характеристики опасных и вредных производственных факторов для наиболее распространенных в машиностроении производственных процессов. Даны рекомендации по методам ограничения действия вредных и исключению воздействия на работающих опасных факторов, основанные на требованиях системы стандартов безопасности груда, норм и правил по охране труда. Рассмотрены основные вопросы охраны окружающей среды, связанные с проведением производственных процессов.
Приведены характеристики опасных и вредных производственных факторов для наиболее распространенных в машиностроении производственных процессов. Даны рекомендации по методам ограничения действия вредных и исключению воздействия на работающих опасных факторов, основанные на требованиях системы стандартов безопасности труда, норм и правил по охране труда. Рассмотрены основные вопросы охраны окружающей среды, связанные с проведением производственных процессов.
Измерения параметров опасных и вредных производственных факторов, определение показателей тяжести и напряженности трудового процесса осуществляют лабораторные подразделения организации. Измерения параметров опасных и вредных производственных факторов, определение показателей тяжести и напряженности трудового процесса осуществляют лабораторные подразделения организации. При отсутствии у организации необходимых для этого технических средств и нормативно-справочной базы привлекаются центры государственного санцтарноэпиде-миологического надзора, лаборатории органов Государственной экспертизы условий труда Российской Федерации и другие лаборатории, аккредитованные (аттестованные) на право проведения указанных измерений.
К числу опасных и вредных производственных факторов относит повышенное значение напряжения в электрической цепи, замыкание которой может произойти через тело человека, повышенный уровень статического электричества, электромагнитных излучений, повышенную напряженность электрического и магнитного полей. Электрический ток и электрическая дуга могут вызвать повреждение организма - электротравму. Различают электротравмы, вызванные прохождением электрического тока через тело человека, и электротравмы, при которых не возникает электрической цепи через тело.
По природе действия опасные и вредные производственные факторы подразделяются на четыре группы: физические, химические, биологические и психофизиологические.
В ней систематизированы опасные и вредные производственные факторы по четырем признакам: по происхождению, характеру воздействия на людей, природную среду и хозяйственные объекты, по сфере проявления опасности, степени воздействия на человека.
Есть опасные и вредные производственные факторы для наиболее распространенных в машиностроении производственных процессов и приведены рекомендации по способам и методам ограничения действия вредных и исключению воздействия опасных факторов на работающих. По характеру действия психофизические опасные и вредные производственные факторы делятся на физические и нервно-психические перегрузки: умственное перенапряжение, перенапряжение анализаторов, монотонность труда, эмоциональные перегрузки [3]:
4.2 Анализ микроклиматических условий в кабине локомотива
Воздух рабочей зоны. В процессе труда окружающая обстановка, включая и метеорологические условия, во многом определяет самочувствие человека. Его работоспособность, подвижность внимательность. Для обеспечения температурно-влажных условий и состояния воздушной среды, отвечающим санитарным и гигиеническим требованиям в цехах технического ремонта предусмотрены относительные и вентиляционные системы и устройства. Для улучшения условий труда на рабочих местах вдоль наружных стен с окнами в цехах технического ремонта, помимо агрегатов воздушного отопления, дополнительно устанавливают нагревательные приборы, обычно ребристые трубы. В холодный период года для защиты работающих от сквозняков и простудных заболеваний для открывания ворот или дверей устанавливают воздушно-тепловые завесы.
Таблица 1 - Предельно-допустимые концентрации веществ
| Вредные вещества | Предельно-допустимая концентрация мг/м3 | Класс опасности |
| Хром | 0.1 | 1 |
| Масло минеральное | 5,0 | 3 |
| Пыль | 6,0 | 4 |
Источником постоянного шума является технологическое оборудование, применяемое при проведении работ.
Производственный шум, воздействующий на человека классифицируются по характеру спектра шума (широкополосной шум с непрерывным спектром, тональный шум), по временным характеристикам шума (постоянный шум и непостоянный шум). Непостоянный шум подразделяют на колеблющийся, прерывистый, импульсный.
Ограничение шума осуществляют следующими основными способами:
1) устранение или ослабление шума в источнике его возникновения путем совершенствования конструкции оборудования, изменения технологического процесса;
2) локализация шума, звукоизоляция и звукопоглощение, виброизоляция
3) замена оборудования менее шумным, рациональное размещение источников шума и планирование времени работы оборудования;
4) применение средств индивидуальной защиты.
Эффективным средством снижения шума от технологического оборудования является применение звукоизолирующих кожухов. Допустимые уровни звукового давления на рабочих местах в таблице 2.2
Таблица 2.2 - Уровни звукового давления, дБА
| Рабочее место | Уровни звукового давления, дБА. В октавных полосах со среднегеометрическими частотами, Гц | |||||||||
| 63 | 125 | 250 | 500 | 1000 | 2000 | 4000 | 8000 | |||
| Постоянные рабочие места и рабочие зоны в производственных помещениях | 94 | 87 | 81 | 78 | 75 | 73 | 71 | 69 | 80 | |
Эта таблица показывает, на сколько допустимы диапазоны звука на рабочем мест в помещениях [4,5]:














