Диплом (1229711), страница 8
Текст из файла (страница 8)
3.1 Описание конструкции ГП-311Б
Якорь генератора состоит (рисунок 3.1) из барабана ребристой конструкции 10, 13, полувала, сердечника выполненного из отдельных пластин электротехнической стали, передней и задней нажимных шайб, коллектора арочного типа 4.
1 - вентиляционный якорный лист; 2- средний якорный лист; 3 – крайний якорный лист; 4 – коллектор; 5 – нажимной конус; 6 – втулка; 7 – вал; 8- коллекторная шпилька; 9 – манжета; 10 – цилиндр; 11 – диск; 12 – обмоткодержатель; 13 – ребро; 14 – клиновая шпонка
Рисунок 3.1 – Якорь тягового генератора ГП311Б
Ступенчатая петлевая двухходовая обмотка уложена в 155-ти пазах сердечника якоря и закреплена клиньями, а лобовые части ее – стеклобандажом.
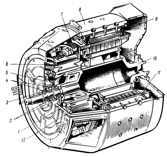
Якорь (рисунок 3.2) 10 генератора вращается в роликовом подшипнике 3, установленном в подшипниковом щите 1 и закрытом с двух сторон лабиринтными кольцами 4 с крышками 2. На подшипниковый щит крепится поворотная траверса 7 с зубчиками, к которой через изоляторы прикреплены бракеты с щеткодержателями 6 и щетками. Якорь с коленчатым валом дизеля соединен полужесткой муфтой. Противоположная от дизеля часть вала имеет конус, на который наживают муфту для соединения с распределительным редуктором.
1 – подшипниковый щит; 2 – крышки подшипника; 3 – роликовый подшипник; 4 – лабиринтные кольца; 5 – съемная ступица; 6 – щеткодержатели; 7 – поворотная траверса; 8 – станина; 9 – главный полюс; 10 – якорь; 11 – добавочный полюс; 12 – коллектор
Рисунок 3.2 – Тяговый генератор ГП311Б
Основные неисправности генератора:
- пониженное сопротивление изоляции;
- пробой изоляции на корпус;
- перекрытие по коллектору;
- нарушение коммутации;
- межвитковые замыкания в обмотках;
- распайка петушков;
- выход из строя роликовых подшипников.
Условия работы генератора:
- многократные и одиночные удары;
- вибрация;
- запыленный влажный воздух и выпадение росы.
3.2 Объёмы работ выполняемые на ТО и ТР
Для определения объема ремонта, помимо осмотра, замеряют сопротивления изоляции генератора до разборки. Сначала оценивают сопротивление изоляции общей цепи, состоящей из цепей якоря и добавочных полюсов. Если сопротивление такой цепи нормальное, то дальнейшие замеры не производят. В случае значения меньше нормы – проверяют сопротивление каждой из цепей для выяснения имеющихся повреждений.
Объем работ при ТО-3.
Открываются смотровые люки для их ревизии. Перед снятием крышек люков места разъемов очищаются от пыли и грязи.
Продуваются сухим сжатым воздухом коллекторные камеры электрических машин. Прочищаются дренажные отверстия в подшипниковых щитах тяговых электродвигателей.
Проверяется состояние коллекторов. Поверхность их под щетками должна быть гладкой, без задиров, подгаров и следов оплавления. Жесткой волосяной щеткой тщательно очищаются дорожки между коллекторными пластинами от угольной пыли. Брызги металла от перебросов или кругового огня на коллекторе зачищаются без нарушения формы коллектора с продорожкой ламелей. При наличии электроэрозии, потемнения пластин и затяжки медью производится шлифовка коллектора.
Проверяется состояние кронштейнов щеткодержателей и крепление их к остову (наличие трещин).
Запрещается выпуск машин с затяжкой меди, наличием пыли и грязи в межламельном пространстве коллекторов, следами переброса, общего или местного перегрева и местной выработки коллекторов.
Очищаются сетки воздуховода.
Проверяется состояние щеткодержателей, их крепление на кронштейнах. Изоляторы протираются, удаляются имеющиеся на них пыль и копоть. Щеткодержатели, имеющие трещины, ослабшие пружины, неисправный механизм, ослабление и трещины изоляторов, наплывы меди и оплавления, заменяются с замером и регулировкой нажатия на щетки. При замене щеткодержателя или щеток новые или бывшие в употреблении щетки притираются по коллектору.
Проверяется:
- положение щеткодержателей относительно коллектора якоря, при необходимости регулируется;
- состояние щеток и их шунтов.
Рабочая поверхность щеток должна быть гладкой и блестящей. Щетки, имеющие трещины, сколы, ослабшие шунты, износ более допускаемых размеров, заменяются. Щетки должны иметь марку, установленную заводом-изготовителем для данной электрической машины.
Запрещается ставить на одну электрическую машину щетки разных марок.
Разрешается оставлять в работе щетки, имеющие незначительные сколы (не более 5 % рабочей поверхности), после притупления острых кромок.
Объем работ при ТР -1.
Открываются смотровые люки всех электрических машин и производится их ревизия. Перед снятием крышек люков очищаются от пыли, грязи места разъемов.
Продуваются сухим сжатым воздухом коллекторные камеры электрических машин. Проверяется плотность прилегания к остову всех крышек, исправность их уплотнений, целостность трубок для подачи смазки в подшипники, наличие пробок (заглушек). При снятых крышках люков проверяется состояние обмоток якорей, полюсов в доступных местах, состояние крепления шин и кабельных межкатушечных соединений. Проверяется состояние кронштейнов щеткодержателей и приварка их к остову (наличие трещин).
Доступные части электрических машин (коллектор, передний нажимной конус) протираются сухими безворсными салфетками.
Проверяется состояние коллекторов. Дорожки между коллекторными пластинами очищаются от угольной пыли жесткой волосяной щеткой. Поверхность коллекторов под щетками должна быть гладкой, без задиров, подгаров и следов оплавления. При наличии брызг металла от перебросов или кругового огня, поврежденные места коллектора зачищаются без нарушения его формы и с последующей продорожкой изоляции между коллекторными пластинами.
Запрещается эксплуатация электрических машин с затяжкой меди, наличием пыли и грязи в межламельном пространстве коллекторов, следами переброса, общего или местного перегрева и местной выработки коллекторов.
После устранения следов переброса, кругового огня, загрязнения бандажа передний нажимной конус протирается и покрывается изоляционной эмалью. Осматривается и очищается, в доступных местах, изоляция катушек главных и добавочных полюсов, при наличии следов дуги устраняются последствия. Осматриваются петушки коллекторов. Поверхность их должна быть чистой, без следов выплавления припоя. Ослабление клиньев в шлицах пластин якоря не допускается.
Щеткодержатели, имеющие трещины, ослабшие пружины, неисправный механизм, ослабление и трещины изоляторов, наплывы меди и оплавления, заменяются с замером и регулировкой нажатия на щетки. При замене щеткодержателя или щеток новые или бывшие в употреблении щетки притирается по коллектору.
Проверяется:
- положение щеткодержателей относительно коллектора якоря, при необходимости регулируется;
- состояние щеток и их шунтов.
Рабочая поверхность щеток должна быть гладкой и блестящей. Щетки, имеющие трещины, сколы, ослабшие шунты, износ более допускаемых размеров, заменяются.
Разрешается оставлять в работе щетки, имеющие незначительные сколы (не более 5 % рабочей поверхности), после притупления острых кромок.
Проверяется: состояние и крепление опорных конструкций (лап) тягового генератора, двухмашинного агрегата и других электрических машин, проводится ревизия доступных частей вентиляторов электрических машин.
В случае подгара и почернения коллекторных пластин тягового генератора и вспомогательных машин коллектор шлифуется на холостом ходу с последующей продувкой машины, очисткой, протиркой коллекторов. Коллектор тягового генератора шлифуется только с применением переносного суппорта. Проверяется и при необходимости настраивается коммутация тягового генератора и вспомогательных машин. Обдуваются и очищаются лобовые соединения тягового генератора.
Объем работ при ТР-2.
Проверяется коммутация тягового генератора, при необходимости прошлифоввывается коллектор, настраивается коммутация. Производится ревизию щеткодержателей, сборных шин, клиц, траверс, мест соединений проводов, крепления к станине, уплотнений на выходе и станины, очистка магнитной системы в доступных местах. Проверяется установка щеткодержателей тягового генератора по физической нейтрали. При замасливании обмоток тягового генератора и сопротивлении ниже установленной нормы тяговый генератор с тепловоза снимается, разбирается, производится ревизия с разборкой. Магнитная система промывается авиационным бензином или его заменителем.
Объем работ при ТР-3.
Освидетельствование и ремонт механической части остова (статора) и его деталей. Освидетельствование и ремонт механической части якоря. Магнитная или ультразвуковая дефектоскопия внутренних колец подшипников и шеек валов. Обработка, продорожка со снятием фасок и шлифовка коллекторов. Ревизия и ремонт подшипниковых узлов, щеткодержателей и их кронштейнов, траверс, крышек люков и крепежных деталей.
3.3 Технология съемки, разборки и очистки ГП-311Б
Порядок снятия тягового генератора с тепловоза.
При крупноагрегатном методе ремонта на ТР-3 тяговый генератор отсоединяют от дизеля после снятия дизель-генераторной установки с тепловоза. В ряде депо из-за отсутствия мостовых кранов грузоподъемностью 30т тяговый генератор снимают с тепловоза отдельно от дизеля. В таких случаях на тепловозах типа ТЭ10 демонтируют вентилятор охлаждения генератора с приводным редуктором и нагнетатель второй ступени с охладителем наддувочного воздуха, рассоединяют полужесткие муфты между валом якоря, коленчатым валом дизеля и промежуточного вала. Во избежание касания якоря о полюса, что может повредить изоляцию, между якорем и сердечниками полюсов прокладывают картон.
Работу ведут в такой последовательности: отсоединяют токоведущие кабели, вынимают конические штифты, отвертывают болты крепления к поддизельной раме, отжимными болтами приподнимают станину и мостовым краном снимают генератор через верхний люк кузова.
Очистка генератора.
Перед разборкой генератор в специальной камере продувают сухим сжатым воздухом, устанавливают на специальную подставку и очищают наружную поверхность от пыли и грязи обтирочными концами, смоченными в керосине, а затем вытирают насухо.
Разборка генератора.
После очистки открывают крышку 1 (рисунок 3.3) коллекторной камеры, снимают вентиляционный патрубок 21.
Рисунок 3.3 – Схема разборки тягового генератора ГП311-Б
Поднимают в щеткодержателях или совсем снимают щетки 13. Так как генератор имеет только один подшипник, а другой его конец после отсоединения от дизеля опоры не имеет и лежит на полюсах, то для его разборки применяют Г-образную скобу 4 (рисунок 3.4), которую одним концом при помощи болтов 5 крепят к фланцу вала якоря генератора, а другим поддерживают мостовым краном. Между скобой 4 и станиной генератора 3 помещают деревянную прокладку 2 для вывешивания якоря в среднем положении. Затем мостовой кран освобождают и генератор остается на подставке 1.
1 – деревянная прокладка; 2 – рым; 3 – скоба; 4 – лапы; 5 – подставка
Рисунок 3.4 – Скоба и подставка для выемки якоря генератора
После установки генератора на подставу отворачивают болты 9 (рисунок 3.3), крепящие ступицу, в подшипниковом щите, и несколько вывертывают болты, стягивающие крышки наружную и внутреннюю, выпрессовывают ступицу 10 из подшипникового щита отжимными болтами М20 и при помощи крана снимают ее с вала якоря. После этого захватывают краном Г-образную скобу, закрепленную на фланце якоря, и вынимают в горизонтальном положении якорь 5 из станины. После этого выпрессовывают подшипниковый щит 12 из станины отжимными болтами. Перед отсоединением щита от станины необходимо убедиться в наличии контрольных рисок на щите и станине, если их нет – нанести.
Очистка якоря генератора.
Якорь генератора помещается в паровое облако. В результате конденсации растворитель оседает на холодной поверхности, входит в химическую реакцию с загрязнением и смывает его.
Очистку якоря тягового генератора проведем парами растворителя раствором «Перхлорэтилен», При температуре 121 0С. Очистка производится до достижения якоря температуры кипения раствора. В этом случае происходит наиболее глубокая очистка, испарение воды и сушка.
При очистке необходимо строго выдерживать температуру раствора, что в противном случае приводит к его разложению.
Рисунок 3.5 – Установка для очистки изоляции в парах растворителя
Основным преимуществом очистки в парах растворителя является очистка внутренних частей якоря, куда струя раствора попасть не может.
3.4 Технология контроля состояния деталей и устранение дефектов
Карта технических требований на ремонт коллектора (таблица 3.1) и карту технических требований на ремонт узла (таблица 3.2).















