Диплом (1229661), страница 7
Текст из файла (страница 7)
Календарный план разрабатывается в следующей последовательности:
- заготовить временную сетку;
- нанести на временную сетку перерывы на обед и другие технологические перерывы;
- нанести на временную сетку события и операции сетевого графика;
- записать над каждой операцией, принятую оценку контингента исполнителей;
- записать под каждой операцией ее продолжительность.
Календарный план производственного процесса ремонта ТА представлен на рисунке 2.5.
Рисунок 2.5 – Календарный план производственного процесса ремонта ТА
3 Разработка технологического процесса ремонта топливного насоса высокого давления дизеля д49
3.1 Описание конструкции топливного насоса высокого давления
Топливный насос высокого давления (ТНВД) предназначен для подачи топлива в форсунку и устанавливается на лотке. Плунжер насоса перемещается толкателем от кулачка распределительного вала [5].
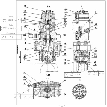
Топливный насос представленный на рисунке 3.1 состоит из корпуса 1, в котором установлена втулка 15 с плунжером 16 и корпус 7 нагнетательного клапана с клапаном 8. Втулка плунжера и корпус клапана закреплены в корпусе насоса штуцером 11. Втулка плунжера зафиксирована в определенном положении винтом 20.
Пропуск топлива между корпусом клапана и втулкой плунжера, а также между корпусом клапана и штуцером исключается чисткой и точностью обработки сопряженных поверхностей, а по зазору между корпусом насоса и штуцером установкой резинового кольца 9. Положение штуцера фиксируется с помощью фланца 10 путем затяжки шпилек 14.
Во втулке плунжера имеются два отверстия Е – для подвода и для отсечки топлива. На головке плунжера расположены верхние и нижние отсечные кромки Ж, обеспечивающие регулировку количества подаваемого топлива в цилиндры при повороте плунжера. Спиральные отсечки кромки на плунжере расположены таким образом, что при движении рейки в корпус насоса подача топлива уменьшается, а при выдвижении увеличивается.
На цилиндрической поверхности плунжера имеются две кольцевые канавки. Широкая канавка при любом рабочем положении плунжера по высоте соединена через наклонное отверстие Л во втулке с полостью всасывания насоса, что исключает протечку топлива вдоль плунжера в масляную систему.
На втулку плунжера установлен зубчатый венец 3, в пазы которого с незначительным зазором входит ведущий поводок плунжера.
Рисунок 3.1 – Топливный насос высокого давления дизеля Д49: 1 – корпус насоса; 2 – тарелка нижняя; 3 – венец зубчатый; 4,18 – пружины; 5 – тарелка верхняя; 6 – болт; 7 – корпус нагнетательного клапана; 8 – клапан; 9,17 – кольца уплотнительные; 10,30 – фланцы;
11 – штуцер; 12 – гайка; 13 – шайба; 14 – шпилька; 15 – втулка плунжера; 16 – плунжер;
19 – фиксатор; 20 – винт; 21 – прокладки регулировочные; 22 – корпус толкателя; 23 – ось ролика; 24 – винт стопорный; 25 – втулка; 26 – ролик; 27 – крышка; 28 – рейка; 29 – колпак; Г – отверстие для слива масла; Д – полость высокого давления; Е – отверстие для подвода масла к толкателю; К – размер установочный; Л – отверстие дренажное; М – полость низкого давления; Н – размер; П – поверхность маркировки толщины прокладок; Р – торец рейки
В зацеплении с зубчатым венцом находится рейка 28, установленная в корпусе насоса, посредством которой механизм управления топливными насосами поворачивает плунжер. Рейка 28 с одной стороны закрыта крышкой 27, а с другой - фланцем 30 с резиновым гофрированным колпаком 29.
Зубчатый венец удерживается на втулке плунжера верхней тарелкой 5, прижатой к корпусу насоса пружиной 4. Вторым торцом пружина 4 опирается на нижнюю тарелку 2, установленную на плунжер и опирающуюся в корпус 22 толкателя.
Установка размера К производится при регулировании насоса по производительности на стенде изменением положения рейки и прокладок под болтом 6.
В нижней части корпуса размещен толкатель, состоящий из корпуса 22, оси 23, втулки 25, ролика 26, фиксатора 19 и пружины 18. Фиксатор 19 удерживает ось 23 углового и осевого перемещения. Толкатель от выпадания при транспортировке и монтаже насоса удерживает стопорный винт. В лотке 1 насоса уплотняется резиновыми кольцами 17.
Прокладками 21 регулируется равномерность угла опережения подачи топлива по цилиндрам.
Для обеспечения одинаковых углов начала подачи топлива до ВМТ по всем цилиндрам дизеля необходимо, чтобы зазор между плунжером и корпусом нагнетательного клапана при верхнем крайним положении плунжера был одинаковым у всех насосов. Указанный зазор, а следовательно, и угол начала подачи топлива устанавливаются набором регулировочных стальных прокладок 21 между опорными поверхностями фланца корпуса 1 насоса и лотком.
Определение необходимой толщины регулировочных прокладок производится на стенде предприятия-изготовителя, этот размер набора прокладок в мм выбирается на поверхности П корпуса насоса.
Трущиеся поверхности корпуса толкателя 22, ролика 26 и втулки 25 смазывают маслом, поступающим из канала лотка в отверстие И. Из насоса масло сливается в лоток по двум отверстиям Г.
3.2 Условия работы топливного насоса высокого давления
Топливный насос высокого давления работает в жестких условиях. Так как ТНВД: закреплен непосредственно на дизеле его детали подвержены большой вибрации; расположен в непосредственной близости от цилиндропоршневой группы, то он находится в зоне высоких температур, из-за чего корпус насоса может испытывать термические деформации. Работа топливного насоса высокого давления заключается в подаче топлива к форсунке, то есть детали плунжерной пары и нагнетательного клапана взаимодействуют с дизельным топливом. При некачественной очистке топлива вместе с ним могут поступать абразивные частицы и вода, что в свою очередь приводит к абразивному и коррозийному износам деталей плунжерной пары и нагнетательного клапана. Так же плунжерная пара и нагнетательный клапан подвержены такой неисправности как потеря подвижности, вызванная отложением смол.
Детали ТНВД испытывают большие динамические нагрузки, что так же приводит к неисправности деталей и как следствие насоса в целом.
3.3 Съемка, разборка и очистка топливного насоса высокого давления
3.3.1 Съёмка топливного насоса высокого давления
Снятие с дизеля производится в следующей последовательности [5]:
а) открепить топливопровод высокого давления от насоса и форсунки и закройте заглушками отверстия топливопровода высокого давления, штуцеры насоса и отвода и подвода топлива к форсункам;
б) отвернуть болты крепления фланцев труб подвода топлива, у снимаемого, и у соседних насосов. Сдвиньте трубы внутрь соседних топливных насосов;
в) ключом Д49.181.35-1. открепите топливный насос от лотка, снимите гайки и шайбы. Установите на шпильки крепления насоса опоры приспособлением Д49.181.189спч и наверните на штуцер насоса тягу. Удерживая приспособления рукой и вращая верхнюю гайку на тяге, выпрессуйте насос из лотка и снимите его с дизеля;
г) снимите с корпусов насосов уплотнительные кольца и регулировочные прокладки, прикрепите к ним бирки, на которые укажите номер снятого насоса и номер цилиндра;
д) отверстия подвода в насос топлива закройте заглушками.
3.3.2 Очистка топливного насоса высокого давления
В процессе эксплуатации топливный насос подвергается загрязнениям таким как нагар, образованию жировой пленки и другим видам загрязнений [6].
Перед тем как начинать осмотр и последующий ремонт, топливные насосы очищаются, причем дважды – на дизеле, и на рабочем месте. Плунжерные пары и нагнетательные клапаны перед осмотром и дальнейшем ремонте не распариваются, так как они могут не подлежать замене и промываются в осветленном керосине в отдельной емкости, и обдувается воздухом, так как протирать ветошью данные детали запрещается.
3.3.3 Разборка топливного насоса высокого давления
Разборочные работы производят исправным инструментом и приспособлением обеспечивающими сохранность деталей при демонтаже. Перед началом ремонта насоса высокого давления, производят повторную очистку (так как предварительная очистка обеспечивает чистоту на рабочем месте).
Разборка производится в следующей последовательности (рисунок 3.2):
а) установите насос толкателем вверх в приспособления Д49.181.59спч-1;
б) выверните стопорный винт и снять толкатель;
в) снимите плунжер вместе с пружиной и нижней тарелкой. Снимаем нижнюю тарелку с плунжера. Снимаем верхнюю тарелку и зубчатый венец;
г) переставляем насос в приспособлении штуцером вверх и отворачиваем гайки крепления фланца. Снимаем шайбы и фланец;
д) снимаем штуцер вместе с резиновым кольцом с помощью приспособления Д49.181.11спч-1;
е) выворачиваем винт и вынимаем втулку плунжера вместе с нагнетательным клапаном.
Рисунок 3.2 – Схема разборки ТНВД дизеля Д49
Примечание: выводить из зацепления венец и рейку и вывинчивать контрольный болт без последующей регулировки насоса не допускается. Спаренную деталь такую как плунжерную пару не распаривают, её проверка, и мойка происходит отдельно в частности с помощью ультразвука. Регулировочные пластинки, маркировку насосов и прокладки записываются.
3.3.4 Очистка деталей топливного насоса высокого давления
Очистку плунжерной пары производим с помощью ультразвука, в специально предназначенной для этого установке показано на рисунке 3.3 [6].
Рисунок 3.3 – Установка для очистки деталей ультразвуком: 1 – магнитострикционный преобразователь; 2 – мембрана преобразователя; 3 – ванна с моющим раствором; 4 – отчищаемая деталь; 5 – щит управления
При этом способе у очищаемых поверхностей деталей создается интенсивное колебание раствора за счет ударных волн, возникающих при пропускании через раствор ультразвука.
Детали, подлежащие очистки, погружаются в ванну с моющим раствором Лабомид-203, концентрация 25–35 г/м3, температура 80–90 оС. Под действием ультразвука в растворе образуются области сжатия и разрежения, распространяющиеся по направлению ультразвуковых волн. В зоне разрежения, на границе между поверхностью детали и жидкостью, образуется полость куда под действием местного давления из опор капилляров выталкиваются раствор и загрязнения. Через полупериод колебания в том же месте образуется область сжатия, в результате пузырек захлопывается, происходит гидроудар, способный создавать большое местное давление, намного превышающее исходное, вызванное распространением ультразвуковых колебаний. Это явление сопровождается характерным шумом. Благодаря большой частоте ультразвуковых колебаний эти процессы повторяются до 20000 раз в секунду. Под действием раствора и гидроударов жировая пленка на поверхности детали разрушается, загрязнения превращаются в эмульсию и уносятся вместе с раствором. Скорость и качество очистки зависит от химической активности и температуры раствора, а так же удельной мощности ультразвука.
В данном процессе очистки присуще ряд преимуществ: более высокое качество по сравнению с другими способами очистки, значительно меньшая продолжительность процесса; очистка легко может быть механизирована.
Так же с помощью ультразвука производят очистку более мелких деталей такие как: пружинки, крепежные детали, нагнетательный клапан, нажимной штуцер.
3.4 Контроль состояния деталей топливного насоса высокого давления и методы их устранения
В данном разделе дипломного проектирования разрабатывается ремонт «слабой» детали – плунжер. С этой целью составляется карту на дефектацию детали представленная в таблице 3.1. Технологическая карта на ремонт других деталей ТНВД приведена в таблице 3.2. В картах указывается все возможные дефекты, способы их выявления и устранения [7].
Таблица 3.1 – Карта технических требований на дефектацию плунжера
|
| Деталь | |||||
| Плунжер | ||||||
| Материал | Твердость | |||||
| ШХ15 | HRC>58-60 | |||||
| Возможные дефекты | Способ установ. дефекта инструм. | Размер, мм | Заключение | |||
| Н | Д | П | ||||
| 1. Задир и схватывание плунжера | Визуальный осмотр | Не допускается | Браковать | |||
| 2. Коррозия | Визуальный осмотр | Не допускается | Браковать | |||
| 3. Разрушение спиральных и торцевых кромок | Визуальный осмотр | Не допускается | Браковать | |||
| 4. Абразивный износ | Визуальный осмотр | Не допускается | Браковать | |||
| 5. Потеря подвижности | Вход плунжера во втулку должен быть 1/3 длины плунжера | Не допускается | Совместная притирка плунжера и втулки притирочной пастой | |||
| 6. Износ плунжера | Стенд проверки плотности | 5–9 с. | Не менее 2 с. | Менее 2 с. | Восстановить осталванием | |
Таблица 3.2 – Технологическая карта на ремонт других деталей ТНВД
| Деталь | Дефект | Способ выявления дефекта, инструмент | Размер, мм | Способ устранения дефекта | Технология устранения дефекта | |||||
| Номинальный | Допустимый | Предельный | ||||||||
| 1 | 2 | 3 | 4 | 5 | 6 | 7 | 8 | |||
| Корпус насоса | Трещина | Магнитная дефектоскопия | Не допускается | Браковать | Заменить | |||||
| Срыв резьбы | Визуально. Калибр | М45×2 | М45×2 | М45×2 | Браковать | Заменить | ||||
| Износ между корпусом и рейкой | Щуп | Зазор | Браковать | Заменить | ||||||
| 0,1 |
| >0,1 | ||||||||
| Шероховатость или неплоскостность торцов ниже чертежных | Визуально с помощью интерференционного измерения | - | 3 интерференционных полол | >3 интерференционных полол | Восстановить | Притереть пастами | ||||
| Нагнетательный клапан | Трещина | Магнитная дефектоскопия | Не допускается | Браковать | Заменить | |||||
Продолжение таблицы 3.2
| 1 | 2 | 3 | 4 | 5 | 6 | 7 | 8 | ||||
| Задиры | Визуально | Не допускается | Браковать | Заменить | |||||||
| Местные сопротивления препятствующие перемещению клапана в корпусе | Визуально | Не допускается | Восстановить | Растереть пастой окиси алюминия | |||||||
| Увеличение хода нагнетательного клапана | Микрометр | 1,5+0,2 | 1,5+0,3 | >1,8 | Восстановить | Заменить упор на новый большей толщины | |||||
| Увеличение времени подъема | Создать давление 2–4 кгс/см2 | Ширина пояска | Восстановить | Заменить пружину клапана | |||||||
| 0,4 |
| >0,4 | |||||||||
| Конусный уплотнитель | Потеря герметичности | Проверить в 3-х положениях сжатым воздухом под давлением 4–7 кгс/см2 в течении 10 сек | Не допускается | Восстановить | Притереть конус клапана в корпусе пастами или шлифовать конус клапана и детали притереть друг к другу | ||||||
Окончание таблицы 3.2
| 1 | 2 | 3 | 4 | 5 | 6 | 7 | 8 | ||
| Толкатель | Трещины | Магнитная дефектоскопия | Не допускается | Браковать | Заменить | ||||
| Местная выработка на торце упора толкателя | Штангенциркуль | Глубина | Браковать | Заменить | |||||
| - |
| >0,3 | |||||||
| Втулка | Трещины | Магнитная дефектоскопия | Не допускается | Браковать | Заменить | ||||
| Задиры | Визуально | Не допускается | Восстановить | Притереть пастами | |||||
| Ось | Браковать | Заменить | Браковать | Заменить | Браковать | ||||
3.5 Комплектование и сборка топливного насоса высокого давления
0,1














