4 ПЗГанзевич (1221099), страница 8
Текст из файла (страница 8)
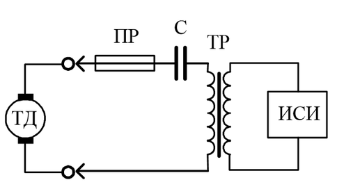
Рисунок 3.9 – Схема подключения устройства А-1939 к ТЭД
Значительный интерес для эксплуатации представляют методы, позволяющие проводить точное позиционирование щеток на неработающем двигателе. С этой целью во ВНИИЖТ и ПКБ ЦТ разработано специальное переносное устройство А-1938, принцип работы которого основан на наличии трансформаторной связи между обмотками главных полюсов и якоря. С помощью данного устройства к обмоткам возбуждения ТЭД подводится переменное напряжение
такой величины, чтобы ток в обмотке главных полюсов составлял несколько ампер. Благодаря наличию трансформаторной связи в обмотках якоря ТЭД наводится слабая ЭДС, усиливаемая в измерителе напряжения и регистрируемая с помощью встроенного стрелочного указателя [5].
4 ОПРЕДЕЛЕНИЕ ЭКОНОМИЧЕСКОЙ ЭФФЕКТИВНОСТИ ПРИ ВНЕДРЕНИИ ТЕХНИЧЕСКИХ РЕШЕНИЙ
4.1 Общая характеристика показателей оценки экономической эффективности технических решений
На сегодняшний день проблема неплановых ремонтов составляет одну из самых крупных проблем РЖД. В предыдущем разделе было предложено уменьшить количество неплановых ремонтов путем увеличения персонала в ремонтных цехах. А именно, найм одного слесаря 3 разряда для того, чтобы он контролировал и в последствии отбраковывал детали, которые имели низкий уровень надежности или были близки к поломке.
В этом разделе мы рассчитаем экономическую эффективность и экономический эффект, для того чтобы, обосновать наше внедрение.
Экономический эффект – разность между результатами деятельности хозяйствующего субъекта и произведенными для их получения затратами на изменения условий деятельности. Различают положительный и отрицательный экономический эффект [6].
Положительный экономический эффект достигается в случае, когда результаты деятельности предприятия (продукт в стоимостном выражении) превышают затраты. Этот эффект называется прибылью.
Если затраты превышают результаты, имеет место отрицательный экономический эффект, то есть убыток [6].
Экономическая эффективность – это результат, который можно получить, соизмерив показатели доходности производства по отношению к общим затратам и использованным ресурсам. Если первый показатель выше по сравнению со второй составляющей, значит цель достигнута, все потребности удовлетворены. Если противоположная ситуация, значит экономического эффекта не наблюдается и предприятие несет убытки. Суть экономической эффективности состоит в том, чтобы из доступных предприятию ресурсов получать больше результатов производства, окупив затраты на приобретение ресурсов [7].
4.2 Определение затрат на внедрение и реализацию технического решения
При выполнении ТР3 производится неразрушающий контроль в виде полной проверки ТЭД, т.к. производится полная разборка, а при ТР2 ТЭД не разбирается. Стоимость работ составляет 769651 руб. Поскольку наибольшее количество неплановых ремонтов приходится на ТР3, было предложено добавить слесаря на ТР2.
Слесарь 3 разряда на ТР2 для проверки ТЭД будет осуществлять следующие трудовые функции:
- проверку искрения в коллекторных машинах визуально;
- проверку искрения в коллекторных машинах с помощью устройства А – 1939;
- проводить точное позиционирование с помощью устройства А – 1938;
- проводить контроль изоляции.
В случае служебной необходимости слесарь 3 разряда может привлекаться к выполнению своих обязанностей сверхурочно.
Поскольку у нас будет повременная оплата труда, а на ТР2 локомотив стоит трое суток, то время работы слесаря для одного ТР2 составляет 24 ч.
Расчет проводился по тарифной системе оплаты труда повременной формы. Заработная плата слесаря определяется по формуле:
, (4.1)
где
– тарифная заработная плата слесаря, руб;
– надбавка по районному коэффициенту, руб;
– премиальное вознаграждение, руб.
, (4.2)
где
– часовая тарифная ставка по 3 разряду, 62,03руб. При минимальной тарифной ставке в ОАО «РЖД», взятой с тарифной сетки ОАО «РЖД с 1.03.2017 г – 45,95 руб;
– месячная норма времени, 24 ч.
руб.
Надбавка по районному коэффициенту определяется по формуле:
, (4.3)
где
– районный коэффициент, предусмотренный законодательством Российской Федерации (30 %).
руб.
Премиальные вознаграждения определяется по формуле:
, (4.4)
где
– 25% от заработной платы.
руб.
Подставив численные значения в формулу (4.1), получим:
руб.
4.3 Экономический эффект от внедрения
Экономический эффект добавлении слесаря 3 разряда заключается в том, что будет проводиться проверка ТЭД на наличие искрения в коллекторах, что приведёт к дальнейшему исчезновению неисправностей и, как следствие, уменьшению неплановых ремонтов.
Экономический эффект рассчитывается по формуле
, (4.5)
где
– затраты на неплановый ремонт единицы продукции с помощью базового варианта технологии, руб;
– затраты на ремонт или проверку продукции с помощью новой технологии, руб;
Стоимость работ по ТР2 возрастает на сумму заработной платы слесаря 3 разряда.
Таким образом, новые приведенные затраты на ремонт составляют:
, (4.6)
где
– сумма затрат на ТР2;
руб.
– будет складываться из стоимости ремонта на ТР2 и суммы затрат на неплановый ремонт,
. (4.7)
где
сумма затрат на неплановый ремонт, равна 489623 руб;
Затраты на неплановый ремонт составляют:
руб.
Подставим значения в формулу (4.5) и найдем экономический эффект:
руб.
4.4 Вывод о целесообразности внедрения технического решения
На данный момент есть проблема неплановых ремонтов на ТР-3. Чтобы уменьшить количество ремонтов, мы нашли самый слабый узел на всем интервале. Этим узлом является тяговый электродвигатель. Дальнейший расчет строился на том, что нужно проверять ТЭД до того, пока он не дошел до ТР-3. Было решено внедрить дополнительные работы на ТР-2, но, поскольку, время ремонта нормировано, нужно добавить одного слесаря, чтобы он выполнял проверку ТЭД.
Как видно из расчетов, на неплановый ремонт уходят намного больше затрат, чем на усиленный ТР-2. Мы добавили одного слесаря 3 разряда и рассчитали его заработную плату, составившую 2307,52 руб. за 24 ч Экономический эффект усиления ТР-2 позволит получить эффект в сумме более 480000 руб, что подтверждает целесообразность внедрения предложения.
5 БЕЗОПАСНОСТЬ ЖИЗНЕДЕЙТЕЛЬНОСТИ
5.1 Система охраны труда в депо
В соответствии с Трудовым Кодексом РК обязанности по обеспечению безопасных условий и охраны труда на предприятии возлагаются на работодателя [8].
Работодатель обязан обеспечить:
- безопасность работников при эксплуатации зданий, сооружений, оборудования, осуществлении технологических процессов, а также применяемых в производстве сырья и материалов;
- применение средств индивидуальной и коллективной защиты работников;
- соответствующие требованиям охраны труда условия труда на каждом рабочем месте;
- режим труда и отдуха работников в соответствии с законодательством РК;
- приобретение за счет собственных средств и выдачу специальной одежды, специальной обуви и других средств индивидуальной защиты, смазывающих и обезвреживающих средств в соответствии с установленными нормами работникам, занятым на работах с вредными или опасными условиями труда, а также на работах, выполняемых в особых температурных условиях или связанных с загрязнением;
- обучение безопасным методам и приемам выполнения работ, инструктаж по охране труда, стажировку на рабочих местах работников и проверку знаний требований охраны труда, недопущение к работе лиц, не прошедших в установленном порядке указанные обучение, инструктаж, стажировку и проверку знаний требований охраны труда;
- организацию контроля за состоянием условий труда на рабочих местах, а также за правильностью применения работниками средств индивидуальной и коллективной защиты;
- проведение аттестации рабочих мест по условия труда с последующей сертификацией работ по охране труда на предприятии;
- проведение за счет собственных средств обязательных предварительных (при поступлении на работу) и периодических (в течение трудовой деятельности) медицинских осмотров (обследований) работников, внеочередных медицинских осмотров (обследований) работников по их просьбам в соответствии с медицинскими рекомендациями с сохранением за ними места работы (должности) и среднего заработка на время прохождения указанных медицинских осмотров;
- недопущение работников к выполнению ими трудовых обязанностей без прохождения обязательных медицинских осмотров, а также в случаях медицинских противопоказаний;
- информирование работников об условиях и охране труда на рабочих местах, о существующем риске повреждения здоровья и полагающихся им компенсациях и средствах индивидуальной защиты;
- предоставление органам государственного управления охраной труда, органам государственного надзора и контроля за соблюдением требований охраны труда информации и документов, необходимых для осуществления ими своих полномочий [9];
- принятие мер по предотвращению аварийных ситуаций, сохранению жизни и здоровья работников при возникновении таких ситуаций, в том числе по оказанию пострадавшим первой помощи;
- санитарно-бытовое и лечебно-профилактическое обслуживание работников в соответствии с требованиями охраны труда;
- беспрепятственный допуск должностных лиц органов государственного управления охраной труда, органов государственного надзора и контроля за соблюдением требований охраны труда, органов Фонда социального страхования, а также представителей органов общественного контроля в целях проведения проверок условий и охраны труда на предприятии и расследования несчастных случаев на производстве и профессиональных заболеваний [9];
- выполнение предписаний должностных лиц органов государственного надзора и контроля за соблюдением требований охраны труда и рассмотрение представлений органов общественного контроля в установленные законодательством сроки;
- обязательное социальное страхование работников от несчастных случаев на производстве и профессиональных заболеваний;
- ознакомление работников с требованиями охраны труда;















