Введение и Теор.ч. - 1 (34стр.) (1220927), страница 3
Текст из файла (страница 3)
Удлинительные телескопические секции стрелы представляют собой трубы шестигранного сечения, каждая из которых имеет меньшее сечение, чем предыдущая. К концевым частям каждой секции приварены проушины для крепления цилиндров выдвижения секции и подвески грузозахватных приспособлений. В корневой части каждой секции установлены скользуны для уменьшения сил трения.
Гидробак представляет собой герметичную емкость сложной формы с рабочей жидкостью, снабженную фильтром низкого давления, сапуном, смотровым окном, выполненным как одно целое с указателем температуры рабочей жидкости, и всасывающим трубопроводом с шаровым краном. Для слива рабочей жидкости гидробак имеет сливную пробку. Как правило, бак установлен непосредственно на основании КМУ и расположен выше всасывающего патрубка гидронасоса.
Общее устройство крано-манипуляторной установки представлено на рисунке 13.
Рисунок 13 – Схема устройства крано-манипуляторной установки:
1 – пульт управления; 2 – крепежные шпильки; 3 – поворотный цилиндр опоры; 4 – неповоротный цилиндр опоры; 5 – балка опор; 5а - телескопическая балка опор; 6 – фиксатор балки опор ручного выдвижения; 7 – бак гидравлический с указателями температуры и уровня масла; 8 – механизм поворота; 9 – основание крана; 10 – колонна крана; 11 – главный цилиндр подъема; 12 – верхнее сидение с пультом управления; 13 – траверса; 14 – лебедка; 15 – главная стрела; 16 – цилиндр дополнительной стрелы; 17 – цилиндр выдвижения гидравлических выдвижных секций стрелы; 18 – дополнительная стрела; 19 – гидравлическая выдвижная секция стрелы; 20 – механическая секция удлинителя стрелы; 21 – грузовой крюк; 22 – ПДУ; 23 – балансир.
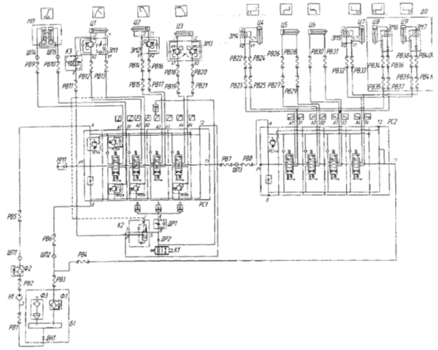
Одним из самых важных элементов КМУ является гидравлическая система, при помощи которой и осуществляются рабочие процессы установки (рисунок 14).
Рисунок 14 – Принципиальная гидравлическая схема КМУ
Гидравлическая система КМУ обеспечивает выдвижение и поворот опор, установку автомобиля на опоры, подъем, опускание стрел и поворот КМУ, и включает в себя:
- гидробак со встроенным фильтром низкого давления;
- магистральный фильтр высокого давления;
- гидрораспределители для управления КМУ и опорами;
- гидроцилиндры с гидрозамками и клапанами удержания груза;
- трубопроводы и рукава высокого давления (РВД).
Перечень гидрооборудования по принципиальной гидравлической схеме приведен в таблице 3.
Таблица 3 – Гидрооборудование принципиальной гидравлической схемы КМУ
| Обозначение | Наименование | Кол-во |
| Б1 | Бак в сборе | 1 |
| ВН1 | Кран КШИ | 1 |
| ДопОп | Дополнительные опоры | 2 |
| ДР1 | Дроссель с обратным клапаном 9Р4008 | 1 |
| ДР2 | Дроссель БЖ 00.04 | 1 |
| ЗМ1-ЗМ7 | Гидрозамок | 7 |
| К1-К3 | Клапан | 3 |
| МП | Механизм поворота | 1 |
| Н1 | Гидронасос 310.3 | 1 |
| НМ1 | Ниппель-манометр | 1 |
| РВ1-РВ41 | Рукав высокого давления | 41 |
| РС1, РС2 | Распределитель | 2 |
| Ф1, Ф2 | Фильтр | 2 |
| Ц1-Ц9 | Цилиндр подъемный | 9 |
| ШП1-ШП5 | Штуцер поворотный | 5 |
Гидравлический привод КМУ выполнен по одноконтурной открытой схеме. Для выполнения всех рабочих операций, при установке крана-манипулятора на выносные опоры, а также для приведения его в транспортное и рабочее положение используются гидроцилиндры.
Рабочая жидкость из гидробака Б1 насосом Н1 через фильтр высокого давления Ф2 подается к гидрораспределителю РС1, затем к гидрораспределителю выносных опор РС2, и далее, через фильтр низкого давления Ф1 сливается обратно в гидробак Б1.
Гидрораспределители РС1 и РС2 работают последовательно от насоса Н1. Гидрораспределитель РС1 предназначен для управления гидроцилиндрами поворота колонны МП, подъема и опускания первой Ц1 и второй Ц2 стрелы и телескопирования выдвижной секции второй стрелы ЦЗ.
Гидрораспределитель РС2 предназначен для управления гидроцилиндрами выдвижения и установки выносных опор Ц4, Ц5, Ц6, Ц7 (Ц8, Ц9 при их наличии).
Рабочие органы гидравлической системы сообщаются между собой посредством рукавов высокого давления и жестких трубопроводов.
При нажатом клапане К1 возможно опускание второй стрелы для снятия режима перегрузки, остальные движения заблокированы:
- главными клапанами ограничения рабочего давления, встроенными в каждый гидрораспределитель и определяющими рабочее давление;
- клапанами ограничения давления, работающими при следующих режимах: опускание первой стрелы; поворот колонны; выдвижение секции телескопирования;
- гидроклапанами тормозными на гидроцилиндрах подъема и опускания первой ЗМ1 и второй стрелы ЗМ2, и телескопирования выдвижной секции второй стрелы ЗМЗ, служащими для удержания груза в поднятом состоянии и ограничения давления в гидроцилиндрах первой и второй стрелы и механизмов телескопирования;
- гидрозамками на гидроцилиндрах подъема и опускания выносных опор ЗМ4 и ЗМ5;
- дросселями, ограничивающими скорость поворота колонны в крайних угловых положениях.
Для заправки в гидробак рабочей жидкости имеется заливная горловина с фильтром ФЗ.
Все гидроцилиндры двухстороннего действия. При подаче жидкости в поршневую полость шток гидроцилиндра выдвигается, а жидкость из штоковой полости вытесняется в бак, и наоборот.
Общий вид гидрооборудования КМУ приведен на рисунке 15.
Рисунок 15 – Общий вид гидрооборудования КМУ:
1 – цилиндр телескопирования; 2 – цилиндр второй стрелы; 3 – цилиндр первой стрелы; 4 – система гидроуправления стреловым оборудованием; 5 – гидробак; 6 – управление гидроцилиндрами выносных опор; 7 – механизм поворота; 8 – цилиндр выдвижения выносной опоры; 9 – гидронасос; 10 - цилиндр выносной опоры.
Для обеспечения нормальной работы гидросистемы в качестве рабочей жидкости следует применять минеральные масла в соответствии с таблицей 4.
Таблица 4 – Рабочие жидкости гидросистемы КМУ
| Узел (емкость) | Вместимость | Марка масла |
| Бак гидросистемы | От 160 л | Летнее масло - МГЕ-46В ТУ 38 001347-83 Всесезонное - ВМГЗ ТУ 38.101479-86 |
| Опорно-поворотное устройство | Около 60 л | Летнее - ТАп-15 В ГОСТ 23652 Зимнее - ТСп-10 ГОСТ 23652 |
Технические показатели гидравлического оборудования крано-манипуляторных установок имеют различные значения в зависимости от типоразмера и лежат в пределах: производительность насоса 10-50 л/мин; рабочее давление гидросистемы 20-30 МПа.
Крано-манипуляторные установки могут быть оснащены дополнительным рабочим оборудованием. Сменные рабочие органы являются специализированными грузозахватными приспособлениями, предназначенными для работы с различными типами грузов, что позволяет значительно расширить области применения гидроманипуляторов и обеспечить их высокую производительность и универсальность при использовании их в различных отраслях народного хозяйства.
Краны –манипуляторы могут быть оснащены следующими типами навесного оборудования:
-
Грейферы предназначены для работы с лесными материалами и используются для трелевки, погрузки и разгрузки, подтаскивания и штабелирования, а также для работы с металлоконструкциями, погрузки сыпучих и малосыпучих грузов, силоса и сенажа (рисунок 16)
а
) б)
в) г)
Рисунок 16 – Грейферное оборудование:
а – трелевочный; б – клещевой; в – ковшовый; г – вильчатый.
-
Захваты для рулонов используются для перемещения рулонов сенажа и иных материалов в рулонной упаковке (рисунок 17)
Рисунок 17 – Захват для рулонов сенажа ЗР-3
-
Вилочные подхваты поддонов предназначены для перемещения паллетированных грузов массой до 1,5 т (рисунок 18)
Рисунок 18 – Вилочный подхват поддонов ВП-1.00
-
Устройство грузозахватное для перемещения бордюрного камня и других предметов прямоугольного сечения (рисунок 19)
Рисунок 19 – Грузозахват для бордюрного камня УГ-1.00
-
Устройство грузозахватное для перемещения грузов имеющих отверстие (рисунок 20)
Рисунок 20 – Грузозахват для грузов имеющих отверстие УГ-2.00
1.4 Основные требования оснащения грузового автомобиля крано-манипуляторной установкой
Оснастить крано-манипуляторной установкой можно любую грузовую машину, имеющуюся в организации, будь то МАЗ, КAМАЗ, «Volvo», «Scania» или «Газель». Установка монтируется на переднюю или заднюю часть шасси.
Возникает вопрос о величине дополнительных капиталовложений в подобный проект, о сроке его окупаемости и экономической целесообразности. Экономисты фирм-поставщиков оборудования просчитали, что установка на грузовой навесного кранового оборудования влечет за собой экономию на автокране, грузчиках, сокращаются и временные затраты, поскольку подготовка КМУ к работе - дело нескольких минут. В зависимости от интенсивности эксплуатации, установка окупается от 4 месяцев до одного года.
Большой объем работ и многообразный ассортимент грузов формируют разнообразие автомобильных шасси, на которые устанавливаются КМУ. На большинство известных грузовых марок осуществляется монтаж КМУ: Volvo, MAN, Scania, Mercedes, Isuzu и многие другие. К этому списку можно смело добавить полный перечень отечественных производителей грузовых автомобилей: ГАЗ, ЗИЛ, МАЗ, КамАЗ, КрАЗ, Урал и прочие.
Многие российские предприниматели отдают предпочтение отечественным шасси в силу меньших экономических затрат на его приобретение. Такой огромный спрос на КМУ с отечественным шасси создал предпосылки для появления большого числа компаний, в том числе дилеров известных европейских производителей кранов-манипуляторов, занимающихся установкой КМУ зарубежного производства на отечественные шасси. На данный момент можно констатировать, что российский рынок КМУ в большинстве своем представлен именно такими «гибридами». КМУ на отечественном шасси находят широкое применение в лесозаготовительной отрасли, в сельском хозяйстве, используются для перевозки (эвакуации) автотранспортных средств.
Необходимо добавить, что КМУ на шасси зарубежного производства также широко представлены в нашей стране. Ряд отечественных предприятий занимается сборкой таких машин, используя краны-манипуляторы различных европейских производителей и шасси японских, китайских и корейских грузовиков.
Грейферы предназначены для работы с лесными материалами и используются для трелевки, погрузки и разгрузки, подтаскивания и штабелирования, а также для работы с металлоконструкциями, погрузки сыпучих и малосыпучих грузов, силоса и сенажа (рисунок 16)
Захваты для рулонов используются для перемещения рулонов сенажа и иных материалов в рулонной упаковке (рисунок 17)
Устройство грузозахватное для перемещения бордюрного камня и других предметов прямоугольного сечения (рисунок 19)















