ВРК (1210780), страница 10
Текст из файла (страница 10)
2. Охлаждение - водяное.
3. Габаритные размеры: длина -3650 мм, ширина - 1500 мм, высота -1900 мм;
4. Масса - 4200 кг;
5. Количество обслуживающего персонала - 1 человек.
Технические данные:
1. Электропитание установки производится от трехфазной сети переменного тока напряжением 380 В, частотой 50 Гц;
2. Номинальная мощность - 50 кВА;
3. Усилие сжатия сварочных клещей - 1000 -г- 3000 Н;
4. Частота вращения шпинделя - 0,1...20 об/мин;
5. Диаметр присадочной проволоки, не более - 2 мм;
6. Толщина присадочной ленты, не более - 0,8 мм;
7. Наибольший диаметр восстанавливаемой детали - 350 мм.
Рисунок 3.2 – Схема установки ЭКНП; 1 – узел вертикального перемещения клещевины; 2 – сварочный трансформатор; 3 – блок регулирования сварочными импульсами; 4 – электрошкаф; 5 – пневмопиноль; 6 – пневмоклапан; 7 – манометр; 8 – пульт управления электроприводом установки; 9 – поддон; 10 – гидравлический вентиль; 11 – амперметр.
Установка электроконтактной наварки УЭН—01 М03 собрана на базе токарно-винторезного станка модели Т63, дополненного узлами.
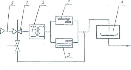
Рисунок 3.3 – Схема пневматическая; 1 – вентиль запорный муфтовый; 2 – фильтр влагоотделитель; 3 – пневмоклапан редукционный; 4 – манометр; 5 – пневмораспределитель; 7 – пневмоцилиндр; 8 (1), 8 (2) – пневмоцилиндр; 9 – линия напора.
Рисунок 3.4 – Схема гидравлическая; 1 – вентиль запорный муфтовый; 2 – трансформатор сварочный; 3 – клещевины со сварочными электродами; 4 – поддон; 5 – линия напора
3.3 Техника безопасности при работе на установке УЭН-01 МОЗ
3.3.1. К работе на установках электроконтактной наварки допускаются лица не моложе 18-летнего возраста, прошедшие специальное техническое обучение и прошедшие соответствующий инструктаж на рабочем месте.
3.3.2. Следует выполнять только ту работу, которая поручена администрацией и способы выполнения которой хорошо известны. В сомнительных случаях следует обратиться к мастеру за разъяснениями.
3.3.3. Работа на установке электроконтактной наварки характеризуется следующими опасными производственными факторами: электрический ток, сварочные брызги, механическое перемещение рабочих узлов и элементов установки.
3.3.4. Работающие на установке электроконтактной наварки должны обеспечиваться индивидуальными средствами защиты: для защиты глаз от сварочных брызг применяются защитные очки; для защиты рук при снятии наваренных деталей применяются рукавицы.
3.3.5. В целях предупреждения поражением электрическим током установка электроконтактной наварки должна быть заземлена. Сопротивление защитного заземления не должно превышать 4 Ом.
3.3.6. Устанавливать и снимать тяжелые детали (массой более 16 кг) следует только с помощью подъемных механизмов.
3.3.7. Следует обязательно выключить установку при:
- временном прекращении работы;
- перерыве в подаче электроэнергии;
- перерыве в подаче сжатого воздуха;
- перерыве в подаче охлаждающей воды;
- производстве ремонтно-наладочных работ;
- уборке, смазке и чистке станка.
3.3.8. При обнаружении неисправности оборудования, приспособлений и инструмента, а также в случаях травмирования, мастер должен быть немедленно поставлен в известность. Работа на неисправном оборудовании категорически запрещается.
3.3.9. Перед началом работы необходимо проверить наличие изолирующих деревянных подставок и диэлектрических ковриков под ногами на рабочих местах.
3.3.10. Проверить на холостом ходу установки:
- исправность органов управления (механизмов привода вращения шпинделя, продольного перемещения каретки, сжатия сварочных клещей);
- разместить шланги и электрические провода так, чтобы была исключена возможность соприкосновения их с движущими частями установки;
- при наварке проволокой проверить исправность соответствующих приспособлений и отсутствие заедания проволоки при её подаче;
- не допускать разбрызгивание охлаждающей воды на пол, отрегулировать положение трубок подачи охлаждающей воды.
3.3.11. При закреплении детали в кулачковом патроне следует захватывать кулачками деталь на возможно большую величину.
3.3.12. При наварке протяженных деталей следует пользоваться задней бабкой установки. Перед закреплением детали необходимо застопорить заднюю бабку с помощью стопорного механизма.
3.3.13. Перед закреплением деталей в центровых отверстиях следует проверять их состояние. Закреплять деталь в сработанных или забитых центровых отверстиях не допускается.
3.3.14. После закрепления детали в патроне вынуть торцевой ключ.
3.3.15. Запрещается проводить зачистку, заправку и смену электродов при включенной установке.
3.3.16. При внезапном прекращении в процессе наварки сварочных импульсов, появлении ненормального повышенного шума в сварочном трансформаторе, появлении дыма или запаха горелой изоляции следует немедленно обесточить установку, вызвать электрика.
3.3.17. При нарушении герметичности газовых и водяных магистралей немедленно прекратить работу, отключить установку, закрыть соответствующие вентили, после чего принять меры по восстановлению герметичности магистралей.
3.3.18. В случае получения травмы следует немедленно прекратить все работы, оказать пострадавшему первую медицинскую помощь и вызвать врача.
3.3.19. По окончании работ:
- выключить установку и соответствующий рубильник;
- перекрыть подачу к установке воды и сжатого воздуха;
- произвести уборку установки и рабочего места. Вытереть ветошью воду с поверхности установки, смазать трущиеся поверхности и незащищенные от воды металлические узлы установки;
- убрать инструмент и приспособления в отведенные для этой цели места.
4 РАСЧЕТ СЕБЕСТОИМОСТИ РЕМОНТА ШПИНТОНА
Себестоимость – затраты предприятия в денежном выражении на изготовление им выпускаемой продукции. В вагонном депо себестоимость рассчитывают по следующим измерителям работы: один физический вагон, проследовавший через ПТО; один вагон, отремонтированный деповским ремонтом; один физический вагон, подготовленный под погрузку.
Цеховая себестоимость включает в себя все затраты, производимые на участке и включает в себя следующие элементы:
Цеховая себестоимость определяется по формуле:
С = ( З + М + Р + Н ) / N, (4.1)
где З – фонд оплаты труда производственных рабочих;
М – стоимость материалов;
Р – расходы общие для всех отраслей хозяйства;
Н – общехозяйственные расходы;
N – годовой объем продукции в натуральном выражении.
4.1 Фонд оплаты труда
В фонд оплаты труда входят: заработная плата, выдаваемая в денежной и натуральной форме; надбавки и доплаты к тарифным ставкам; текущее и единовременное премирование; оплата ежегодных и дополнительных отпусков; единовременное вознаграждение за выслугу лет, стаж работы, доплата до фактического заработка в случае временной утраты трудоспособности.
По каждой профессии уровень тарифной ставки определяется исходя из присвоенного работнику разряда квалификации, действующей системы оплаты труда и условий труда (нормальные, тяжелые, вредные, особо тяжелые и особо вредные).
Оплата по тарифной ставке определяется по формуле:
(4.2)
где ТМ – среднемесячный фонд рабочего времени при 40-часовой рабочей неделе;
С – часовая тарифная ставка.
При расчете среднего месячного заработка должны быть учтены возможные виды доплат и премий:
а) надбавка за работу во вредных условиях труда в размере 7% от месячной тарифной ставки;
б) доплата за работу в праздничные дни, оплачивается в двойном размере (для лиц занятых круглосуточной работой, принимается в размере 2,2% от месячной тарифной ставки);
в) доплата за работу в ночное время из расчета 40% от месячной тарифной ставки за каждый час работы с 22.00 до 6.00. При этом, если в смене 50% времени приходится на ночное время, то вся смена оплачивается как ночная (для работников, занятых на круглосуточной работе принимается 20% от тарифа);
г) доплата за совмещение профессий до 30% месячной тарифной ставки по основной работе;
д) премия из фонда заработной платы. Размер премии определяется в виде процента от отдельного заработка (тарифной ставки при временной оплате труда) с учетом доплаты за совмещение профессий и работу в ночное время;
е) надбавка за непрерывный стаж работы связанный с основной деятельностью. Для ДВ ЖД данная надбавка начисляется на всю заработную плату за исключением районного коэффициента. Величина надбавки за непрерывный стаж работы: один год – 10%, три года – 20%, пять лет – 30%;
ж) надбавка по районному коэффициенту устанавливается в процентах от заработка, за исключением доплат за стаж работы (для ДВжд – 30%);
3) вознаграждение за выслугу лет производится в зависимости от стажа: 5 лет – 10%, 10 лет – 15%, 15 лет – 20%, 20 лет – 25%, более 20 лет – 30%.
Расчет фонда оплаты труда сводим в таблицу 4.1.
Таблица 4.1 - Расчёт фонда оплаты труда
| Профессия | Контингент | Разряд | Часовая тарифная ставка, руб | Месячная тарифная ставка (оклад), руб | Надбавка за работу во вредных условиях, руб | Премия*, руб | Надбавка за работу в праздничные дни, руб | Надбавка за непрерывный стаж работы, руб | Районный коэффициент, руб | Вознаграждение за выслугу лет, лет | Среднемесячная заработная плата, руб | Годовой фонд заработной платы, руб |
| Мастер участка | 1 | 11 | - | 30100 | 2107 | 9933 | - | 9030 | 9030 | 3010 | 63210 | 758520 |
| Бригадир (освобожденный) | 2 | 7 | 110,23 | 15413,46 | 1078,94 | 5086,44 | 339,1 | 4624,04 | 4624,04 | 1541,35 | 65414,74 | 784976,88 |
| Слесарь по ремонту подвижного состава | 6 | 5 | 96,62 | 13510,37 | 945,72 | 4458,42 | 297,23 | 4053,11 | 4053,11 | 1351,04 | 172014 | 2064168 |
Окончание таблицы 4.1
| Профессия | Контингент | Разряд | Часовая тарифная ставка, руб | Месячная тарифная ставка (оклад), руб | Надбавка за работу во вредных условиях, руб | Премия*, руб | Надбавка за работу в праздничные дни, руб | Надбавка за непрерывный стаж работы, руб | Районный коэффициент, руб | Вознаграждение за выслугу лет, лет | Среднемесячная заработная плата, руб | Годовой фонд заработной платы, руб |
| Оператор | 2 | 3 | 21,16 | 2958,80 | 207,12 | 976,4 | 65,09 | 887,64 | 887,64 | 295,88 | 12557,14 | 150685,68 |
| Дефектоскопист | 5 | 6 | 109,89 | 15365,92 | 1075,61 | 5070,75 | 338,05 | 4609,78 | 4609,78 | 1536,59 | 163032,4 | 1956388,8 |
| Сварщик | 4 | 6 | 101,62 | 14209,52 | 994,67 | 4689,14 | 312,61 | 4262,86 | 4262,86 | 1420,95 | 120610,44 | 1447325,28 |
| Фрезеровщик | 4 | 5 | 97,73 | 13665,58 | 956,59 | 4509,64 | 300,64 | 4099,67 | 4099,67 | 1366,56 | 115993,4 | 1391920,8 |
| Токарь | 2 | 5 | 97,73 | 13665,58 | 956,59 | 4509,64 | 300,64 | 4099,67 | 4099,67 | 1366,56 | 57996,7 | 695960,4 |
| Итого: | 26 | 9 249 945,84 |
При условии выполнения всех ступеней системы премирования (33%).















