Пояснительная записка (1207701), страница 8
Текст из файла (страница 8)
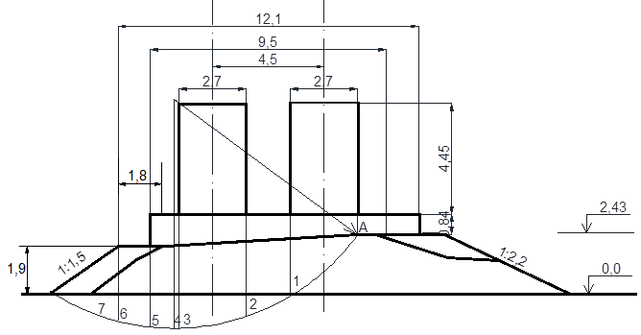
Вывод: строительная стоимость свайно-подпорной стенки получилось меньше чем для сооружения бермы.
Преимущества сооружение подпорной стенки:
- работы производятся без необходимости выделения технологических «окон»;
- небольшие размеры;
-большая несущая способность уплотненного основания.
Для дальнейшего усиления на первом участке принимаем свайно-подпорную стену из забивных свай.
4.4 Проектные решения для участка 2
Деформация земляного полотна происходит из-за осадки земляного полотна на КМ 9061 ПК10. На этом участке происходила частая досыпка щебня, что привело к зауженной площадки.
Проектными мероприятиями по ликвидации данной осадки предусматривается:
-
досыпка грунта из вагонов-думпкаров до проектных размеров;
-
сооружение водоотводных устройств, для ликвидации балластного мешка.
4.4.1 Расчет коэффициента устойчивости с устройством контрбанкета
Рис. 4.10. Расчетная схема для определения коэффициента устойчивости после досыпки
Расчет устойчивости откоса насыпи после досыпки представлен в таблицах 4.21 и 4.22.
Таблица 4.21- Расчет коэффициента устойчивости откоса насыпи с досыпкой во время засухи. Радиус кривой R = 9,18м
Таблица 4.22- Расчет коэффициента устойчивости откоса насыпи с досыпкой во время осадков. Радиус кривой R = 9,18м
Досыпка грунта до проектных размеров увеличила коэффициент устойчивости и предотвратила осадку грунта.
4.4.2 Устройство водоотводных сооружений
На втором участке из-за частых осадков произошло балластное углубление и наличие обводненного ложа проседания в основании. Негативную роль этой осадки сыграла отсыпка в летний период отвалов засорителя балласта при очистке щебня. Которые не только ухудшают условия оттока воды с основной площадки, но и перегружают верхнюю часть откоса.
Проектом данного мероприятия по ликвидации балластного «мешка», являются поперечные дренажные прорези.
Поперечные траншеи раскапываются экскаватором до 1,5 метра с шагом 5-7 метров. Далее они выстилаются геотекстилем в качестве обратного фильтра и засыпаются камнем. Все дренажные прорези устраивают с правой стороны откоса. Работы согласовываются с РЦС и другими причастными организациями.
5 ПРОЕКТИРОВАНИЕ ВОДООТВОДНОЙ КАНАВЫ
Существующие канавы на КМ 9015- КМ 9025 находятся в заиленном и заросшей растительностью состоянии. В связи с этим постоянное скопление влаги привело к заболачиванию местности. Для нормальной эксплуатации земляного полотна необходимо восстановить водоотводные канавы и устроить сбросы воды из них в ближайшие мосты или трубы.
Грунты, в пределах участка насыпи с существующими деформациями представлены на глубину до 4,0 м суглинком. Под суглинком залегает песчано-галечниковый грунт.
Минимально допустимые размеры канав, независимо от результатов расчета, принимают (с учетом удобства их содержания и исключения заиливания) следующими: наименьшая глубина – 0,6 м, наименьшая ширина по дну (после укрепления) – 0,6 м. В связных грунтах крутизна откосов принимается 1:1,5.
Расчетная схема для определения основных размеров канавы представлена на рисунке 5.1
Рис. 5.1 Поперечное сечение канавы
Низовая бровка канавы должна возвышаться над уровнем расчетного горизонта не менее чем на 0,3 м .
При гидравлическом расчете канав и лотков:
а) находят возможный и рациональный продольный профиль (уклон) дна канавы и размеры ее поперечного сечения;
б) выбирают тип укреплений (одежд) дна и откосов канавы, если средние расчетные скорости течения воды больше допускаемых.
Все протяжение канавы, трасса которой предварительно запроектирована, разбивают на участки во всех переломах профиля. Всего выделено 8 участков канавы. Для отвода воды из канавы необходимо устроить сброс воды в местах расположения мостов или труб.
Формулы для гидравлического расчета [13]
, (5.1)
где
- расход воды, пропускаемый сечением канавы,
;
- площадь живого сечения канавы,
;
- средняя скорость течения воды,
;
, (5.2)
, (5.3)
- гидравлический радиус живого сечения канавы, м
- смоченный периметр канавы, м;
, (5.4)
, (5.5)
где при m=1,5 k=3,6;
- коэффициент, определяемый по формуле Н.Н. Павловского;
n – коэффициент шероховатости поверхности откосов канавы,
; при R<1м.
Пропускная способность канавы
должна быть не менее расхода воды поступающей в канаву X
, т.е.
. (5.6)
Скорость течения воды по канаве X
не должна превышать допускаемую (неразмывающую) среднюю скорость течения воды X
, т. е.
. (5.7)
Подбор размеров канавы произведен таким, чтобы запас пропускной способности канавы не превышал 5 %. Ниже приведены расчеты окончательные, при которых выполняются условия 5.6 и 5.7.
Характеристика участка:
Грунт в месте расположения канавы – суглинок. Коэффициент шероховатости грунта n=0,02, допускаемая (неразмывающая) средняя скорость течения воды 0,95 м/с.
Участок 1
-
Длина участка X
-
=1000 м,
м3/с, m=1,5. Глубина канавы равна в начале участка 0,6 м, в конце участка 0,6 м.
, b = 0,6м;уклон дна канавы i=0,0146;
;
;
;
;
;
>X
=1,2 м/с;
> X
м3/с.
Вывод: Скорость течения воды превышает допустимую. Расходы воды, пропускаемый принятым сечение канавы больше расчетного расхода воды, поступающей на данный участок. Следовательно, укрепление канавы принимаем толщиной до 0,2 м из гальки с мелким булыжником и гравием, с размерами частиц 25–40 мм:
; n=0,03
, b = 0,6м; уклон дна канавы i=0,0146;
;
;
;
;
;
<X
=2,0 м/с;
> X
м3/с.
Вывод: глубина канавы в конце первого участка:
, уклон дна канавы 0,0146, укрепление канавы – галька крупная с булыжником и гравием.
-
Длина участка X
-
=200 м,
м3/с, m=1,5. Глубина канавы равна в начале участка 0,6 м, в конце участка 0,7 м.
Дно канавы укрепляем галькой крупной, с булыжником и гравием, размеры частиц 40–75 мм, толщиной слоя покрытия 0,2 м:
; n=0,027.
, b = 0,7м;уклон дна канавы i=0,0144;
;
;
;
;
;
<X
=2,5 м/с;
≈ X
м3/с.
Вывод: глубина канавы в конце второго участка: X
, уклон дна канавы 0,0144, укрепление канавы – галька крупная с булыжником и гравием.
-
Длина участка X
-
=200 м,
-
м3/с, m=1,5. Глубина канавы равна в начале участка 0,7 м, в конце участка 0,8 м. Дно укрепляем одиночным мощением гальки и булыжника на слое 0,15-0,25 м; X
-
=2,5-3,5м/с; n=0,02
, b = 0,8м;уклон дна канавы i=0,0093;
;
;
;
;
;
<X
=3,0 м/с;
> X
м3/с.
Вывод: глубина канавы в конце третьего участка: X
, уклон дна канавы 0,0093, укрепление канавы – галька с булыжником и гравием.
-
Длина участка X
-
=500 м,
-
м3/с, m=1,5. Глубина канавы равна в начале участка 0,8 м, в конце участка 1,2 м. Дно укрепляем галькой с мелким булыжником и гравием толщиной до 0,2 м, с размерами частиц 25–40 мм: X
-
; n=0,02
, b = 0,65м;уклон дна канавы i=0,003;
;
;
;
;
;
<X
=2,0 м/с;
> X
м3/с.
Вывод: глубина канавы в конце четвертого участка: X
, уклон дна канавы 0,003, укрепление канавы – галька с мелким булыжником и гравием.
-
Длина участка X
-
=700 м,
м3/с, m=1,5. Глубина канавы равна в начале участка 1,2 м, в конце участка 1,7 м. Укрепление канавы принимаем толщиной до 0,2 м из гальки с мелким булыжником и гравием, с размерами частиц 25–40 мм: X
-
; n=0,03.
, b = 0,65м;уклон дна канавы i=0,003;
;
;
;
;
;
<X
=1,5 м/с;
> X
м3/с.
Вывод: глубина канавы в конце пятого участка: X
, уклон дна канавы 0,003, укрепление канавы – галька с мелким булыжником и гравием.
Участок 2
Длина участка X
=400 м,
м3/с, m=1,5. Глубина канавы равна в начале участка 0,6 м, в конце участка 0,6 м. Укрепление канавы принимаем толщиной до 0,2–0,25 м из гальки с мелким булыжником и гравием, с размерами частиц 40–75 мм:
; n=0,027.
, b = 0,6м;уклон дна канавы i=0,0098;
;
;
;
;
;
<X
=2,0 м/с;
> X
м3/с.
Вывод: Скорость течения воды не превышает допустимую. Расходы воды, пропускаемый принятым сечение канавы больше расчетного расхода воды, поступающей на данный участок.
Участок 3
-
Длина участка X
-
=300 м,
-
м3/с, m=1,5. Глубина канавы равна в начале участка 0,6 м, в конце участка 0,6 м. Укрепление канавы принимаем из гальки с мелким булыжником и гравием: X
-
; n=0,02.
, b = 0,6м;уклон дна канавы i=0,003;
;
;
;
;
;
< X
=1,5 м/с;
≈ X
м3/с.















