Пояснительная записка (1207701), страница 4
Текст из файла (страница 4)
Рис. 3.7. Двухрядная свайная стена на оползне
-
Пригрузочные бермы
Берма - уступ земляного полотна, отделяющий его тело от водоотводного сооружения. Она разделяет также части откосов насыпей и выемок, имеющих различную крутизну; служит для отдаления от тела насыпи воды, текущей в водоотводной канаве или в путевом резерве, либо для отдаления от тела кавальера воды в нагорной канаве, а также способствует повышению устойчивости откосов.
Пригрузочные бермы устраивают у подошвы насыпи в виде контрбанкетов небольшой высоты, но значительной ширины; возможно ступенчатое очертание берм (рис. 3.8).
Для быстрого стока вод берму всегда планируют с уклоном 0,02-0,04 от тела земляного полотна шириной у подошвы откосов насыпи обычно 3 м (при высоте насыпи до 2 м допускается уменьшение ширины бермы до 1 м). Если насыпь построена под один путь, то со стороны будущего второго пути делают уширение на 4,1 м (стандартное междупутное расстояние).
Рис. 3.8. Укрепление откосов насыпи пригрузочными бермами: 1- пригрузочная берма; 2- бугры выпирания
4 ВЫБОР И ОБОСНОВАНИЕ ПРИНЯТЫХ РЕШЕНИЙ НА УЧАСТКАХ. СТАВНЕНИЕ ВАРИАНТОВ
При выборе мероприятий предпочтение отдавалось преимущественно тем, которые позволяли обеспечить стабилизацию земляного полотна в короткие сроки, имело наименьшую стоимость и технологичность предлагаемых мероприятий, не требовалось ремонта на содержание этого участка. При этом учитывалось безопасность осуществления работ в условиях движения поездов.
4.1 Расчет устойчивости земляного полотна без возможных укреплений
4.1.1 Расчет коэффициента устойчивости на 1 участке (КМ 9016 ПК3)
Наличие мощного балластного шлейфа, смачивание грунтовыми водами зоны контакта шлейфа с суглинистыми грунтами слагающими откосы позволяют считать развитие деформаций.
Смещение земляных масс при потере устойчивости откосов происходит по криволинейной поверхности. В глинистых грунтах поверхность, как правило, имеет чашеобразную или цилиндрическую форму.
Расчет устойчивости произведен графо-аналитическим методом для 1 пог. м длины насыпи. Устойчивость откосов земляного полотна определяется коэффициентом устойчивости Куст. Физический смысл которого заключается в отношении моментов сил, удерживающих грунт откоса от смещения Муд, к моментам сил сдвигающих его Мсдв. Моменты сил берутся относительно центра кривой смещения.
Расчет коэффициента устойчивости производится по формуле [8]
(4.1)
где
– сумма моментов удерживающих сил;
– сумма моментов сдвигающих сил;
fiNi и Cili – силы внутреннего трения и сцепления, действующие по поверхности смещения;
Тудi – тангенсальная составляющая веса частей оползающего массива, направленная против предполагаемого направления сдвига;
Тсдвi – то же, направленная в сторону предполагаемого сдвига;
сi – удельная сила сцепления грунта, Па;
li – длина основания отсека в плоскости чертежа, м.
Для каждого отсека i определяются следующие силы [8]
- вес отсека
, (4.2)
где
– площадь i-го отсека, м2;
– удельный вес грунта i-го отсека, кН/м3.
- нормальная составляющая веса отсека
, (4.3)
где
– угол наклона отсека к горизонту, град.
- тангенциальная (касательная) сила, сдвигающая отсек
, (4.4)
- сила трения
, (4.5)
где
– коэффициент внутреннего трения грунта.
, (4.6)
где
– угол внутреннего трения грунта;
Расчет устойчивости откоса насыпи выполняем по нескольким вероятным кривым сдвига. Из возможных вариантов необходимо определить такую поверхность сдвига, коэффициент устойчивости Куст по которой окажется наименьшим (Кmin). Эта задача решается построением ряда вероятных кривых сдвига и определением для них коэффициентов устойчивости.
При расчете давление о верхнего строения пути PВСП и подвижного состава Pр на основную площадку заменяются эквивалентной нагрузкой, представленной в виде столбиков высотой hВСП и hр соответственно. Высоты столбиков определяются по формулам [8]
, (4.7)
, (4.8)
где Pр – интенсивность равномерно распределенной временной нагрузки от подвижного состава;
Pвсп – то же от постоянной нагрузки от верхнего строения пути;
ср – средний удельный вес грунта насыпи.
Ширина столбика грунта с высотой hр назначена равной длине железобетонной шпалы – 2,7 м, а столбика грунта с высотой hвсп принята равной средней ширине балластной призмы.
.
В расчете устойчивости откоса принимаем исходные данные для двух периодов:
- характеристики грунта насыпи во время засухи:
удельный вес
19,1 кН/м3;
угол внутреннего трения X
190;
удельное сцепление X
17 МПа.
- характеристики грунта основания во время засухи:
удельный вес X
20,0 кН/м3;
угол внутреннего трения X
170;
удельное сцепление X
14 МПа.
- характеристики грунта насыпи во время обильных осадков:
удельный вес X
19,1 кН/м3;
угол внутреннего трения X
190;
удельное сцепление X
16 МПа.
- характеристики грунта основания во время обильных осадков:
удельный вес X
20,0 кН/м3;
угол внутреннего трения X
160;
удельное сцепление X
12 МПа.
Рис. 4.1. Схема насыпи к расчету устойчивости на КМ 9016 ПК3
В таблицах 4.1-4.3 приведены результаты расчета коэффициента устойчивости по трем поверхностям сдвига грунта во время засухи.
Таблица 4.1- Расчет коэффициента устойчивости откоса насыпи по кривой смещения А. Радиус кривой R1 = 16,93 м
Таблица 4.2- Расчет коэффициента устойчивости откоса насыпи по кривой смещения B. Радиус кривой R2 = 17,8 м
Таблица 4.3- Расчет коэффициента устойчивости откоса насыпи по кривой смещения С. Радиус кривой R3 = 18,99 м
В таблицах 4.4-4.6 приведены результаты расчета коэффициента устойчивости по трем поверхностям сдвига грунта во время обильных осадков.
Таблица 4.4-Расчет коэффициента устойчивости откоса насыпи по кривой смещения А. Радиус кривой R1 = 16,93 м
Таблица 4.5- Расчет коэффициента устойчивости откоса насыпи по кривой смещения B. Радиус кривой R2 = 17,8 м
Таблица 4.6- Расчет коэффициента устойчивости откоса насыпи по кривой смещения С. Радиус кривой R3 = 18,99 м
В результате выполненных расчетов устойчивости насыпи сделан вывод: наиболее неблагоприятный вариант по кривой смещения А, который и принимаем для дальнейшего проектирования.
4.1.2 Расчет коэффициента устойчивости на 2 участке (КМ 9061 ПК10)
Расчет устойчивости произведен графо-аналитическим методом для 1 пог. м длины насыпи. Устойчивость откосов земляного полотна определяется коэффициентом устойчивости Куст по формуле (4.1).
В расчет необходимо учесть давление от верхнего строения пути PВСП и подвижного состава Pр на основную площадку. На схеме они показываются в виде столбиков высотой hВСП и hр соответственно.
Высоты столбиков определяются по формулам (4.7, 4.8)
.
Данные о характеристиках грунтов:
- характеристики грунта насыпи во время засухи:
удельный вес X
19,1 кН/м3;
угол внутреннего трения X
170;
удельное сцепление X
12 МПа.
- характеристики грунта основания во время засухи:
удельный вес X
20,0 кН/м3;
угол внутреннего трения X
160;
удельное сцепление X
9 МПа.
- характеристики грунта насыпи во время обильных осадков:
удельный вес X
19,1 кН/м3;
угол внутреннего трения X
160;
удельное сцепление X
11 МПа.
- характеристики грунта основания во время обильных осадков:
удельный вес X
20,0 кН/м3;
угол внутреннего трения X
150;
удельное сцепление X
8 МПа.
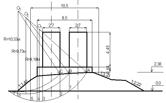
Рис. 4.2. Схема насыпи к расчету устойчивости на КМ 9061 ПК10
Все расчеты коэффициента устойчивости приведены в таблицах 4.7-4.9 для засушливого периода.
Таблица 4.7- Расчет коэффициента устойчивости откоса насыпи по кривой смещения А. Радиус кривой R1 = 9,18 м
Таблица 4.8- Расчет коэффициента устойчивости откоса насыпи по кривой смещения В. Радиус кривой R2 = 9,73 м
Таблица 4.9- Расчет коэффициента устойчивости откоса насыпи по кривой смещения С. Радиус кривой R3 = 10,33м
В таблицах 4.10-4.12 приведены результаты расчета коэффициента устойчивости во время обильных осадков.
Таблица 4.10- Расчет коэффициента устойчивости откоса насыпи по кривой смещения А. Радиус кривой R1 = 9,18 м
Таблица 4.11- Расчет коэффициента устойчивости откоса насыпи по кривой смещения B. Радиус кривой R2 = 9,73 м
Таблица 4.12- Расчет коэффициента устойчивости откоса насыпи по кривой смещения С. Радиус кривой R3 = 10,33 м
Проанализировав все результаты расчета коэффициента устойчивости сделали вывод, что по кривой смещения А минимальное значение. Для дальнейших расчетов его и принимаем.
4.2 Проектные решения для участка 1
Причиной деформации земляного полотна на 1 участке КМ 9016 ПК 3 – ПК 6 является осадка земляного полотна из-за расползания насыпи. В весеннее время года и во время проливных дождей осадка за сутки достигает 15 мм.
Еще одной причиной деформаций земляного полотна на участке является неисправное состояние водоотводной канавы, расположенной с верховой стороны от насыпи.
Проектом предусмотрены мероприятия по ликвидации причин вызывающих деформации земляного полотна с помощью различных противодеформационных мероприятий:
1) сооружение пригрузочной бермы с левой стороны от 1 пути из песчано-гравийной породы или устройство свайно-подпорной стенки с той же стороны из забивных свай;















