ВКР Осипенко (1207680), страница 9
Текст из файла (страница 9)
| 30 | |||
| Изм Лист | № докум | ||
| Подп Дата | |||
3 ПРОЕКТ ОРГАНИЗАЦИИ РАБОТ ПО КАПИТАЛЬНОМУ РЕМОНТУ ПУТИ
3.1 Общие соображения и предпосылки
Капитальный ремонт пути предназначен для полной замены выработавшей ресурс рельсошпальной решетки и восстановления несущей способности балластной призмы, и в отличие от реконструкции железнодорожного пути включает в себя только работы по верхнему строению пути, а также восстановлению водопропускной способности водоотоводов.
Виды ремонтов, их последовательность мпериодичность проведения устанавливается ремонтными схемами, регламентированными Положением [1] в зависимости от классификации и специализации линии, а также класса, группы и подгруппы пути.
Назначение работ по видам ремонтов производится по фактическому сосотоянию пути, определяемому по результатам комплексной оценки состояния пути, диагностики и генеральных осмотров пути, с учетом значений основных и дополнительных критериев [1, п. 7.1].
3.2 Определение основных параметров технологического процесса
При разработке технологических процессов руководствовались нормой расходов материалов верхнего строения пути.
Трудовые затраты на выполнения работ по ремонту пути определялись по техническим нормам, утвержденным ОАО “РЖД”, с учетом затрат труда машинистов, обслуживающих машины и механизмы.
Описание технологического процесса включает в себя: характеристику пути до и после ремонта, условия производства работ, производственный состав ПМС, организацию подготовительных, основных работ “окно” и отделочных работ, перечень потребных машин и механизмов, график основных работ в “окно”, график отделочных работ в “окно”; график выполнения работ по дням, ведомость трудовых затрат.
3.3 Технологический процесс капитального ремонта пути
Характеристика ремонтируемого пути:
- участок ремонта однопутный, неэлектрифицированный, оборудованный полуавтоматической блокировкой с шириной колеи 1067 мм;
Лист
| 31 | |||
| Изм Лист | № докум | ||
| Подп Дата | |||
-
в плане линия имеет 86,6% прямых и 10,4% кривых;
-
путь уложен на насыпях и выемках.
-
состояние пути до ремонта: рельсы типа Р65 длиной 25 м; скрепление костыльное ДО; шпалы деревянные - 1840 шт./км; балласт гравийно-песчанный и щебеночный.
-
состояние пути после ремонта: рельсы Р65; шпалы железобетонные трехниточные под совмещенную колею 1067 и 1520 мм, эпюра шпал в прямых 1600 шт/км, в кривых радиусом более 1200 и менее - 1840 шт./км; балласт – щебень твердых пород всех видов фракций 25-60, толщина слоя под шпалой не менее
20 см;
Условия производства работ
Ремонт пути выполняется с применением комплекса путевых машин, модернизированных для работы на пути и движения по колее 1067 мм.
Сборка новой рельсошпальной решетки (далее - РШР) производится на производственной базе путевой машинной станции (далее - ПМС) в соответствии с технологическим процессом. В данном технологическом процессе затраты труда в ведомости не учитываются.
Работы по ремонту водоотводных сооружений, приведению размеров ремонтной основной площадки земполотна к нормам и “лечение” больных мест земляного полотна в настоящем технологическом процессе не учитываются.
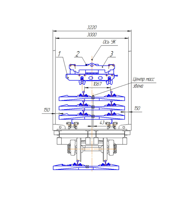
При сборке звеньев РШР с асимметричными железобетонными шпалами устанавливаются два инвентарных рельса на подрельсовые площадки колеи 1067 мм (рисунок 3.1). Строповка звена осуществляется с помощью модернизированной траверсы ТС.
Рисунок 3.1 - Схема сборки асимметричного звена
“Окна” по модернизации пути предоставляются каждый день продол-жительностью 9 часов.
Транспортируются звенья РШР для укладки в путь в количестве четырех штук на платформах, оборудованных УСО.
Лист
| 32 | |||
| Изм Лист | № докум | ||
| Подп Дата | |||
Звенья РШР снимаются путеразборочным краном УКС-25/9 и укладываются звеньями РШР длиной по 25 м с применением модернизированного путеукладочного крана УКС-25/9-18 и траверсы ТС (рисунок 3.2) (Лист №4).
1 – травкрса ТС, 2 – траверса путеукладочного крана УК, 3 – грузозахватное устройство УКС-25/9-18
Рисунок 3.2 – Схема строповки звена РШР с использованием путеукладочного крана
Перетяжка пакетов по составу и транспортировка их к крану производится платформами МПД-2С.
При укладке ассиметричной РШР ось колеи 1520 мм совмещается с осью земляного полотна.
Балластировка и выправка пути производится в 3 этапа:
-
при укладке РШР выгрузка балласта происходит из модернизированных хоппер-дозаторных вертушек (далее - ХДВ). Подъемка пути на подбалластный слой
-
его планировка выполняется электробалластером ЭЛБ (далее - ЭЛБ).
-
перед выправкой пути со сплошной подбивкой шпал выгружается балласт из
ХДВ на участке замены звеньев РШР и выполняется выправка машиной
Лист
| 33 | |||
| Изм Лист | № докум | ||
| Подп Дата | |||
ВПО-3-3000С (далее – ВПО) до 8 см, после чего выгружается балласт по торцам шпал;
- окончательная выправка машиной ВПО происходит после первой выправки пути.
По проходу комплекса машин производится отделка балластной призмы вручную.
После укладки РШР перед открытием перегона, путь приводится в состояние, обеспечивающее безопасный пропуск первых одного – двух поездов сразу после «окна» со скоростью не менее 25км/ч, а последующих – со скоростью не менее 40 км/ч. Установленная скорость для данного участка восстанавливается после завершения всего комплекса выправочно-отделочных работ.
При выполнении работ по данному технологическому процессу необходимо соблюдать требования правил технической эксплуатации железных дорог РФ [10]; инструкции по сигнализации на железных дорогах РФ [11]; инструкции по движению поездов и маневровой работе на железных дорогах РФ [12], инструкции по обеспечению безопасности движения поездов при производстве путевых работ [13]; правила по охране труда, экологической, промышленной и пожарной безопасности при техническом обслуживании и ремонте объектов инфраструктуры путевого комплекса ОАО “РЖД”.[14].
Данный технологический процесс разработан на основании утвержденного опытного технологического процесса капитального ремонта пути с укладкой рельсошпальной решетки колеи 1067 мм с асимметричными железобетонными шпалами для Сахалинской железной дороги № к092ц-06 департаментом пути и сооружений [16].
Параметры технологического процесса
В данном проекте продолжительность ”окна” равна Tокна = 9 часов на фронте
работ 700 м.
Количество звеньев, укладываемых на фронте работ за одно «окно»
| определяется по формуле | |||
| Nзв | Lфр | , | (3.1) |
| lзв | |||
где ЗВ - длина звена, м;
Lфр – длина фронта работ в «окно», м.
N ЗВ 70025 28 шт.
Лист
| 34 | |||
| Изм Лист | № докум | ||
| Подп Дата | |||
Длина каждого рабочего поезда, входящего в технологический комплекс, определяется в соответствии с длинами отдельных подвижных единиц, измеренных по осям автосцепок.
Звенья путевой решётки укладывают в пакеты по 4 звена в пакете на специальные платформы, оборудованные роликами.
Количество пакетов звеньев РШР снимаемой при ремонте путевой решетки находим по формуле
| n | N зв | ||
| n | , | (3.2) | |
| nзв | |||
где nЗВ - количество звеньев в одном пакете.
Количество специализированных платформ, оборудованных роликами для
| перевозки звеньев путевой решетки, находим по формуле | ||||||||||
| N nn | 2 | N ЗВ | , | (3.3) | ||||||
| nЗВ | ||||||||||
| Количество моторных платформ определяется по формуле | ||||||||||
| N МПД 0,1 N nn , | (3.4) | |||||||||
| Длина путеразборочного (путеукладочного) поезда определяется по формуле | ||||||||||
| Ly= Lр Nпл lпл NМПД lМПД NПТЛ lПТЛ lук lТ , | (3.5) | |||||||||
| где lпл - длина одной четырехосной платформы, lпл = 14,6 м; | ||||||||||
| lМПД - длина моторной платформы МПД , lМПД =15,0 м; | ||||||||||
| lлок - длина локомотива, lлок ТГ16 | = 15 м; | |||||||||
| lу к - длина укладочного (разборочного) крана, lу к = 48 м; | ||||||||||
| lТ - длина тяговых платофрм, lТ = 15 м. | ||||||||||
| N | 2 | 28 | 14 платформ; | N | 0,114 1 моторная платформа; | |||||
| ПП | МПД | |||||||||
| 4 | ||||||||||
Ly= Lр 14 14,6 115 115 48 2 15 313 м.
При работе путеукладочный состав разделяют на две части. Это позволяет упростить управление краном в процессе укладки путевой решётки. Первая часть путеукладочного поезда включает в себя укладочный кран, платформу прикрытия, а также три платформы, оборудованных роликами. Перемещение этой части состава производится путеукладочным краном. Вторая часть состава перемещается
















