ВКР Осипенко (1207680), страница 11
Текст из файла (страница 11)
t6 (194 100 91) 60 1,08 8 мин. 3 1000
Интервал времени t7 между окончанием выгрузки щебня и работ по подъемке пути ЭЛБ определяется по формуле
| 1 | lб LЭЛБ ) | (3.19) | |||||||
| t | 7 | | (Lхд | К | 0 | М | ЭЛБ | ; | |
| 1000 | |||||||||
где М элбп - техническая норма времени на подъемку пути ЭЛБ, маш-мин/км
( М элбп =21,50 маш-мин/км).
t7 (194 100 71) 1,08 21,50 9 мин. 1000
Интервал времени t9 от окончания работ по подъемке пути ЭЛБ и оправке балластной призмы машиной ВПО-3000 определяется по формуле
Лист
| 39 | |||
| Изм Лист | № докум | ||
| Подп Дата | |||
|
| 9 | | (Lэлб lбез LВПО ) | К | 0 | М | (3.20) |
| 1000 | |||||||
где М впо - техническая норма времени на выправку пути со сплошной подбивкой шпал, рихтовку пути и оправку балластной призмы машиной ВПО, маш-мин/км ( М впо =33,89 маш-мин/км).
t9 (71 100 53) 1,08 33,89 9 мин. 1000
Интервал времени t1 0 от окончания разрядки машины ВПО до окончания работ по выгрузке щебня из ХДВ №2 определяется по формуле
| t10 | | (L2хд lбез | LВПО ) 60 | К | ; | (3.21) | |||||
| Vхд | 1000 | 0 | |||||||||
| t | (106 100 53) 60 | 1,08 6 мин. | |||||||||
| 10 | 3 | 1000 | |||||||||
Интервал времени t1 1 от окончания работ по регулировке рельсошпальной решетки в плане до окончания работ по выправки пути машиной ВПР-02 определяется по формуле
| L1 | 4 l | L | L | L2 | L | | (3.22) | |||
| t11 | M ВПР К 0 | Э | хд | без | элб | ВПО | хд | ВПР | | ; |
| 1000 | ||||||||||
| | | |||||||||
| 194 4 100 71 53 106 23 | | ||||||
| t11 | 0,0813 1,08 1625 | | 152 | мин. | |||
| 1000 | |||||||
| | | ||||||
где M ВПР - технические нормы по выправки пути машиной ВПР-02 в местах препятствий, зарядки и разрядки ВПО-3000, ( M ВПР =0,0813 маш-мин/шпалу).
Время t1 2 необходимое для открытия перегона.
Определяем время необходимое для свертывания работ и открытия перегона для пропуска графиковых поездов
tсв=50+18+152+30=282 мин. Рассчитываем продолжительность “окна” To = 40+250+250=540 мин
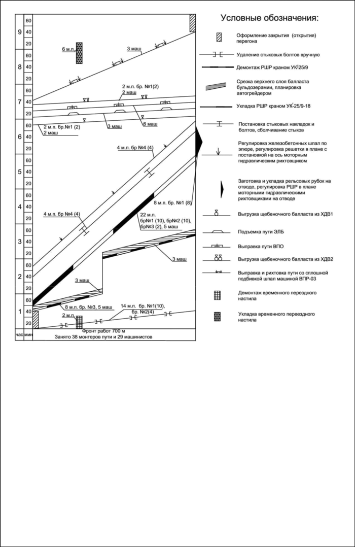
Объемы работ рассчитываем в соответствии с протяженностью фронта работ в “окно”. Затраты труда определены для каждой отдельной работы в соответствии с нормами времени на подготовительные работы, основные работы в “окно” и отделочные работы. Результаты расчетов представлены в ведомости затраты труда по техническим нормам по форме, приведенной в таблице 3.1. График основных работ в “окно” представлен на рисунке 3.4 (Лист № 6). Графики подготовительных и отделочных работ представлены на рисунках 3.5 и 3.6 соответственно (Лист № 7).
Лист
| 40 | |||
| Изм Лист | № докум | ||
| Подп Дата | |||
Лист
| 41 | |||
| Изм Лист | № докум | ||
| Подп Дата | |||
Лист
| 42 | |||
| Изм Лист | № докум | ||
| Подп Дата | |||
Лист
| 43 | |||
| Изм Лист | № докум | ||
| Подп Дата | |||
Лист
| 44 | |||
| Изм Лист | № докум | ||
| Подп Дата | |||
Рисунок 3.4 - График основных работ в “окно”
Лист
| 45 | |||
| Изм Лист | № докум | ||
| Подп Дата | |||
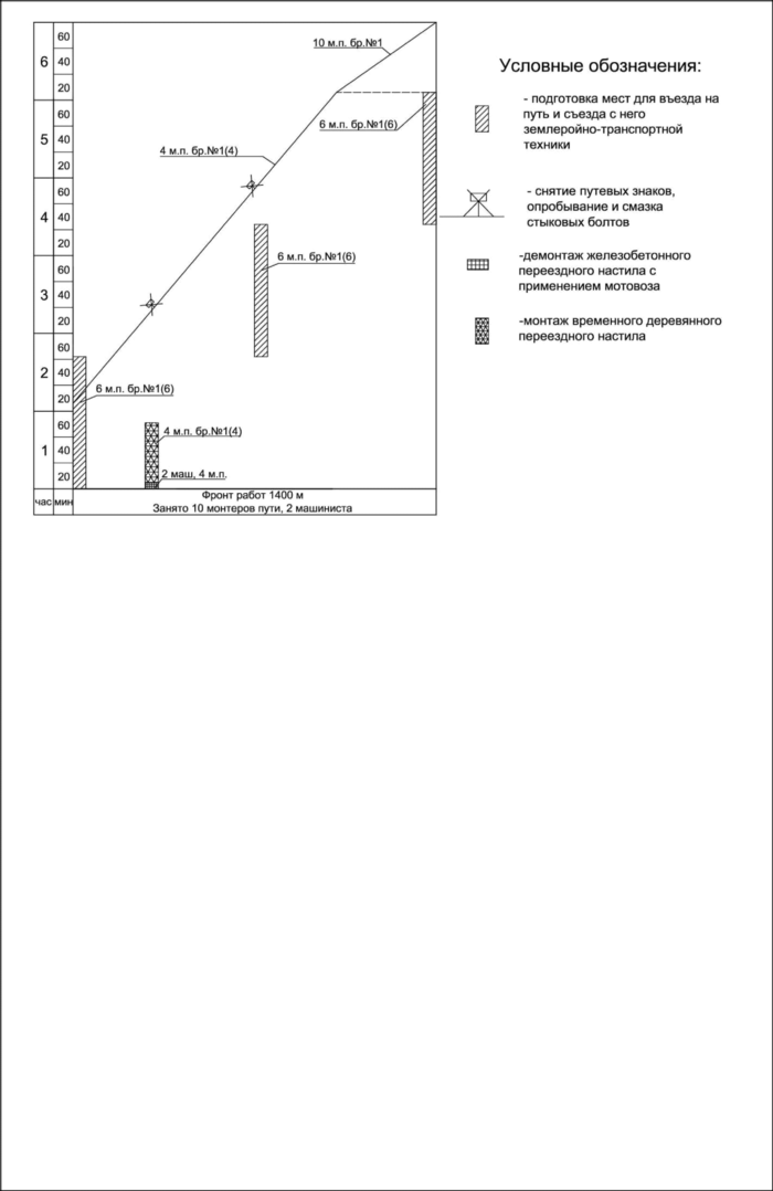
Рисунок 3.5 – График производства подготовительных работ
Рисунок 3.6 - График отделочных работ
Лист
| 46 | |||
| Изм Лист | № докум | ||
| Подп Дата | |||
Производственный состав
Работы по капитальному ремонту пути выполняется путевой колонной монтеров пути, с привлечением обслуживающего персонала машин. Бригада основных работ,
| выполняемых в “окно” состоит из 67 человек. | ||||
| Руководящий и обслуживающий персонал: | ||||
| Заместитель начальника | 1 чел | |||
| Производитель работ | 1 чел | |||
| Дорожный мастер | 2 чел | |||
| Сигналисты | 6 чел | |||
| Итого: 10 человек | ||||
| Состав бригад: | ||||
| Бригада № 1 | 10 чел | |||
| Бригада № 2 | 10 чел | |||
| Бригада № 3 | 10 чел | |||
| Бригада № 4 | 8 чел | |||
| Итого: | 38 человек | |||
| Состав цеха по обслуживанию машин: | ||||
| УКС-25/9 | 5 маш | |||
| УКС-25/9-18 | 5 маш | |||
| Бульдозер | 2 маш | |||
| Автогрейдер | 1 маш | |||
| ВПО-3000С | 6 маш | |||
| ЭЛБ-4МКС | 3 маш | |||
| ВПРС-03С | 3 маш | |||
| ХДВ | 4 маш | |||
| Итого: | 29 человек | |||
Организация работ
Основные работы в “окно” производятся на участке протяженностью 700 м во время закрытия перегона на 9 часов. Начало действия “окна” должно предоставляться таким образом, чтобы работы выполняемые бригадами монтеров пути осуществлялись в светлое время суток, а работа машин производилась в темное время суток. Календарный график производства работ по дням представлен на рисунке 3.7 (Лист №8). Полный комплекс работ на участке проходит в течение 22 суток.
Лист
| 47 | |||
| Изм Лист | № докум | ||
| Подп Дата | |||
Лист
| 48 | |||
| Изм Лист | № докум | ||
| Подп Дата | |||
Подготовительные работы
На базе ПМС производится сборка звеньев РШР на железобетонных шпалах. Производится погрузка собранных звеньев РШР на портальные платформы, оборудованные УСО. Данные работы выполняются по отдельным технологическим процессам, затраты труда в ведомости не учитываются, на графиках не показываются.
На перегоне перед производством основных работ по замене РШР на фронте работ, соответствующему двум длинам участка основных работ в “окно”, 6 монтеров пути подготавливают места съездов и заездов на путь землеройной техники, 4 монтера пути и 2 машиниста линии производят демонтаж железобетонного переездного настила с применением мотовоза и монтаж временного переездного настила. Затем 4 монтера пути опробываются и смазываются стыковые болты, снимаются километровые и пикетные знаки.
Основные работы в “окно”
Работы в “окно” выполняются поточным способом в темпе ведущей машины - путеукладочного крана УКС -25/9-18. Рабочие поезда прибывают на участок работ в следующей последовательности:
-
путеразборочный поезд, состоящий из локомотива, четырнадцати четырехосных платформ, оборудованных УСО, платформы ПТЛ, тяговой платформы и путеразборочного крана УКС-25/9;
-
путеукладочный поезд, состоящий из путеукладочного крана УКс-25/9-18, четырнадцати четырехосных платформ, оборудованных УСО с пакетами по 4 звена РШР, платформы МПД-2С и двух тяговых платформ и локомотива;
-
локомотив и ХДВ №1 для выгрузки щебня после укладки РШР и;
-
электробалластер ЭЛБ с локомотивом для постановки пути на щебень;
-
машина ВПО с локомотивом для выправки пути.
-
локомотив и ХДВ № 2 для выгрузки щебня по концам шпал и.
-
две выправочно-подбивочно-рихтовочные машины ВПРС.
4 монтера пути производят демонтаж временного переездного настила. Демонтаж РШР производится краном УКС-25/9 с погрузкой ее на платформы,
оборудованные УСО. Работу выполняют 8 монтеров пути и 5 машинистов. Бульдозером срезается верхний слой балластной призмы. Автогрейдером
















