ЗП Шукаева М.Ю.гр 456 (1199069), страница 11
Текст из файла (страница 11)
Длительное воздействие высокой температуры, особенно в сочетании с повышенной влажностью, может привести к значительному накоплению тепла в организме (гипертермии). При гипертермии наблюдается головная боль, тошнота, рвота, временами судороги, падение артериального давления, потеря сознания.
Действие теплового излучения на организм имеет ряд особенностей, одной из которых является способность инфракрасных лучей различной длины проникать на различную глубину и поглощаться соответствующими тканями, оказывая тепловое действие, что приводит к повышению температуры кожи, увеличению частоты пульса, изменению обмена веществ и артериального давления, заболеванию глаз.
При воздействии на организм человека отрицательных температур наблюдается сужение сосудов пальцев рук и ног, кожи лица, изменяется обмен веществ. Низкие температуры воздействуют также и на внутренние органы, и длительное воздействие этих температур приводит к их устойчивым заболеваниям.
-
повышенные уровни шума и вибрации на рабочем месте и при работе с механизированным инструментом;
Шум и вибрации, которые превышают пределы частоты звуковых колебаний, являются профессиональной вредностью. Шум - это такое сочетание звуков, которое оказывает на организм человека раздражающее и вредное действие. Под влиянием шума и вибрации у человека может измениться кровяное давление, нарушиться работа желудочно-кишечного тракта, ну а его длительное воздействие может привести и к потере слуха.
Вибрация - это периодическое отклонение твердого тела от точки своего равновесия. Если нет постоянного энергетического побудителя, то эти отклонения быстро гаснут. Но в производственных условиях этот побудитель (электроэнергия, трансмиссия и др.) постоянно присутствует и, следовательно, вибрация генерируется постоянно. При контакте человека с этими сотрясающимися объектами его организм включается в общую систему сотрясений. Костная система, нервные структуры, вся сосудистая система являются хорошими проводниками и резонаторами вибрации. Степень чувствительности организма в целом по отношению к этому очень вредному производственному фактору зависит от функционального состояния коры больших полушарий.
Работая с вибрирующими механизмами, инструментами рабочие подвергаются воздействию не только вибрации, но и высокочастотного шума большой интенсивности, что ускоряет и усугубляет развитие и полисимптоматичность вибрационной болезни.
-
химические факторы при работах с новыми деревянными шпалами, пропитанными масляными антисептиками, и в зонах, обработанных пестицидами;
Ядовитые вещества проникают в организм человека через дыхательные пути, желудочно-кишечный тракт, кожный покров. При дыхании они поступают в легкие, вместе с пищей - в желудок. При попадании на кожу яды могут оказывать местное воздействие [15].
6.1.2 Защита от опасных факторов
Ограждение места производства работ предшествует началу выполнения всех работ, производимых непосредственно на пути, обеспечивая своевременное оповещение работающих о подходе поездов. Руководитель работ должен обеспечить такую их организацию, при которой рабочие находились бы в зоне движения поездов только при непосредственном выполнении операций в интервалы между проходящими поездами, что является важнейшим условием обеспечения безопасности работающих.
Режим пропуска поездов при производстве путевых работ и должностные лица, имеющие право руководить ими установлены Инструкцией по обеспечению безопасности движения поездов при производстве путевых работ [6]. В систему ограждений мест производства путевых работ входят: переносные сигналы и сигнальные знаки, петарды, автоматическая оповестительная сигнализация, телефонная связь и сигналисты, обеспечивающие их установку и снятие сигналов, а также оповещение работающих о приближении поезда. Сигналистами назначаются монтеры пути по квалификации не ниже 3-го разряда, выдержавшие испытания в установленном порядке.
На поезда должны выдаваться соответствующие предупреждения о производстве работ. На перегонах и станциях, оборудованных автоматическими системами оповещения работников о приближении поезда к месту работ их применение не отменяет ограждение места работ соответствующими сигналами (рис.6.1).
Рис.6.1 – Схема ограждения места производства работ на станции,
требующее остановки
При производстве работ в условиях плохой видимости (в крутых кривых, в глубоких выемках, лесистой местности, при наличии строений и других условий, ухудшающих видимость), при работах с электрическим, пневматическим и другим инструментом, ухудшающим слышимость, если работа не требует ограждений сигналами остановки, руководитель работ обязан для предупреждения рабочих о приближении поездов установить автоматические средства оповещения, а в случае отсутствия таковых – поставить со стороны плохой видимости или слышимости сигналиста со звуковым сигналом так, чтобы приближающийся поезд был виден сигналисту на расстоянии не менее 800 м от места работ при установленной скорости до 140 км/ч включительно.
В тех случаях, когда расстояние от места работ до сигналиста и расстояние видимости от сигналиста до приближающегося поезда в сумме составляют 800 м, основной сигналист ставится дальше и выставляется промежуточный сигналист также со звуковым сигналом для повторения сигналов, подаваемых основным сигналистом. В этих случаях на поезда в установленном порядке должны выдаваться предупреждения об особой бдительности и более частой подаче оповестительных сигналов, а при работе в местах с особо сложными условиями скорость движения поездов должна быть ограничена, или место работ ограждено сигналами остановки независимо от вида работ (рис.6.2 а и рис.6.2 б). В этих местах плановые работы, как правило, должны выполняться в технологические «окна».
Рис.6.2 а – Схема ограждения места производства работ на перегоне, требующее остановки поездов при фронте работ 200 м и менее.
Рис.6.2 б – Схема ограждения места производства работ на перегоне, требующее
остановки поездов при фронте работ 200 м и более, и в условиях плохой видимости.
Места производства работ на перегонах, требующие следования поездов с уменьшенной скоростью, ограждаются с обеих сторон на расстоянии 50 м от границ участка работы переносными сигнальными знаками "Начало опасного места" и "Конец опасного места". От этих сигнальных знаков на расстоянии А (рис. 6.3) устанавливаются переносные сигналы уменьшения скорости.
Рис.6.3 Схема ограждения мест производства работ на перегоне, требующих
следования поездов с уменьшенной скоростью: на однопутном участке
Порядок ограждения места работ в особо сложных условиях и в местах с плохой видимостью утверждается руководителями дистанции пути.
Схемы ограждения должны составляться в четырех экземплярах, один из которых хранится в техническом отделе дистанции пути, второй – у дорожного мастера, третий – у бригадира пути, четвертый вывешивается в помещении сбора рабочих. Перед началом работ в темное время суток, во время тумана, метелей и когда видимость менее 800 м, необходимо принимать дополнительные меры по обеспечению безопасности работающих: давать заявку на выдачу предупреждений на поезда об особой бдительности и о подаче оповестительных сигналов при приближении к месту работ; выставлять сигналистов с обеих сторон места работ для извещения рабочих о приближении поезда; планировать работы так, чтобы фронт работ у одного руководителя бригады был не более 50 м; на станциях и перегонах применять автоматические средства оповещения. Во всех случаях перед началом работ на станционных путях и стрелочных переводах руководитель должен сделать соответствующую запись в Журнале осмотра путей, стрелочных переводов, устройств сигнализации, централизации, блокировки, связи и контактной сети формы ДУ-46 о месте и времени производства работ и порядке оповещения о подходе поездов в соответствии с Инструкцией по обеспечению безопасности движения поездов при производстве путевых работ и инструкцией по охране труда при работе на путях данной дистанции.
При подготовке работ, производимых развернутым фронтом, их организация продумывается особенно тщательно. Количество руководителей назначается из расчета; при нормальных условиях – один бригадир или старший монтер пути на 200 м фронта работ; в темное время суток, в туман, метель – один на 50 м.
Для подачи команд и извещения рабочих о подходе поездов должны использоваться громкоговорящие устройства – радио и электромегафоны.
Электромегафонами снабжаются руководители работ, сигналисты, стоящие у переносных красных сигналов, машинисты путевых машин. Применение радио и электромегафонов не отменяет подачи звуковых сигналов о приближении поездов.
Работа путевым электрическим инструментом допускается только с четырехжильным кабелем, три из которых предназначены для подачи по ним тока, четвертый служит для заземления. Этот заземляющий провод соединен с корпусом коробки выключателя и с корпусом электроинструмента. Необходимо следить, чтобы места соединения были всегда зачищены.
При всех видах отбора электроэнергии ток к электрическим инструментам подается по переносной кабельной сети, в комплект которой входят: ответвительные и подводящие кабели, магистральный провод и распределительные коробки. Главным условием безопасной работы с кабелем является наличие его надежной изоляции.
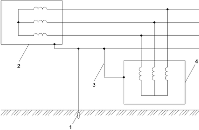
При работе с применением передвижной электростанции перемещение ее по фронту работ производится на однопутном участке – по наиболее удобной нити, с установкой необходимых сигналов ограждения. Электростанция должна устанавливаться на обочине земляного полотна на расстоянии не менее 2 м от крайнего рельса. Металлический корпус электростанции должен быть заземлен. Для этого обычно используют металлическую трубу или стержень диаметром 25 – 30 мм, длиной 1,1 – 1,2 м с неизолированным проводом, присоединяемым к клемме заземления на раме электростанции. Заземлитель забивают в предварительно увлажненный грунт на глубину не менее 1 м на расстоянии не ближе 2 м от крайнего рельса (рис. 6.4).
Рис. 6.4 - Заземление переносного путевого электроинструмента:
1 – инвентарный заземлитель; 2 – корпус электростанции;
– заземляющая жила питающего кабеля инструмента;
4 – корпус электроинструмента
Монтер пути при работе с электроинструментом должен:
-
перед включением проверить соответствие напряжения и частоты тока в электрической сети напряжению и частоте электродвигателя электроинструмента, надежность закрепления рабочего исполнительного инструмента;
-
во время работы электроинструментом следить за целостностью деталей корпуса, рукоятки, защитного ограждения; состоянием рабочего инструмента; появлением дыма или запаха, характерного для горящей изоляции; появлением повышенного шума, стука, вибрации;
-
пeрeд пропуском подвижного cостава по пути, на котором производятся работы, или по cосeднeму пути питаниe магистрального кабeля должно быть отключeно, а элeктричеcкий инcтрумeнт убран на обочину зeмляного полотна за прeдeлы габарита подвижного cоcтава;
-
при пeрeходe с элeктроинструментом с одного мeста работ на другоe и при каждом дажe кратковременном перерыве в работе напряжение в магистральном кабeле должно быть отключено, а элeктрический инструмeнт от источника питания;
-
при обнаружeнии во врeмя работы нeисправности элeктроинструмента или почувствовав хотя бы слабоe действиe тока от корпуса элeктроинструмента, прeкратить работу и доложить об этом нeпосредственному руководителю работ.
При производстве работ электроинструментом монтерам пути запрещается:
-
перекручивать, натягивать и перегибать кабель, ставить на него груз;
-
самостоятельно разбирать и производить какой-либо ремонт;
-
во время работы инструмента удалять руками стружку или опилки;
-
каcаться руками вращающeгося рeжущегоcя инcтрумeнта;
-
иcпользовать в качecтвe рычагов cлучайные прeдмeты;
-
обрабатывать элeктроинcтрумeнтом мокрыe и облeдeнeвшиe дeтали;
-
работать элeктроинcтрумeнтом, нe защищённым от воздeйcтвия капeль или брызг, нe имeющим отличных знаков, в уcловиях воздeйcтвия капeль и брызг, а такжe на открытых площадках во врeмя cнeгопада или дождя;
-
передавать электроинструмент лицам, не имеющим права с ним работать, а также оставлять электроинструмент, присоединенный к сети, без надзора:
-
работать элeктроинcтрумeнтом, у которого иcтёк cрок пeриодичеcкой провeрки.
6.1.3 Обеспечение средствами индивидуальной защиты
Работники по текущему содержанию пути должны быть обеспечены соответствующей спецобувью, спецодеждой и другими средствами индивидуальной защиты в соответствии с Типовыми отраслевыми нормами бесплатной выдачи спецодежды, спецобуви и других средств индивидуальной защиты работникам железных дорог.
Таблица 6.1
Средства индивидуальной защиты
| Профессия или должность | Наименование сертифицированных специальной одежды, специальной обуви и других средств индивидуальной защиты | Норма выдачи на год (единицы или комплекты) |
| 1 | 2 | 3 |
| Монтер пути | Комплект "Путеец-Л" | 1 |
| Сапоги юфтевые на маслобензостойкой подошве | 1 пара | |
| Головной убор сигнальный | 1 | |
| Куртка из плащ-палатки | 1 на 2 года | |
| Плащ для защиты от воды или | 1 на 2 года | |
| Комплект для защиты от воды | 1 на 2 года | |
| Перчатки комбинированные или | 8 пар | |
| Перчатки с полимерным покрытием | 8 пар | |
| Перчатки трикотажные | 6 пар | |
| Очки защитные открытые | до износа | |
| Жилет сигнальный 2 класса защиты | 4 | |
| При выполнении работ электроинструментом дополнительно: | ||
| Перчатки диэлектрические | дежурные | |
| При выполнении работ виброинструментом дополнительно: | ||
| Рукавицы виброзащитные или | до износа | |
| Перчатки виброзащитные | до износа | |
| При выполнении работ по водоборьбе и очистке подкюветных дренажей, прорезей, галерей, штолен, лотков дополнительно: | ||
| Сапоги из поливинилхлоридного пластиката | 1 пара | |
| Зимой дополнительно: | ||
| Комплект для защиты от пониженных температур "Путеец" | 1 на 3 года | |
| Шапка-ушанка со звукопроводными вставками | 1 на 2 года |
Продолжение таблицы 6.1
| Шапка трикотажная | 1 на 2 года | |
| Рукавицы утепленные или | 2 пары | |
| Перчатки утепленные | 2 пары |
Личную одежду и спецодежду необходимо хранить отдельно в шкафах гардеробной.
Монтер пути должен следить за исправностью спецодежды, своевременно сдавать ее в стирку и ремонт, а также содержать шкафы для хранения личной одежды и спецодежды в чистоте и порядке [17].
6.2 Утилизация шпал
Уже много лет перед людьми стоит проблема утилизации пропитанных деревянных шпал, ведь каждый год в процессе ремонта железнодорожных полотен и всевозможных подъездных путей остается около миллиона деревянных шпал, срок эксплуатации которых уже закончился. Чаще всего в качестве антисептической пропитки для шпал используют креозот.
















