ДИПЛОМ Вечёра А.А. (1198991), страница 10
Текст из файла (страница 10)
Длина заземлителя-200 см
Глубина забивки- 80 см
Климатическая зона-3
Род грунта- суглинок
Форма заземления- по контуру
Диаметр заземлителя=5 см
Rдоп=5,0 Ом
Решение:
-
Определим сопротивление одиночного трубчатого заземлителя Rтрпо формуле:
, (6.1)
ρ расч= ρ*Кn=1,0*104*1,3=1,3*104 Ом*см
где ρ расч –расчетное значение удельного сопротивления однородного грунта, hm-глубина забивки, см; ρ- удельное сопротивление грунта, Кn- коэффициент зависящий от климатической зоны; l и d- соответственно, длина и диаметр заземлителя, см.
-
Определяем число заземлителей:
. (6.2)
-
Уточнить число заземлителей с учетом коэффициента использования заземления:
, (6.3)
где
– коэффициент использования заземлителя;
-
Определяем общее сопротивление вертикальных заземлителей Rтр.рас, Ом:
. (6.4)
-
Определим длину полосы L, см, соединяющей трубы:
. (6.5)
L=1,5*400*15=9000 см
-
Определяем сопротивление полосы Rn , уложенной на глубину:
, (6.6)
где
– ширина полосы, см, принимается равной диаметру заземляющих труб, т. е.
;
-
Определяем сопротивление полосы Rn с учетом экранирования, Ом:
, (6.7)
где
– коэффициент использования полосы;
-
Определяем сопротивление растеканию сложного заземления ,Ом:
. (6.8)
Таблица 1
Результаты расчета
| Число | Длина | Сопротивление одного заземлителя, Ом | Сопротивление полосы, Ом | Коэффициент использования | Общее сопротивление, Ом |
| 15 | 9000 | 48,33 | 9,3 | 0,36 | 2,87 |
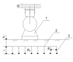
Рис 7.3. Схема заземления электроустановки:
1 -электроустановка; 2- соединительная полоса; 3- вертикальный заземлитель.
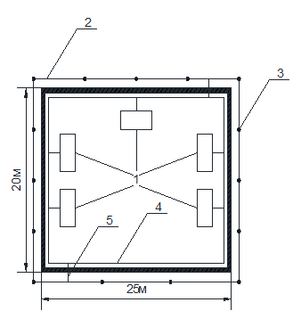
Рис 7.4. Схема заземления группы элктроустановок:
1-электроустановка; 2- соединительная полоса; 3- вертикальный заземлитель; 4-видимый контур заземления; 5-соединитель видимого контура.
ЗАКЛЮЧЕНИЕ
В дипломном проекте рассмотрены вопросы текущего содержания пути на Завитинской дистанции пути. На основании анализа данных о техническом состоянии пути рассмотрены следующие вопросы:
- техническая характеристика Завитинской дистанции пути.
- комплексное планирование капитальных работ на дистанции пути (разработка ремонтных схем, расчет сроков выполнения работ).
- анализ геометрических параметров рельсовой колеи.
- моделирование организационной структуры дистанции пути.
- технология выполнения планово-предупредительного ремонта пути с использованием машинного комплекса.
- Рассчитан технико – экономический эффект от применения комплекса машин ВПР – 02 и ПБ.
При разработке дипломного проекта использовались реальные данные дистанции пути.
БИБЛИОГРАФИЧЕСКИЙ СПИСОК
-
Положение о системе ведения путевого хозяйства ОАО «РЖД». Утв. распоряжение ОАО «РЖД» от 31.12.2015 г. №3212р.
-
Телегин С.А. Организация, планирование и управление техническим обслуживанием железнодорожного пути. Методическое пособие. Хабаровск. ДВГУПС, 2016 г.-50 с.
-
Инструкция по текущему содержанию железнодорожного пути. Утв. распоряжением ОАО «РЖД» от 29.12.12 г. №2791р.
-
Инструкция по оценке состояния рельсовой колеи, планированию работ и мерам по обеспечению безопасности движения по показаниям путеизмерительных вагонов ЦПТ - 46/18. Утв. распоряжением ОАО «РЖД» от 24.09. 2009 г.
-
Распоряжение ОАО «РЖД» № 2667р от 26.12.2016 г. «Об утверждении нормативной численности работников, занятых на текущем содержании железнодорожного пути».
-
Инструкция по устройству, укладке, содержанию и ремонту бесстыкового пути. Утв. распоряжением ОАО «РЖД» №2788р от 29.12.2012 г.
-
Правилами технической эксплуатации железных дорог Российской Федерации. Утверждена приказом Минтранса России № 162 от 04.06.15г.
-
Инструкция по сигнализации на железнодорожном транспорте Российской Федерации. Приложение №7 к Правилам технической эксплуатации железных дорог Российской Федерации. Утверждена приказом Минтранса России №162 от 04.06.2012 г.
-
Инструкция по движению поездов и маневровой работе на железнодорожном транспорте Российской Федерации. Приложение №8 к Правилам технической эксплуатации железных дорог Российской Федерации. Утверждена приказом Минтранса России №162 от 04.06.2012 г.
-
Инструкция по обеспечению безопасности движения поездов при производстве путевых работ. Утв. распоряжением ОАО «РЖД» № 2540р от 14.12.2016 г.
-
Технические условия на работы по реконструкции (модернизации) и ремонту железнодорожного пути. Утверждены распоряжением ОАО «РЖД» от «18» января 2013 г. № 75р.
-
Правила по охране труда при содержании и ремонте железнодорожного пути и сооружений. ПОТ РО-32-ЦП-652-99. / ОАО «РЖД». – М.: ИКЦ «Академкнига», 2005. – 112 с.
-
Баранова Л.А. Механизированные и машинизированные комплексы для ремонта и содержания железнодорожного пути. Учебное пособие. – Хабаровск: ДВГУПС, 2006. – 159 с.
-
URL: http://lokomo.ru/elektrosnabzhenie/elektrobezopasnost.html (дата обращения 25.04.2017).
-
URL: http://ohrana-bgd.narod.ru/jdtrans/jdtrans2_003.html (дата обращения 25.04.2017).
-
Правила электробезопасности для работников ОАО «РЖД» при обслуживании электрифицированных железнодорожных путей. Москва, 2008 г.
-
Инструкция по охране труда для монтёра пути ОАО "РЖД"
-
Безопасность жизнедеятельности: сборник лабораторных работ / под ред. Б.А. Мамота. – Хабаровск: Изд-во ДВГУПС, 2004. – 100 с.















