ВКР Оптимизация трассы ленточного конвейера (1196883), страница 3
Текст из файла (страница 3)
Определение сопротивления на участке 7-8
| | (2.26) |
где,
- коэффициент сопротивления движению ленты по роликам, принимается согласно [3], т.к. для средних условий и желобчатых роликоопор, принимается
= 0,025;
– погонная нагрузка от веса груза:
|
| (2.26) |
– погонная нагрузка от массы вращающихся частей роликовых опор на рабочей ветви
| | (2.27) |
где,
– масса вращающихся частей в роликовой опоре, принимается согласно [3],
=11,5 кг.;
– количество роликовых опор на рабочей ветви, принимается
= 13 шт.;
– длина нагруженного участка,
=20 м.;
Определение сопротивления на третьем отклоняющем барабане:
где
– коэффициент увеличения натяжения ленты от сопротивления на поворотном пункте, согласно [3], для угла до 90°, принимается
=1,02;
Определяем сопротивление на участке 9-10:
| | |
| | (2.28) |
2.1.2.2 Методика тягового расчета
|
| (2.29) |
1. Определение натяжений в ленте начинается с точки 1.
2. Натяжение в точке 2 равно предыдущему:
S2 = S1
3. Натяжение в точке 3:
S3 = S2 + Wоткл.1
4. Натяжение в точке 4:
S4 = S3 + W3-4
5. Натяжение в точке 5:
S5 = S4 + Wоткл.2
6. Натяжение в точке 6:
S6 = S5 + W5-6
7. Натяжение в точке 7:
S7 = S6+ Wнатяж
8.Натяжение в точке 7’
S7’ = S7 + Wзагр
9. Натяжение в точке 8:
S8 = S7’ + W7-8
10. Натяжение в точке 9:
S9 = S8+ Wоткл.3
11. Натяжение в точке 10:
S10 = S9+ W9-10
Во все выражения натяжений последовательно подставляется S1 таким образом, выражая их через S1.
Для решения этого уравнения необходимо составить систему, вторым уравнением в которой будет условие Эйлера.
| | (2.30) |
где
– коэффициент трения между лентой и поверхностью приводного барабана, принимается согласно [3],
=0,3;
α – угол обхвата барабана, принимается α = 187º = 3,26 рад.;
е – основание натуральных логарифмов, е = 2,72;
Отсюда тяговый фактор равен :
=2,72
=2,66
Из этой системы выражается
и подставляется последовательно во все выражения для нахождения натяжений в каждой точке.
Строится тяговая диаграмма конвейера, выражающая закон изменения натяжения в ленте. (Приложение Б)
Определяется окружная сила:
| | (2.31) |
2.1.2.3 Расчет привода
Проводится проверка ленты на прочность
| | (2.32) |
где
- максимальное расчетное натяжение ленты,
= 2462,318 Н;
- максимально допустимая рабочая нагрузка одной тяговой прокладки каркаса, принимается
= 20 Н/мм;
- ширина ленты,
= 500 мм.;
- число прокладок тягового каркаса ленты,
= 2;
Так как число прокладок меньше ранее назначенного i=2, то окончательное число прокладок принимается i = 2.
Выбор элементов привода
Мощность привода конвейера определяется:
| | (2.33) |
где
- КПД механизма привода, принимается согласно [3],
= 0,85;
- скорость движения ленты, м/c,
= 0,8 м/c.;
- тяговое усилие на приводном барабане, принимается
= 1585,881 Н;
2.1.3 Выбор электродвигателя
Так как разница в мощности двух конвейеров сравнительно мала, для обоих конвейеров можно выбрать один и тот же электродвигатель.
Выбирается электродвигатель равной или большей расчётной мощности
Выбирается электродвигатель трехфазный асинхронный общепромышленного назначения с короткозамкнутым ротором марки АИР100L6
Рисунок 9. Электродвигатель АИР 100L6.
Габаритно-присоединительные размеры двигателя АИР100L6.
Таблица 1
| Тип | l30 | h31 | d24 | l1 | l10 | l31 | d1 | d10 | d20 | d22 | b10 | n | h5 | b1 |
| АИР 100 L6 | 420 | 277 | 250 | 60 | 140 | 63 | 28 | 12 | 215 | 14 | 180 | 4 | 35 | 10 |
Основные технические характеристики двигателя АИР 100L6:
Мощность – 2,2 кВт.
Чистота вращения – 1000 об/мин.
Ток при 380В – 5,9 А.
КПД – 81,5 %
Коэффициент мощности – 0,74
Масса – 27 кг.
2.1.3.1 Выбирается схема компоновки привода
Рисунок 10. Компоновка привода.
1. Приводной барабан
2. Редуктор
3. Муфты
4. Электродвигатель
2.1.3.2 Определение показателей для выбора редуктора.
Передаточное число привода определяется:
| | (2.34) |
где
– частота вращения вала двигателя, принимается
= 1000 об/мин.;
– частота вращения приводного барабана, об/мин.
Частота вращения приводного барабана определяется:
| | (2.35) |
где,
– скорость ленты,
= 0,8 м/с.;
– диаметр приводного барабана,
= 400 мм. = 0,4 м.;
Крутящий момент на валу приводного барабана определяется:
| | (2.36) |
где,
– коэффициент запаса, принимается согласно рекомендации,
= 1,1;
Выбирается редуктор по условиям:
Выбирается редуктор цилиндрический горизонтальный двухступенчатый тип 1Ц2У-200.
Рисунок 11. Редуктор 1Ц2У-200
Основные технические характеристики:
Передаточное число = 12,5
Номинальный крутящий момент на тихоходном валу = 2500
Масса редуктора = 31,5 кг.
КПД = 0,97
Габаритные и присоединительные размеры:
Таблица 2
| Awт, мм | А, мм | Аwб, мм | L,мм | L1, мм | l. мм | l1, мм | l2, мм | l3, мм | B, мм | В1, мм | Н, мм | Н1, мм | d,мм | h, мм |
| 200 | 335 | 125 | 670 | 586 | 238 | 165 | 212 | 280 | 243 | 230 | 425 | 212 | 24 | 30 |
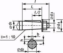
Входной вал редуктора показан на рисунке18:
Рисунок 12. Входной вал редуктора
Геометрические параметры входного вала:
Таблица 3
| l. мм | l1, мм | d3, мм | d2, мм | d1, мм | d4, мм | h, мм | b, мм | t, мм |
| 80 | 58 | М20 х 1,5 | 27,1 | 30 | 50 | 5 | 5 | 3 |
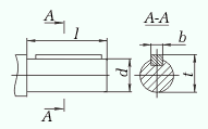
Выходной вал редуктора показан на рисунке 19.
Рисунок 13. Выходной вал редуктора
Геометрические параметры выходного вала
Таблица 4
| d, мм | l. мм | b, мм | t. мм |
| 60 | 100 | 18 | 63 |
2.1.3.3 Выбор муфт
Выбирается муфта для соединения вала двигателя (d = 28 мм.) и входного вала редуктора (d = 30 мм).
Муфта выбирается по условию:
| | (2.37) |
где, Мтабл – табличное значение передаваемого муфтой момента,
;
Мрасч – расчетный момент на валу,
.:
| | (2.38) |
где
- коэффициент, учитывающий степень ответственности механизма, принимается согласно [3],
= 1,1;
- номинальный момент двигателя,
;
| | (2.39) |
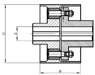
Выбирается муфта упругая втулочно-пальцевая типа МУВП-Т125 4 по ГОСТ-12081
Рисунок 14. Муфта типа МУВП-Т
Габаритные, присоединительные размеры и технические характеристики муфты МУВП:
Номинальный крутящий момент =125















