диплом Юн (1193750), страница 9
Текст из файла (страница 9)
Рабочий поезд объединяется и отправляется на станцию.
Перед открытием перегона, после выполнения основных работ, путь приводится в состояние, обеспечивающее безопасный пропуск поездов по месту работ при закреплении каждой 5-ой шпалы со скоростью не более 25 км/ч. После чего продолжаются работы 32 монтерами пути по установке оставшихся клемм ЖБР-65Ш в проектное положение и сплошное закрепление шурупов с нормативным моментом затяжки не менее 25 кгм.
После полного закрепления пути на фронте укладки рельсовых плетей, движение поездов осуществляется со скоростью до 60 км/ч.
При выполнении работ по данному технологическому процессу необходимо соблюдать требования Правил технической эксплуатации железных дорог Российской Федерации,утвержденного приказом Минтранса России21.12.2015 г.№286; Инструкции по сигнализации на железнодорожном транспорте Российской Федерации (приложение №7 к [10]); Инструкции по движению поездов и маневровой работе на железнодорожном транспорте Российской Федерации (приложение №8 к [10]); Инструкции по обеспечению безопасности движения поездов при производстве путевых работ, утвержденнойраспоряжением ОАО «РЖД»от 14.12.2016 г. № 2540р; Инструкции по устройству, укладке, содержанию и ремонту бесстыкового путиот 29 декабря 2012 г. №2788р.
Основные работы после «окна»
2 монтёра пути производят засыпку балласта в шпальных ящиках в местах установки полушпал.
2 монтёра пути грузят ручной и измерительный инструмент в кузов автомашины.
4 монтера пути снимают переносные сигнальные знаки.
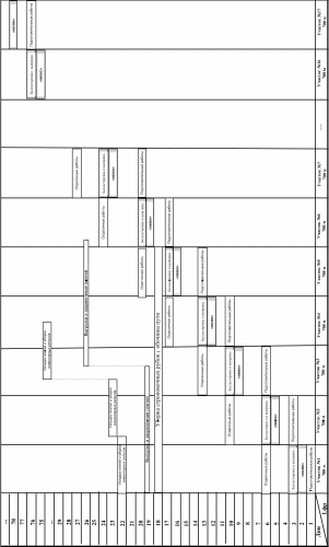
График основных работ по замене инвентарных рельсов рельсовыми плетями приведен на рисунке 5.1.
Перечни потребных машин, механизмов и инструмента приведены в таблице 5.1.
Таблица 5.1 - Перечень необходимых путевых машин,механизмов и инструмента
| Наименование путевых машин,механизмов и инструмента | Кол-во |
| Путеукладочный кран УК-25/9-18, шт | 1 |
| Четырёхосные платформы оборудованные роликовыми транспортёрами и устройствами УСО, шт | 4 |
| Тележка для надвижки плетей, шт | 2 |
| Портальный кран, шт | 2 |
| Моторная платформа МПД, шт | 2 |
| Электростанция АБ-4 с комплектом кабельной арматуры, компл | 8 |
| Трос для буксировки тележек, шт | 2 |
| Рельсосверлильный станок, шт | 2 |
| Рельсорезный станок, шт | 4 |
| Электрошлифовальный станок, шт | 4 |
| Электрошуруповёрт ЭШВ, шт | 16 |
| Ключ гаечный ЭК-1, шт | 4 |
| Рулетка мерная, шт | 1 |
| Лом остроконечный, шт | 4 |
| Лом лапчатый, шт | 4 |
| Бородок, шт | 1 |
| Телефон, шт | 1 |
| Аппаратура радиосвязи и оповещения, компл | 1 |
| Костыльный молоток, шт | 2 |
| Путеизмерительная тележка, шт | 1 |
| Дефектоскоп, шт | 1 |
| Шаблон ЦУП, шт | 2 |
| Фаскосъёмник ручной, шт | 2 |
Рис. 5.1 График замены инвентарных рельсов рельсовыми плетями
Условные обозначения графика замены инвентарных рельсов рельсовыми плетями:
Рис. 5.2 Календарный графиккапитального ремонта пути с укладкой бесстыковых плетей
6. РАЗВЕРНУТАЯ КАЛЬКУЛЯЦИЯ НА КАПИТАЛЬНЫЙ РЕМОНТ ПУТИ
Калькуляция стоимости 1 км капитального ремонта участка пути Невельск – Ясноморск составлена в текущих ценах по состоянию на 01.03.2017 г.
В составе затрат на оплату труда учтены: затраты, связанные с подвижным характером работ - 20%; затраты на премиальную систему оплаты труда монтерам пути – 50 - 60 %;районный коэффициент – 30%, затраты за непрерывный стаж работы – 30%, затраты на отпускные монтерам пути и механикам – 12%.
Развернутая калькуляция капитального ремонта пути и калькуляция замены инвентарных рельсов рельсовыми плетями сведены в табл. 6.1 и 6.2.
Таблица-6.1 – Развернутая калькуляция капитального ремонта пути
| № | Обосно- | Наименование | Ед. | Коли- | Затраты труда, чел-час | Заработная | |||
| п/п | вание | работ | изм. | чество | на един. | всего | на един. | всего | |
| 1 | 2 | 3 | 4 | 5 | 6 | 7 | 8 | 9 | |
| Подготовительные работы | |||||||||
| 1 | СНСч1 табл.86 | Комплекс подготовительных работ при снимаемых рельсах Р65 длиной 25м | км | 1,0 | 145 | 145 | 102 | 102 | |
| 2 | ТНК-95 | Разборка переездного настила вручную, монтеров пути 4р-6чел. | м2 | 2,5 | 0,59 | 1,48 | 0,47 | 1,18 | |
| 3 | ТНК-95 | Монтаж переездного настила с применением автокрана мп-4р-4чел | м2 | 2,5 | 0,972 | 2,43 | 0,77 | 1,93 | |
| 4 | ТНК-95 Т-58 | Снятие стеллажа для ПКЗ мп-2р-2чел. | шт. | 1 | 0,918 | 0,92 | 0,59 | 0,59 | |
Продолжение таблицы 6.1
| 1 | 2 | 3 | 4 | 5 | 6 | 7 | 8 | 9 | ||||||||
| 5 | ТНК-95 Указ МПС т 48 №2024 | Выправка продольного профиля с подрезкой загрязненного балласта ниже подошвы шпал а) до 10 см мп-3р-5чел. б) до 20 см мп-3р-5чел. | п/м п/м | 86 34 | 2,92 4,98 | 251,12 169,32 | 2,04 3,49 | 175,44 188,66 | ||||||||
| 6 | Итого по подготовительным работам | 399,8 | ||||||||||||||
| 7 | Итого с коэффициентом на пропуск поездов 1,08 | 431,8 | ||||||||||||||
| Основные работы в "окно" | ||||||||||||||||
| 8 | СНСч1г88 | Комплекс основных ра-бот в "окно" с примене-нием УК 25/9, ВПО-3000 | км | 0,028 | 332 | 9,3 | 268 | 7,5 | ||||||||
| 9 | ТНК-95 т 52 | Снятие путевых знаков - больших - малых | шт. шт. | 2 9 | 0,677 0,323 | 1,354 2,91 | 0,433 0,21 | 0,86 1,98 | ||||||||
| 10 | ТНВ-95 т 89 | Постановка и снятие инвентарныхпротивоугонов при работе ВПО-3000 | 100 п/уг | 9,6 9,6 | 0,473 0,38 | 4,54 3,65 | 0,416 0,266 | 3,99 2,55 | ||||||||
| 11 | ТНВ-90 (по ТСН) №124 | Погрузка инвентарных противоугонов и деревянных шпал (б/у) мп-3р 0,559 ч/часа | пакет | 10 | 0,056 | 0,56 | 0,156 | 1,56 | ||||||||
| 12 | ТНВ-90 (поТСН) №63 | Приварка рельсовых соединителей мп-3р 0,45 ч/часа | 10 соед. | 8 | 0,45 | 4,5 | 0,32 | 3,2 | ||||||||
| 13 | ТНК-95 | Оборудование изолирующего стыка мп-4р-2чел 4,230,88=3,72 руб. | шт. | 1 | 4,23 | 4,23 | 3,72 | 3,72 | ||||||||
Продолжение таблицы 6.1
| 1 | 2 | 3 | 4 | 5 | 6 | 7 | 8 | 9 | |||||
| 14 | ЕРЕР-1 1-234 1-241 | Срезка балласта до 25 см двумя бульдозерами С-130 двумя бульдозерами ДТ-75 с перемещением до 50 м | 1000 м3 | 1,0 | 41,6 | 41,6 | |||||||
| 15 | ТНК-95 т 91 | Выгрузка щебня из ХДВ мп-3р-2чел | 100м3 | 7,0 | 0,726 | 5,08 | 0,569 | 3,98 | |||||
| 16 | Итого п/п 8-15 | 294,6 | |||||||||||
| 17 | Итого по работам в "окно" с коэффициентом на пропуск поездов | 383 | |||||||||||
| 18 | СНС-47 табл.88 п.31В " - " п.31 Г | Эксплуатация электрического и гидравлического инструмента 48731,08 В том числе зарплата маш. АБ 2,981,08 Эксплуатация гидравли- ческого инструмента 48731,08 зарплата маш. АБ 3,021,225 | км руб. км руб. руб. | 0,028 0,972 | 6309 6335 3,78 | 176,6 6157,6 3,678 | |||||||
| 19 | СНС 4-1 | Трактор ДТ-75 (плани- ровщик и набивщик зазоров).Зарплата маш. 5,31,32 | км руб. руб. | 1,0 | 13,78 | 50713 13,78 | |||||||
| Основные работы после "окна" | |||||||||||||
| 20 | СНС ч 1 | Комплекс основных работ после "окна" | км км | 0,028 0,972 | 35,2 36,5 | 0,99 35,5 | 27,1 28,2 | 0,76 27,41 | |||||
| 21 | ТНК-95 т.99 | Подтягивание ослабших стыковых болтов МП 3р - 1 чел. | 100 гаек | 3,20 | 1,08 | 3,46 | 0,756 | 2,48 | |||||
| 22 | ЕНИР 16-1-149 (В) | Пополнение шпальных ящиков внутри колеи щебнем МП 2 р | 1 км | 1 | 150 | 150 | 81 | 81 | |||||
| 23 | Итого зарплата по работам после "окна" с коэффициентом 1,15 | руб. | 145,07 | ||||||||||
| 24 | СНС ч 1 табл. 8,9 п.31В - || - | Эксплуатация гидравлического и электрического инструмента 4001,15 Зарплата машинистов АБ 0,331,15 Эксплуатация электри-ческого инструмента 4301,115 Зар/плата мех. 0,361,15 | км руб. руб. км руб. | 0,028 0,972 | 0,43 520 559 0,47 | 0,01 14,56 573,35 0,45 | |||||||
Продолжение таблицы 6.1
| 1 | 2 | 3 | 4 | 5 | 6 | 7 | 8 | 9 | |||||||||
| Отделочные работы | |||||||||||||||||
| 25 | СНС ч 1табл. 90 п. | Комплекс отделочных работ на прямом участке пути при эпюре шпал 1840 шп/км | км | 0,028 | 362 | 10,1 | 267 | 7,48 | |||||||||
| 26 | СНС 41 табл.90 | Комплекс отделочных работ на кривом участке пути при эпюре шпал 2000 п/км | км | 0,972 | 418 | 406,3 | 307 | 298,4 | |||||||||
| 27 | ТНК-95 101 указ МПС № 2024 у Приказ47Ц | Установка путевых знаков - больших МП 2 р - 2 чел. - малых МП 2 р - 2 чел. | знак знак | 2 9 | 1,08 0,492 | 2,16 4,43 | 0,69 0,31 | 1,38 2,79 | |||||||||
| 28 | СНС-VIII п.46 т.155 | Окраска путевых знаков - больших - малых | 10 зн. 10 зн. | 2 9 | 14 0,56 | 2,8 0,5 | 7,8 0,29 | 1,56 0,26 | |||||||||
| 29 | ТНК-95 т.57 | Монтаж стеллажа для укладки рельсов МП 2 р - 2 чел. | шп. | 1 | 2,77 | 2,77 | 1,77 | 1,77 | |||||||||
| 30 | Итого по п.п. 25-29 | 329,84 | |||||||||||||||
| 31 | Итого зар/плата м.п. по отделочным работам с коэффициентом 1,15 | 428,79 | |||||||||||||||
| 32 | СНС 41 табл. 90 31Е;31Г | Эксплуатация электри-ческого и гидравлического инструмента на прямом участке при эпюре 1840 3181,15 Зар/плата машинистов АБ 1,741,15 | км км | 0,028 | 413,4 2,26 | 11,58 0,06 | |||||||||||
| 33 | СНС 41 табл. 90 п31Е | Тоже при эпюре шпал 2000 шт./км 649,51,15 Зар/плата машинистов 1,871,15 | км | 0,972 | 844,3 2,43 | 820,71 2,36 | |||||||||||
| 34 | - || - | Дрезина ДГКУ 4171,15 Зар/плата машинистов 1,131,15 | км | 1 | 1,47 | 1,47 | |||||||||||
| Итого зарплата | 1476,59 | ||||||||||||||||
| Работа на производство базе | |||||||||||||||||
| 35 | Справка-счет ПМС | Стоимость рабочей силы при сборке РШР на звеносборочной линии. Зар/плата | 3613770 | 516,24 | |||||||||||||
Продолжение таблицы 6.1
| 1 | 2 | 3 | 4 | 5 | 6 | 7 | |||||
| 36 | - || - | Стоимость рабочей силы при разборке РШР на звеносборочной линии. | 2583370 876470 | 369,04 125,20 | |||||||
| 37 | Итого на производственной базе Зарплата Механизмы | 885,28 219,94 | |||||||||
| 38 | Итого заработной платы (I-V) | руб. | 2361,87 | ||||||||
| 39 | Всего с коэффициентом к зарплате | руб. | 7640,649 | ||||||||
| 40 | Премия 50 % | руб. | 3820,325 | ||||||||
| 41 | 14-я зар/плата 15 % | руб. | 1146,097 | ||||||||
| Итого | 12607,071 | ||||||||||
| 42 | Постан. № 948п 1 | Надбавка за особослож-ные условия труда 20 % | руб. | 1528,130 | |||||||
| 43 | Постан. № 948п 2 | Выслуга 30 % | руб. | 3782,121 | |||||||
| 44 | УК ЦПЭУ № 4426 | Районный коэффициент | руб. | 3782,121 | |||||||
| 45 | Всего зарплаты МП | руб. | 21699,443 | ||||||||
| 46 | Машины и механизмы на которые не установ-лен план загрузки В том числе зарплата механизмов | руб. руб. | 2272,10 6351 | ||||||||
| 47 | Итого с коэффициентом к зарплате | руб. | 20545,5 | ||||||||
| 48 | Премия 50 % | руб. | 10272,8 | ||||||||
| 49 | УК ЦПЭУ № 4426 | Районный коэффициент 30 % | руб. | 10170,0 | |||||||
| 50 | Пост. № 948п 2 | Выслуга 30 % | руб. | 10170,0 | |||||||
| 51 | Пост. № 948п | Надбавка за особослож-ные условия труда 20 % | руб. | 41091 | |||||||
| 52 | Машины и механизмы на которые не установ-лен план загрузки | руб. | 87070,2 | ||||||||
| 53 | В том числе зарплата механиков | руб. | 58319,2 | ||||||||
| Итого: | 339000,1 | ||||||||||
Накладные расходы(106,61%) - 361374 руб,















