Экологический мониторинг (1094308), страница 5
Текст из файла (страница 5)
7 – контролер (микропроцессорное регулирующее устройства).
В зависимости от типа индикаторного концентратомера различают: кондуктометрическое, потенциометрическое, амперометрическое, фотоколориметрическое титрование.
В процессе титрования необходимо определить концентрацию неизвестного вещества в пробе. А + В С + D (А – проба, В - титрант).
Порядок измерения:
-
Дозирование пробы определенного размера в ячейку для фильтрования
-
Измерение физического параметра ( концентрации) с помощью индикаторного концентратомера
-
По сигналу с контролера дозирование титранта ?
Автоматический титрометр – система поддержания точки эквивалентности (когда вещество А и В полностью прореагировали).
Материальный баланс точки эквивалентности: СА = ?
;
VA = Vпробы; VТ = VВ; k – стехиометрический коэффициент реакции
П
ри титровании концентрацию неизвестного компонента определяют по величине объёма титранта в точке эквивалентности.
Зависимость физического параметра (I, U, электропроводности , оптической плотности) от объёма титранта называется кривой титрования.
1. Кондуктометрическое титрование
1) HCl + NaOH NaCl + H2O
2) HCOOH + NaOH . . .
(*) – конечная точка титрования, она соответствует состоянию эквивалентности, она отличается от точки эквивалентности погрешностью устройств, входящих в автоматический титрометр.
2
. Потенциометрическое титрование
(*) – точка эквивалентности – это точка перегиба
Недостаток: возможность перетитрирования из-за медленности массообменных процессов, происходящих на границе электрод- раствор.
3. Амперометрическое титрование; 4. Фотоколориметричес-кое титрование.
Вид кривых такой же, как и для кондуктометрического титрования.
___________________________________________________
Общие : 1) высокая избирательность, определяемая химической реакцией
2) достаточно высокая точность
Недостатки: 1) приборы в основном используются для лабораторного анализа или для промышленного анализа с большим интервалом дискретности
2) достаточно высокая стоимость фильтрующих веществ.
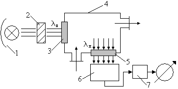
Часть 7. Оптические методы анализа воды
§1. Фотоколориметрические анализаторы воды
Работают в видимой области спектра.
Оптические приборы также называют абсорбционными, т.к. они основаны на поглощении света в определенной части спектра.
Принцип их действия основан на законе Бугера – Ламберта – Бера:
;
сl = D – оптическая плотность
I0 – интенсивность падающего (зондирующего) потока
Iпр – интенсивность прошедшего через вещество потока
– коэффициент поглощения на данной длине волны
с – концентрация
l – толщина просвечиваемого слоя (длина кюветы)
П
ринципиальная схема
1 – источник излучения
2 – светофильтры, установленные на обтюраторе – 3
4 – кювета, заполненная анализируемой средой
5 – фотоприемник
6 – измерительная схема
7 – показывающий прибор
Фотоколориметры определяют зависимость интенсивности излучения от окраски.
При фотоколориметрическом анализе проводится избирательная реакция с определяемым компонентом любой анализ требует предварительной градуировки прибора.
С = (D)
: 1) высокая избирательность
2) отсутствие контакта с анализируемой средой
Недостатки: 1) необходимость предварительной градуировки пользователем под конкретное вещество
2) это лабораторные приборы
Используются для определения: фенола в воде, хлора в воде, NH3
§2. ИК анализаторы
Используется поглощение в ИК области спектра
Принципиальная схема та же самая, отличается источником, фильтрами и приемником.
Используются для определения загрязнения воды нефтепродуктами.
Сначала экстракция нефтепродуктов из воды, а затем анализ (фотометрирование).
Для экстракции используют растворители.
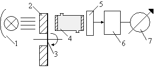
§3. Флюорисцентные приборы
Принцип вторичного излучения. В зависимости от причины, люминесценция делится на: 1) хемилюминесценция (химическая реакция);
2) флюоресценция (от источника света)
3) радиолюминесценция (радиоактивное излучение).
При мониторинге воды используется флюоресценция. Для определения загрязнения используются микроорганизмы, которые флюорицируют.
Принципиальная схема
1 – источник возбуждающего излучения
2 – фильтр узкополосный
3 – оптическое стекло
4 – кювета
5
- светофильтр, который выделяет - излучение люминесценции
6 – фотоприемник
7 – измерительная схема
Используются только как лабораторные приборы из-за сложности анализа и легкого тушения люминесценции другими веществами.
Изучит самостоятельно: оптические приборы и методы определения твердых веществ в воде (мутности) – турбидиметры, нефелометры.
_____________________________________________________________________________
Методы и приборы контроля сточных вод
| Методы и приборы | Измеряемая физическая величина | Определяемый компонент | Порог обнаружения | Особенности |
| 1. Кондуктометрия: – кондуктометры – счетчики Coulter’a | Теплопроводность | 1) общее солесодержание 2) счетная концентрация и дисперсия 3) электропроводность | Метод не избирательный | |
| 0,3 мкм | ||||
| 10-8 Сим/см | ||||
| 2. Потенциометрия: – рН метры – ионометры | Потенциал электрода | Ca2+; Na+; K+; Cl-; Mg2+; I-; NO3-; H+; pCO2 | 10-4 моль/л | Требует специальных мер защиты мембраны от загрязнений |
| 3. Амперометрия: датчики Кларка | Ток | Растворенный О2 | 0,5 мг/л | Сложность: периодическая замена электролита |
| 4. Полярография | Предельный диффузионный ток | Pb; Zn; Cu; Cd; Hg; Pt; Ni; Mg | 10-8 моль/л | |
| 5. Оптические | 0,001 % | |||
| 6. Оптические для определения счетной концентрации твердых веществ | Интенсивность светового потока | 0 105 частиц/см3 | Возможность загрязнения оптических окон и неоднозначность показаний при попадании нескольких веществ |
1
)
1– излучатель в видимой области спектра
2 – оптические окна
3 – фотоприемник
4 – электронный счетчик
2) Датчики
1 – серебряный электрод
2
– свинцовый электрод
3 – вторпластовая мембрана, которая избирательна для ионов О2
4 – корпус ячейки
5 – пластиковая мембрана для компенсации атмосферного давления
Часть 8. Аппаратное и программное обеспечение систем мониторинга воды
§1. Аппаратное обеспечение системы отбора и подготовки пробы
Основные функции:
-
кондиционирование пробы
-
очистка пробы
-
поддержание определенной температуры пробы
-
установка определенного значения рН
-
задание определенной величины расхода пробы
-
предварительное разбавление или концентрирование пробы
Оборудование и аппаратура:
1. Дозаторы пробы
- перестатические насосы
- поршневые насосы
Для измерения расхода пробы используются сужающие устройства (диафрагмы), ротаметры или специальные щелевые расходометры.
1
– диск
2 – ролики
3 – гибкий шланг
4 – электрический привод
5 – устройство управления
Сужающее устройство
1 – труба
2
– диск с отверстием (диафрагма)
ДМ – диф. Монометр
При изменении скорости меняется р
2. Датчики
-
проточные
- погружные
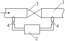
В зависимости от типа организуют систему мониторинга.
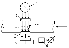
а) 1 – магистральный трубопровод
2 – датчик качества
3 – клапан
4 – клапаны (вентили) для демонтажа датчика
б
) Используется, когда в анализируемую среду добавляют какие-либо реактивы в соответствии с методом измерения (автоматическое титрование, фотоколорометрия)
1 – расходомер
2 – холодильник
3 – сосуд, в котором производится измерение
4 – датчик
в) 1 – кронштейн для крепления датчика
2 – соединительная коробка (для коммутации датчика)
3
– штанга
4 – чувствительные элементы датчика
3. Анализаторы
4. Средства метрологического обеспечения
Образцовые среды (рабочие эталоны), которые необходимы для периодической поверки средств измерения.
5. Вычислительная техника
6. Различного рода штуцера, клапана, арматура и т.д.
7. Дополнительное оборудование для автономных и автомобильных станций
- система электроснабжения
- система кондиционирования
- система аккумуляторного питания
- аппаратура приема и передачи данных
§2. Программное обеспечение
1) ОС (Windows NT)
2) Пакеты прикладных программ для статистической обработки данных
3) Специфические программы для установки связи с конкретными измерительными приборами
4) Программы для идентификации загрязняющего компонента, его привязки ко времени и производству
5) Пакеты прикладных программ для создания баз данных, архивирования и организации доступа по запросу
6) Система обеспечения защиты
Часть 9. Примеры систем мониторинга воды
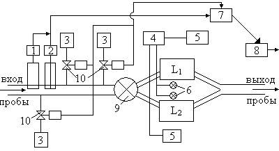
§1. Неклассические системы
: небольшой объём, высокая скорость анализа за счет транспортного запаздывания.
1 – кондуктометрический концентратомер
2
– рН-метр с датчиком
3 – емкости для реагента
4 – фотоколориметр
5 – фотоприемники
6 – лампы (источники излучения)
L1, L2 – длины кюветы 1 и 2
7 – микропроцессор
8 – устройство отображения информации
9 – кран-переключатель
10 – регулирующий клапан
Предназначены для: определения электропроводности воды, рН, Сl-, NO3- и фенола (2 последних фотоколориметрическим методом).
Это циклическая система. Порядок циклов задается программно оператором.















