Экологический мониторинг (1094308), страница 3
Текст из файла (страница 3)
Для измерения в этих расходомерах используются УП:
1
) Врезные – врезаются в трубу и контактируют с жидкостью
2) Накладные – устанавливаются сверху трубопровода и УЗ сигнал проходит через стенку трубы; - а) нет контакта с измеряемой средой; б) простота установки (монтажа)
Используются для измерения расхода газов в различных трубах (Dтруб = от 12,3 мм до 5 м);
tо =- 40оС 500оС
Поверка – метрологическая операция, которая позволяет установить соответствие метрологических характеристик средств измерения и его паспортных данных.
§2. Турбинные расходомеры
1
– турбина
2 – преобразователь
3 – измерительная схема
4 – регистрирующий прибор
Q0 V VT f I или U Q0*
Недостаток: а) возможность загрязнения
б) создают дополнительный перепад давления в месте установки.
Ч
асть 5. Измерение направления движения воздуха
Флюгеры визуальные и с датчиками положения.
1 – флюгер
2 – датчики положения
3 – устройство сбора информации
4 – система (станция, метеостанция)
ГЛАВА 3. МОНИТОРИНГ ПРИРОДНЫХ И СТОЧНЫХ ВОД
Часть 1. Измерение общего солесодержания
Это так называемые аналитические приборы (для определения состава и свойств веществ)
Может быть 2 названия этих приборов: а) СФС* – концентратомер, где С – концентрация загрязняющего компонента; Ф – какое-либо физическое свойство.
б) СФ – если шкала прибора отградуирована в единицах физической величины, то прибор называется в соответствии с этой величиной (Z.B. 0 – кондуктометр; (диэлектрическая проницаемость) – диэлкометр; рН - рНметр)
Для измерения общего солесодержания используются методы кондуктометрии.
_____________________________________________________________________________
Ф
изические основы метода кондуктометрии.
Все методы основаны на зависимости 0 = (С)
Измерение следует проводить либо слева, либо справа от максимума.
_____________________________________________________________________________
§1. Контактные методы кондуктометрии
Измерение электропроводности осуществляется в так называемой электролитической ячейке. Посмотреть методичку
1
. Двухэлектродная кондуктометрическая ячейка
1 – металлические электроды
2 – сосуд из диэлектрика
3 – анализируемая среда
ИП – источник питания
Н
а границе Ме-раствор возникают электродные процессы, приводящие к погрешности измерений.
Изменение потенциала электрода (U), связанное с протеканием тока называется поляризацией.
А – плотная часть двойного электрического слоя
Б – диффузная часть двойного электрического слоя.
Под действием гидратации ионы металла выходят в раствор.
В плотной части происходит резкое изменение потенциала, а в диффузионной – плавное.
Выход ионов из металла в раствор и обратно будет происходить до тех пор, пока не установится равновесие между процессами окисления и восстановления.
Изменение потенциала электрода относительно равновесного состояния – явление поляризации.
Линейная зависимость только в глубине электролита.
Э
лектрическая модель двухэлектродной ячейки.
R – сопротивление, вызванное пузырьками газа или загрязнением электрода.
Сд.с. – емкость двойного слоя 50 мкФ/см2
СsRs – последовательная фарадеева цепочка (фарадеевский импеданс). Импеданс – полное сопротивление.
Сs – псевдоемкость
Rs – поляризационное сопротивление
Rx – сопротивление самого процесса разрядки ионов.
Способы устранения эффектов поляризации: Посмотреть методичку
1
) R - электроды должны быть чистыми;
2) Проведение измерений на переменном токе.
В
лияние емкости двойного слоя выполняется аппаратным (схемным) путем.
3) Выбор материала электрода
Pt (Pt) –платина, покрытая платиновой чернью.
4) Увеличение поверхности электродов
5) использование компенсационных схем измерения, т.е. в момент отсчета показаний ток равен нулю.
2
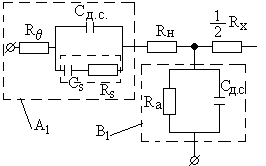
. Четырехэлектродная кондуктометрическая ячейка
А1, А2 – токовые электроды (на них происходит явление поляризации)
В1, В2 – потенциальные (измерительные) электроды (на них нет эффекта поляризации)
О
бласть I и III: области резкого изменения потенциала, где расположены токовые электроды.
Область II: область линейного изменения потенциала, где находятся потенциальные измерительные электроды.
Электрическая модель ячейки
Rн – сопротивление неизмеряемого участка раствора электролита
Rа – сопротивление, обусловленное величиной тока, который протекает через измерительные электроды. Rа = при компенсационном методе измерения.
Достоинства и недостатки контактной кондуктометрии.
а) простота реализации, невысокая стоимость (от 2000 руб.)
б) широкий диапазон измерений
Недостатки: наличие контакта с анализируемой средой.
§2. Бесконтактная кондуктометрия
1. Бесконтактная низкочастотная кондуктометрия
(Метод жидкостного витка или трансформаторный метод)
Все промышленные приборы работают в диапазоне 10-6 1 [Сим/см]
Т
1 – питающий трансформатор
Т2 – измерительный трансформатор
* - изготавливается из пластика, заполняется анализируемой средой.
Напряжение питания подается через Т1 на жидкостной виток, который является вторичной обмоткой первого трансформатора и первичной второго.
При изменении электропроводности происходит изменение тока в жидкостном витке и магнитного потока в Т2. Это приводит к появлению во вторичной обмотке трансформатора Т2 ЭДС.
Рабочая частота 6 кГц.
: отсутствие контакта с анализируемой средой.
Недостаток: а) подверженность влиянию магнитных полей промышленной частоты (50Гц)
б) невозможность измерения при высоких температурах.
2. Бесконтактная высокочастотная кондуктометрия
Основана на взаимодействии электромагнитного поля высокой частоты (от 1 до 100 МГц) с веществом, изолированным от систем электродов.
1
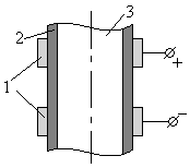
) Кондуктометр с емкостными ячейками (С-ячейки)
Представляет собой конденсатор с многослойным диэлектриком.
1 – металлические кольцевые электроды
2 – трубка из диэлектрика
3 – рабочая полость
Электрическая модель ячейки:
С
1’ – емкость, обусловленная диэлектрическими свойствами стенки ячейки;
R1’ – активные потери в материале стенки ячейки
С2 – емкость, обусловленная диэлектрическими свойствами анализируемой среды
– электропроводность анализируемой среды
Скр – краевая емкость, обусловлена тем, что силовые поля идут вне рабочей части.
При измерении электропроводности высокочастотным методом она измеряется не прямо, а путем определения комплексного сопротивления емкостной ячейки и его сопротивления.
Yя = Gp + jBp – комплексная проводимость; Gр – активная составляющая полной проводимости ячейки; Вр – реактивная составляющая.
В зависимости от того, какая составляющая измеряется, различают три способа:
1) Q – метрический способ (Gр = ()); Q – показатель добротности.
В случае Q – метрического способа необходима компенсация реактивной составляющей (Вр=0) этот способ – компенсационный, обладает высокой точностью и очень высокой чувствительностью в области малой электропроводности.
Н
едостаток: наличие экстремума на зависимости Gр = ().
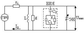
Измерительные ячейки включаются в схему, и чаще всего для этой цели используются контурные измерительные схемы, или схемы с колебательным контуром.
I0 = const при zi >> Rp
ГВЧ – генератор высокой частоты
zi – сопротивление связи
L – индуктивность
g – активные потери в измерительной схеме
ЕИЯ – емкостная измерительная ячейка
Э
Н – элемент настройки колебательного контура
Rp – активное сопротивление колебательного контура в момент резонанса
В случае Q – метрического способа при каждом новом значении схема настраивается в резонанс с помощью элемента настройки.
2
) Емкостной способ (определение реактивной составляющей).
Сэ = Вр
Отсчет показаний ведется по шкале ЭН
: а) отсутствие экстремума на статической характеристике
б) достаточно высокая точность измерения
Недостатки: а) необходимость выполнения ручных операций для настройки в случае лабораторных приборов
б) достаточно сложная схема настройки промышленных приборов.
3) Z – метрический способ
С
пособ измерения полного сопротивления или полной проводимости емкостной ячейки.
|Z| = f ()
; Y = Yя + Yис (Yис – полная проводимость самой схемы)
Вид кривой зависит от настройки
: а) нет системы компенсации реактивной составляющей (метод прямого измерения)
б) простота, стоимость ниже
Недостаток: меньшая точность измерения, чем у Q – метрического и емкостного.
Факторы, влияющие на точность измерения
1
) Аномальная дисперсия диэлектрической проницаемости. Этот фактор учитывается при выборе частоты измерений [Гц]
0 – частота на постоянном токе
- для очень высокой частоты
В области I диполи воды успевают ориентироваться при изменении частоты
Область III – область аномальной дисперсии ; диполи не успевают ориентироваться при изменении частоты.
Z.B. Выбор частоты: для чистой воды f = 1,8 ГГц
2) Условия квазистационарности.
З
аключаются в том, чтобы эффективные размеры емкостной измерительной ячейки были меньше ?, иначе теряет смысл емкостная ячейка как конденсатор, ее следует рассматривать как систему с распределенными параметрами.
Зависимость напряжения от радиуса пластины конденсатора
- равновесный потенциал.















