Экологический мониторинг (1094308), страница 2
Текст из файла (страница 2)
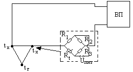
б) неуравновешенные мосты: ток не равен нулю, показание тока связано с показаниями термометра сопротивления I = (Rt); I ≠ 0
2
) Логометры – это измеритель отношений.
Это магнитоэлектрический прибор, у которого есть 2 рамки (1 и 2), которые механически жестко связаны между собой. Они установлены между полюсными наконечниками 3. На рамках крепится стрелка 5; 4 – шкала прибора. М1, М2 – вращающие моменты.
Равновесие М1 = М2;
I1 = E/R1; I2 = E/(R1 + Rt)
Недостаток: приборы имеют нелинейную (неравномерную) шкалу.
3) Компенсаторы.
О
сновной источник погрешности при использовании термометров сопротивления как датчика температуры заключается в значительном влиянии на результат сопротивления соединительных проводов (линий). Для исключения этой погрешности используют компенсационные схемы.
R0 – образцовый резистор с известным сопротивлением; П – потенциометр – это прибор, который позволяет компенсировать падение напряжения в цепи путем подачи противонапряжения с обратным знаком.
Измерение проводится в 2 этапа.
I: URt = IRt;
; II: U0 = IR0
В момент измерения падения напряжения с помощью потенциометра ток через соединительные провода термометра сопротивления не идет.
У нормирующих преобразователей, работающих с термометрами сопротивления входная цепь – это либо мост, либо компенсатор.
§2. Термоэлектрические преобразователи (термопары)
П
ринцип действия основан на возникновении термо-ЭДС в месте спая двух разнородных металлов.
А, В – проводники
(1) – горячий спай
(2) – холодный спай
E = (t) = Etr - Etx
Обратный эффект – эффект Плетье.
К
онструктивно горячий спай защищен защитным чехлом.
Основной источник погрешности при измерении температуры с помощью термопары – это непостоянство температуры холодного спая. В лабораторных условиях холодный спай помещается в сосуд Дюара.
Для компенсации изменения температуры холодных спаев используются мостовые схемы.
–
схема компенсации изменения температуры холодного спая, активный элемент Rt расположен вблизи холодных спаев. Компенсатор вводит соответствующую поправку в ЭДС.
Вторичные приборы, работающие с термопарой
1) Любой милливольтметр
2) Потенциометр
3) Нормирующий преобразователь – входная цепь построена по принципу милливольт-метра
§3. Бесконтактные методы
1. Тепловизоры
Это приборы и системы, которые позволяют определить не только величину температуры, но и распределение температуры по объекту с высокой точностью.
Основаны на регистрации теплового излучения объекта и ИК области объекта.
FLIR systems
Применение в ЭМ:
1) Контроль утечек тепла из магистральных и городских теплотрасс
2) Контроль утечек из магистральных трубопроводов с широкой фракцией углеводородов (ШФЛУ)
_____________________________________________________________________________
Физические основы термографии
Принцип действия основан на законах излучения абсолютно черного тела.
Wb – спектральная плотность излучения черного тела при длине волны
с = 3108 м/с – скорость света
h = 6,610-34 Дж/с – постоянная Планка
k = 1,410-23 Дж/К – постоянная Больцмана
Закон Стефана-Больцмана: Wb=T2 [Вт/м2]
= 5,710-8 – постоянная Стефана – Больцмана
_
____________________________________________________________________________
Устройство тепловизоров.
Тепловой детектор – микроболометр.
Ячейка детектора (справа), как термопара, при нагреве ее сопротивление изменяется.
В этом случае контакт с объектом отсутствует; ячейка нагревается за счет излучения предмета.
П
ринципиальная схема измерения
Необходимое условие – точный контроль температуры микроболометра.
М
икроболометр в сборе.
С FPA детектора сигнал идет в АЦП (аналогово-цифровой преобразователь).
Один 14-битный АЦП на линию пикселей (всего их 320), полностью интегрированный в микросхему детектора, минимизирует риск возникновения «шумов».
Существует 2 вида тепловизоров: измерительные и неизмерительные. Измерительные позволяют получать полную тепловую картину объекта с оцифрованными значениями температуры. Неизмерительные – только цифровую картину.
Функциональная схема преобразования сигнала
К
С – коммутатор сигналов
МП – микропроцессор
RS232 порт – стандартный интерфейс передачи сигнала на внешнее устройство
Vпорт – порт для выхода видеосигнала
Применение тепловизоров: тепловизионные иммеджеры (кроме теплоизображения имеется сканер в ИК области в узком диапазоне длин волн).
2. Оптические пирометры
Включают: – оптику (объектив);
– один или несколько чувствительных элементов (ЧЭ). В качестве ЧЭ может быть батарея термопар (несколько соединенных последовательно термопар).
– дисплей;
– лазерный целеуказатель для выбора объекта измерений.
Используется несколько видов пирометров:
1) Пирометры с исчезающей нитью. В них определение температуры объекта производится путем сравнения температуры (цвета) объекта с цветом нити лампы накаливания, встроенной в пирометр; сравнивает человек.
2) Радиационные пирометры (пирометры полного излучения). Измерение в соответствии с законом Стефана-Больцмана, регистрируется всё, что идет от объекта. ЧЭ – батарея термопар. Недостаток – необходимость поддерживания температуры холодных спаев постоянной.
3) Пирометры спектрального отношения. Измеряется спектральная плотность при двух близких, но неодинаковых длинах волн. Позволяют измерять с высокой точностью температуру за счет снижения влияния коэффициента нечерноты при различных длинах волн.
Функциональная схема преобразования сигнала
В
ерхняя часть – цифровые пирометры; нижняя – аналоговые.
ЧЭ – чувствительный элемент
АЦП – Аналогово-цифровой преобразователь
ЦИ – цифровой индикатор
> – усилитель
НП – нормирующий преобразователь
И – стрелочный индикатор
Часть 3. Измерение уровня жидкости
Для измерения уровня жидкости используются следующие приборы:
1. Мерные шесты и рулетки
2. Поплавковые уровнемеры
3. Электрические уровнемеры
4. Бесконтактные уровнемеры
§1. Поплавковые уровнемеры
И
спользуются в системе очистки сточных вод в открытых резервуарах.
1 – поплавок
2 – резервуар
3 – трос
4 – отсчетное устройство
5 – шкала
§2. Электрические уровнемеры
Применение: а) чистые воды, которые близки по свойствам к хорошему диэлектрику;
б
) для загрязненных жидкостей (электропроводящие) – вода.
Х
ороший диэлектрик R (1012 – 1014 Ом): стекло, полиэтилен, керамика, бидистиллированная вода (0 = 108 Сименс/см; 1 сименс = 1/Ом)
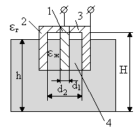
1. Емкостные уровнемеры.
1 – центральный (+) электрод
2 – второй (экранный) электрод
3 – вставка из диэлектрика
4 – рабочая полость датчика
h – текущее значение уровня
Э
лектрическая модель датчика
0 = 8,8510-12 Ф/м
С = Сп +Сг + Сж – статическая характеристика датчика
Функциональная схема преобразования сигнала
Д
– датчик
ИС – измерительная схема
НП – нормирующий преобразователь
h
CI или UIyAисh
2. Кондуктометрические уровнемеры
Принцип действия – измерение сопротивления между двумя электродами, погруженными в жидкость.
1 – металлические электроды
2 – емкость
hRI или U
§3. Бесконтактные уровнемеры
П
ринцип локации – регистрация времени прихода у/з отраженного сигнала от дна емкости или водоема. Чаще используются для открытых водоемов.
Принципиальная схема
1 – у/з излучатель и приемник
2 – измерительная схема
3 – у/з генератор
4 – схема регистрации времени
I – зондирующий луч
II – отраженный сигнал
; Сж – скорость у/з в жидкости.
Часть 4. Измерение расхода природных и сточных вод
Специфика: как правило, расход измеряется в открытых каналах или трубах.
§1. Ультразвуковые расходомеры
Времяимпульсный УЗ расходомер
УП1,2 – УЗ преобразователи, установленные на трубопроводе; они питаются от генератора 1.
2 – измерительная схема
3 – регистрирующее устройство
УЗ преобразователи вводят акустический сигнал под некоторым углом к оси трубопровода.
У
П работают поочередно: сначала УП1 излучает, а УП2 принимает акустический сигнал, потом они меняются местами.
В каждом из этих циклов определяется время прохождения акустического сигала через жидкость. Акустический сигнал распространяется в жидкости с определенной скоростью.
1 – время измерения по потоку; 2 – время измерения против потока (1< 2)
; VL – проекция линейной скорости потока на направление L,
с – скорость распространения УЗ в неподвижной жидкости (для воды 1470 м/с).
Q0 V (10-12c) Q0*; Q0 = VSтрубопровода – объемный расход
Точность прибора: 0,5%, 1%















