Примеры решения задач по споротивлению материалов (1092641), страница 5
Текст из файла (страница 5)
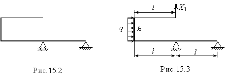
Прикладывая к основной системе неизвестную реакцию отброшенной опоры Х 1 и заданную нагрузку q , получаем эквивалентную систему (рис. 15.3).
2. Каноническое уравнение метода сил для данной системы запишется в виде
где
d 11 - перемещение точки А в направлении силы Х 1 от действия силы X 1 =1,
d 1 q - перемещение точки А в направлении силы Х 1 от действия нагрузки q .
|
|
|
|
3. Строим эпюры изгибающего момента М отдельно от действия силы X 1 = 1 (рис.15.4) и нагрузки q (грузовая эпюра) - рис.15.5. При этом в ряде случаев можно обойтись без определения опорных реакций.
4. Для отыскания коэффициентов канонического уравнения d 11 и d 1 q используем способ Верещагина.
Для определения коэффициента d 11 единичную эпюру М умножаем саму на себя:
Для определения коэффициента d 1 q умножаем грузовую эпюру М на единичную эпюру
:
.
5. Из канонического уравнения (15.1) найдем неизвестную Х 1 :
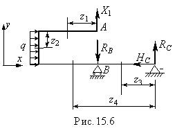
6. Из уравнений статики определяем опорные реакции (рис.15.6):
Сумма проекций всех сил на вертикальную ось у дает нуль, что подтверждает правильность определения опорных реакций:
.
Составляем выражения для N , Q y и М x по участкам:
| 1 участок: N 1 = 0;
| 2 участок:
|
| 3 участок:
| 4 участок:
|
Вычислив значения внутренних усилий на границах участков, строим эпюры N , Q y , М x (рис.15.9).
Литература: 1, гл. 12; 2, гл, 6 .
Задача 16. ТОНКОСТЕННАЯ ОБОЛОЧКА
Тонкостенный цилиндрический резервуар диаметром D = 6 м заполнен на высоту Н = 14 м жидкостью, плотность которой
кг/м 3 . В резервуаре над жидкостью создано давление р 0 = 0,2 МПа.
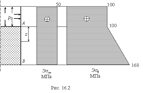
|
| Требуется : 1) найти толщину стенки резервуара из условия прочности в нижнем сечении, если 2) построить эпюры окружных и меридиональных напряжений (вдоль меридиана). Решение. 1. В стенках резервуара возникают меридиональные |
При данном способе закрепления резервуара вес жидкости воспринимается основанием, поэтому меридиональные напряжения возникают только от действия внутреннего давления р 0 и равны
,
а окружные напряжения возникают от давления газа и гидростатического давления р =р 0 + r g Н
,
Используя четвертую теорию прочности
,
получим
.
м.
Округляя до большего целого значения, получим t = 6 мм.
2. Для построения эпюр меридиональных и окружных напряжений рассмотрим два участка: первый - часть резервуара выше уровня жидкости, второй - ниже уровня жидкости.
На первом участке
МПа.
На втором участке меридиональные напряжения постоянны по всей высоте резервуара, а окружные напряжения линейно изменяются в зависимости от величины давления р = р 0 + r gz . В верхнем сечении ( А ), на уровне поверхности жидкости, давление р = р 0 = 0,2 МПа, в нижнем сечении резервуара ( В ) - р = р 0 + r gH = 0,337 МПа (рис.16.2).
|
|
|
Литература: 1,§1.16; 2, §64,65.
Задача 19. РАСЧЕТ НА ВЫНОСЛИВОСТЬ
В опасном сечении вала диаметра d = 36 мм действуют крутящий момент М к = 290 Нм и изгибающий момент М и = 260 Нм. Вал из углеродистой стали (
в = 590 МПа,
Т = 280 МПа) не имеет резких переходов диаметра, выточек, канавок, поверхность его чисто обработана резцом.
Требуется определить коэффициент запаса прочности в опасном сечении вала, приняв нормальные напряжения изгиба изменяющимися по симметричному циклу, а касательные напряжения кручения – по пульсирующему циклу (от нуля до максимального значения).
Коэффициенты концентрации напряжений и масштабные коэффициенты считать одинаковыми для нормальных и для касательных напряжений.
Решение.
1. Найдем максимальные нормальные напряжения изгиба и максимальные касательные напряжения кручения:
МПа,
МПа,
где W x , W p – соответственно осевой и полярный моменты сопротивления.
2. По эмпирическим формулам находим предел текучести при кручении
Т и пределы выносливости при кручении и изгибе (при симметричном цикле)
-1 и
-1 .
Для углеродистых сталей
,
.
Примем
МПа.
МПа;
МПа.
3. Найдем действительный коэффициент концентрации по формуле
.
4. Найдем масштабный коэффициент
.
5. Найдем коэффициенты запаса прочности по нормальным и касательным напряжениям.
При симметричном цикле среднее напряжение и амплитуда цикла нормальных напряжений соответственно равны
,
. При пульсирующем цикле среднее напряжение и амплитуда цикла касательных напряжений соответственно равны
МПа.
Коэффициент запаса прочности по усталостному разрушению при изгибе
вычисляем по формуле:
Для определения коэффициента запаса прочности по усталостному разрушению при кручении
из таблицы значений коэффициентов
для стали [1, табл.1.15] находим: при
в = 590 МПа = 59 кг/мм 2 ,
, приближенно принимаем
.
Тогда
.
Коэффициент запаса прочности по текучести:
при изгибе
;
при кручении
.
6. Найдем общие коэффициенты запаса прочности по усталостному разрушению n и по текучести n Т :
,
.
Литература: 1, гл.15; 2, гл.13.
Библиографический список
1. Дарков А.В., Кутуков Б.Н. Сопротивление материалов. 13 изд-е. М.: Высш. школа, 1979, 48 с.
2. Дарков А.В., Шпиро Г.С. Сопротивление материалов. М., 1975, 654 с.
3. Сборник задач по сопротивлению материалов /Под ред. В.К.Качурина. М., 1972, 432 с.
4. Миролюбов И.Н., Енгалычев С.А., Сергиевский Н.Д. и др. Пособие к решению задач по сопротивлению материалов. М., 1962, 488 с.
5. Контрольные задания по сопротивлению материалов для студентов-заочников. Метод. указания /Сост.: С.Г.Сидорин, С.Г.Мухамбетжанов. КГТУ, Казань,. 1995, 40 с.
6. Сопротивление материалов. Опорный конспект лекций. Учеб. пособие /С.Г.Сидорин, Регентъ, 2003, 106 с.
| Сопромат - заочно. Версия: 20 июня 2005 г. |
кН.
МПа,
МПа.















