Примеры решения задач по споротивлению материалов (1092641)
Текст из файла
Сопротивление материалов – заочно
Для студентов заочной формы образования
Казанского государственного технологического университета
Примеры решения задач
Задача 1. СТЕРЖНЕВАЯ СИСТЕМА
Два стальных стержня, шарнирно соединенных в точке А, находятся под действием силы Р .Первый стержень имеет длину с и площадь поперечного сечения F, второй длину a и площадь 2F.
|
| Требуется найти: 1) величину нормальный напряжений, действующих в стержнях. 2) абсолютную и относительную деформации стержней. Исходные данные: Р = 130 кН, с = 1,5 м, а = 2 м, F = 12 см^2. Решение. Стержни прикреплены к стене и соединены между собой шарнирами (точках В , С и А ). Шарниры предполагаются идеальными, т. е. такими, трение в которых отсутствует. Нагрузка Р приложена в узле А . Поэтому стержни будут испытывать только продольные (растягивающие или сжимающие) усилия, т.е. в поперечных сечениях стержней возникает только один внутренний силовой фактор - продольная сила N . 1. Для определения усилий используем метод сечений . Рассечем стержни, отбросим часть, содержащую опорные точки. Заменяя действие отброшенной части, приложим в сечениях неизвестные продольные усилия N 1 и N 2 .Полагая оба стержня растянутыми, направим усилия N 1 , и N 2 так, как показано на рис. (1.2). |
Уравновесим отсеченную часть. Для сходящейся плоской системы сил можно составить два независимых уравнения равновесия - в виде сумм проекции всех сил на две оси х и у (рис. 1.2).
Тогда уравнения равновесия представятся в виде:
Для определения
и
рассмотрим стержневую систему (рис.1.1). Из точки А опустим перпендикуляр А D на прямую ВС , получим два прямоугольных треугольника ABD и АDC .
|
| Из треугольника ABD определим AD :
Из треугольника AD С получим:
Теперь определим неизвестные усилия N 1 , и N 2 из системы двух линейных уравнений (1.1). Перепишем уравнения в следующем виде: |
(1.2)
Решим систему (1.2), используя, например, метод Крамера.
2. Определим нормальные напряжения, действующие в стержнях.
Напряжения в стержнях определяются по формуле
Для первого стержня
для второго стержня
МПа,
3. Найдем абсолютную и относительную деформации стержней.
Абсолютная деформация стержня длиной l определяется из закона Гука:
Абсолютная деформация первого стержня
м.
Абсолютная деформация второго стержня
Относительную деформацию определим из закона Гука
.
Относительная деформация первого стержня
,
относительная деформация второго стержня
.
Литература: 1 § 1.2 – 8.2
Задача 2. СТАТИЧЕСКИ НЕОПРЕДЕЛИМАЯ СТЕРЖНЕВАЯ СИСТЕМА
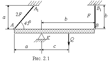
Абсолютно жесткий брус шарнирно закреплен на неподвижной опоре и поддерживается двумя стержнями (рис. 2.1).
Решение.
| 1. Рассечем стержни АА 1 и ВВ 1 , усилия N 1 , и N 2 в стержнях АА 1 , и ВВ 1 , направим вдоль осей стержней как показано на рис.2.2. Реакция опоры К имеет горизонтальную составляющую Н К , и вертикальную составляющую R К , так как эта опора препятствует горизонтальному и вертикальному перемещению точки К бруса. Таким образом, всего имеется четыре неизвестные реакции (рис.2.2), а независимых уравнений равновесия для плоской системы сил можно составить всего три. Следовательно, данная система один раз статически неопределима Статически неопределимые системы рассчитывают путем совместного решения уравнений, полученных в результате рассмотрения статической, геометрической и физической сторон задачи. |
Статическая сторона задачи. По условию задачи необходимо определить усилия N 1 и N 2 , a в определении реакций Н К и R К нет необходимости. Поэтому достаточно из трех возможных уравнений равновесия использовать одно, в которое не входили бы реакция Н К и R К . Таким является уравнение суммы моментов всех сил относительно шарнира К :
где
(м).
Подставляя в уравнение значения h , b и с , получим
(2.1)
Геометрическая сторона задачи . Под действием внешней силы
абсолютно жесткий брус повернется вокруг точки К . Шарниры А и В после деформации переходят в положение А 2 и В 2 соответственно, т.е. перемещаются по вертикали на величины
1 и
2 (рис.2.3).
|
| Из подобия треугольников AA 2 К и ВВ 2 К находим Выразим укорочение |
откуда
|
| или с учетом равенства (2.2) |
|
Физическая сторона задачи . Используя закон Гука, записанный для абсолютных деформаций, выразим деформации стержней через усилия
|
|
|
| Подставим выражения (2.3) в условие (2.4) |
|
Решаем совместно уравнения статики (2.1) и уравнение (2.5):
Определяем напряжения в стержнях 1 и 2:
2. Найдем допускаемую нагрузку [
], приравняв большее по модулю напряжение допускаемому напряжению
= 160 МПа.
|
| откуда |
|
3. Найдем нагрузки предельную - Q пр и допускаемую - [ Q пр ], если предел текучести
Т = 240 МПа и запас прочности n = 1,5.
При увеличении нагрузки Q c верх значения [ Q ] напряжения в обоих стержнях сначала увеличивается прямо пропорционально нагрузке. При увеличении нагрузки до некоторой величины Q > [ Q ] напряжение
2 во втором стержне достигают предела текучести
Т , а усилие N 2 - предельного значения N 2 пр =
Т · F . При этом напряжение
1 сжатия в первом стержне остается меньше
Т . При дальнейшем увеличении нагрузки, напряжения во втором стержне остаются постоянными, равными пределу текучести, а в первом - возрастают, пока также не достигают
Т , усилие N 1 при этом равно
N 1 пр = –
Т ·2 F . Это состояние системы называется предельным, соответствующим исчерпанию ее грузоподъемности. Дальнейшее, даже незначительное увеличение нагрузки связано с весьма большими деформациями системы. Величину силы Q , вызываюшую предельное состояние, обозначают Q пр и называют предельной силой.
Для вычисления Q пр подставим в уравнение (2.1) значения предельных продольных усилий, возникающих в стержнях N 1 = N 1 пр , N 2 = N 2 пр :
| 4. Сравним величины допускаемых нагрузок [ Q ] и [ Q пр ] |
|
Литература: 1, §9.2.
Задача З. ТЕОРИЯ НАПРЯЖЕННОГО СОСТОЯНИЯ
Элементарный параллелепипед, находящийся в произвольном месте стальной конструкции подвергается действию системы напряжений, лежащих в одной плоскости (рис.3.1).
Исходные данные:
х = 90 МПа,
у = 80 M П a ,
х y = 50 МПа.
Характеристики
Тип файла документ
Документы такого типа открываются такими программами, как Microsoft Office Word на компьютерах Windows, Apple Pages на компьютерах Mac, Open Office - бесплатная альтернатива на различных платформах, в том числе Linux. Наиболее простым и современным решением будут Google документы, так как открываются онлайн без скачивания прямо в браузере на любой платформе. Существуют российские качественные аналоги, например от Яндекса.
Будьте внимательны на мобильных устройствах, так как там используются упрощённый функционал даже в официальном приложении от Microsoft, поэтому для просмотра скачивайте PDF-версию. А если нужно редактировать файл, то используйте оригинальный файл.
Файлы такого типа обычно разбиты на страницы, а текст может быть форматированным (жирный, курсив, выбор шрифта, таблицы и т.п.), а также в него можно добавлять изображения. Формат идеально подходит для рефератов, докладов и РПЗ курсовых проектов, которые необходимо распечатать. Кстати перед печатью также сохраняйте файл в PDF, так как принтер может начудить со шрифтами.
,
(2.3)
Н.
Н.
= 1,38.
















