Примеры решения задач по споротивлению материалов (1092641), страница 3
Текст из файла (страница 3)
2. Построим эпюры внутренних силовых факторов, откладывая вычисленные значения на графике (рис.6.2). Соединим полученные точки прямыми линиями на участках, где аргумент z входит в первой степени и параболами, где z входит во второй степени. Таким образом, эпюра изгибающего момента на первом участке будет криволинейной, остальные участки эпюр будут прямолинейными. Определим опасное сечение балки, т.е. сечение, в котором изгибающий момент достигает наибольшего по модулю значения. Опасным сечением будет сечение на опоре, где
кНм.
3. Диаметр круглого сечения найдем из условия прочности
Схема б.
м = 10 а , а = l 2 /10 = 0,8 м, а 1 = 2 а = 1,6 м, а 2 = 8 а = 6,4 м, а 3 = 3 а = 2,4 м.
|
| 1. Для балки, лежащей на двух шарнирных опорах, найдем опорные реакции R А , Н А , R В (рис.6.З). Запишем уравнения равновесия:
Для проверки правильности определения реакций запишем еще одно уравнение равновесия, которое должно тождественно удовлетвориться при правильно найденных значениях реакций. |
|
| 40,06 + 30,38 - 19,2 - 51,2 |
Балка имеет три участка, рассечем каждый из них (рис.6.З).
I участок:
м
|
|
|
|
|
|
|
|
II участок:
м
|
|
|
|
|
|
|
|
II I участок:
м
|
|
|
|
|
|
|
|
2. Построим эпюры, соединяя полученные значения Q у и М х . На втором участке ЭМ х имеет максимум при
. Для определения величины максимального момента приравняем нулю выражение поперечной силы на участке, определим величину
и подставим ее в выражение изгибающего момента:
Двутавровое сечение найдем из условия прочности:
.
Определим необходимую величину момента сопротивления сечения
м 4 = 360 см 3 .
Из сортамента прокатной стали по ГОСТу 8239-72 (см., например, приложения [6]) выберем двутавр с
см 3 , № дв 27, у которого
см 3 .
Литература. 1; §1,7-§9,7
Задача 8. ВНЕЦЕНТРЕННОЕ СЖАТИЕ
Короткий чугунный стержень, поперечное сечение которого изображено на рис.8.1, а = 3 c м, b = 2 см, сжимается продольной силой Р , приложенной в точке А . Допускаемые нормальные напряжения: на сжатие
МПа; на растяжение
МПа.
|
| Требуется: 1) вычислить наибольшее растягивающее и наибольшее сжимающее напряжения в поперечном сечении, выразив величины этих напряжений через Р ; 2) найти допускаемую нагрузку [ Р ] при заданных размерах сечения и допускаемых напряжениях чугуна на сжатие Решение. 1. Нормальное напряжение в произвольной точке сечения стержня, определяемой координатами х и у , запишется в виде |
Подставляя исходные данные, получим:
см 3 .
Тогда
см.
Ввиду симметрии сечения координату центра тяжести у c можно найти без вычислений, она равна половине вертикального размера сечения
у c = 2 b = 4 см. Через найденный центр тяжести C проводим главные центральные оси х с и у с .
б) Вычислим главные моменты инерции.
Так как ось х с и оси элементарных сечений х 1 , х 2 , х 3 совпадают, то:
Для вычисления момента инерции относительно оси у с используем формулу изменения момента инерции при параллельном переносе осей:
см 4 .
Здесь через d 1 , d 2 , d 3 обозначены : соответственно расстояния между осью у с и осями у 1 , у 2 , у 3 :
Для определения наибольших напряжений сжатия и растяжения, возникающих в сечении, определим положение нейтральной линии. Ее положение определяется уравнением
, где
и
- отрезки, отсекаемые нейтральной линией на осях x c и y c ,
,
- главные радиусы инерции сечения,
х Р , у Р – координаты точки приложения силы Р (точки А ) относительно центральных осей х Р = -1,14 см, у Р = 2 см.
Получим
см,
см,
см ,
см.
|
| Отложим отрезки х 0 и у 0 и проведем через них нейтральную линию (рис.8.4). Нейтральная линия делит сечение на две части, в одной возникают напряжения сжатия, в другой – растяжения. В точке А прикладывается сжимающая сила Р , поэтому часть, включающая т. А – область сжатия, другая часть – область растяжения. Максимальные напряжения возникают в точках сечения наиболее удаленных от нейтральной линии. Для определения этих точек проведем линии параллельные нейтральной, получим в растянутой части точку К (-4,14; 4), в сжатой точку Е (1,86; -4) (рис.8.4). Подставляя в формулу (8.1) вычисленные значения моментов инерции, а также координаты точки приложения нагрузки и точек, где возникают наибольшие сжимающие (т. К ) и растягивающие (т. Е ) напряжения, получим: |
,
- максимальные напряжение растяжения
.
По вычисленным значениям построим эпюру
(рис.8.4).
2. Определим величину допускаемой силы [ P ].
Из условия прочности стержня при сжатии
Из условия прочности стержня при растяжении
, получим
кН.
Выбирая меньшую из двух нагрузок, окончательно принимаем
кН.
Литература: 1, § 2.9; 2, § 34.
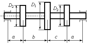
Задача 9. ИЗГИБ С КРУЧЕНИЕМ
Шкив диаметром и с углом наклона ветвей ремня к горизонту
1 делает n оборотов в минуту и передает мощность N кВт. Два других шкива имеют одинаковый диаметр D 2 и одинаковые углы наклона ветвей ремня к горизонту
2 . Каждый из них передает мощность N /2 (рис.9.1).
| Требуется 1) определить моменты, приложенные к шкивам по данным величинам N и n ; 2) построить эпюру крутящих моментов M к ; 3) определить окружные усилия t 1 и t 2 , действующие на шкивы, по найденным моментам и заданным диаметрам шкивов D 1 и D 2 ; 4) определить давления на вал, принимая их равными трем окружным усилиям; 5) определить силы, изгибающие вал в горизонтальной и вертикальной плоскостях (вес шкива и вала не учитывать); 6) построить эпюры изгибающих моментов от горизонтальных сил М гор и от вертикальных сил М верт ; 7) построить эпюру суммарных моментов 8) по эпюрам М и и М к найти опасное сечение и определить величину максимального расчетного момента по третьей теории прочности; 9) подобрать диаметр вала при [ |
Исходные данные: N = 40 кВт, n = 200 об/мин , а =1,2 м, b = 1,6 м , с = 1,0 м,D 1 = 1,2 м, D 2 = 0,68м,
1 = 60 0 , ? 2 = 40 0 , [
] = 70 МПа.
Решение.
1. Определение моментов, приложенных к шкивам. Момент на шкивах по передаваемой мощности и скорости вращения вала определяется по формуле
,
,
;
кН.
;
кН.
,
,
м,
см 4 .
кН.
















