ЭПУ_4 (1088705), страница 2
Текст из файла (страница 2)
Ток базы регулирующего транзистора (VT1) Iб определяется как разность тока, протекающего через резистор R1, и коллекторного тока VT2. Если учесть, что ток через резистор R1 изменяется меньше, чем ток Iк2, ток базы VT1 будет уменьшаться при увеличении коллекторного тока VT2. А это эквивалентно тому, что транзистор VT1 начнет запираться, т. е. будет увеличиваться RVT1 статическое сопротивление транзистора VT1 на участке коллектор – эмиттер. Увеличение этого сопротивления, т. е. сопротивления Rб на схеме, изображенной на рис. 1, приводит, как это следует из выражения (3), к уменьшению напряжения на нагрузке, которое и компенсирует его первоначальное увеличение.
Рассмотренный процесс удобно иллюстрировать приведенной ниже условной записью:
Uвх Uн Uб2
Uб.э2 Iк2
Uэ2 = const Iб1 RVT1 Uн
IR1 const
Аналогично можно рассуждать при воздействии других дестабилизирующих факторов. Например, при уменьшении сопротивления нагрузки (Rн) процесс будет развиваться следующим образом:
Rн Uн Uб2
Uб.э2 Iк2
Uэ2 = const Iб1 RVT1 Uн
IR1 const
Изменение температуры также может служить причиной изменения выходного напряжения стабилизатора. О влиянии температуры через воздействие на источник эталонного напряжения и делитель в цепи обратной связи (R3, R4, R5) говорилось ранее. Температурная чувствительность других элементов схемы также является причиной нестабильности выходного напряжения. Например, увеличение температуры корпуса транзистора VT2 (TVT2) приводит к возрастанию его коллекторного тока и в итоге к снижению выходного напряжения:
TVT2 I к2
I б1 RVT1 Uн
IR1 const
П
оэтому в стабилизаторах в качестве схемы сравнения и усилителя стремятся использовать дифференциальные УПТ (см. далее схему на рис. 7). На один вход дифференциального УПТ поступает напряжение Eэт, а на другой – напряжение обратной связи βUн с выхода резистивного делителя. Если нагрев транзисторов обоих каналов дифференциального УПТ будет одинаков, то изменение температуры будет восприниматься усилителем как синфазное воздействие, в результате чего изменение выходного напряжения будет существенно меньше.
В состав компенсационых стабилизаторов обычно включаются схемы защиты, срабатывающие при выходе условий эксплуатации за допустимые границы. Наиболее распространены схемы защиты от перегрузки по выходному току. По характеру защитного действия такие схемы подразделяются на два типа. В одних схемах при достижении определенного порога происходит резкое отключение нагрузки или всего стабилизатора, в других стабилизатор напряжения переводится в режим стабилизации тока, когда нагрузка не отключается, но напряжение на ней снижается по мере уменьшения ее сопротивления. Здесь используется тот факт, что функциональная схема компенсационного стабилизатора тока (рис. 5) подобна схеме стабилизатора напряжения. Единственное, но принципиальное отличие заключается в том, что сигнал, поступающий на схему сравнения, пропорционален не напряжению на выходе, а выходному току. В качестве датчика тока используется резистор Rд.т, включенный последовательно с нагрузкой (в верхнем или нижнем проводнике).
При изменении выходного тока на величину Iн на схему сравнения поступит сигнал Iн Rд.т, который, будучи усиленным в УПТ и регулирующем элементе в K1 и K2 раз, образует изменение падения напряжения на регулирующем элементе
UРЭ = Iн Rд.т K1K2 . (8)
При постоянстве входного напряжения очевидно соотношение
Uн = UРЭ.
Выходное сопротивление стабилизатора при этом
Rвых = Uн /Iн = Rд.т K1K2.
Увеличение коэффициентов усиления элементов стабилизатора (K1, K2) приводит к росту выходного сопротивления. Дальнейшее увеличение Rвых может быть достигнуто при комбинированной обратной связи, когда на схему сравнения подают два сигнала: один пропорциональный току в нагрузке IнRд.т, другой – напряжению на нагрузке Uнт. Приращение напряжения на регулирующем элементе при этом определится соотношением UРЭ = = (IнRд.т + Uнт)K1K2. Полагая, как прежде, Uн = UРЭ, получим выражение для выходного сопротивления стабилизатора:
Rвых = Rд.тK1K2/(1 + тK1K2).
Е
сли коэффициенту т присвоить отрицательный знак (т. е. обратную связь по напряжению сделать не отрицательной, а положительной), Rвых будет возрастать, стремясь к бесконечности при тK1K2 = 1. Как отмечалось ранее, переход в режим стабилизации тока используется как способ защиты стабилизатора напряжения от перегрузки при уменьшении нагрузочного сопротивления ниже допустимого значения. В этом случае введение дополнительной связи по напряжению при тK1K2 < 1 приводит даже к снижению тока через нагрузку при уменьшении ее сопротивления, так что ток короткого замыкания может быть сделан существенно меньше рабочего тока. Изменение вида нагрузочной характеристики такого стабилизатора при увеличении глубины обратной связи по напряжению в цепи стабилизации тока иллюстрируется графиками на рис. 6.
Значение тока короткого замыкания (которое не зависит от т) может быть найдено из соотношения (8), где UРЭ нужно при коротком замыкании приравнять к Uвх:
Iк.з = Uвх/Rд.тK1K2.
Если обратная связь по току используется в стабилизаторе напряжения как элемент защиты, то она носит пороговый характер, т. е. при значении тока нагрузки Iн меньше допустимого значения обратная связь по току не действует и стабилизатор сохраняет низкое выходное сопротивление.
Описание лабораторного стенда
Лабораторный стенд состоит из исследуемого устройства, универсального мультиметра и встроенного блока питания.
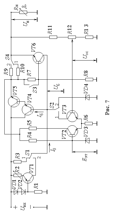
Схема исследуемого стабилизатора приведена на рис. 7. В качестве регулирующего элемента используется транзистор VT5. Вместе с транзистором VT4 они образуют так называемый составной транзистор, использование которого обеспечивает увеличение коэффициента усиления регулирующего элемента K2 и уменьшение требуемого значения выходного тока УПТ. В роли УПТ и схемы сравнения выступает дифференциальный усилительный каскад на транзисторах VT2 и VT3. Нагрузкой усилителя может быть линейный резистор R3 или нелинейный двухполюсник с большим динамическим сопротивлением (генератор стабильного тока) на транзисторе VT1 (переключатель S1 в положении 2). На один из входов дифференциального усилителя (база транзистора VT2) подключен источник эталонного напряжения (стабилитрон VD3 и резистор R4). На другой вход усилителя через резистивный делитель (R11, R12, R13) поступает напряжение обратной связи, пропорциональное выходному напряжению Uо.с = βUн.
В лабораторном макете предусмотрена возможность построения стабилизатора без УПТ. В этом случае переключателем S2 база транзистора VT4 подключается не к коллекторной цепи транзистора VT3, а к стабилитрону VD4. При этом резистор или генератор стабильного тока (в зависимости от положения переключателя S1) выполняют функции балластного резистора параметрического стабилизатора на стабилитроне VD3, а составной транзистор (VT4, VT5) с сопротивлением нагрузки представляет собой эмиттерный повторитель. Вместе с тем, такую схему можно трактовать и как простейший
вариант компенсационного стабилизатора, когда регулирующий транзистор одновременно выполняет функции и схемы сравнения (к базе VT4 подключен источник эталонного напряжения, а к эмиттеру VT5 – выходное напряжение).
В стабилизаторе установлена защита от перегрузки по току. Последовательно с нагрузкой включен резистор R9 или R10 (в зависимости от положения переключателя S4), который выполняет функции датчика тока Rд.т (см. схему на рис. 5). Когда ток нагрузки создает на этом резисторе падение напряжения, превышающее напряжение отпирания транзистора VT6 (при замыкающем положении переключателя S3 – кнопка S3 не подсвечивается), этот транзистор отпирается. Увеличение коллекторного тока транзистора VT6 приводит к уменьшению тока базы транзистора VT4 и, как следствие, к увеличению сопротивления регулирующего транзистора VT5. Следствием этого будет резкое уменьшение выходного напряжения – стабилизатор переходит в режим стабилизации тока. Переключение резисторов R9, R10 (R9 = 2,4 Ом, R10 = 3,3 Ом) изменяет значение тока нагрузки, при котором происходит срабатывание схемы защиты. Размыкание ключа S3 (кнопка S3 подсвечивается) вводит в цепь “база – эмиттер” транзистора VT6 падение напряжения на резисторе R7, которое пропорционально выходному напряжению – βтUн. Это дополнительное напряжение увеличивает порог срабатывания защиты и наклон внешней характеристики в режиме стабилизации тока (см. выражение (9) и графики на рис. 6).
Для исследования явления температурного дрейфа входного напряжения при изменении температуры элементов схемы в макете предусмотрена возможность независимого нагрева корпусов транзисторов VT2 и VT3.
Все переключения в схеме осуществляются встроенными коммутаторами (переключателями), расположенными на лицевой панели стенда. Состояние коммутаторов визуализируется светодиодными индикаторами. Кроме того, на лицевой панели расположены потенциометры, позволяющие регулировать уровень входного напряжения стабилизатора, ток токостабилизирующего двухполюсника и коэффициент передачи в цепи обратной связи компенсационного стабилизатора.
Наименования измеряемых мультиметром величин и их значения выводятся на жидкокристаллический дисплей, расположенный в правом верхнем углу передней панели. Под дисплеем расположены кнопки управления выводимой информацией. Для удобства работы в первой строке дисплея при установке номера пункта программы работы (по данному руководству) выводится значение параметра, изменяемого в данном пункте работы. Ниже зоны управления дисплеем расположена зона индикации режима работы стабилизатора.
Программа выполнения работы
Ознакомиться с расположением органов управления стендом и включить его. Номинальное значение входного напряжения 10 – 12 В.
1. Исследование стабилизатора без УПТ и с линейным балластным резистором.
Переключатели установить в следующие положения: S1 – 1, S2 2, S3 “Вкл” (кнопка не подсвечена), S4 2.
1.1. Снять зависимость напряжений на стабилитроне Uб и на нагрузке Uн, токов базы регулирующего транзистора Iб, балластного резистора I0 и стабилитрона Iстаб = I0 – Iб от напряжения на входе стабилизатора Uвх:
Uб, Uн, Iб, I0, Iстаб = f(Uвх). Входное напряжение изменять в пределах 9 – 16 В. Построить графики. Вычислить сопротивление балластного резистора R3 = (Uвх – Uб)/I0. Сопротивление нагрузки Rн в процессе эксперимента поддерживать постоянным (положение 6 или 7).
По графику определить диапазон изменения входного напряжения стабилизатора, в пределах которого наблюдается эффект стабилизации напряжений Uб, Uн. По данным, полученным в ходе эксперимента, на участке стабилизации по соотношению (1) определить коэффициент стабилизации выходного напряжения Uн и коэффициент стабилизации внутреннего параметрического стабилизатора с выходным напряжением Uб в соответствии с равенствами
KU1 = (Uвх/Uвх)/(Uн/Uн) ; KU2 = (Uвх/Uвх)/(Uб/Uб).
Для выполнения п.1.2 установить входное напряжение Uвх в пределах 10 –12 В.
1.2. Снять зависимости напряжений Uб, Uн и токов Iб, I0, Iстаб от тока нагрузки Iн, изменяемого переключением сопротивления нагрузки Rн. Входное напряжение стабилизатора при этом не изменять. Построить графики Uб, Uн, Iб, I0, Iстаб = f(Iн). По данным эксперимента вычислить выходные сопротивления стабилизаторов Rвых 1 = Uн/Iн; Rвых 2 = –Uб/Iб.
2. Исследование стабилизатора без УПТ и с нелинейным балластным резистором.















