ЭПУ_5 (1088707)
Текст из файла
14
Лабораторная работа № 5
ИССЛЕДОВАНИЕ ИМПУЛЬСНОГО СТАБИЛИЗАТОРА
ПОСТОЯННОГО НАПРЯЖЕНИЯ
Цели работы:
1. Исследование схем и основных характеристик регуляторов и стабилизаторов постоянного напряжения с импульсным регулированием.
2. Приобретение навыков экспериментального определения параметров стабилизатора.
Краткие теоретические сведения
Импульсный стабилизатор представляет собой разновидность компенсационных стабилизаторов, отличающийся тем, что, с целью повышения коэффициента полезного действия, регулирующий элемент (регулирующий транзистор) работает в режиме переключения. Часть периода транзистор открыт и находится в области насыщения, а другую часть периода он закрыт – находится в области отсечки. И в том, и в другом режиме потери в транзисторе малы. Переход из одного состояния в другое осуществляется через активную область работы. Здесь энергия, выделяемая в транзисторе, может быть большой, но мало время, в течение которого транзистор в этом состоянии находится.
Поскольку в закрытом состоянии регулирующий транзистор отделяет источник энергии от потребителя, в составе импульсного стабилизатора должен быть некий накопитель, запасающий энергию, когда он подключен к первичному источнику при открытом состоянии транзистора, и отдающий ее в нагрузку при закрывании транзистора. В качестве такого накопителя в стабилизаторах напряжения в основном используются катушки индуктивности – дроссели.
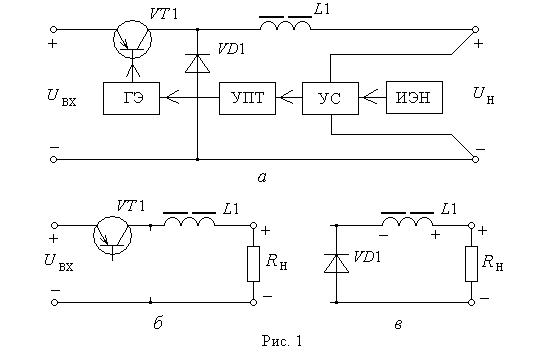
Принцип построения импульсного стабилизатора поясняется функциональной схемой одного из вариантов стабилизатора, приведенной на рис. 1,а. В состав силовой (сильноточной) части входят: транзистор VT1 в качестве регулирующего элемента, накопительный дроссель L1 и рекуперативный диод VD1. В схему управления регулирующим транзистором, как и в любом компенсационном стабилизаторе, входят источник эталонного напряжения (ИЭН), устройство сравнения (УС) и усилитель постоянного тока (УПТ). Специфическим элементом, характерным для импульсных схем, является гистерезисный элемент (ГЭ).
Временные диаграммы, представленные на рис. 2, иллюстрируют процессы в стабилизаторе. На диаграммах приведены:
-
iL1 – ток в цепи дросселя (при резистивном характере нагрузки эта диаграмма справедлива и для тока в цепи нагрузки iн, и для напряжения на нагрузке uн);
-
iк, uк-э – коллекторный ток и напряжение коллектор-эмиттер транзистора VT1;
-
iVD1, uVD1 – ток диода и напряжение между катодом и анодом диода VD1;
-
uL1 – напряжение на дросселе.
В открытом состоянии транзистор находится в режиме насыщения и падение напряжения на участке коллектор-эмиттер транзистора мало. Поскольку в приведенной схеме входное напряжение (Uвх) обязательно должно быть больше выходного (Uн), ток, протекающий по цепи: Uвх, VT1, L1, нагрузка (см. эквивалентную схему на рис. 1,б), будет возрастать, стремясь к величине Uвх/Rн. Растет и энергия, запасаемая в дросселе (WL = Li2/2). По мере увеличения тока возрастает напряжение на нагрузке. Это напряжение, как и в стабилизаторе с непрерывным регулированием, поступает на устройство сравнения, где в результате сравнения с эталонным напряжением, вырабатывается сигнал ошибки, который после усиления в УПТ поступает на регулирующий транзистор.
В
отличие от стабилизатора с непрерывным регулированием, между выходом УПТ и входом регулирующего элемента установлен гистерезисный элемент, передаточная характеристика которого приведена на рис. 3. В этом устройстве изменение входного сигнала (например, напряжения) в некоторых пределах не приводит к изменению сигнала на выходе и, следовательно, не изменяет состояния регулирующего транзистора VT1. Но при достижении входным сигналом некоторого порогового значения Uп1, резко изменяется сигнал на выходе ГЭ, что приводит к быстрому закрыванию регулирующего транзистора и прекращению процесса накапливания энергии в дросселе. С этого момента дроссель начинает отдавать энергию в нагрузку через диод VD1. Ток в индуктивности начинает уменьшаться (но в момент переключения значение тока не изменяется), и полярность напряжения вследствие этого изменяется на противоположную. Эквивалентная схема пути прохождения тока при разряде дросселя показана на рис. 1,в. При уменьшении тока в цепи уменьшаются и напряжение на нагрузке, уменьшается сигнал, поступающий через УС на вход ГЭ, но напряжение на его выходе изменится только при прохождении входным сигналом порогового значения Uп2 < Uп1. В этот момент происходит быстрый переход регулирующего транзистора из режима отсечки в режим насыщения и процесс перезаряда дросселя повторяется.
При накапливании энергии в дросселе (отрезок времени 0...t1 на диаграммах рис. 2) справедливы соотношения:
iк = iL1, iVD1 = Iобр ≈ 0, uн = iL1 Rн, uк-э = Uнас, uVD1 = Uвх – Uнас ≈ Uвх,
uL1 = Uвх– uн,
при передаче энергии из дросселя в нагрузку (отрезок времени t1…t2):
iк = Iотс ≈ 0, iVD1 = iL1, uн = iL1Rн, uк-э = Uвх + Uпр ≈ Uвх, uVD1 = Uпр,
uL1= – uн – Uпр ≈ – uн,
где: Iобр , Uпр – ток диода в обратном направлении и падение напряжения на диоде в прямом направлении, Iотс , Uнас – ток коллекторного перехода транзистора в режиме отсечки и напряжение коллектор-эмиттер транзистора в режиме насыщении.
Как указывалось выше, гистерезисный элемент является обязательным и даже отличительным элементом импульсного стабилизатора, в котором цепи заряда и разряда накопительного дросселя являются апериодическими. Если используются цепи второго порядка, где процессы заряда и разряда могут носить колебательный характер, задержка переключения регулирующего транзистора может быть достигнута за счет инерционных процессов перезаряда дросселя и конденсатора фильтра, подключаемого параллельно нагрузке. Естественно, в этом случае предъявляются вполне определенные требования к резонансной частоте и добротности этой цепи.
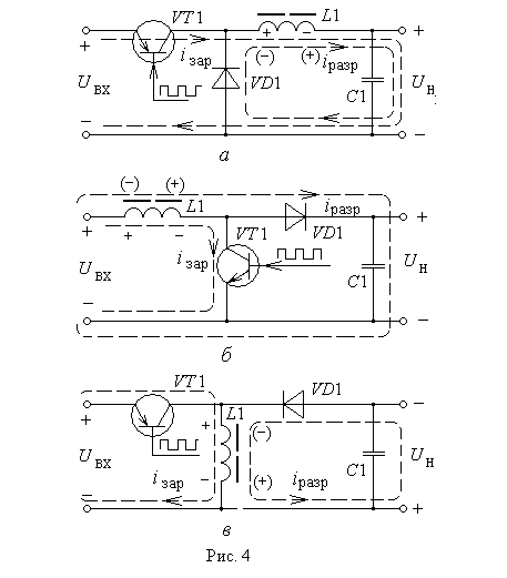
Существуют три основные схемы силовой части импульсного стабилизатора напряжения (рис. 4), включающей регулирующий транзистор, накопительный дроссель, диод и конденсатор (всегда подключаемый параллельно нагрузке). На схемах не приведены цепи управления регулирующим транзистором – условно показано, что в цепь базы необходимо подавать последовательность импульсов для переключения транзистора. Если управляющие импульсы на регулирующий транзистор подаются от отдельного генератора, устройство становится (переходит в режим) преобразователя постоянного напряжения. Такие преобразователи постоянного напряжения называют конверторами.
Схема на рис. 4,а повторяет силовую часть схемы на рис. 1,а. Здесь выходное напряжение всегда меньше входного:
Uн = Uвхγ = Uвх /Q, (1)
где γ = τ /Т – относительная длительность импульса коллекторного тока транзистора, Q = 1/γ – скважность импульсов. На схеме указаны пути прохождения токов при накапливании и при отдаче энергии накопительным дросселем, а также полярности напряжения на зажимах дросселя при заряде и (в скобках) при разряде.
В схеме на рис. 4,б регулирующий транзистор VT1 включен параллельно нагрузке. При открытом транзисторе энергия источника питания не передается в нагрузку, а накапливается в дросселе L1 (см. путь тока iзар). При этом нагрузка диодом VD1 отделена от входного источника и питается энергией ранее накопленной в конденсаторе C1. При закрытом транзисторе энергия, накопленная в дросселе, передается через диод в нагрузку и конденсатор (ток iразр). Поскольку дроссель при разряде включен последовательно с источником питания, напряжение, поступающее в нагрузку, будет больше напряжения источника питания
Uн = Uвх/(1–γ) = UвхQ/(Q–1). (2)
Схема на рис. 4,в, в которой регулирующий транзистор включен последовательно с источником, а накопительный дроссель параллельно нагрузке, обладает свойством изменения полярности выходного напряжения относительно входного. При открытом транзисторе, как и в предыдущей схеме, энергия входного источника накапливается в дросселе (ток iзар), а в нагрузку, отделенную диодом от входа, энергия поступает в это время от конденсатора. При отдаче энергии дросселем ток через него (iразр) протекает в том же направлении, как при накапливании энергии, а полярность напряжения изменяется на обратную. Энергия, накопленная в дросселе, теперь передается в нагрузку и конденсатор. Полярность напряжения на нагрузке (относительно общего провода) противоположна полярности входного источника. Величина выходного напряжения может быть различной, в зависимости от соотношения времени накапливания энергии в дросселе и времени его разряда
Uн = Uвхγ/(1–γ) = Uвх/(Q–1). (3)
В зависимости от способа регулирования выходного напряжения импульсные стабилизаторы могут быть отнесены к одной из трех импульсных систем регулирования: релейной, с широтно-импульсной модуляцией (ШИМ), с частотно-импульсной модуляцией (ЧИМ). Описанная ранее работа стабилизатора, когда время переключения транзистора определяется изменением напряжения на выходе схемы, характерна для релейной системы регулирования. Здесь частота переключения транзистора зависит от входного напряжения и от сопротивления нагрузки. При повышении входного напряжения уменьшается длительность импульсов коллекторного тока, а при увеличении сопротивления нагрузки увеличивается и длительность, и период следования импульсов без существенного изменения скважности (степень изменения скважности зависит от соотношения между сопротивлением нагрузки и сопротивлениями элементов схемы – дросселя, транзистора, диода). Сильная зависимость частоты коммутации от колебаний напряжения питающей сети и тока нагрузки – основной недостаток релейных стабилизаторов, ограничивающий его применение.
В наиболее распространенных стабилизаторах с ШИМ частота переключения регулирующего транзистора постоянна и определяется частотой дополнительного задающего генератора. В процессе регулирования изменяется скважность импульсов коллекторного тока, например, при снижении входного напряжения длительность импульсов увеличивается, а пауза уменьшается. В таких стабилизаторах нет необходимости в применении гистерезисного элемента, так как режим переключения задается дополнительным генератором.
Стабилизаторы с ЧИМ, где при постоянной длительности импульсов коллекторного тока изменяется при регулировании частота переключения транзистора, практически используются очень редко.
Основными характеристиками, определяющими свойства стабилизатора, являются:
-
коэффициент стабилизации,
-
выходное сопротивление,
-
коэффициент полезного действия.
Частный коэффициент стабилизации по входному напряжению (часто называемый коэффициентом стабилизации), определяемый как отношение относительной нестабильности входного напряжения к относительной нестабильности напряжения на нагрузке при постоянном сопротивлении нагрузки и отсутствии других дестабилизирующих факторов
Для стабилизатора понижающего типа (рис. 1,а или рис. 4,а) коэффициент стабилизации в режиме ШИМ определяется выражением:
Характеристики
Тип файла документ
Документы такого типа открываются такими программами, как Microsoft Office Word на компьютерах Windows, Apple Pages на компьютерах Mac, Open Office - бесплатная альтернатива на различных платформах, в том числе Linux. Наиболее простым и современным решением будут Google документы, так как открываются онлайн без скачивания прямо в браузере на любой платформе. Существуют российские качественные аналоги, например от Яндекса.
Будьте внимательны на мобильных устройствах, так как там используются упрощённый функционал даже в официальном приложении от Microsoft, поэтому для просмотра скачивайте PDF-версию. А если нужно редактировать файл, то используйте оригинальный файл.
Файлы такого типа обычно разбиты на страницы, а текст может быть форматированным (жирный, курсив, выбор шрифта, таблицы и т.п.), а также в него можно добавлять изображения. Формат идеально подходит для рефератов, докладов и РПЗ курсовых проектов, которые необходимо распечатать. Кстати перед печатью также сохраняйте файл в PDF, так как принтер может начудить со шрифтами.















