ЭПУ-1 (1088699)
Текст из файла
Лабораторная работа № 1
ИССЛЕДОВАНИЕ ШИРОКОПОЛОСНОГО ТРАНСФОРМАТОРА
Цели работы:
1. Исследование работы трансформатора в диапазоне частот при гармоническом и импульсном воздействиях.
2. Исследование основных характеристик трансформатора на холостом ходу и под нагрузкой.
3. Приобретение навыков экспериментального определения параметров эквивалентной схемы трансформатора.
Краткие теоретические сведения
Трансформаторами называют электромагнитные устройства, предназначенные для изменения характеристик электрических сигналов, таких как напряжение, ток, форма, фазность (в том числе и переход от несимметричного относительно “земли” входа к симметричному выходу и наоборот). По виду связи между входными и выходными зажимами трансформаторы можно разделить на два класса: трансформаторы с магнитной связью (обмоточные) и с электромагнитной связью (трансформаторы типа длинной линии).
В
настоящей работе исследуется трансформатор с магнитной связью при работе в диапазоне частот от источника гармонического сигнала и в импульсном режиме. Однако все, что касается режима работы магнитной цепи, в полной мере справедливо и для трансформаторов типа длинной линии.
Принцип работы обмоточного трансформатора поясняется эскизом, приведенном на рис. 1. При подключении к первичной обмотке трансформатора источника сигнала u1 (например, гармонического) по обмотке протекает ток i1. В результате протекания переменного тока вокруг первичной обмотки создается переменное магнитное поле, характеризующееся потоками 0 и S1. Часть тока первичной обмотки, необходимая для создания потока 0, носит название тока намагничивания iµ.
Изменяющиеся во времени потоки 0 и S1 индуцируют в первичной обмотке электродвижущие силы (практически уравновешивающие входное напряжение u1):
e1 = d0/dt = w1 d0/dt; eS1 = dS1/dt ,
где w1 – число витков в первичной обмотке трансформатора; 0 = w1 0, S1 потокосцепления первичной обмотки с магнитными потоками 0 и S1.
Магнитный поток 0, пронизывая витки вторичной обмотки (с числом витков w2), наводит в ней ЭДС e2 = w2 (d0/dt). Если вторичная обмотка замкнута на сопротивление Zн, в цепи будет проходить ток i2, который создает вокруг вторичной обмотки свое магнитное поле. Часть магнитного потока S2 сцепляется только с витками вторичной обмотки, а основная часть замыкается по сердечнику и направлена навстречу потоку 0. Ток первичной обмотки при этом возрастет на Δi1 = Δi2(w2/w1), компенсируя размагничивающее действие тока вторичной обмотки, так что магнитный поток 0 останется практически постоянным.
Магнитный поток 0, пересекающий витки обеих катушек, носит название основного магнитного потока, а потоки S1 и S2, связанные только с одной из обмоток, магнитными потоками рассеяния, соответственно, первичной и вторичной обмоток. В трансформаторе с ферромагнитным сердечником (где, как правило, S 0) основной магнитный поток замыкается по сердечнику, но нужно помнить, что первичное определение разделения магнитных потоков на основной и потоки рассеяния зависит от сцепления их с обмотками. Поэтому основной магнитный поток присутствует и в трансформаторе без ферромагнитного сердечника, и наоборот, в некоторых специальных трансформаторах (например, в составе феррорезонансных стабилизаторов) специально создается часть магнитопровода для замыкания по ней потоков рассеяния обмоток.
При гармоническом характере процессов в трансформаторе магнитные потоки и ток намагничивания отстают от входного напряжения на угол, близкий к 90°. Амплитуда магнитной индукции в сердечнике B0 = 0/Sс, характеризующая основной магнитный поток, связана с амплитудой входного напряжения U1 следующим соотношением:
B0 ≈ U1/ w1 Sс,
где = 2f; f частота входного воздействия; Sс площадь поперечного сечения сердечника трансформатора. Приведенное соотношение также показывает, что значение магнитного потока Ф0 определяется напряжением U1 и практически не зависит от тока нагрузки I2.
Для получения заданных частотных характеристик цепи, использующей трансформатор, к параметрам последнего предъявляются вполне определенные требования. В качестве таких параметров реального трансформатора наиболее часто используют значения элементов эквивалентной схемы.
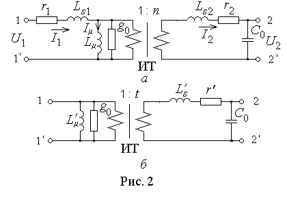
О
дин из вариантов такой схемы, так называемая физическая эквивалентная схема, приведен на рис. 2, а. Изображенный на этой схеме идеальный трансформатор (ИТ) отображает основное свойство трансформатора изменение значений напряжений и токов в первичной и во вторичной цепях. Коэффициент трансформации идеального трансформатора определяется как отношение чисел витков реального трансформатора n = w2/w1 = E2/E1 (при любом значении связи между обмотками).
На схеме обозначены также: L = 0/I = w10/I индуктивность намагничивания, определяемая основным магнитным потоком 0; LS1, LS2 индуктивности рассеяния первичной и вторичной обмоток трансформатора, обусловленные потоками рассеяния S1 и S2; r1, r2 резистивные сопротивления обмоток трансформатора; g0 проводимость, определяемая потерями в сердечнике трансформатора на перемагничивание и на вихревые токи; C0 эквивалентная емкость, характеризующая электрическую энергию, запасенную в межвитковых и межобмоточных емкостях трансформатора.
Основой для составления эквивалентной схемы (без учета емкостных связей) послужили уравнение равновесия магнитодвижущих сил в магнитопроводе и уравнения, отражающие баланс напряжений в цепях первичной и вторичной обмоток:
i1w1 i2w2 = Ф0Rμ;
u1 = e1 es1 + i1r1; (1)
e2 = u2 + i2r2 es2,
где es2 = dS2/dt = –LS2 di2/dt ЭДС, наводимая во вторичной обмотке потоком рассеяния вторичной обмотки; R = lср/0Sс магнитное сопротивление магнитопровода; lср длина средней магнитной силовой линии в сердечнике; – относительная магнитная проницаемость материала сердечника; 0 = 4∙10–7 Гн/м магнитная проницаемость вакуума.
Уравнения равновесия (1) и, более наглядно, эквивалентная схема позволяют оценить изменение характеристик трансформатора в широком диапазоне частот. При анализе характеристик трансформатора используется также преобразованная эквивалентная схема (рис. 2, б), в которой на основе преобразования Нортона три индуктивных элемента заменены двумя индуктивностью рассеяния LS' = LS2 + LS1t2 и индуктивностью намагничивания L' = L/ kсв. При таком преобразовании изменяется также коэффициент трансформации идеального трансформатора в эквивалентной схеме t = n kсв, где kсв = (1 Lк.з/Lх.х)1/2 – коэффициент связи между обмотками трансформатора; Lк.з и Lх.х – индуктивность одной из обмоток при коротком замыкании и разрыве другой обмотки, r' = r2 + r1t2.
В области низких частот основное влияние на частотные характеристики трансформатора оказывает индуктивность намагничивания L, что проявляется в увеличении тока намагничивания (I), а следовательно, и тока первичной обмотки трансформатора I1.
Если за критерий ограничения полосы рабочих частот принять уровень повышения тока I1 на 3 дБ, то связь между L и нижней граничной частотой fн при заданном сопротивлении нагрузки Rн определится соотношением
2fнL Rн/n2. (2)
В области верхних частот характер частотных характеристик определяют индуктивности рассеяния Ls, паразитная емкость C0 и, возможно, наличие емкости нагрузки Сн, а влияние индуктивности L практически не сказывается. Поэтому при емкостном характере нагрузки на верхних частотах может наблюдаться подъем частотной характеристики коэффициента передачи K = U2/U1. Частота
этого подъема характеристики определяется из выражения
где Cн – емкость в цепи нагрузки;
– индуктивность рассеяния обеих обмоток трансформатора, приведенная к вторичной обмотке.
При резистивном характере нагрузки частотная зависимость коэффициента передачи может быть монотонно падающей к верхним частотам. В этом случае индуктивности рассеяния определяют верхнюю граничную частоту
fв Rн/2 LS′. (4)
Здесь за границу полосы пропускания также принят уровень спада частотной характеристики 3 дБ.
П
ри анализе искажений импульсных сигналов в процессе их трансформации можно формально воспользоваться преобразованием Фурье, определяющим взаимосвязь переходной характеристики с частотной характеристикой коэффициента передачи. Но достаточно просто можно провести такой анализ отдельно для областей малых и больших времен, которым соответствуют упрощенные эквивалентные схемы для областей верхних и нижних частот.
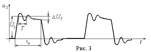
При передаче импульсных сигналов индуктивность рассеяния и емкость C0 определяют искажения фронтов передаваемых импульсов, т. е. характер переходного процесса в области малых времен. В частности, по периоду T колебательного процесса при передаче фронтов импульса (рис. 3) можно определить LS′, используя очевидное соотношение
Характеристики
Тип файла документ
Документы такого типа открываются такими программами, как Microsoft Office Word на компьютерах Windows, Apple Pages на компьютерах Mac, Open Office - бесплатная альтернатива на различных платформах, в том числе Linux. Наиболее простым и современным решением будут Google документы, так как открываются онлайн без скачивания прямо в браузере на любой платформе. Существуют российские качественные аналоги, например от Яндекса.
Будьте внимательны на мобильных устройствах, так как там используются упрощённый функционал даже в официальном приложении от Microsoft, поэтому для просмотра скачивайте PDF-версию. А если нужно редактировать файл, то используйте оригинальный файл.
Файлы такого типа обычно разбиты на страницы, а текст может быть форматированным (жирный, курсив, выбор шрифта, таблицы и т.п.), а также в него можно добавлять изображения. Формат идеально подходит для рефератов, докладов и РПЗ курсовых проектов, которые необходимо распечатать. Кстати перед печатью также сохраняйте файл в PDF, так как принтер может начудить со шрифтами.















