Simulink (1087389), страница 11
Текст из файла (страница 11)
Выполняет вычисление математической функции.
Параметры:
-
Function – Вид вычисляемой функции (выбирается из списка):
exp – Экспоненциальная функция
log – Функция натурального логарифма
10^u – Вычисление степени 10
log10 – Функции логарифма
magnitude^2 – Вычисление квадрата модуля входного сигнала
square – Вычисление квадрата входного сигнала
sqrt – Квадратный корень
pow – Возведение в степень
conj – Вычисление комплексно-сопряженного числа
reciprocal – Вычисление частного от деления входного сигнала на 1
hypot –Вычисление корня квадратного из суммы квадратов входных сигналов (гипотенузы прямоугольного треугольника по значениям катетов)
rem – Функция, вычисляющая остаток от деления первого входного сигнала на второй
mod – Функция, вычисляющая остаток от деления с учетом знака
transpose – Транспонирование матрицы
hermitian – Вычисление эрмитовой матрицы. -
Output signal type – Тип выходного сигнала (выбирается из списка):
auto – Автоматическое определение типа
real –Действительный сигнал
complex- Комплексный сигнал.
Тип выходного сигнала в зависимости от типа входного сигнала, вычисляемой функции и параметра блока Output signal type приведен в таблице 9.6.1. Примеры использования блока Math Function показаны на рис. 9.6.11.
Таблица 9.6.1.
Рис. 9.6.11. Примеры использования блока Math Function
9.6.9. Блок вычисления тригонометрических функций Trigonometric Function
Назначение:
Выполняет вычисление тригонометрической функции.
Параметры:
-
Function – Вид вычисляемой функции (выбирается из списка): sin, cos, tan, asin, acos, atan, atan2, sinh, cosh и tanh.
-
Output signal type – Тип выходного сигнала (выбирается из списка):
- auto – Автоматическое определение типа.
- real –Действительный сигнал.
- complex- Комплексный сигнал.
При векторном или матричном входном сигнале блок выполняет поэлементное вычисление заданной функции.
Примеры использования блока Trigonometric Function показаны на рис. 9.6.12.
Рис. 9.6.12. Примеры использования блока Trigonometric Function
9.6.10. Блок вычисления действительной и (или) мнимой части комплексного числа Complex to Real-Imag
Назначение:
Вычисляет действительную и (или) мнимую часть комплексного числа.
Параметры:
Output – Выходной сигнал (выбирается из списка):
-
Real – Действительная часть
-
Image – Мнимая часть
-
RealAndImage – Действительная и мнимая часть.
Входной сигнал блока может быть скалярным, векторным или матричным сигналом.
Примеры использования блока Complex to Real-Imag показаны на рис. 9.6.13.
Рис. 9.6.13. Примеры использования блока Complex to Real-Imag
9.6.11. Блок вычисления модуля и (или) аргумента комплексного числа Complex to Magnitude-Angle
Назначение:
Вычисляет модуль и (или) аргумент комплексного числа.
Параметры:
Output – Выходной сигнал (выбирается из списка):
-
Magnitude – Модуль.
-
Angle – Аргумент.
-
MagnitudeAndAngle – Модуль и аргумент.
Входной сигнал блока может быть скалярным, векторным или матричным сигналом.
Примеры использования блока Complex to Magnitude-Angle показаны на рис. 9.6.14.
Рис. 9.6.14. Примеры использования блока Complex to Magnitude-Angle
9.6.12. Блок вычисления комплексного числа по его действительной и мнимой части Real-Imag to Complex
Назначение:
Вычисляет комплексное число по его действительной и мнимой части.
Параметры:
-
Input – Входной сигнал (выбирается из списка):
Real – Действительная часть.
Image – Мнимая часть.
RealAndImage – Действительная и мнимая часть. -
Image part – Мнимая часть. Параметр доступен, если параметр Input объявлен как Real.
-
Real part – Действительная часть. Параметр доступен, если параметр Input объявлен как Image.
Входные сигналы блока могут быть скалярными, векторными или матричными. Параметры Image part и Real part должны задаваться как векторы или матрицы, если входной сигнал является вектором или матрицей.
Примеры использования блока Real-Imag to Complex показаны на рис. 9.6.15.
Рис. 9.6.15. Примеры использования блока Real-Imag to Complex
9.6.13. Блок вычисления комплексного числа по его модулю и аргументу Magnitude-Angle to Complex
Назначение:
Вычисляет комплексное число по его модулю и аргументу.
Параметры:
-
Input – Входной сигнал (выбирается из списка):
- Magnitude – Модуль.
- Angle – Аргумент.
- MagnitudeAndAngle – Модуль и аргумент. -
Angle – Аргумент. Параметр доступен, если параметр Input объявлен как Magnitude.
-
Magnitude – Модуль. Параметр доступен, если параметр Input объявлен как Angle.
Входные сигналы блока могут быть скалярными, векторными или матричными.
Параметры Angle и Magnitude должны задаваться как векторы или матрицы, если входной сигнал является вектором или матрицей.
Примеры использования блока Magnitude-Angle to Complex показаны на рис. 9.6.16.
Рис. 9.6.16. Примеры использования блока Magnitude-Angle to Complex
9.6.14. Блок определения минимального или максимального значения MinMax
Назначение:
Определяет максимальное или минимальное значение из всех сигналов, поступающих на его входы.
Параметры:
-
Function - Выходной параметр. Выбирается из списка:
- min – Минимальное значение.
- max – Максимальное значение. -
Number of input ports – Количество входных портов.
Входные сигналы блока могут быть скалярными или векторными. Блок определяет максимальное или минимальное значение из всех скалярных сигналов, поступающих на его входы. Если входные сигналы являются векторными, то блок выполняет поэлементную операцию поиска минимального или максимального значения. В этом случае размерности векторов должны совпадать. Если количество входных портов блока задано равным 1, то блок может использоваться для нахождения минимального или максимального значения во входном векторе.
Примеры использования блока MinMax показаны на рис. 9.6.17.
Рис. 9.6.17. Примеры использования блока MinMax
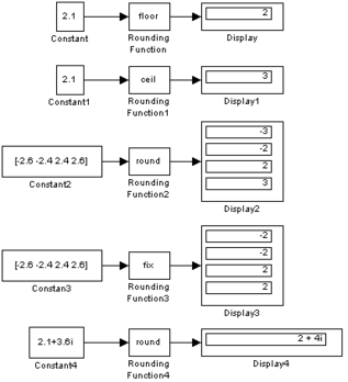
9.6.15. Блок округления числового значения Rounding Function
Назначение:
Выполняет операцию округления числового значения.
Параметры:
Function – Способ округления (выбирается из списка):
-
floor – Округление до ближайшего меньшего целого.
-
ceil – Округление до ближайшего большего целого.
-
round – Округление до ближайшего целого.
-
fix – Округление отбрасыванием дробной части.
Входные сигналы блока могут быть скалярными, векторными или матричными действительного и комплексного типа. При векторном или матричном входном сигнале блок выполняет поэлементные операции.
Выходной сигнал блока будет иметь тип double или single.
Примеры использования блока Rounding Function показаны на рис. 9.6.18.
Рис. 9.6.18. Примеры использования блока Rounding Function
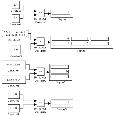
9.6.16. Блок вычисления операции отношения Relational Operator
Назначение:
Блок сравнивает текущие значения входных сигналов.
Параметры:
Relational Operator – Тип операции отношения (выбирается из списка):
-
= = - Тождественно равно.
-
~ = - Не равно.
-
< - Меньше.
-
< = - Меньше или равно.
-
> = - Больше или равно.
-
> - Больше.
В операции отношения первым операндом является сигнал, подаваемый на первый (верхний) вход блока, а вторым операндом – сигнал, подаваемый на второй (нижний) вход. Выходным сигналом блока является 1, если результат вычисления операции отношения есть “ИСТИНА” и 0, если результат – “ЛОЖЬ”.
Входные сигналы блока могут быть скалярными, векторными или матричными. Если оба входных сигнала – векторы или матрицы, то блок выполняет поэлементную операцию сравнения, при этом размерность входных сигналов должна совпадать. Если один из входных сигналов – вектор или матрица, а другой входной сигнал – скаляр, то блок выполняет сравнение скалярного входного сигнала с каждым элементом массива. Размерность выходного сигнала, в этом случае, будет определяться размерностью векторного или матричного сигнала, подаваемого на один из входов.
Для операций = = (тождественно равно) и ~ = (не равно) допускается использовать комплексные входные сигналы.
Входные сигналы также могут быть логического типа (boolean).
Примеры использования блока Relational Operator показаны на рис. 9.6.19.
Рис. 9.6.19. Примеры использования блока Relational Operator
9.6.17. Блок логических операций Logical Operation
Назначение:
















