Simulink (1087389), страница 20
Текст из файла (страница 20)
% Инициализация %
%===============%
case 0,
[sys,x0,str,ts]=mdlInitializeSizes(L,R,J,Cm,Cw,Fi);
%====================%
% Расчет производных %
%====================%
case 1,
sys=mdlDerivatives(t,x,u);
%===========================================%
% Расчет значений вектора выходных сигналов %
%===========================================%
case 3,
sys=mdlOutputs(t,x,u);
%=========================================%
% Неиcпользуемые значения переменной flag %
%=========================================%
case { 2, 4, 9 },
sys = [];
%======================================%
% Неизвестное значение переменной flag %
%======================================%
otherwise
error(['Unhandled flag = ',num2str(flag)]);
end
% Окончание dpt_sfunc_1
%======================================================%
% mdlInitializeSizes %
% Функция инициализации %
% Расчет начальных условий, значений вектора шагов модельного %
% времени,размерности матриц %
%===============================================================%
function [sys,x0,str,ts]=mdlInitializeSizes(L,R,J,Cm,Cw,Fi)
sizes = simsizes;
sizes.NumContStates = 2; % Число непрерывных переменных состояния
% В данном случае этот параметр равен 2
% (ток якоря и скорость вращения вала).
sizes.NumDiscStates = 0; % Число дискретных переменных состояния
% В данном случае этот параметр равен 0,
% поскольку модель непрерывная.
sizes.NumOutputs = 2; % Число выходных переменных (размерность выходного
% вектора). В данном случае этот параметр равен 2
% (скорость вращения и момент на валу).
sizes.NumInputs = 2; % Число входных переменных (размерность входного
% вектора). В данном случае этот параметр равен 2
% (напряжение на обмотке якоря и момент
% сопротивления).
sizes.DirFeedthrough = 0; % Прямой проход. Значение параметра равно нулю,
% поскольку матрица обхода D - отсутствует (входные
% переменные не участвуют в формировании выходных
% переменных).
sizes.NumSampleTimes = 1; % Размерность вектора модельного времени.
sys = simsizes(sizes);
x0 = zeros(2,1); % Задание вектора начальных значений переменных
% состояния. Начальные условия нулевые.
str = []; % Зарезервированный параметр
ts = [0 0]; % Матрица из двух колонок, задающая шаг модельного
% времени и смещение.
% Далее в функцию mdlInitializeSizes добавлены операторы для
% вычисления матриц A, B и C уравнений пространства состояния
% модели двигателя постоянного тока
global A B C; % Объявление глобальными переменных, необходимых для
% расчетов внутри функций mdlDerivatives и mdlOutputs.
% Расчет матриц А,В и С:
%
A=[-R/L -Cw*Fi/L
Cm*Fi/J 0 ];
%
B=[1/L 0
0 -1/J];
%
C=[Cm*Fi 0
0 1];
% Окончание mdlInitializeSizes
%===============================================================%
% mdlDerivatives %
% Функция для расчета значений производных вектора состояния непрерывной %
% части системы %
%===============================================================%
function sys=mdlDerivatives(t,x,u)
%
global A B; % Объявление глобальными переменных, необходимых для
% расчетов внутри метода.
sys = A*x + B*u;
% Окончание mdlDerivatives
%========================================================%
% mdlOutputs %
% Функция для расчета значений вектора выходных сигналов %
%========================================================%
function sys=mdlOutputs(t,x,u)
global C; % Объявление глобальными переменных, необходимых для
% расчетов внутри метода.
sys = C*x;
% Окончание mdlOutputs
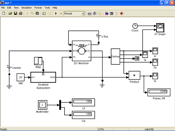
На рис.10.2 показаны модели двигателя постоянного тока на базе S-функции и с использованием стандартных блоков. Результаты расчета для обеих моделей идентичны. Окно диалога блока S-function изображено на рис. 10.3.
|
|
| Рис. 10.2 Модели ДПТ НВ |
|
|
| Рис. 10.3 Окно диалога блока S-function |
10.3. Моделирование привода постоянного тока
Модель привода на основе ДПТ НВ может быть реализована непосредственно как на элементах библиотеки Simulink, рис. 10.4 – 10.5, так и с использованием SimPowerSystems (библиотека Machines), рис.10.6 -10.9.
Рис.10.4
Рис.10.5
Рис.10.6
Рис.10.7
Рис.10.8
Рис.10.9
Приложение 1. Система меню обозревателя библиотек программы Simulink
-
File (Файл) — Работа с файлами библиотек.
-
Edit (Редактирование) — Добавление блоков и их поиск.
-
View (Вид) — Управление показом элементов интерфейса.
-
Help (Справка) — Вызов справочной системы.
Таблица П.1
| Команда | Назначение | |
|
| ||
| New | Открыть окно новой блок-диаграммы | |
| Model (Ctrl-N) | Открыть окно для создания Simulink-модели. | |
| Library | Открыть окно для создания новой библиотеки Simulink. | |
| Open … (Ctrl - O) | Открыть существующий mdl-файл. При выборе данного пункта открывается окно диалога, с помощью которого можно отыскать и открыть требуемый файл модели. | |
| Close (Ctrl – W) | Закрыть окно модели (и соответствующий mdl-файл). В том случае, если модель изменялась, то перед закрытием окна MATLAB запросит подтверждение на закрытие файла. | |
| Preferences… | Настройка Simulink. Задает параметры создаваемых моделей. | |
|
| ||
| Add to the current model | Добавить выделенный блок в текущую модель. | |
| Find block... | Найти блок с заданным именем. Команда выводит окно с запросом имени блока. | |
| Find next block... | Найти следующий блок с заданным именем. Эту же операцию выполняет и команда Find next в окне задания слова для поиска. | |
|
| ||
| Toolbar | Вывод/скрытие панели инструментов. | |
| Status bar | Вывод/скрытие строки состояния. | |
| Description | Вывод/скрытие окна сообщений. | |
| Stay оn top | Установка статуса окна обозревателя библиотек “поверх всех окон”. | |
| Collapse entire Browser | Закрытие текущего раздела библиотеки. | |
| Expand entire Browser | Раскрытие текущего раздела библиотеки. | |
| Large icons | Отображение пиктограмм блоков в увеличенном размере. | |
| Small icons | Отображение пиктограмм блоков в уменьшенном размере. | |
| Show Parameters for selected block | Вывод окна установки параметров отмеченного блока. | |
|
| ||
| Help on the selected block | Справка по выделенному блоку. | |
| Simulink help | Вывод окна справочной системы Simulink. | |
| Tip of the day | Полезные советы каждый день. | |
Приложение 2. Система меню окна модели
-
File (Файл) — Работа с файлами моделей.
-
Edit (Редактирование) — Изменение модели и поиск блоков.
-
View (Вид) — Управление показом элементов интерфейса.
-
Simulation (Моделирование) — Задание настроек для моделирования и управление процессом расчета.
-
Format (Форматирование) — Изменение внешнего вида блоков и модели в целом.
-
Tools (Инструментальные средства) — Применение специальных средств для работы с моделью (отладчик, линейный анализ и т.п.)
-
Help (Справка) — Вывод окон справочной системы.
Таблица П.2
| Команда | Назначение | ||||||
|
| |||||||
| New | Открыть окно новой блок-диаграммы | ||||||
| Model (Ctrl-N) | Открыть окно для создания Simulink-модели. | ||||||
| Library | Открыть окно для создания новой библиотеки Simulink. | ||||||
| Open … (Ctrl - O) | Открыть существующий mdl-файл. При выборе данного пункта открывается стандартная диалоговая панель файловой системы Windows, с помощью которой можно найти и открыть требуемый файл модели. | ||||||
| Close (Ctrl – W) | Закрыть окно блок-диаграммы (и соответствующий mdl-файл). В том случае, если в блок-диаграмму вносились изменения, которые не были сохранены в файле на диске, то перед закрытием окна MATLAB запрашивает подтверждение на закрытие файла. | ||||||
| Save (Ctrl – S) | Cохранить (записать на диск) mdl-файл; если данный файл записывается впервые, то при выборе этой команды открывается стандартная диалоговая панель, с помощью которой пользователь может указать новое имя файла (вместо untitled) и каталог, в котором будет производиться запись; если же файл уже записывался на диск ранее, то при выполнении команды Save он будет сохранен под прежним именем и в том же каталоге (без открытия диалоговой панели). | ||||||
| Save as... | Команда позволяет сохранить файл под новым именем или в другом каталоге; для ее выполнения также используется стандартная диалоговая панель Windows. | ||||||
| Source Control... | Управление источниками сигналов. | ||||||
| Check in... | Проверка входа. Позволяет ввести расширенное текстовое описание источника. | ||||||
| Check out | Проверка выхода. Позволяет ввести расширенное текстовое описание источника. | ||||||
| Undo Check out | Отмена проверки выхода. | ||||||
| Preferences | Команда выводит окно настроек пакета Simulink (окно Preferences) с открытой панелью General > Source control, что позволяет выбрать схему управления источниками. | ||||||
| Model Properties | Команда вызова компоненты управления версиями Simulink-модели. | ||||||
| Print (Ctrl – P) | Команда обеспечивает вывод на печать блок-диаграмму модели и некоторую дополнительную информацию по ней. При выполнении этой команды открывается диалоговое окно, обеспечивающее настройку параметров печати | ||||||
| Print setup | Команда настройки параметров вывода на печать. Установка параметров выполняется с помощью стандартной диалоговой панели Windows | ||||||
| Exit MATLAB | Завершение работы с системой Matlab. | ||||||
|
| |||||||
| Undo | Отменить предыдущую команду редактирования. В некоторых случаях команда Undo может уточняться, например, после добавления в блок-диаграмму линии связи между блоками она называется Undo Add Line (Отменить добавление линии). Если нельзя отменить предыдущее действие, то команда Undo заменяется сообщением Can't Undo. | ||||||
| Redo | Отменить выполнение команды Undo. Эта команда также может видоизменяться (например, Redo Add Line), либо сообщать о невозможности отмены (Can't Redo). | ||||||
| Cut | Вырезать (переместить в буфер обмена) один или несколько блоков. Соответствующие блоки должны быть выделены. | ||||||
| Copy | Копировать один или несколько блоков. Копируемые блоки должны быть предварительно выбраны. Данная команда используется совместно с командой Paste. | ||||||
| Paste | Вставить копируемый или удаленный в буфер обмена участок модели. Для того чтобы указать позицию вставки, необходимо предварительно щелкнуть в соответствующей точке окна блок-диаграммы (этой точке будет соответствовать верхний левый угол вставляемой области). | ||||||
| Clear | Очистить (удалить) выделенную область. Область в буфере обмена не сохраняется, но может быть восстановлена с помощью команды Undo. | ||||||
| Select All (Ctrl - A) | Выделить все элементы блок-диаграммы. | ||||||
| Copy Model to Clipboard | Копировать модель в буфер обмена. Запись графического изображения блок-диаграммы в буфер обмена Windows для передачи в другие Windows-приложения в качестве графического объекта. | ||||||
| Find … (Ctrl - F) | Поиск объекта в модели | ||||||
| Block Parameters… | Вызов диалогового окна для установки параметров выбранного блока. | ||||||
| Block Properties… | Вызов диалогового окна для установки дополнительных атрибутов выбранного блока. | ||||||
| Signal Properties | Вызов окна диалога окна для установки атрибутов сигнала, передаваемого по выбранной линии связи. Окно содержит следующие элементы: • текстовое поле Signal Name (Имя сигнала), предназначенное для ввода имени (текстового атрибута) сигнала; метка отображается в блок-диаграмме рядом с соответствующей линией связи, • текстовое поле Description (Описание), позволяющее вводить пояснения к данному сигналу, • текстовое поле Document Link (Связь с документом), в котором вводится выражение (команда) MATLAB, формирующее ссылку на источник дополнительной информации по данному сигналу, • флажок Simulink Global (Test Point) (Визуализация контрольной точки). Если он установлен, то во время моделирования соответствующая линия связи “подсвечивается” при наличии в ней сигнала. | ||||||
| Create Subsystem (Ctrl - G) | Создать подсистему. По этой команде выбранная часть модели (один или несколько блоков) “сворачиваются” в подсистему, и заменяются в блок-диаграмме одним блоком — Subsystem.. | ||||||
| Mask Subsystem… (Ctrl – M) | Маскировать подсистему. Команда обеспечивает вызов редактора “маски” подсистемы. Команда становится доступна, если в модели выделена подсистема (блок типа Subsystem). Маскированная подсистема — это подсистема, используемая в модели как один неделимый блок, содержимое которого скрыто под “маской”, с помощью которой осуществляется задание параметров подсистемы. Если выделенная подсистема уже имеет “маску”, т. е. является маскированной, то команда Mask Subsystem принимает вид Edit Mask. | ||||||
| Look Under Mask (Ctrl - U) | Заглянуть под маску. Команда открывает окно блок-диаграммы маскированной подсистемы. Команда доступна только в том случае, если выбранный блок является маскированной подсистемой | ||||||
| Link options | Настойка связей блока | ||||||
| Go To Library Link | Перейти к связанной библиотеке. Команда открывает раздел библиотеки, к которому относится выделенный блок; доступна только в том случае, если блок взят из библиотеки пользователя или из раздела Simulink Extras. | ||||||
| Disable Link | Разорвать связь с библиотекой. Команда позволяет сделать библиотечный блок "независимым", не связанным с библиотекой, что дает возможность его редактирования. Данная команда работает для тех же разделов библиотеки, что и предыдущая. | ||||||
| Unlock Library | Разблокировать библиотеку. Команда доступна только в окне библиотеки (Library). После ее выполнения становится возможным редактирование соответствующего раздела, при этом на месте команды выводится признак Library Unlocked (Библиотека разблокирована), который сохраняется до закрытия окна редактируемого раздела. | ||||||
| Update Diagram (Ctrl - D) | Обновить окно модели. Команду необходимо использовать в следующих случаях:
| ||||||
|
| |||||||
| Go to Parent | Переход из подсистемы в систему высшего уровня иерархии (“родительскую систему”). Команда доступна только, если открыта подсистема. | ||||||
| Toolbar | Показать/скрыть панель инструментов | ||||||
| Statusbar | Показать/скрыть строку состояния | ||||||
| Model Browser Options | Параметры обозревателя модели. | ||||||
| Model Browser | Вызов обозревателя модели | ||||||
| Show Library Links | Показывать в окне обозревателя библиотечные подсистемы, то есть подсистемы, созданные пользователем и включенные им в состав собственной библиотеки. При выборе этой команды окно блок-диаграммы модели дополняется подокном, отображающим ее иерархическую структуру в виде дерева | ||||||
| Show Masked Subsystems | Показывать в окне обозревателя маскированные подсистемы. | ||||||
| Block Data Tips Options | Справка по параметрам блока. Содержит команды управления всплывающей подсказкой (tips) для блоков модели. О том, что соответствующий режим установлен, свидетельствует маркер в виде птички. Подсказка появляется на экране, если задержать на некоторое время указатель мыши над пиктограммой блока. | ||||||
| Block name | Показывать название блока | ||||||
| Parameter names and values | Показывать имена и значения параметров настройки блока. | ||||||
| User description string | Показывать описание блока заданное пользователем с помощью команды Edit/Block Properties… | ||||||
| Show Library Browser | Показывать окно обозревателя библиотек блоков. | ||||||
| Zoom In | Увеличить масштаб. Увеличить масштаб изображения блок-диаграммы; каждое обращение к команде дает увеличение масштаба в полтора раза (на 50%). | ||||||
| Zoom Out | Уменьшить масштаб. Уменьшить масштаб изображения блок-диаграммы; каждое обращение к команде дает уменьшение масштаба в полтора раза. | ||||||
| Fit system to view | Подготовить систему для просмотра. Увеличить масштаб изображения выбранного элемента блок-диаграммы. Команда обеспечивает N-кратное увеличение (кратность увеличения зависит от исходного размера элемента), и позиционирует элемент по центру окна блок-диаграммы. Повторное применение дополнительного эффекта не дает. | ||||||
| Normal (100%) | Восстановить стандартный масштаб изображения. | ||||||
|
| |||||||
| Start | Начать моделирование. При запуске модели команда Start заменяется командой Pause, которая позволяет приостановить сеанс моделирования. Кроме того, становится доступной команда Stop, расположенная ниже. При прерывании моделирования с помощью команды Pause она заменяется альтернативной командой — Continue. | ||||||
| Stop | Завершить моделирование. Позволяет остановить моделирование досрочно, то есть либо до истечения заданного интервала моделирования, либо до реализации предусмотренных условий окончания сеанса моделирования. Команда становится доступной после запуска модели на исполнение | ||||||
| Simulation parameters ... | По данной команде открывается диалоговое окно настроек параметров моделирования. | ||||||
| Normal | Обычный (не ускоренный) режим расчета. Команда доступна, если установлено приложение Simulink Performance Tool. | ||||||
| Accelerator | Ускоренный режим расчета. Команда доступна, если установлено приложение Simulink Performance Tool. В этом режиме, после запуска модели на исполнение, создается исполняемый файл модели в виде динамической библиотеки (файл с расширением dll). В результате скорость расчета возрастает в несколько раз. Ускоренный режим расчета не поддерживается для моделей имеющих замкнутые алгебраические контуры. | ||||||
|
| |||||||
| Font... | Выбор шрифта для текстовой информации, отображаемой блоком. | ||||||
| Text Alignment | Выравнивание текста. Задает способ расположения текста в текстовой области. | ||||||
| Flip Name | Изменить положение имени блока (над или под изображением блока). | ||||||
| Hide Name/ Show Name | Скрыть/показать имя блока. | ||||||
| Flip Block | Развернуть изображение блока относительно вертикальной оси симметрии на 180°. | ||||||
| Rotate Block | Повернуть изображение блока относительно вертикальной оси симметрии на 90° (по часовой стрелке). | ||||||
| Show/Hide Drop Shadow | Показать/скрыть “тень” блока. | ||||||
| Hide/Show Port Labels | Скрыть/показать метки портов блока. Данная команда применима только к блокам-подсистемам (Subsystem), содержащим внутренние входные или выходные порты, то есть блоки In и Out. Если такие блоки имеются в подсистеме, то их метки по умолчанию выводятся на пиктограмме блока-подсистемы. | ||||||
| Foreground Color | Основной цвет. Выбор цвета контура и символов на пиктограмме выбранного блока (группы блоков). | ||||||
| Background Color | Цвет фона. Выбор цвета фона пиктограммы выбранного блока (группы блоков). | ||||||
| Screen Color | Выбор цвета фона блок-диаграммы. | ||||||
| Library Link Display | Отображение связей с библиотеками. | ||||||
| Sample Time Colors | Подсветка блоков, управляемых параметром Sample time. Блоки, работа которых зависит от величины шага модельного времени, а также соединяющие их линии связи при выполнении данной команды выделяются на блок-диаграмме красным цветом. | ||||||
| Wide nonscalar lines | Широкие линии связи для не скалярных величин. Линии связи, по которым передаются векторные и матричные величины, выводятся более “жирными”. | ||||||
| Signal dimensions | Размерность векторных и матричных линий связи. Для векторных или матричных линий связи выводится в цифровой форме размерность передаваемого сигнала, то есть число элементов вектора. | ||||||
| Port Data Types | Тип порта. Рядом с линиями связи отображаются наименования типов данных, установленных для портов, с которыми они соединены. | ||||||
| Storage class | Класс памяти. | ||||||
| Execution order | Вывод порядкового номера блока в последовательности выполнения расчета. | ||||||
|
| |||||||
| Data explorer… | Обозреватель данных. Позволяет просмотреть значения переменных находящихся в рабочей области MATLAB. | ||||||
| Simulink debugger… | Отладчик моделей. Позволяет в пошаговом режиме протестировать модель. | ||||||
| Data Class Designer… | Инструмент создания классов данных. | ||||||
| Model differences… | Сравнение моделей. | ||||||
| Merge/Compare two models… | Объединить/Сравнить две модели. | ||||||
| Compare to last saved model… | Сравнить текущее состояние модели с вариантом который был сохранен на диске в последний раз. | ||||||
| Profiler | Создание отчета о процессе моделирования. Команда должна быть выполнена до начала процесса моделирования. | ||||||
| Coverage Setting… | Открытие окна настроек отчета по моделированию. | ||||||
| Linear Analysis… | Исследование линейных стационарных систем. Команда доступна, если установлен инструмент Control System Toolbox (Приложение к MATLAB для исследования и разработки систем управления). | ||||||
|
| |||||||
| Simulink help | Справка по работе с программой Simulink. | ||||||
| Blocks | Справка по выделенному блоку или библиотеке блоков в целом. | ||||||
| Shortcuts | Справка по управлению программой Simulink с помощью нажатия комбинаций клавиш. | ||||||
| S-functions | Справка по созданию S-функций. | ||||||
| Demos | Запуск системы демонстрационных примеров. | ||||||
| About Simulink | Вывод окна с номером версии Simulink. | ||||||
Список использованных источников:
-
Герман-Галкин С.Г. Компьютерное моделирование полупроводниковых систем в Matlab 6.0. Учебное пособие.- СПб: Питер. 2001. - 320 с.
-
Дьяконов В.П. Simulink 4. Специальный справочник.- СПб: Питер. 2002.- 528 с.
-
Материалы сайта www.matlab.ru
-
Черных И.В. "Simulink: Инструмент моделирования динамических систем". http://www.w3.org/TR/html
-
Matlab. Руководство пользователя. М.: Изд. Дом “Филинъ”. 2003. - 697 с.
Содержание
Введение 3
1. Общие сведения 4
2. Запуск Simulink 4
3. Обозреватель разделов библиотеки Simulink 6
4. Создание модели 8
5. Окно модели 10
6. Основные приемы подготовки и редактирования модели 12
7. Установка параметров расчета и его выполнение 16
8. Завершение работы 21
9. Библиотека блоков Simulink 21
10. Модель привода постоянного тока 142
Приложение 1. Система меню обозревателя библиотек Simulink 152
Приложение 2. Система меню окна модели 153
Список использованных источников 160
















