Учебное пособие по Схемотехнике (1084826), страница 2
Текст из файла (страница 2)
В состав ЦУУ (рис. 2.4) входят следующие основные функциональные узлы (ФУ) и блоки.
ПУ – пульт управления с клавиатурой, посредством которой производят пуск и останов ЭВМ, задают режимы работы, вводят программу и данные.
БС- блок синхронизации, содержащий генератор импульсов, который начинает работать сразу после включения питания и выдает бесконечную последовательность синхроимпульсов. Из этих импульсов формируются в УУ все последовательности управляющих сигналов (УС), которые обеспечивают функционирование ЭВМ.
СК – счетчик команд (программный счетчик). При включении ЭВМ на вход R поступает с ПУ сигнал, который устанавливает СК:=0.
Далее с ПУ в СК поступает адрес начальной команды (АНК), с которого начинается выполнение некоторой программы.
Импульсы на счетный вход СК поступают из БС через логическую схему (ЛС), и если выполняется линейный участок программы, то при этом формируется следующий адрес команды (САК).
РК- регистр команды, в него из оперативного запоминающего устройства (ОЗУ) принимается очередная команда, которая будет выполняться.
Форм. САК - логическая схема, которая обеспечивает образование физического адреса (ФА) следующей команды при разветвлении программы. В эту логическую схему поступает информация из РК (адрес и коды модификации), а также логические условия (ЛУ) из АЛУ .
РА- регистр адреса, в него поступает сформированный ФА оперативного запоминающего устройства (ОЗУ), по которому происходит считывание команды и прием ее в РК.
Код операции попадает на дешифратор, где определяется, какая именно команда будет выполняться.
БФУС – блок формирования управляющих сигналов. Для каждой выполняемой команды он формирует свою последовательность управляющих сигналов – микроопераций (МО) , которые поступают на различные устройства и узлы ЭВМ.
На линейном участке программы САК образуется в СК при добавлении единицы к его содержимому после выполнения каждой команды.
При выполнении команд:
--безусловного (БП) перехода САК равен содержимому адресной части в команде;
--условного (УП) перехода САК формируется в зависимости от логических условий, которые могут поступать из АЛУ или других устройств.
Если ЛУ = 0, то САК = СК + 1
Если ЛУ = 1, то САК = <адр.> , т.е. содержимому адресной части команды УП.
БРГ – блок регистров, который содержит программно-доступные и программно-недоступные регистры.
Программно-недоступные регистры используются для реализации различных вычислительных алгоритмов.
Программно-доступные регистры ( регистры сегментов, регистры индикации и т.д.). С их помощью реализуется тот или иной тип организации ОЗУ.
-
2.3 Блок формирования управляющих сигналов.
Существуют 2 основные структуры БФУС:
- жесткая структура;
- микропрограммная структура.
2.3.1 Блок формирования управляющих сигналов
с жесткой структурой.
Отличается тем, что формирование последовательностей управляющих сигналов осуществляется с помощью логических схем.
На рис.2.5 представлена упрощенная функциональная схема БФУС с жесткой структурой. Основными ФУ являются двоичный счетчик тактов, дешифратор тактов (ДС), триггер управления (ТУ), формирователь управляющих сигналов (УС).
Рис. 2.5. Функциональная схема БФУС
На рис. 2.5 представлена упрощенная функциональная схема БФУС, в состав которой входят следующие функциональные узлы (ФУ) и логические схемы ( ЛС):
ГСИ – генератор синхроимпульсов;
СТ2 тактов - двоичный счетчик, который подсчитывает количество тактов (импульсов), прошедших за время выполнения данной вычислительной или логической операции;
ТУ- триггер управления, который управляет логической схемой (ЛС) на входе счетчика
ДС тактов - дешифратор, на выходах которого образуется стандартная последовательность управляющих потенциалов (УП), распределенных во времени (по номерам тактов) и в пространстве (по номерам контактов на выходе дешифратора);
ДС КОП – дешифратор кода операции определяет, какая команда будет выполняться;
Рис. 2.6 Временная диаграмма стандартных сигналов БФУС
РИ – распределитель импульсов, который распределяет синхроимпульсы в пространстве и времени, например, управляющий импульс УИ1 появится на выходе №1 в первом такте.
При включении ЭВМ или после окончания выполнения очередной команды ТУ:=0 и СТ2 :=0.
Если на вход подается сигнал Н.ОП (начало операции) или ПУСК, то ТУ устанавливается в 1, и на счетчик тактов поступают импульсы. При этом, как было показано выше, формируются две
стандартных последовательности управляющих потенциалов УП(1:m) и управляющих импульсов от УИ(1:m) , где m - количество тактов, необходимых для выполнения данной операции. Далее УП(1:m) и УИ(1:m) поступают на формирователь управляющих сигналов (Форм. УС), на выходе которого образуется нужная последовательность УС, реализующая данную операцию на ЭВМ.
Для каждой команды в составе Форм.УС существует своя ЛС для формирования соответствующей последовательности УС.
2.3.2 Основные этапы проектирования БФУС жесткого типа.
-
содержательное рассмотрение задачи, т.е. математическая постановка, числовые примеры;
-
построение обобщенной схемы алгоритма;
-
разработка структуры АЛУ и списка микроопераций с соответствующими характеристиками;
-
составление кодированной схемы алгоритма, т.е. привязанной к разработанной структуре АЛУ;
5) построение временной диаграммы управляющих сигналов;
-
разработка логической схемы БФУС.
2.3.3 Пример построения фрагмента БФУС с жесткой структурой для операции «сравнение модулей двух чисел».
Математическая постановка операции.
Вычитание выполняется по алгоритму ПД.
В результате вычитания образуется перенос из старшего разряда сумматора:
Строим обобщенную схему алгоритма.
На рис. 2.7 представлена т.н. обобщенная схема алгоритма.
Это означает, что данный алгоритм может быть реализован на любой структуре АЛУ. Тw - триггер, в котором должно запоминаться значение признака w.
Принимаем, что строим АЛУ параллельного действия с непосредственными связями.
Рис. 2.7 Обобщенная схема алгоритма.
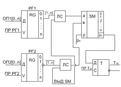
Соответствующий фрагмент АЛУ представлен на рис. 2.8. Он состоит из 2-ух регистров , сумматора параллельного действия, триггера и двух ЛС.
В РГ1 на вход «Д» поступает из ОЗУ первый операнд «А» (ОП1[0:n]), который будет принят в регистр микрооперацией ПР РГ1. Соответственно в РГ2 микрооперацией ПР РГ2 будет принят второй операнд «В» (ОП[0:n]).
Рис. 2.8. Фрагмент АЛУ
Далее микрооперацией ВЫД SM на входы сумматора подаются «А» в прямом коде и «В» в обратном коде. Кроме того, на третий вход сумматора поступает микрооперация «перенос в младший разряд».
После этого на выходе сумматора образуются сумма ( на рис. 2.8 не обозначена) и перенос из старшего разряда сумматора – p0.
Затем микрооперацией ПРТw значение переноса «p0» принимается в триггер переноса Тw. Значение Тw является логическим признаком (флагом), который определит переход к следующей команде при разветвлении программы.
На фрагменте АЛУ на рис. 2.8 отображены всего два регистра, поскольку для реализации заданного алгоритма этого достаточно, так как не требуется определить значение разности модулей. Однако, в реальном АЛУ всегда имеется третий регистр, в который принимается результат операции.
Строим кодированную схему алгоритма (рис.2.9), привязанную к фрагменту АЛУ на рис. 2.8. Эта схема алгоритма содержит последовательность микроопераций (МО), которые необходимо подать на АЛУ, чтобы выполнить заданную операцию
Напоминаем, что в действительности каждая МО выполняется соответствующим физическим УС.
Приступим к построению ЛС в составе БФУС, которая обеспечит формирование последовательности УС для выполнения рассматриваемой операции.
Принимаем, что у нас одноадресная структура команды.
Тогда получается, что операция «сравнение модулей» реализуется с помощью двух одноадресных команд (табл. 2.5).
Таблица 2.5.
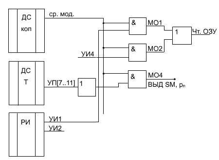
Считаем, что операция « вычитание» выполняется по алгоритму ПД. После выполнения 1-ой команды операнд «А» уже находится в РГ1 в прямом коде. Составляем фрагмент схемы БФУС для 2-ой команды - «сравнение с модулем В».
В табл. 2.6 представлен перечень микроопераций с характеристиками. В 4-ой графе таблицы указана длительность МО в тактах, в 5-ой графе - № такта , с которого начинается данная МО. Принято, что чтение из ОЗУ происходит за 3 такта.
Рис. 2.9. Кодированная схема алгоритма.
Таблица 2.6.
| № МО | Наименование | Вид МО | Длит. (такт) | № такта | Куда направл. |
| МО1 | Чтение ОЗУ | импульс. | 1 | 1-ый | в ОЗУ |
| МО2 | Чтение ОЗУ | импульс. | 1 | 4-ый | в ОЗУ |
Микрооперации «Выдача SM» и «
» являются потенциальными УС и их длительность определяется временем суммирования. Пусть
такта.
Рис. 2.10. Фрагмент БФУС c жесткой структурой
















