Учебное пособие по Схемотехнике (1084826)
Текст из файла
МОСКОВСКАЯ ГОСУДАРСТВЕННЫЙ УНИВЕРСИТЕТ
ПРИБОРОСТРОЕНИЯ И ИНФОРМАТИКИ
Кафедра автоматизированных систем обработки информации
и управления
Б.Н. Матюхин, Е.Н. Матюхина, Морозов И.А.
« Схемотехника и МПС »
часть 1
ФУНКЦИОНАЛЬНЫЕ УСТРОЙСТВА ЭВМ
Учебное пособие
Москва
2007 г.
ВВЕДЕНИЕ
Настоящее учебное пособие предназначено для студентов направления 552800 «Информатика и вычислительная техника» и направления 654600 « Информатика и вычислительная техника» по специальности 230102 « Автоматизированные системы обработки информации и управления ( АС) » используется при изучении теоретических разделов дисциплины «Схемотехникаи и МПС», выполнении лабораторных работ, а также при курсовом и дипломном проектировании. В пособии рассмотрены назначение, принцип действия, структурные и функциональные схемы основных функциональных устройств, входящих в состав ЭВМ.
Изложены методика и примеры проектирования основных блоков арифметического устройства и устройства управления.
1. Арифметическо-логическое устройство
Арифметическо-логическое устройство (АЛУ) – блок ЭВМ, который служит для выполнения арифметических и логических операций.
Выполняемые в АЛУ операции можно условно разделить на следующие группы:
-операции двоичной арифметики для чисел с фиксированной точкой;
-операции двоичной арифметики для чисел с плавающей точкой;
- операции десятичной арифметики;
-операции индексной арифметики;
-операции специальной арифметики;
-операции над логическими кодами;
-операции над алфавитно-кодовыми полями.
Современные ЭВМ общего назначения обычно реализуют операции всех приведенных выше групп, а малые и специализированные ЭВМ часто не выполняют операции над числами с плавающей точкой, операции десятичной арифметики и операции над алфавитно-цифровыми полями.
При необходимости эти операции выполняются специальными подпрограммами.
К арифметическим операциям относятся сложение, вычитание, умножение и деление чисел в двоичных и двоично-десятичных кодах, с фиксированной точкой и с плавающей точкой.
Группу логических операций составляют операции “инверсии” (логическое НЕ), “дизъюнкции” (логическое ИЛИ) и “конъюнкции” (логическое И) над многоразрядными двоичными кодами, сравнение кодов на равенство.
Специальные арифметические операции включают в себя нормализацию, арифметический сдвиг (сдвигаются только цифровые разряды, знаковый разряд остается на месте), логический сдвиг (знаковый разряд сдвигается вместе с цифровыми разрядами).
В зависимости от кодов, используемых для представления операндов, АЛУ делятся на последовательные и параллельные. В последовательных АЛУ операнды представляются в последовательном коде, а операции производятся последовательно во времени над их отдельными разрядами. В параллельных АЛУ операнды представлены параллельными кодами и операции совершаются одновременно над всеми разрядами операндов.
АЛУ последовательного действия в настоящее время практически не применяются из-за их низкого быстродействия. Все дальнейшее изложение относится к АЛУ параллельного действия.
По способу представления чисел различают АЛУ:
-для чисел с фиксированной точкой;
-для чисел с плавающей точкой;
- для десятичных чисел.
По своим функциям АЛУ является операционным блоком, выполняющим микрооперации (МО), обеспечивающие прием из других устройств (например, памяти) операндов, их преобразование и выдачу результатов преобразования в другие устройства. Каждая МО реализуется физическим управляющим сигналом (УС). Генерируемая устройством управления последовательность УС определяется кодом операции команды.
По структуре различают АЛУ:
-с жесткой структурой;
-с гибкой (магистральной) структурой.
1.1 АЛУ с жесткой структурой.
Жесткая структура отличается тем, что связи между регистрами и функциональными узлами, выполняющими преобразование информации, однозначно реализованы при изготовлении АЛУ и не могут быть изменены в процессе эксплуатации. Эти связи соответствуют полному набору алгоритмов выполнения вычислительных и логических операций в данном АЛУ.
На рис.1.1 представлена упрощенная функциональная схема АЛУ с жесткой структурой. Основными функциональными узлами (ФУ) в схеме являются три регистра РГ (1:3) и сумматор. В регистры РГ(1) и РГ(2) поступают из памяти исходные операнды, в РГ(3) образуются результаты операций. Кроме того, любой из регистров может, в том числе, выполнять операции сдвига.
Рис. 1.1. Функциональная схема АЛУ с жесткой структурой
Связи между регистрами и сумматором реализуются с помощью логических схем (ЛС), структура которых соответствует набору алгоритмов, выполняемых данным АЛУ. Процессы обмена информацией и ее обработка осуществляются за счет поступления управляющих сигналов (УС), которые формируются в устройстве управления (УУ) в соответствии с выполняемым алгоритмом. Достоинством данной структуры является относительная простота, вследствие чего АЛУ данного типа используются, в основном, при построении специализированных ЭВМ.
-
АЛУ с гибкой структурой.
Идея гибкой структуры состоит в том, что в АЛУ имеется несколько одинаковых и равнозначных регистров, которые умеют только принимать и выдавать информацию. При этом, любой из этих регистров может участвовать в любой операции, как в качестве источника, так и в качестве приемника.
На рис.1.2 представлена упрощенная функциональная схема АЛУ с гибкой или, как ее еще называют, магистральной структурой.
`
DC
Микро-инстр.
УС
Рис.1. 2. Функциональная схема АЛУ с гибкой структурой
Одной из отличительных особенностей этой структуры является наличие единой двунаправленной магистрали данных, по которой данные поступают из памяти и любого регистра, а также выдаются в память и регистры. В состав АЛУ входят несколько регистров РГ(1:к) общего назначения (РОН), а также сумматор (SM) и дешифратор (DC). Кроме того, может быть единый блок, реализующий операции сдвигов ( на схеме не показан). Функционирование АЛУ определяется микроинструкциями, которые поступают из УУ на дешифратор (DС). На выходе DC появляются УС, поступающие на регистры и ЛС на входах и выходе сумматора в соответствии с выполняемым алгоритмом.
Достоинством данной структуры является возможность в процессе отладки или эксплуатации изменять алгоритмы выполнения операций или добавлять новые. В большинстве современных ЭВМ используются АЛУ магистрального типа.
-
Устройство управления (УУ)
Предназначено для обеспечения работы всех узлов и устройств ЭВМ в соответствии с выполняемой программой.
Основные функции УУ:
-организация пуска и остановки ЭВМ;
-определение очередности выборки команд из оперативной памяти;
-формирование физических адресов операндов;
-формирование последовательности управляющих сигналов для выполнения арифметических, логических и иных операций при выполнении программы.
Обеспечение работы ЭВМ в различных режимах:
-автоматически выполняемая программа;
-пошаговое выполнение программы;
-режим прерывания;
-прямого доступа к памяти;
и т. д.
Рис. 2.1. Обобщенная структура УУ
ЦУУ - центральное УУ, которое выполняет основные функции по реализации программы.
МУУ – местное УУ (находится при каждом из устройств, входящих в состав ЭВМ). Оно реализует специфические алгоритмы, соответствующие принципам действия различных внешних устройств.
Рис.2.2. Иерархическая структура понятий при постановке задач на ЭВМ
Программа – кодированная запись алгоритма.
Команда – кодированная запись вычислительной, логической или иной операции. В устройствах ЭВМ команда физически выполняется с помощью микроопераций.
Микрооперация – некоторое простейшее преобразование данных, например, прием байта данных в регистр, инверсия переменной и т.д.
-
2.1 Структура команды
Структура любой команды состоит из нескольких полей, основные из которых представлены в табл.2.1.
Таблица 2.1
| код операции | адресная часть | код модификации |
Код операции (коп) указывает, какая именно операция (арифметическая, логическая и т.п.) выполняется. Если поле « коп» состоит из « m» двоичных разрядов, то в данной системе команд может содержаться до
различных операций. Любой операции соответствует свой код операции. В адресной части указываются адреса операндов.
Операнд – число, команда, код, над которыми выполняется указанная операция.
Коды модификации используются при вычислении физических адресов данных.
В зависимости от структуры адресной части различают следующие виды команд:
-безадресные (например, остановка);
-одноадресные;
-двухадресные;
-трехадресные;
-многоадресные.
Рассмотрим на примере программирования простейшего алгебраического выражения (2.1) взаимосвязь между адресностью команды и структурой соответствующего фрагмента программы.
Данные и результат размещаются, например, в следующих условных адресах оперативного запоминающего устройства (ОЗУ).
Составим фрагмент программы для выражения (2.1) при одноадресной структуре команды. Как видно из табл. 2.2
фрагмент программы занимает три ячейки в памяти.
Таблица 2.2.
адрес команда пояснения
В табл. 2.3 представлена структура двухадресной команды.
Таблица 2.3.
| коп | М1 | М2 |
Фрагмент программы для выражения (2.1) при двухадресной структуре команды состоит всего из одной команды:
сложение (М1) + (М2) → (М2) (2.2)
Как следует из (2.2), результат сложения заносится по адресу одного из слагаемых.
В табл. 2.4 представлена структура трехадресной команды.
Фрагмент программы для выражения (2.1) состоит при трехадресной структуре также всего из одной команды (2.3).
Таблица 2.4.
| Коп | М1 | М 2 | М 3 |
сложение (М1) + (М2) → (М3) (2.3)
Как видно, при двух и трехадресной структурах команды фрагмент программы для выражения (2.1) занимает только одну ячейку памяти.
Однако, если принять, что ячейка оперативной памяти содержит ограниченное количество разрядов, то предпочтение имеет одноадресная структура команды, так как при этом можно адресовать больший объем памяти..
В современных ЭВМ принята переменная структура команды (за основу взята двухадресная) в зависимости от назначения команды.
Одной из основных функций ЦУУ является определение очередности выбора команды при выполнении программы, или определение следующего адреса команды (САК). В каждой программе содержатся два типа участков: линейная часть и разветвление.
На линейной части программы команды располагаются по последовательным адресам оперативной памяти. При этом адрес следующей команды формируется с помощью счетчика. Фрагмент программы в табл. 2.2 является линейной частью программы. Разветвления в программе происходят при выполнении безусловного перехода (БП) и условного перехода (УП).
В командах БП и УП адрес следующей команды указан в выполняемой команде.
| | |
| Рис.2.3. Фрагмент алгоритма программы с разветвлением. |
Ниже приведен алгебраический пример, для решения которого потребуется написать программу с разветвлением.
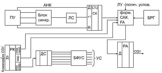
Рис. 2.4. Упрощенная структура ЦУУ
Характеристики
Тип файла документ
Документы такого типа открываются такими программами, как Microsoft Office Word на компьютерах Windows, Apple Pages на компьютерах Mac, Open Office - бесплатная альтернатива на различных платформах, в том числе Linux. Наиболее простым и современным решением будут Google документы, так как открываются онлайн без скачивания прямо в браузере на любой платформе. Существуют российские качественные аналоги, например от Яндекса.
Будьте внимательны на мобильных устройствах, так как там используются упрощённый функционал даже в официальном приложении от Microsoft, поэтому для просмотра скачивайте PDF-версию. А если нужно редактировать файл, то используйте оригинальный файл.
Файлы такого типа обычно разбиты на страницы, а текст может быть форматированным (жирный, курсив, выбор шрифта, таблицы и т.п.), а также в него можно добавлять изображения. Формат идеально подходит для рефератов, докладов и РПЗ курсовых проектов, которые необходимо распечатать. Кстати перед печатью также сохраняйте файл в PDF, так как принтер может начудить со шрифтами.
















