Учебное пособие по Схемотехнике (1084826), страница 5
Текст из файла (страница 5)
При поступлении на все УЧ сигнала стр.ЧТ. на их выходах появляется информация, которая принимается в ТС всех разрядов .
Опишем функционирование ТС1 с помощью логического выражения (3.1), где переменная W1 –информация, которая принимается в ТС1 в режиме записи.
ТС1 ‘: =’ ‘ЕСЛИ’ ГШ ‘ТО’ 0 ‘ИНЕСЛИ’ W1 ‘ТО’ 1 ‘ИНЕСЛИ’ УЧ1 ‘ТО’ 1 ‘ИНАЧЕ’ ТС1 (3.1)
Достоинства структуры 2D состоит в том, что считывание информации происходит при поступлении на него одного адресного сигнала. Это обеспечивает более высокую помехоустойчивость запоминающего устройства и более высокое быстродействие.
-
Структура ОЗУ типа 3D.
Рис. 3.3 ОЗУ по структуре 3D
Структура данного ОЗУ (рис. 3.3) называется объемной, так как в ней содержится столько МЗЭ, сколько разрядов в слове.
На одной матрице размещены ЗЭ одного разряда всех адресов.
Все эти ЗЭ подключены к одной разрядной ШЧ и одной ШЗ. ША раделена пополам по числу разрядов. При этом образуются две равных группы шин: ШАx и ШАy
На рис. 3.4 изображен ЗЭ с подключенными к нему шинами: ШЧ, ШЗ, ШАx, ШАy .
Рис. 3.4. Запоминающий элемент в структуре 3D.
Каждый ЗЭ находится на скрещении ШАx и ШАy. Каждая из ША подключена последовательно к ЗЭ данного адреса на всех матрицах.
При операциях ЧТ и ЗП на всех матрицах одновременно выбираются ЗЭ, находящиеся на скрещении одних и тех же шин ШАx и ШАy.
Сравнительная оценка ОЗУ 2D и 3D.
1. Построение ОЗУ по структуре 2D требует больше адресного оборудования
Адр. Об.2D ≡ N – количество слов в ОЗУ.
Адр. Об.3D ≡ 2*√N
для ОЗУ больших объемов используется 3D.
В структуре 3D наличие большого числа матриц приводит к увеличению длины адресной шины, что приводит к колебательным процессам. Из-за этого ограничивается быстродействие запоминающего устройства этого типа (нельзя подавать короткие импульсы).
3.1.3 Полупроводниковые запоминающие устройства.
Полупроводниковые запоминающие устройства используют в качестве запоминающих элементов статические триггеры типов ТТЛ, ЭСЛ, МОП. Чаще используются МОП, потому что потребляют наименьшую мощность.
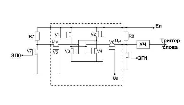
Рис. 3.5. Принципиальная схема полупроводникового З.Э.
Рис. 3.6. Временная диаграмм работы З.Э.
V3, V4 – образуют триггер.
V1, V2 – их нагрузка.
V5, V6 – выборка этого ЗЭ.
Uв : = 1; Uн : = 0; Uв = Eп
Режим записи 0: на внешний усилитель собранный на V7 подается положительный сигнал “ЗП0”, а на Ua подается положительное сигнал Ua, который открывает V5 и V6; на выходе V7 появляется отрицательный сигнал, который через V5 поступает на затвор V3. Если в ЗЭ : = 1, тоесть V3 был открыт, т.к. на затвор V3 поступал отрицательный сигнал с R7, то V3 будет закрываться при этом открывается V4 и ЗЭ переходит в состояние 0
(ЗЭ : = 0).
Под положительным сигналом на V8 и положительным сигналом на Ua дальнейшее происходит аналогично для ЗП0.
3.1.4 Ассоциативные запоминающие устройства (АЗУ).
Отличаются тем, что поиск информации происходит не по адресу, а по некоторому признаку, что ускоряет процесс поиска нужной информации; позволяет провести поиск информации по указанному признаку.
Рис. 3.7. Функциональная схема ассоциативного ОЗУ
СПВ – схема поразрядной выборки
СПВ обеспечивает одновременную выборку содержимого всех разрядов одного адреса.
РИ – регистр индикатор.
РИj ‘: =’ ‘ЕСЛИ’ У1 ‘ТО’ 1 ‘ИНЕСЛИ’ (ЗЭj1
П1) v (ЗЭj2
П2) v (ЗЭj3
П3)… (ЗЭjn
Пn) ‘ТО’ 0 ‘ИНАЧЕ’ РИj;
В процессе поразрядной выборки во всех адресах одновременно и последовательно сравнивается содержимое ЗЭ с признаком, заданном в РГ ПРИЗНАКОВ. Если по
какому-то адресу содержимое ЗЭ отдельные разряды не совпадают с признаком, то на выходе схемы сравнения данного адреса появляется сигнал сбрасывающий в 0 триггер соответствующего адреса в РИ. Только в тех адресах, где содержимое всех разрядов совпало с состоянием РГ ПРИЗНАКОВ сигнал на выходе схемы сравнения равен 0. Соответственно триггер РИ, РИj остается в состоянии 1, это означает, что данный адрес соответствует искомому признаку. После нахождения адреса считывание осуществляется обычным адресным способом. Запись информации осуществляется только по свободному адресу (признак свободной ячейки).
44
















