Расчёт усилителя мощности (1083273)
Текст из файла
МИНИСТЕРСТВО ОБРАЗОВАНИЯ И НАУКИ
РОССИЙСКОЙ ФЕДЕРАЦИИ
Федеральное государственное бюджетное образовательное
учреждение высшего профессионального образования
«МОСКОВСКИЙ ГОСУДАРСТВЕННЫЙ ТЕХНИЧЕСКИЙ УНИВЕРСИТЕТ РАДИОТЕХНИКИ, ЭЛЕКТРОНИКИ И АВТОМАТИКИ
КАФЕДРА ТЕХНИЧЕСКОЙ ЭЛЕКТРОДИНАМИКИ И ЭЛЕКТРОНИКИ
Курсовой проект
по электронике
на тему: Расчет усилителя мощности
вариант 19
Студент: Медянцев К.М.
Факультет: Кибернетика
Группа:КС-41-10
(подпись, дата)
Научный руководитель
Доц. Савицкий В.А.
Москва 2012 г.
Оглавление
Страницы
1. Задание на курсовое проектирование 3
2. Выбор и обоснование схемы усилителя 4
3. Расчёт выходного каскада 7
3.1. Выбор схемы усилителя мощности 7
3.2. Выбор транзисторов 10
3.3. Выбор ОУ для схемы выходного каскада 12
3.4. Полный расчёт бустера выходного каскада_______________13
3.5. Построение выходной ВАХ____________________________17
3.6. Оценка усилительных свойств выходного каскада_________19
3.6.1. Графический метод___________________________ 20
3.6.2. Аналитический метод _________________________21
3.6.3. С учетом местной обратной связи 21
3.7. Оценка нелинейных искажений 21
4. Расчёт предварительных усилителей 26
4.1. Расчёт входного каскада 26
4.2. Расчёт промежуточного каскада 28
4.3. Построение ЛАЧХ 2-го каскада ________________________29
5.Полный расчёт схемы усилителя 30
5.1. Оценка усилительных свойств схемы 30
5.2. Расчёт емкостей разделительных конденсаторов 30
5.3. Проверка работы в области ВЧ 31
5.4. Расчёт КПД 32
5.5. Расчёт фильтров в цепях питания ОУ ___________________32
5.6. Электрическая схема и спецификация элементов _________33
Список использованной литературы ____________________________36
1.Задание на курсовое проектирование.
Задание
на курсовое проектирование по курсу ЭЛЕКТРОНИКА
для студента Медянцева К.М. группы КС-41-10
вариант 19
Выбрать и рассчитать схему усилителя переменного сигнала на основе операционного усилителя с оконечным каскадом на биполярных транзисторах, работающего от источника напряжения с ЭДС генератора ЕГ=0.5 мВ и выходным сопротивлением RГ. Усилитель имеет дифференциальный вход и бестрансформаторный выход с выходным напряжением UВЫХ.макс. Схема работает на нагрузку с сопротивлением RН, зашунтированную конденсатором СН. В схеме предусмотреть плавную регулировку усиления от 0 до UВЫХ.макс.
Коэффициент частотных искажений на граничных частотах fН и fВ не должен превышать заданных значений МН и МВ. Усилитель должен работать в диапазоне температур -25 ...+60°С. Коэффициент нелинейных искажений не должен быть больше 1%.
В схеме усилителя предусмотреть не более двух источников питания, для чего следует рассчитать фильтры в цепях питания с коэффициентом пульсаций не превышающим 1,5 %
Таблица 1.1
| № | UВЫХ макс В | RН Ом | RГ кОм | Сн пФ | fН Гц | fВ кГц | Мн;Мв дБ |
| 19 | 25 | 240 | 5,6 | 47 | 75 | 9,2 | 3,1 |
2. Выбор и обоснование схемы усилителя
Во 2-ом разделе РПЗ проводится общий расчет усилителя мощности с представлением структурной схемы.
Сначала находится выходной ток или ток в нагрузке:
=
104,2
(мА), где
Затем производится вычисление тока генератора:
=
=0,0893 (мкА)
Рассчитывается коэффициент усиления по току:
=
=
Находится требуемый коэффициент усиления по напряжению
=
=
Мощность сигнала в нагрузке может быть найдена как
=
=1,3021(Вт)
Соответственно, коэффициент передачи по мощности
=
=58345*
Пересчитаем полученные величины в (дБ) из условия 1дБ=20 lg К и получим
=20*lg(50000)=94(дБ),
=20*lg(1166900)=121.3(дБ),
=10*lg(50000*1166900)=107,7(дБ).
Исходя из условия, что на один каскад усиление принимается
20 – 40 (дБ), принимается Кu i=32дБ близкое к максимальному значению и находится необходимое число каскадов N рассчитываемой схемы
=
=2,9375
Полученный результат округляется в сторону большего значения. Принимаем число каскадов схемы усилителя мощности N=3
Схема включения входного каскада выбирается в зависимости от заданного источника входного сигнала и фазовых соотношений между входным и выходным сигналом. Этот каскад обеспечивает согласование усилителя с источником сигнала. Согласно заданию входной каскад усилителя мощности имеет дифференциальный вход и показан на схеме рис.2.1.
Рис.2.1. Схема входного дифференциального каскада
Схемы промежуточных каскадов также выполнены на операционных усилителях, и являются усилителями с глубокой обратной связью. Вариант схемы промежуточного каскада приведен на рис. 2.2
Рис.2.2. Схема промежуточного
каскада
Выходной (оконечный каскад) выполнен по схеме бустера напряжения или тока. Элемент обратной связи позволяет обеспечить необходимое усиление. За счет введения отрицательной ОС существенно улучшаются такие показатели работы схемы, как коэффициент нелинейных искажений и стабильность работы каскадов схемы.
Предполагаемая структурная схема усилителя мощности будет иметь вид (рис.2.3):
Г
1
2
Н
3
Рис.2.3.Структурная схема усилителя мощности.
На схеме приняты обозначения элементов:
Г. – Генератор;
1. – Входной каскад; регулировка усиления предусматривается во входном каскаде;
2. – Промежуточный каскад;
3. – Оконечный каскад – бустер;
Н. – Нагрузка в виде сопротивления, зашунтированного конденсатором.
3. Расчет выходного каскада
3.1. Выбор схемы усилителя мощности
Рассмотрим 3схемы усилителя мощности[1]:
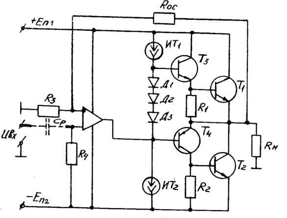
1. Инвертирующий УМ с бустером напряжения, управляемый с выхода ОУ(рис.3.1)
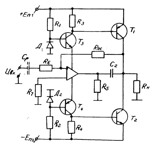
2. Инвертирующий УМ с бустером напряжения, управляемый по цепям питания ОУ(рис.3.2)
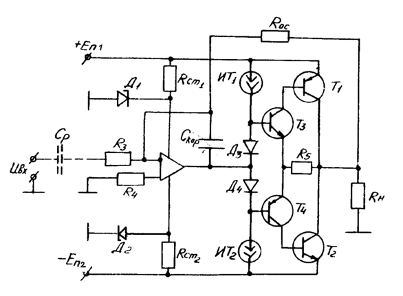
3. Неинвертирующий УМ с токовым бустером по схеме повторителя с квазикомплементарной симметрией(рис.3.3)
Рис.3.1 Инвертирующий УМ с бустером напряжения, управляемый с выхода ОУ
Бустер напряжения на рис.3.1 управляется выходным сигналом ОУ. Транзисторы Т1-Т4 включены по схеме с ОЭ. Диоды Д3,Д4 обеспечивают смещение на базы транзисторов Т3,Т4.Коллекторной нагрузкой транзисторов Т3,Т4 являются входные сопротивления мощных оконечных транзисторов Т1,Т2.Резистор R5 обеспечивает последовательную ООС по напряжению в бустере, повышает стабильность работы и снижаем нелинейные искажения. Конденсатор Скор компенсирует фазовые искажения в бустере. Через резистор Rос осуществляется общая ООС всего УМ. Схема включения ОУ не зависит от бустера и может быть инвертирующей, или неинвертирующей, или дифференциальной. Нелинейные искажения бустера в основном определяется разбросом параметров комплементарных пар транзисторов Т1,Т2 и Т3,Т4.
Рис.3.2 Инвертирующий УМ с бустером напряжения, управляемый по цепям питания ОУ
Бустер напряжения, показанный на рис.3.2,управляется по цепям питания ОУ. Ток, потребляемый от источников питания, в основном определяется выходным каскадом ОУ, который работает в режиме АВ и будет пропорционален величине выходного сигнала. Поэтому тока питания ОУ можно использовать для управления мощным оконечным каскадом. Благодаря подключению к выходу ОУ резистора R5 небольшого номинала(R5= 0,5Rн min) через оконечный каскад ОУ, а, следовательно, и в цепи питания ОУ протекает значительный ток, который управляет коллекторным током транзисторов Т3,Т4,включенных по схеме ОБ. Это позволяет при небольших сопротивлениях резисторов в коллекторных цепях R3,R4 получить значительное по величине напряжение, управляющее мощными выходными транзисторами Т1,Т2,включенными по схеме ОЭ. При использовании бустера напряжения выходное напряжение ОУ ограничено и не достигает максимальной величины.
Сравнивая схемы рис.3.1 и 3.2,можно сказать, что управление по цепям питания имеет следующие преимущества:
-
меньше нелинейные искажения, так как каскад, включенный по схеме с ОБ, имеет более линейные характеристики;
-
частотные свойства транзисторов Т3,Т4 слабо влияют на полосу пропускания;
-
ОУ в схеме рис.3.2 лучше защищен от короткого замыкания нагрузки бустера и пробоя оконечных транзисторов;
-
несколько упрощает схему отсутствие двух диодов смещения.
Однако управление бустером с выхода ОУ в литературе встречается чаще, так как по остальным параметрам схемы рис. 3.1 и 3.2 близки, и сказывается сила привычки к традиционному способу управления.
Бустеры напряжения, показанные на рис.3.1 и 3.2,уступают токовым бустерам по величине Кг, но позволяют получить напряжения на нагрузке, превышающее Uоу max.
Рис.3.3 Неинвертирующий УМ с токовым бустером по схеме повторителя с квазикомплементарной симметрией
Бустер на рис.3.3,собран по схеме эмиттерного повторителя с квазикомплементарной симметрией. В этой схеме в выходном каскаде использованы транзисторы Т1,Т2 одного типа проводимости, а транзисторы Т3,Т4 различных типов. Для повышения температурной стабильности в этом каскаде, при малых токах нагрузки выходные транзисторы заперты, для чего падение напряжения на резисторах R1,R2 от тока покоя транзисторов Т3,Т4 составляет
0.4В.Общее падение напряжения на диодах Д1,Д2 должно составлять U=0.7B*2+0.4=1.8B
Недостаток бустера тока в том, что в отличие от бустера напряжения, он не позволяет получить на нагрузке сигнал, превышающий величины входных токов и напряжений ОУ.
На основании проведенного обзора, сравнения достоинств и недостатков вышеприведенных схем, к дальнейшему расчету принимается схема инвертирующего УМ с бустером напряжения, управляемым по цепям питания ОУ, изображенная на рис.3.2.
3.2. Выбор транзисторов
Производим выбор транзисторов для схемы выходного каскада. Предварительно производим выбор напряжения источника питания.
Напряжение источника питания находится из условия
Характеристики
Тип файла документ
Документы такого типа открываются такими программами, как Microsoft Office Word на компьютерах Windows, Apple Pages на компьютерах Mac, Open Office - бесплатная альтернатива на различных платформах, в том числе Linux. Наиболее простым и современным решением будут Google документы, так как открываются онлайн без скачивания прямо в браузере на любой платформе. Существуют российские качественные аналоги, например от Яндекса.
Будьте внимательны на мобильных устройствах, так как там используются упрощённый функционал даже в официальном приложении от Microsoft, поэтому для просмотра скачивайте PDF-версию. А если нужно редактировать файл, то используйте оригинальный файл.
Файлы такого типа обычно разбиты на страницы, а текст может быть форматированным (жирный, курсив, выбор шрифта, таблицы и т.п.), а также в него можно добавлять изображения. Формат идеально подходит для рефератов, докладов и РПЗ курсовых проектов, которые необходимо распечатать. Кстати перед печатью также сохраняйте файл в PDF, так как принтер может начудить со шрифтами.
















