Расчёт усилителя мощности (1083273), страница 2
Текст из файла (страница 2)
, обычно Uкэ min ≈ 3 4 (В).
Из списка номинальных значений напряжений источников постоянного питания выбирается необходимое значение и принимается величина Eп=30(В).
Рассчитывается мощность, потребляемая оконечным каскадом
где Iкср – средний ток транзисторов при максимальной амплитуде.
(мА)
Соответственно определяется значение мощности
(Вт)
Далее рассчитывается мощность, рассеиваемая на коллекторе транзистора выходной цепи
=
если
=
(Вт)
При этом следует иметь в виду, что
Выбирается пара комплементарных транзисторов Т3, Т4 средней мощности, которые должны удовлетворять следующим условиям.
-
(104,2 мА< 0,3А) -
U
(80 В> 60 В) -
(0.34475 Вт < 0.5 Вт) -
(9.2 кГц < 5000 кГц)
где Iк доп, Uкэ доп,
– предельные параметры транзисторов.
На основании этих условий выбирается пара комплементарных транзисторов KT502Б и КТ503Б, имеющая параметры [1]
Таблица 3.1
| Тип транзистора |
(А) |
|
(Вт) |
(МГц) |
от – до | |
| p-n-p | n-p-n | |||||
| KT502Б | KT503Б | 0.3 | 25-80 | 0.5 | 5 | 15-480 |
Рис.3.4 Зависимость статического коэффициента передачи тока от тока эмиттера(КТ502Б p-n-p типа)
Рис.3.5 Зависимость статического коэффициента передачи тока от тока эмиттера(КТ503Б n-p-n типа)
3.3. Выбор операционного усилителя
для схемы выходного каскада
Осуществляем выбор операционного усилителя для схемы бустера.
Выбор производится из следующих соображений:
-
По напряжению
Uн, -
По току:
Рассчитаем ток потребления ОУ
, исходя из базового тока выходного транзистора схемы. Если считать, что для бустера напряжения
=
(мА)
Тогда
=
=
(мА)
Для бустера тока (рис.3.1) справедливы соотношения:
.В свою очередь
Таким образом, значение
оказывает влияние на выбор ОУ для бустера напряжения.
-
По частоте усиливаемого сигнала
f > fв, где f =fТ и fв верхняя граничная частота (из задания),
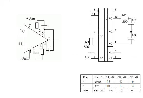
Исходя из вышеперечисленных условий, производится выбор ОУ для бустера [1]. Принимается ОУ K140УД5Б, параметры которого представлены в таблице 3.2.
Таблица 3.2
| Тип | UИП В | I потреб мА | Uвых .max. B | RН.min кОм | KУ собствен. коэф. усилне. | Uвх. сф max. B | Iвх. нА | ∆Iвх. нА | Rвх. MОм | Rвых. Ом | fT МГц | Внутренняя коррекция |
| K140УД5Б | ±12 | 12 | -4.5 | 5 | 1000 | ±6 | 10000 | 5000 | 0.003 | 1000 | 14 | - |
Функциональная и принципиальная электрические схемы данного ОУ представлены на рисунке 3.6
Рис.3.6. Функциональная и принципиальная электрические схемы операционного усилителя типа K140УД5Б
3.4. Полный расчет бустера
Производим полный расчет схемы выходного каскада
3.4.1. Расчет схемы бустера напряжения, управляемого по цепям питания ОУ.
Сопротивление резистора R7 выбирается из условия максимального
тока, потребляемого операционным усилителем
Определим токи через транзисторы VТ3, VТ4
(мА)
где ток
обычно принимается равным 1 мА в классе усиления АВ.
Напряжения на базах транзисторов VТ1, VТ2 задаются параметрическими стабилизаторами R1 VD1 , R2 VD2 (рис. 3.2) и определяются выбранными стабилитронами или светодиодами. Обычно значение напряжения на диоде равно 0.7 В.
Сопротивления резисторов R5, R6 выбираются из условия обеспечения режима АВ в транзисторах выходной цепи
(Ом).
Принимаются номинальные значения сопротивлений
(Ом)
Мощность, рассеиваемая каждым из транзисторов Т1, Т2, равна
(Вт).
На основании проведённых расчётов выбирается пара комплементарных транзисторов VТ1, VТ2 . удовлетворяющих следующим требованиям. Числовые значения в скобках обязательны:
-
{0,1(А)>0.01122(А)} -
{50(В)>30(В)} -
{0.25(Вт)>0,202(Вт)} -
{100(МГц)>9.2(кГц)}
Принимаются транзисторы малой мощности [2], параметры которых приведены в таблице 3.3.
Таблица 3.3
| Тип транзистора |
|
|
|
(МГц) |
от – до | |
| p-n-p | n-p-n | |||||
| KT3107А | KT3102А | 0.1 | 50 | 0.25 | 100 | 100-1000 |
Рис.3.7 График зависимости коэффициента передачи от тока коллектора для транзистора КТ3102(n-p-n типа)
Рис.3.8 График зависимости коэффициента передачи от тока коллектора для транзисторов КТ3107(p-n-p типа)
Сопротивление резистора R1 бустера напряжения зависит от входного тока ОУ и находится из выражения
следующим образом. Так как обычно коэффициент усиления выходного каскада УМ лежит в пределах 3 – 5 то принимаем Кu.УМ = 4. Тогда
и с учетом входного тока ОУ Iвх ОУ находится сопротивление резистора R1
. Найденное значение сопротивления может иметь большое значение. С учетом условия, что для ОУ, выпускаемых отечественной промышленностью, это сопротивление лежит в пределах (5
10) (кОм), принимается номинальное значение сопротивления резистора R1=10(кОм).
Тогда с учетом местной обратной связи в схеме выходного каскада УМ находится сопротивление R8
(кОм)
Принимается номинальное значение сопротивления 43 кОм .
Рассчитывается сопротивление резистора R3
(кОм)
Принимается номинальное значение сопротивления
=8,2(кОм)
Диоды VD1 и VD2 выбираются в соответствии с условиями:
,
где
- токи базы транзисторов VT1, VT2.
=0,63 (мА).
,
-допустимые диапазоны изменения тока стабилитрона.
Выбираются стабилитроны КС139А [5], имеющие
-
Iст=10(мА),Iст min=3(мА),Iст max=70(мА)
-
Uст=3,9(В)
Сопротивления резисторов R2 и R4 находятся как
(кОм),
и принимаются в соответствии с номинальными значениями сопротивлений
(кОм)
Конденсатор С1 служит для коррекции частотной характеристики бустера и выбирается из выражения
,
где
один из параметров транзистора выходного каскада ОУ (обычно 120 – 150),
принимается для транзисторов VТ1, VТ2 при IК =IН.для VТ1,2.
-постоянная времени в области верхних частот
После расчетов принимается конденсатор, имеющий емкость номинального значения
.
3.5. Построение семейства выходных
вольтамперных характеристик
В подразделе производим построение семейства выходных ВАХ выходных транзисторов оконечного каскада. Строятся они при использовании справочной зависимости коэффициента передачи тока одного из транзисторов выходной цепи [3], принятых в подразделе 3.2, от тока коллектора или тока эмиттера. График зависимости
= f (Iк) или
= f (Iэ) в общем случае имеет вид (рис.3.4)
Для построения семейства выходных ВАХ транзистора находим значения коэффициентов
или h21э для каждого из значений принятых токов. Обычно принимаются 6 – 8 значений токов. Исходя из найденных величин h21э i при i-ом значении тока определяются значения токов базы
. Все значения токов коллектора (эмиттера) и найденные коэффициенты h21э и токи Iбi заносятся в таблицу 3.4.
Таблица 3.4.
| Iэ | h21э | Iбi (мкА) |
| 1 | 88 | 11.36 |
| 10 | 133 | 75.18 |
| 20 | 140 | 142.85 |
| 40 | 130 | 307.7 |
| 60 | 118 | 508.5 |
| 100 | 104 | 961.54 |
| 104.2 | 102 | 1021.56 |
Под углом наклона к оси абсцисс через начало координат проводится линия критических режимов.
Рис.3.9 Аппроксимация к построению выходных ВАХ транзистора
Рассчитаем наклон ВАХ (таблица 3.4).
=40(В).Принимаем rкб=700(кОм).Следует определить приращение коллекторного тока с учетом выражения
. С другой стороны
. Полученные значения ∆Iк заносятся в таблицу 3.5.
(104,2 мА< 0,3А)
(80 В> 60 В)
(0.34475 Вт < 0.5 Вт)
(9.2 кГц < 5000 кГц)
(В)
Uн,
{0,1(А)>0.01122(А)}
{50(В)>30(В)}
{0.25(Вт)>0,202(Вт)}
{100(МГц)>9.2(кГц)}















