Расчёт усилителя мощности (1083273), страница 4
Текст из файла (страница 4)
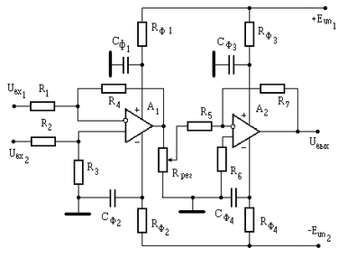
Рис.4.2 Функциональная и принципиальная электрические схемы операционного усилителя К140УД6
Далее проводится расчет элементов схемы. Рассчитывается сопротивление резисторов R1 и R2:
(МОм)
Так как рассчитываемая схема является усилителем мощности, то следует обеспечить согласование сопротивлений не только по выходу, но и по входу. Поэтому принимаются номинальные значения сопротивлений R1 , R2 равные выходному сопротивлению источника сигнала, но лежащие в пределах 5 – 10 кОм. Принимаются номинальные значения сопротивлений резисторов R1 =R2=5,1кОм.
Сопротивление резистора R4 рассчитывается исходя из ранее принятых значений
. Тогда
Принимается номинальное значение R4=4300(кОм).
Сопротивление резистора R3 принимается равным R4=4300(кОм)
При найденных значениях сопротивлений резисторов уточняется коэффициент передачи по напряжению усиления схемы входного каскада по формуле
Сопротивления регулировочного резистора R5 принимается из следующего условия:
(кОм)
где
должно соответствовать табличным данным ОУ.
Принимается переменное сопротивление номинального значения Rрвг=3,3(кОм).
4.2. Расчёт промежуточного каскада
Схема этого каскада изображена на схеме рис.2.2. Тип ОУ для промежуточного каскада усиления принят в подразделе 4.1.
Определим сопротивление резистора R1:
(Ом) ,
где
Принимается номинальное сопротивление резистора
(5 – 10 кОм),R1=5,1(кОм).
Коэффициент усиления по напряжению промежуточного каскада
принимается равным согласно выше приведённым расчётам. Исходя из этого значения, производится расчет сопротивления R2 .
(кОм)
Принимается сопротивление резистора
номинального значения R2=4300(кОм) .
Затем уточняется величина коэффициента передачи по напряжению схемы промежуточного каскада
Рассчитывается сопротивление резистора R3:
Принимается номинальное значение R3=5,1(кОм) .
4.3.Логарифмическая амплитудно-частотная характеристика промежуточного каскада
Согласно заданию требуется привести ЛАЧХ для одного из каскадов усилителя мощности. Для промежуточного каскада усилителя на ОУ К140УД6, из [1] приводится ЛАЧХ усилителя. Коэффициент передачи схемы по напряжению равен
=843,1. Для этой величины проводится нагрузочная линия, которой соответствует значение
(дБ).
На рис.4.3. приведена логарифмическая амплитудно-частотная характеристика промежуточного каскада
Рис.4.3.Логарифмическая амплитудно-частотная характеристика
промежуточного каскада усиления.
5. Полный расчет схемы усилителя мощности
5.1. Оценка усилительных свойств схемы
Рассчитаем коэффициент передачи по напряжению всей схемы УМ
Значения всех коэффициентов усиления в относительных единицах были получены подразделах 3.7, 4.1 – 4.2.
Рассчитаем относительную погрешность усиления:
здесь,
- требуемое усиление, рассчитанное во 2-ом разделе,
- полученное усиление с коэффициентом передачи
Рассчитанное значение относительной погрешности не превышает величины
,а значит удовлетворяет заданным требованиям.
5.2. Расчёт емкостей разделительных конденсаторов
Для развязки по постоянному току источника сигнала и усилителя используются разделительные конденсаторы. Перед нагрузкой ставить разделительный конденсатор не имеет смысла, так как в режиме покоя на выходе схемы имеет место нулевой потенциал. При наличии n разделительных конденсаторов в УМ заданный коэффициент частотных искажений необходимо поделить поровну между всеми цепями, создающими НЧ-искажения
где
подставляется в формулу в относительных единицах,
n- число цепей, создающих НЧ-искажения.
В нашем случае число разделительных конденсаторов на входе равно 2 (по каждому из входов дифференциального каскада), т.е. n = 2 (рис.4.1).
Ёмкость разделительного конденсатора Ср находится из выражения постоянной времени для области нижних частот
(с)
когда
fн – нижняя граничная частота.
Принимается емкость конденсаторов Cp номинального значения 0,3мкФ
5.3. Проверка работы в области верхних частот
Снижение АЧХ УМ в области верхних частот обусловлен частотными искажениями каскадов на ОУ и бустера, а также влиянием ёмкости нагрузки.
Коэффициент частотных искажений на верхней граничной частоте fB. равен произведению коэффициентов каждого каскада УМ.
,
где
коэффициенты частотных искажений каскадов схемы и цепи нагрузки RнСн.
В случае, когда в качестве активных элементов схемы используются ОУ и имеет место
, то каскады на ОУ не оказывают влияния на ВЧ-искажения, т.е.
Коэффициент частотных искажений бустера в ВЧ-области определяется следующим образом:
,
где
Коэффициент частотных искажений, определяемый влиянием цепи нагрузки RНСН в области ВЧ, рассчитывается по формуле:
,
где
(нс)
Теперь рассчитывается результирующее значение коэффициента частотных искажений в ВЧ-области
:
Данная величина меньше заданного значения
5.4. Расчёт КПД
Схема выходного каскада УМ работает в режиме класса АВ. Рассчитывается коэффициент полезного действия схемы
,
где
-максимальная мощность полезного сигнала.
=
(Вт)
Рпотр- потребляемая мощность при данном режиме
(Вт)
Полученное значение коэффициента полезного действия не превышает значения 20%
5.5. Расчёт фильтров в цепях питания операционных
усилителей
Поскольку напряжение источника питания схемы значительно превышает допустимое напряжение питания операционных усилителей входного и промежуточных каскадов, то избыточное напряжение необходимо «погасить» с помощью фильтров в каждом из каскадов. Целесообразно включить фильтр для каждого ОУ, т.к. включение общего фильтра для всех ОУ потребует резистора с большим значением допустимой мощности ввиду большого проходящего через него тока. Поэтому принимаются фильтры в цепях питания каждого ОУ. Фильтры рассчитываются так, чтобы напряжение питания для каждого было одинаковое и составило
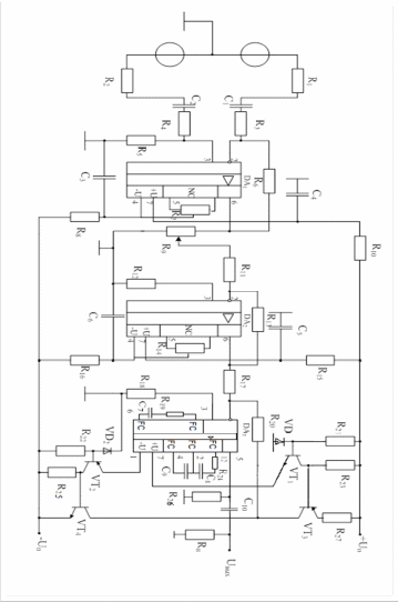
(В). На рис.5.3. изображена схема первых 3-х каскадов УМ с фильтрами в цепях питания ОУ.
Как уже ранее было отмечено, входной и каскады предварительного усиления УМ построены на ОУ (это видно из схемы рис.5.3.). Эти ОУ были выбраны ранее в пунктах 4.1-4.3. Параметры ОУ, необходимые для расчета фильтров приведены в таблице 5.1 (см. таблицу 3.2).
Рис.5.3.Фильтры в цепях питания ОУ.
Таблица 5.1
| Тип ОУ | К140УД6 |
| Е пит, (В) | ±15 |
| I потр, (мА) | 4 |
Для схемы принято напряжение источника питания
(В)
Расчет сопротивления резистора в фильтрах проводится по формуле
Принимается сопротивление номинального значения 3,9(кОм).
Расчет ёмкости конденсатора в фильтре проводится из условия
,
где
(с)
Принимается емкость номинального значения 6(мкФ).
5.6. Электрическая схема и спецификация элементов
Таблица 5.2
| № | Обозначение | Номинал | Кол-во |
| 1 | R1,R2 | Резисторы; 5,1 (кОм) | 2 |
| 2 | R3, R4 | Резисторы; 5,1 (кОм) | 2 |
| 3 | R5 , R6 | Резистор; 4300(кОм) | 2 |
| 4 | R7 | Резисторы; 10(кОм) | 1 |
| 5 | R8, R10 | Резисторы; 3,9 (кОм) | 2 |
| 6 | R9 | Резисторы; 3,3 (кОм) | 1 |
| 7 | R11 , R12 | Резистор; 5,1 (кОм) | 2 |
| 8 | R13 | Резистор; 4300 (кОм) | 1 |
| 9 | R14 | Резисторы; 10(кОм) | 1 |
| 10 | R15 , R16 | Резистор; 3,9(кОм) | 2 |
| 11 | R17 | Резисторы; 10 (кОм) | 1 |
| 12 | R18 | Резистор; 8,2 (кОм) | 1 |
| 13 | R19 | Резистор; 820 (кОм) | 1 |
| 14 | R20 | Резисторы;43(кОм) | 1 |
| 15 | R21, R22 | Резисторы; 10(кОм) | 2 |
| 16 | R23,R25 | Резистор; 6,8 (Ом) | 2 |
| 17 | R24 | Резистор; 200 (кОм) | 1 |
| 18 | R26 | Резистор; 2,5 (кОм) | 1 |
| 19 | R27 | Резистор; 680 (Ом) | 1 |
| 20 | C1, C2 | Конденсаторы; 0,3 (мкФ) | 2 |
| 21 | C3, C4, C5, C6 | Конденсаторы; 6 (мкФ) | 4 |
| 22 | C7 | Конденсатор; 15 (пФ) | 1 |
| 23 | C8 | Конденсатор; 13 (пФ) | 1 |
| 24 | C9 | Конденсатор; 15 (пФ) | 1 |
| 25 | C10 | Конденсатор; 0,8 (пФ) | 1 |
| 26 | VD1, VD2 | Диоды; КС139А | 2 |
| 27 | VT1, VT2 | Транзисторы; КТ3107А,КТ3102А | 2 |
| 28 | VT3, VT4 | Транзисторы; КТ502Б, КТ503Б | 2 |
| 29 | DA1, DA2 | Операционные усилители;К140УД6 | 2 |
| 30 | DA3 | Операционный усилитель; К140УД5Б | 1 |
Рис.5.4. Электрическая схема рассчитанного усилителя мощности.
Список использованной литературы.
1. Бабенко В.П., Изъюрова Г.И. Основы радиоэлектроники. Пособие по курсовому проектированию. М.: МИРЭА,-1985, - 68 с., ил.
2. Бабенко В.П., Изъюрова Г.И. ОУ в усилительных устройствах: Учеб. пособие /Моск. гос. ин-т радиотехники, электроники и автоматики (технический университет) – М., 1994. – 74 с.
3. Полупроводниковые приборы: Транзисторы. Справочник / В.А. Аронов, A.B. Баюков, А.А. Зайцев и др. Под общей ред. Н.Н. Горюнова. – М.: Энергоатомиздат, 1985,- 904 с., ил.
4. http://logic-bratsk.ru/radio/CHIPS/ou.htm
5. http://www.chipinfo.ru/dsheets/diodes/stablp.html
















