Учебное пособие ФОЭП (1076389), страница 3
Текст из файла (страница 3)
SО = Q/PО = U(PО – PH) /PО;
Таким образом, при увеличении проводимости трубопровода до бесконечности (U –> ) быстрота откачки камеры стремится к быстроте действия насоса (So –> SH); при закрытом трубопроводе (U –> 0) быстрота откачки камеры также равна нулю (So –> 0).
Расчет времени откачки полностью герметичной, идеально обезгаженной системы
| Дано: V – объем камеры; So – быстрота откачки (принимается So = const); Po, PK – начальное и конечное давления. Найти: время откачки to от Ро до РК. |
-
Определим количество газа dG, откачанное за время dt:
После интегрирования получим:
-
Найдем время откачки to:
- для идеальной системы (PK –> 0 при t–>).
Для реальной системы (при t –>, P–>P’):
где Р' – предельное давление системы (
);
Qост. – остаточное газовыделение в системе.
-
Определим уравнения кривых откачки для идеальной и реальной систем:
-
Перейдем к десятичным логарифмам:
Пример:
Дано: Объем камеры – 10 л. (10-2 м3)
Po = 105 Па, PK = 101 Па, Р' = 1,310-2 Па
Найти: to
Измерение давления вакуумной среды
Диапазон давлений, используемый в вакуумных и электронных технологиях – 105…10-12 Па. Полное давление измеряют вакуумметрами, состоящими из преобразователя давления (ПД) и измерительного блока (ИБ). Вакуумметры могут быть классифицированы по методу измерения и принципу действия.
По методу измерения – вакуумметры прямого и косвенного измерения.
По принципу действия – жидкостные, деформационные, тепловые, электронные, магнитные и др.
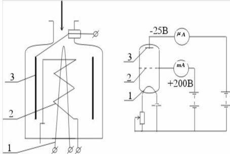
В качестве примера рассмотрим термоэлектронный (ионизационный) преобразователь для измерения ВВ (Ризм. = 1…10-5 Па).
Найдем уравнение ионизационного преобразователя. Число образованных ионов:
где Р – давление, Па;
ne – число электронов;
- эффективность ионизации, м-1Па-1;
l – длина траектории, м.
Эффективность ионизации - количество ионов, образованных электроном при давлении 1 Па и длине траектории электрона равной 1 м.
Разделив уравнение на время t, получим уравнение ионизационного преобразователя:
где Iu,Ie – ионный и электронный ток, А;
k – чувствительность ионизационного преобразователя (
, Па-1).
Чувствительность ионизационного преобразователя – кол-во ионов, образованных электроном при давлении 1 Па.
где Ка – постоянная ионизационного преобразователя, AПа-1.
Чувствительность К ионизационного преобразователя ПМИ-2 к различным газам
| Газ | N2 | O2 | Ar | He | H2 | CO |
| К, Па-1 | 0,22 | 0,23 | 0,27 | 0,025 | 0,082 | 0,24 |
Массовый состав атмосферного воздуха и парциальные давления компонентов (Т = 298 К)
| Газ | N2 | O2 | Ar | He | H2 | CO2 |
Массовая доля, % | 75,5 | 23,1 | 1,28 | 7,210-5 | 310-6 | 510-2 |
Парц. давления, Па | 7,9104 | 21104 | 9,4102 | 5,510-1 | 5,110-2 | 3,3102 |
Сорбционные и термовакуумные процессы
Термовакуумными называются процессы, которые обеспечивают получение требуемого давления и состава рабочей среды в вакуумированном объёме и сохранение этих параметров в течение регламентированного периода времени.
К ним относят:
-
удаление газов и паров из вакуумированного объема;
-
обезгаживающий прогрев материалов, находящихся в вакууме;
-
обработка катодов;
-
герметизация приборов;
-
удаление микродисперсных частиц.
Физические явления при обезгаживании материалов
Сорбция – процесс поглощения газов материалами.
Адсорбция – явление прилипания молекул и атомов газа к поверхности тела.
Абсорбция – явление проникновения молекул и атомов газа внутрь твердого или жидкого тела, т.е. растворение газа в объёме материала.
Физическая адсорбция обусловлена силами Ван-дер-Ваальса между молекулами газа и адсорбента (притяжением молекул с постоянными и индуцируемыми диполями),
при t = 20 C.
Хемосорбция – поверхностное поглощение газов за счет химического взаимодействия (валентных сил).
Сорбент – поглощающее вещество.
Сорбат – поглощаемое вещество.
Десорбция (газовыделение) – явление, обратно сорбции, состоящее в освобождении сорбированных газов с поверхности или из толщи материала.
Потенциальная энергия взаимодействия молекул газа
с поверхностью твердого тела
| | 1 – физическая адсорбция 2 – хемосорбция 3 – потенциальная энергия высокоэнергетических свободных молекул - потенциальная энергия физической адсорбции акт – энергия активации для диссоциации молекул на атомы х – потенциальная энергия хемосорбции |
Если наиболее вероятная энергия молекул
, то они будут колебаться внутри первой потенциальной ямы (k – постоянная Больцмана, Т – абсолютная температура).
Если молекулам сообщить энергию (например, путём нагрева), то они удалятся из 1-ой потенциальной ямы. При сообщении им энергии
, молекулы диссоциируют на атомы и попадают во 2-ую потенциальную яму за счет химического взаимодействия. Для удаления хемосорбированных молекул с поверхности им необходимо сообщить энергию десорбции
.
Следующим этапом процесса поглощения является абсорбция, которая характеризуется переходом хемосорбированных молекул внутрь материала.
Таким образом, процесс сорбции протекает в следующем порядке: физическая адсорбция –> хемосорбция –> абсорбция.
Следует отметить, что если свободные молекулы газа обладают энергией не менее акт, то они могут хемосорбироваться минуя этап физической абсорбции (кривая 3).
Скорость адсорбции (для чистой поверхности, т.е. для 0)
Из молекулярно-кинетической теории газов известно, что число молекул N1, ударившихся в единицу времени о единицу поверхности равно:
С учетом коэффициента прилипания
Это выражение определяет скорость адсорбции.
Вывод: Скорость адсорбции пропорциональна p и обратно пропорциональна
.
Скорость десорбции
Время пребывания молекулы (атома) на поверхности:
где
Qдес - энергия активации десорбции, т. е. энергия, которую необходимо сообщить 1-му молю молекул газа для десорбции с поверхности;
R - универсальная газовая постоянная;
Tmел - абсолютная температура тела.
Скорость десорбции может быть определена как:
где
Nдес - количество молекул (атомов), десорбирующих в единицу времени с единицы поверхности.
Вывод: Скорость десорбции резко (экспоненциально) растет с увеличением Tmел.
При неизменных параметрах p, T, Tmел через некоторое время устанавливается состояние равновесия, т. е. Nадс = Nдес.
Таким образом:
Вывод: общее число адсорбированных молекул (атомов) газа на единице поверхности пропорционально давлению газа Р и резко (экспоненциально) уменьшается при увеличении температуры тела Tmел.
Растворимость газов в твердых телах. Газопоглощение и газовыделение на границе «газ – твердое тело»
Растворимость - свойство газа растворяться до насыщения в определенном объеме твердого тела.
-
Растворимость зависит от свойств газа и материала.
-
В неметаллах газ растворяется в молекулярном состоянии и объемная концентрация газа С пропорциональна давлению p: С = S · p, где S - коэффициент растворимости.
-
В металлах молекулы газа сначала диссоциируют на атомы, а потом растворяются. Поэтому для двухатомных газов объемная концентрация газа C пропорциональна p1/2: C = S · p1/2.
В общем случае С = S · p1/j, где j - число атомов в молекуле газа (закон Фрейндлиха).
Коэффициент растворимости:
















